Скачать Типовой проект 0901-4-17.89 Альбом 1. Пояснительная записка. Архитектурно-строительные решения. Конструкции железобетонные. Организация строительства. Технологическая часть. Автоматизация. Спецификации оборудованияДата актуализации: 01.01.2021
|
| Обозначение: | Типовой проект 0901-4-17.89 |
| Обозначение англ: | 0901-4-17.89 |
| Статус: | не определен законодательством |
| Название рус.: | Альбом 1. Пояснительная записка. Архитектурно-строительные решения. Конструкции железобетонные. Организация строительства. Технологическая часть. Автоматизация. Спецификации оборудования |
| Дата добавления в базу: | 01.10.2014 |
| Дата актуализации: | 01.01.2021 |
| Дата введения: | 30.06.1989 |
| Дата окончания срока действия: | 30.06.2003 |
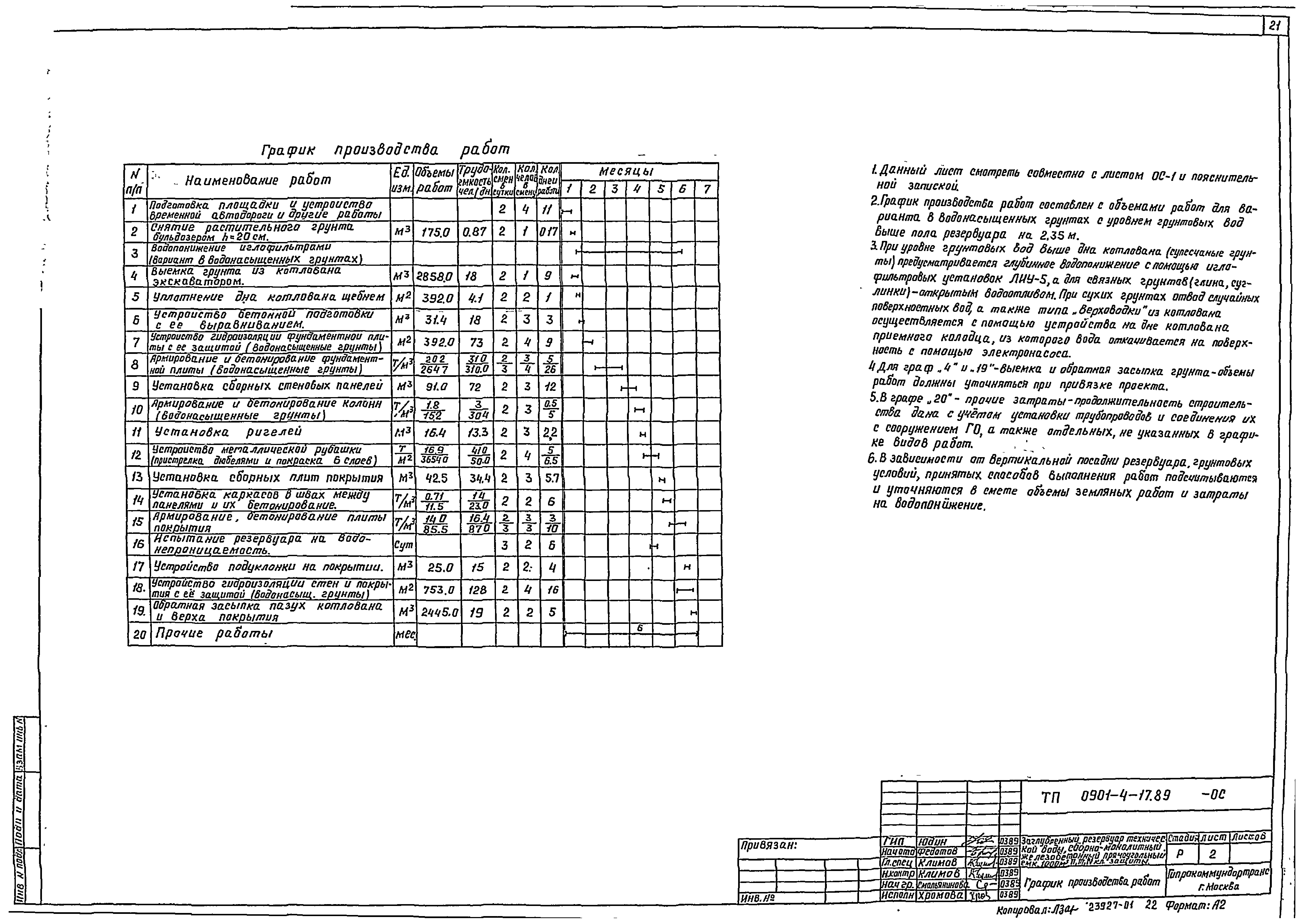
| Оглавление: | Содержание Пояснительная записка Чертежи основного комплекта марки АР Общие данные План, разрезы Чертежи основного комплекта марки КЖ Общие данные Фундаментная плита. Армирование Фундаментная плита. Спецификация. Ведомости Фундаментная плита. Спецификация (сухие грунты) Фундаментная плита. Спецификация (водонасыщенные грунты) Схемы раскладки железобетонных конструкций и соединительных каркасов Армирование колонн Кми1 - Кми6. Ведомость Спецификация арматурных изделий на колонны Монолитная часть покрытия. Армирование. Спецификация. Ведомость Металлическая рубашка резервуара. Сечения. Узлы Металлическая рубашка резервуара. Спецификация. Ведомость Чертежи основного комплекта марки ОС Общие данные. План котлована. Схема монтажа сборных конструкций График производства работ Чертежи основного комплекта марки ТХ Общие данные. Схема План. Разрезы 1-1, 2-2 Чертежи основного комплекта марки А Общие данные. План, разрез 1-1 Спецификация оборудования |
| Разработан: | Гипрокоммундортранс |
| Утверждён: | 16.06.1989 Штаб гражданской обороны СССР (USSR Civil Defense Headquarters 47) |


























