Скачать Типовой проект 0901-4-17.89 Альбом 2. Строительные изделияДата актуализации: 01.01.2021
|
| Обозначение: | Типовой проект 0901-4-17.89 |
| Обозначение англ: | 0901-4-17.89 |
| Статус: | не определен законодательством |
| Название рус.: | Альбом 2. Строительные изделия |
| Дата добавления в базу: | 01.10.2014 |
| Дата актуализации: | 01.01.2021 |
| Дата введения: | 30.06.1989 |
| Дата окончания срока действия: | 30.06.2003 |
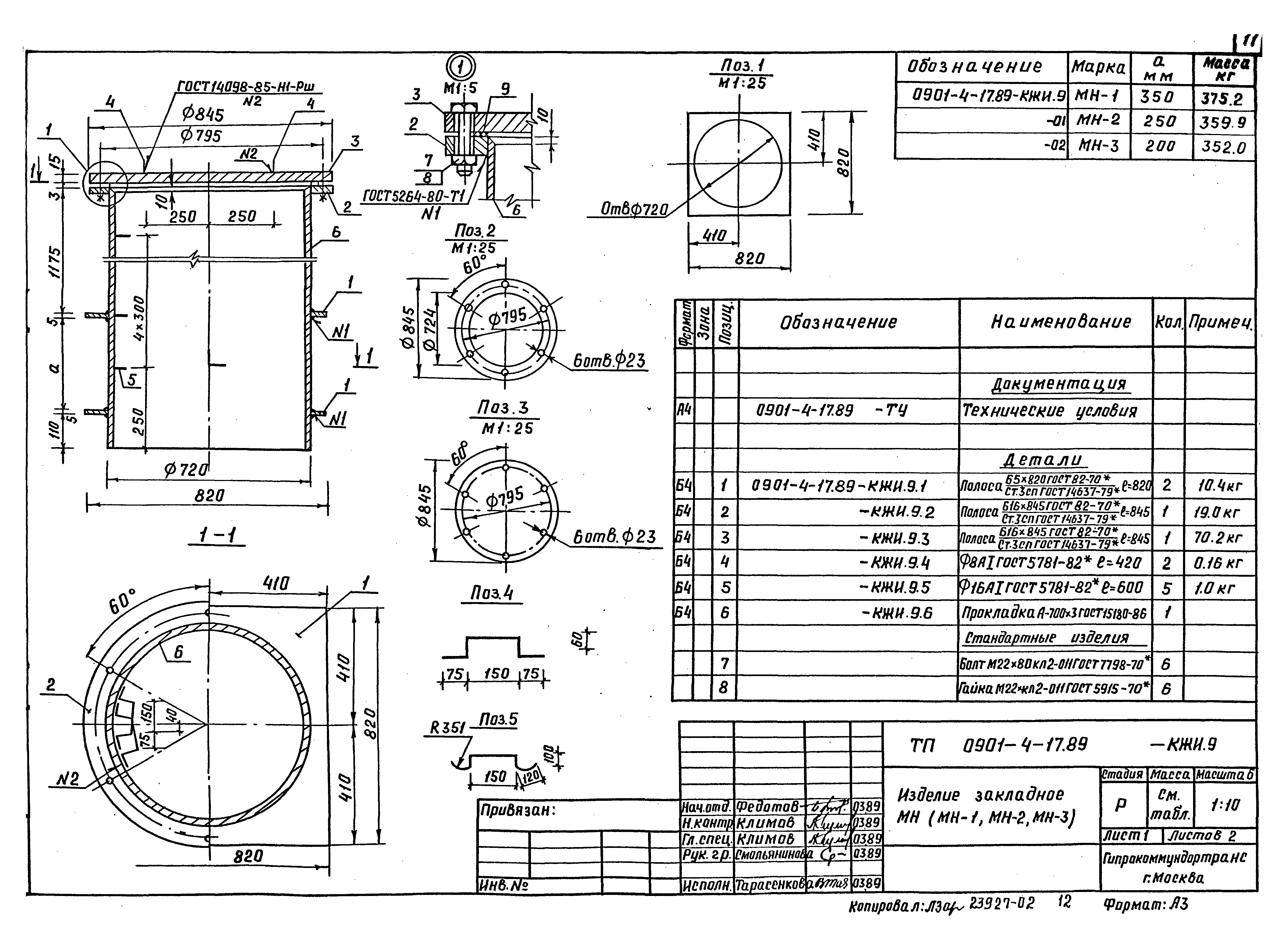
| Оглавление: | 0901-4-17.89-ТУ Технические условия 0901-4-17.89-КЖИ.1 Каркас пространственный КП(КП1, КП2, КП3) 0901-4-17.89-КЖИ.2 Каркас пространственный КП(КП4, КП5, КП6) 0901-4-17.89-КЖИ.3 Каркас пространственный КП(КП7, КП8, КП9) 0901-4-17.89-КЖИ.4 Каркас плоский КР(КР1, КР2, КР3) 0901-4-17.89-КЖИ.5 Каркас плоский КР(КР4, КР5, КР6) 0901-4-17.89-КЖИ.6 Каркас плоский КР(КР7, КР8) 0901-4-17.89-КЖИ.7 Сетка С(С1, С2, С3) 0901-4-17.89-КЖИ.8 Сетка С(С4, С5, С6) 0901-4-17.89-КЖИ.9 Изделие закладное МН(МН1, МН2, МН3) 0901-4-17.89-КЖИ.10 Изделие закладное МН4 0901-4-17.89-КЖИ.11 Лестница 0901-4-17.89-КЖИ.12 Изделие закладное МН5 |
| Разработан: | Гипрокоммундортранс |
| Утверждён: | 16.06.1989 Штаб гражданской обороны СССР (USSR Civil Defense Headquarters 47) |














