Скачать Типовой проект 3584тм Альбом IV. Автоматика. Релейная защита и вторичные соединенияДата актуализации: 01.01.2021
|
| Обозначение: | Типовой проект 3584тм |
| Обозначение англ: | 3584тм |
| Статус: | действует |
| Название рус.: | Альбом IV. Автоматика. Релейная защита и вторичные соединения |
| Дата добавления в базу: | 01.10.2014 |
| Дата актуализации: | 01.01.2021 |
| Дата введения: | 22.11.1977 |
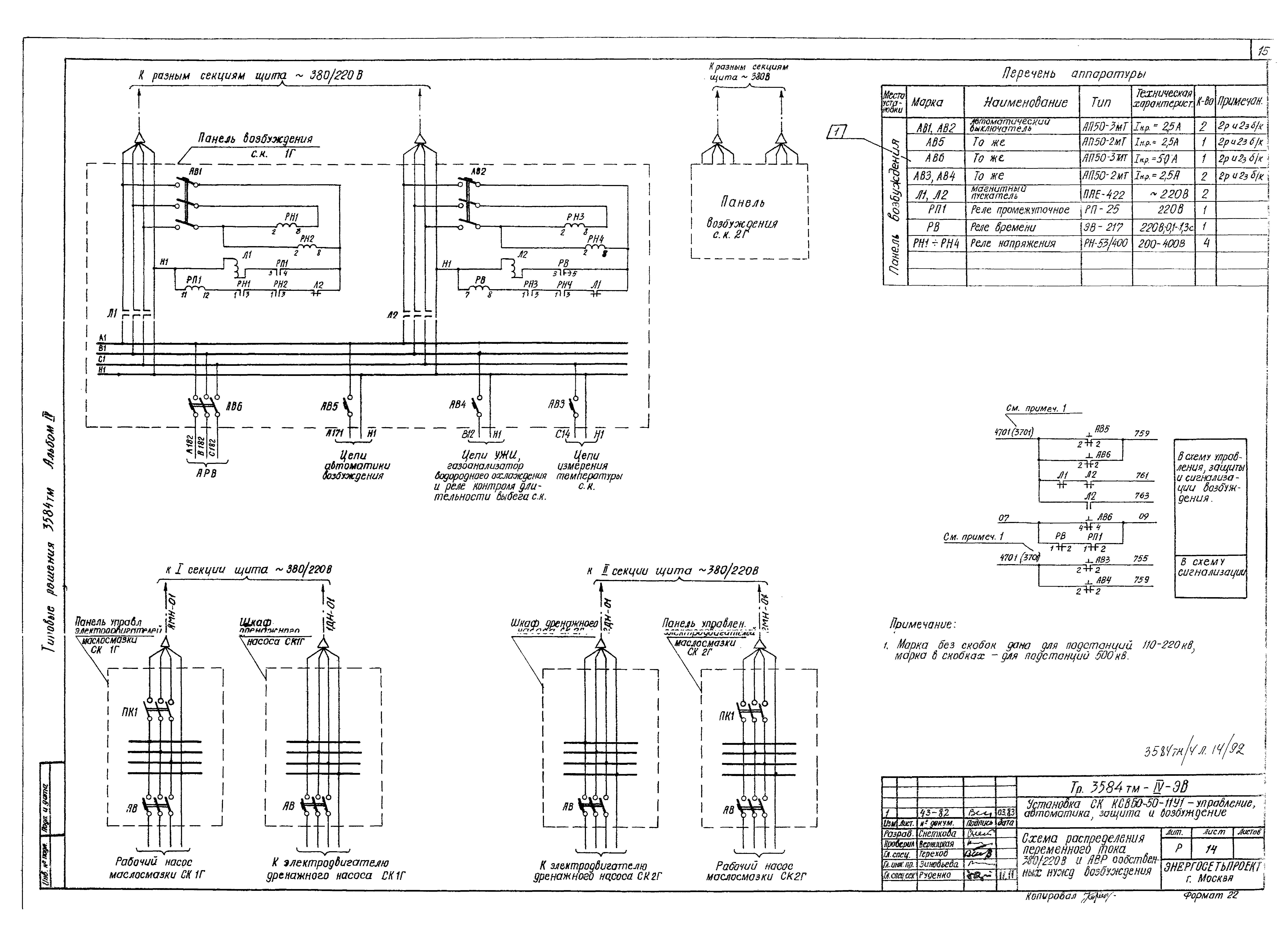
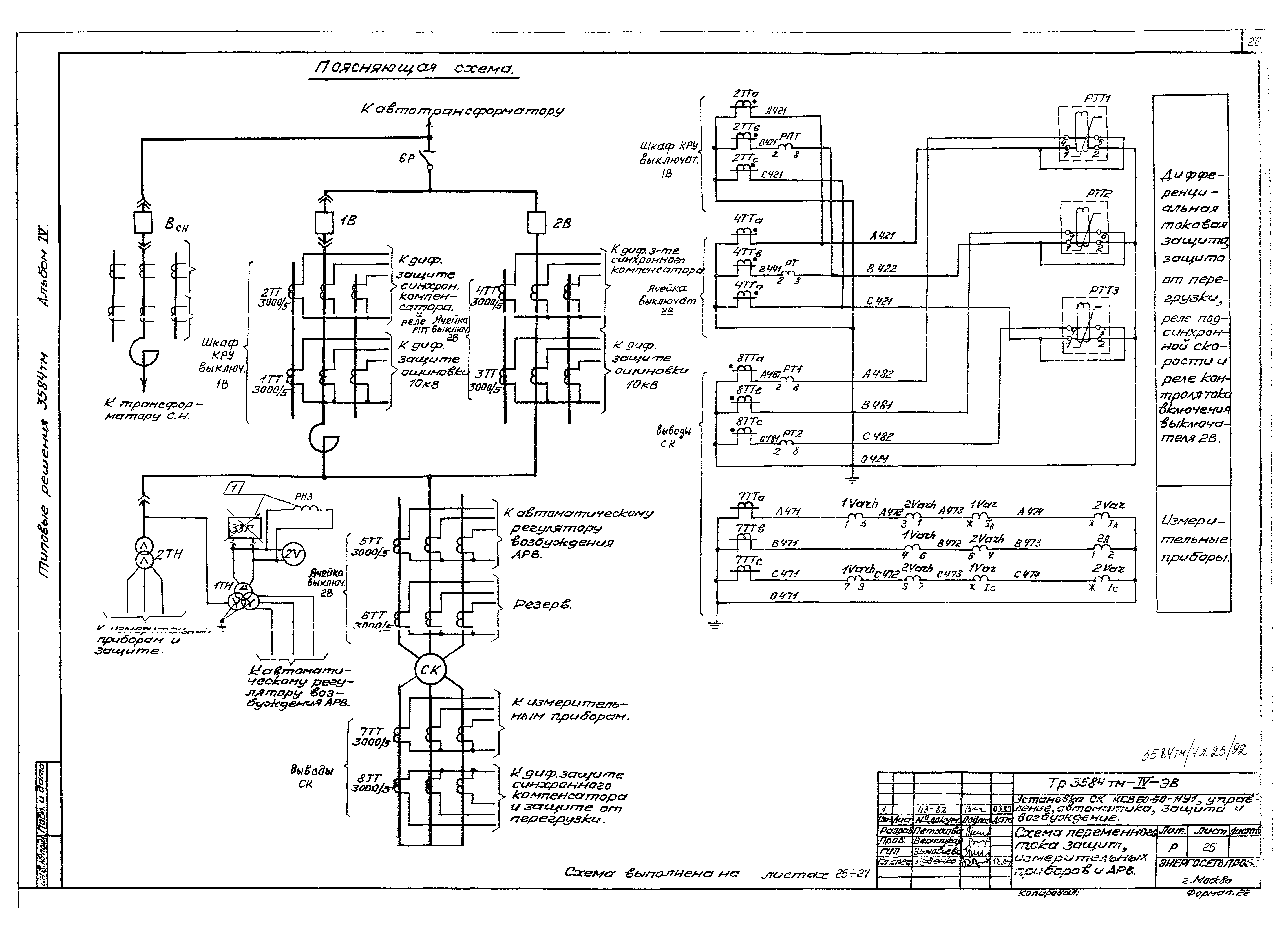
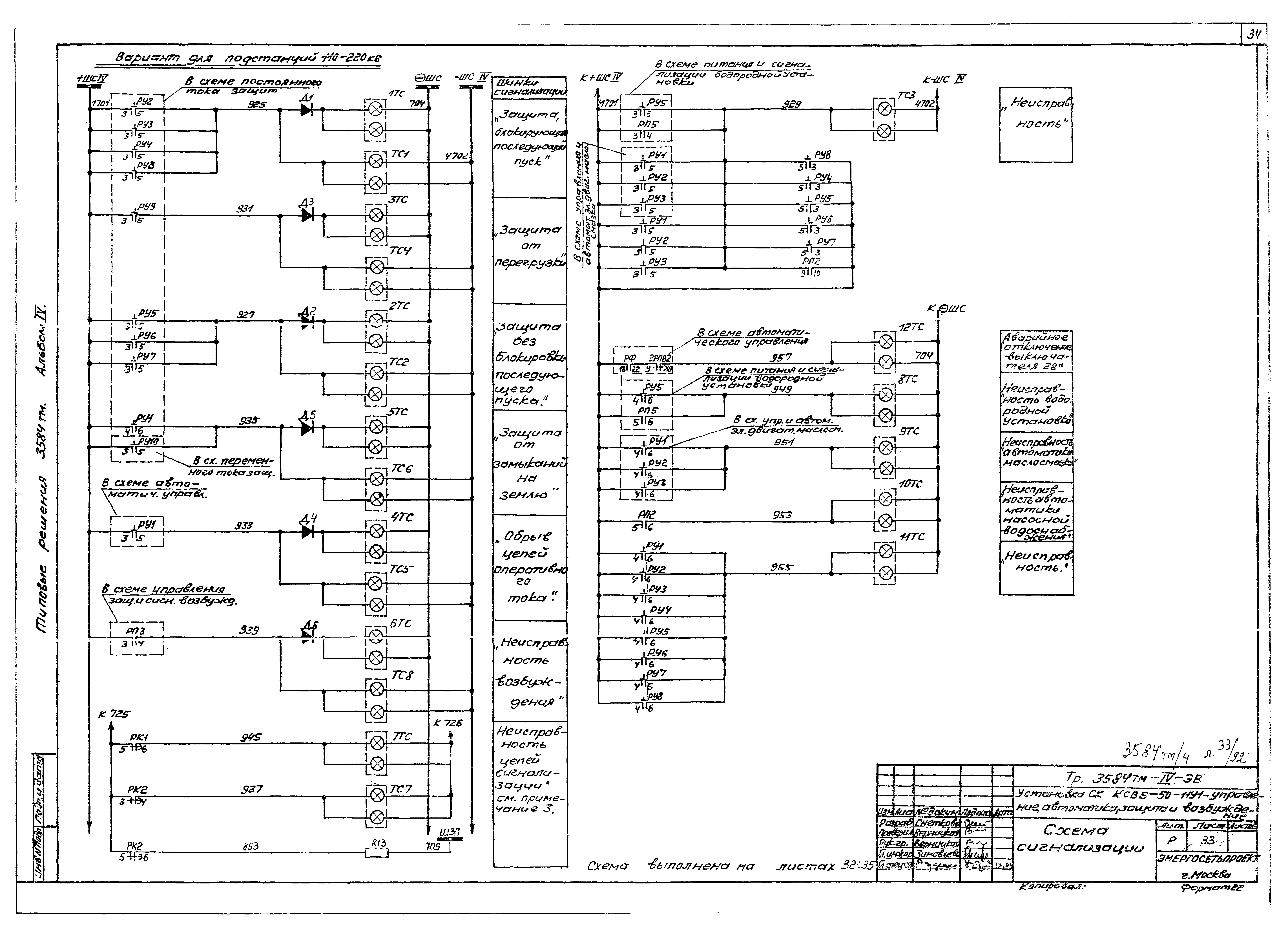
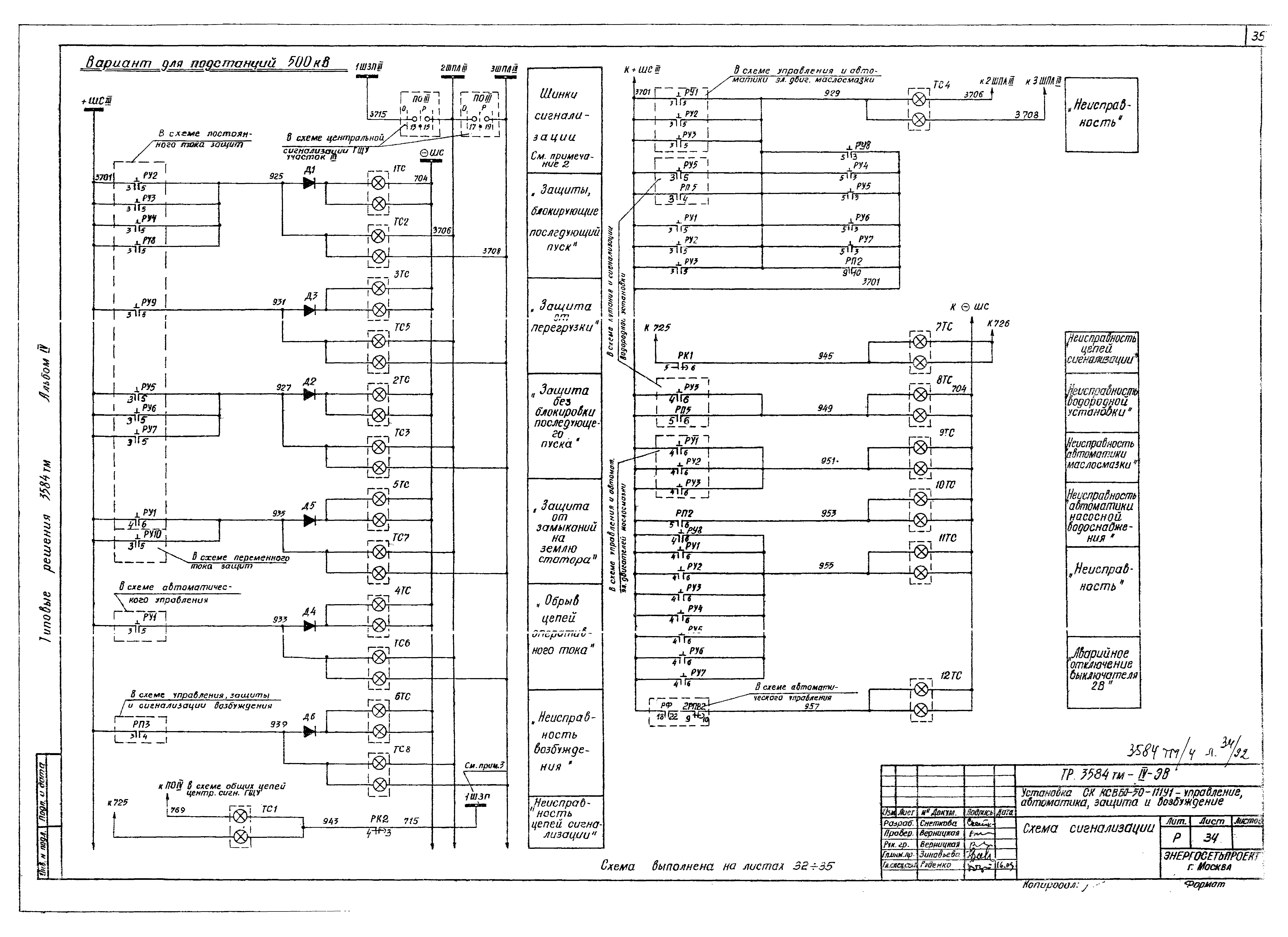
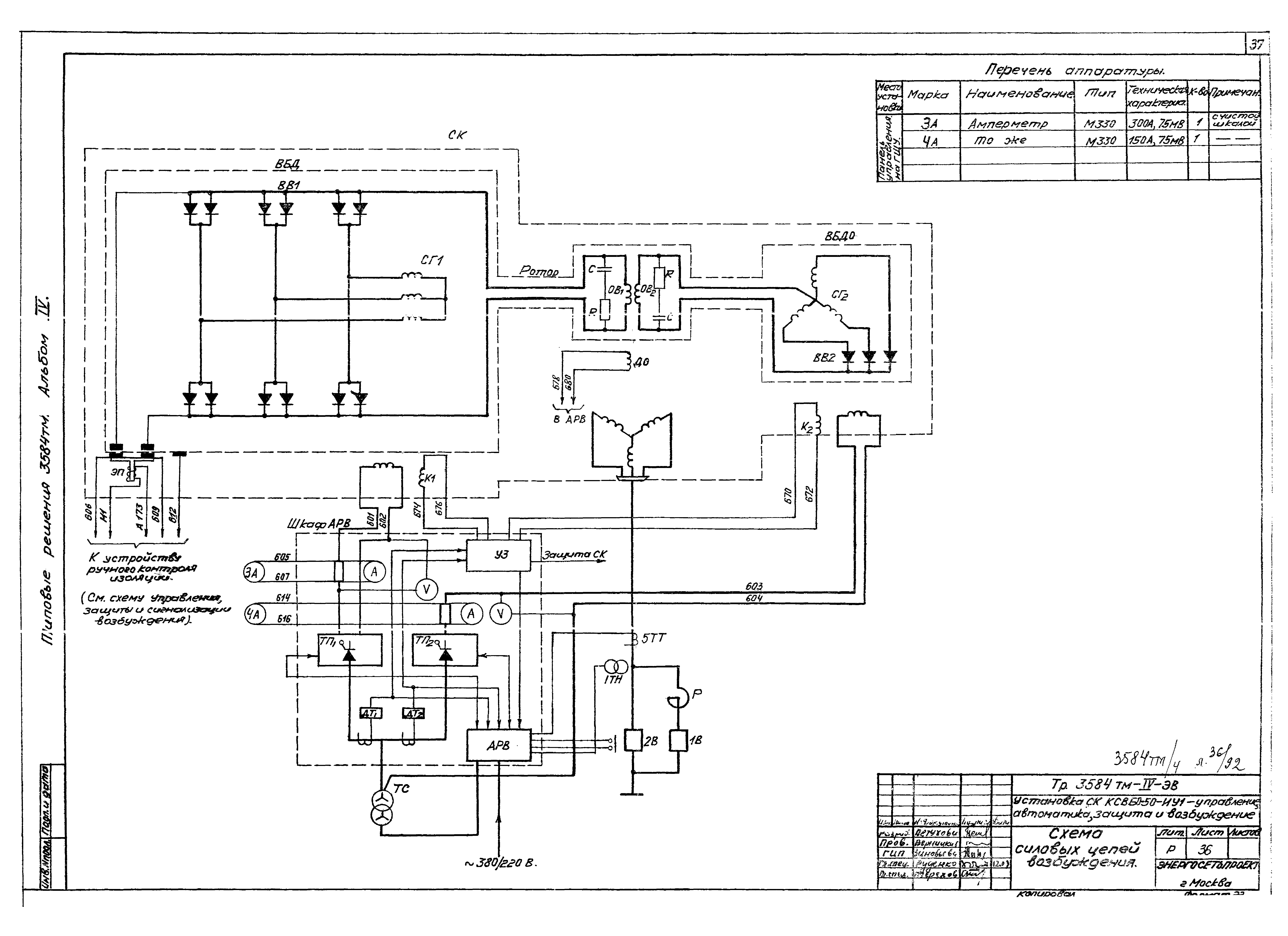
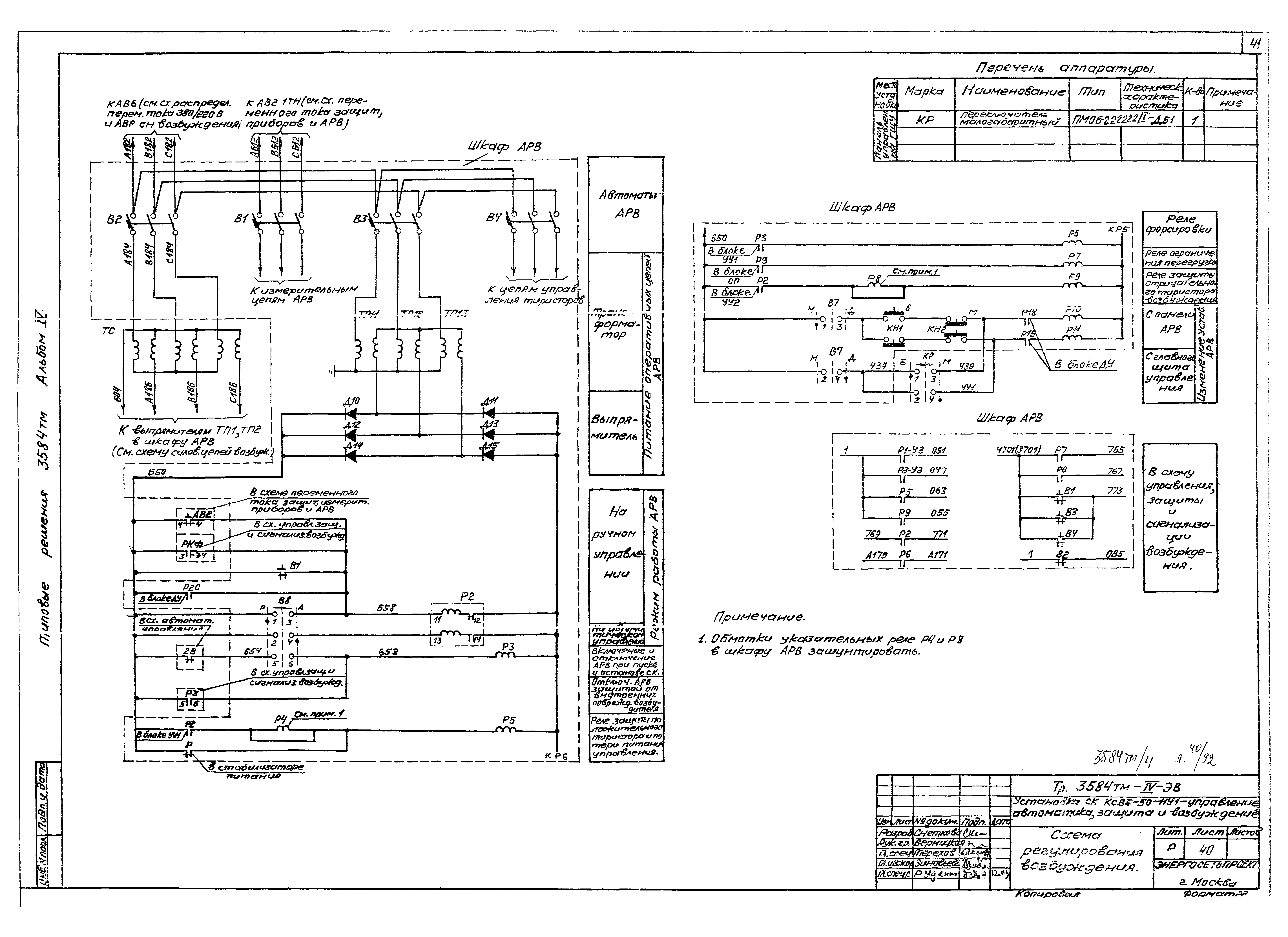
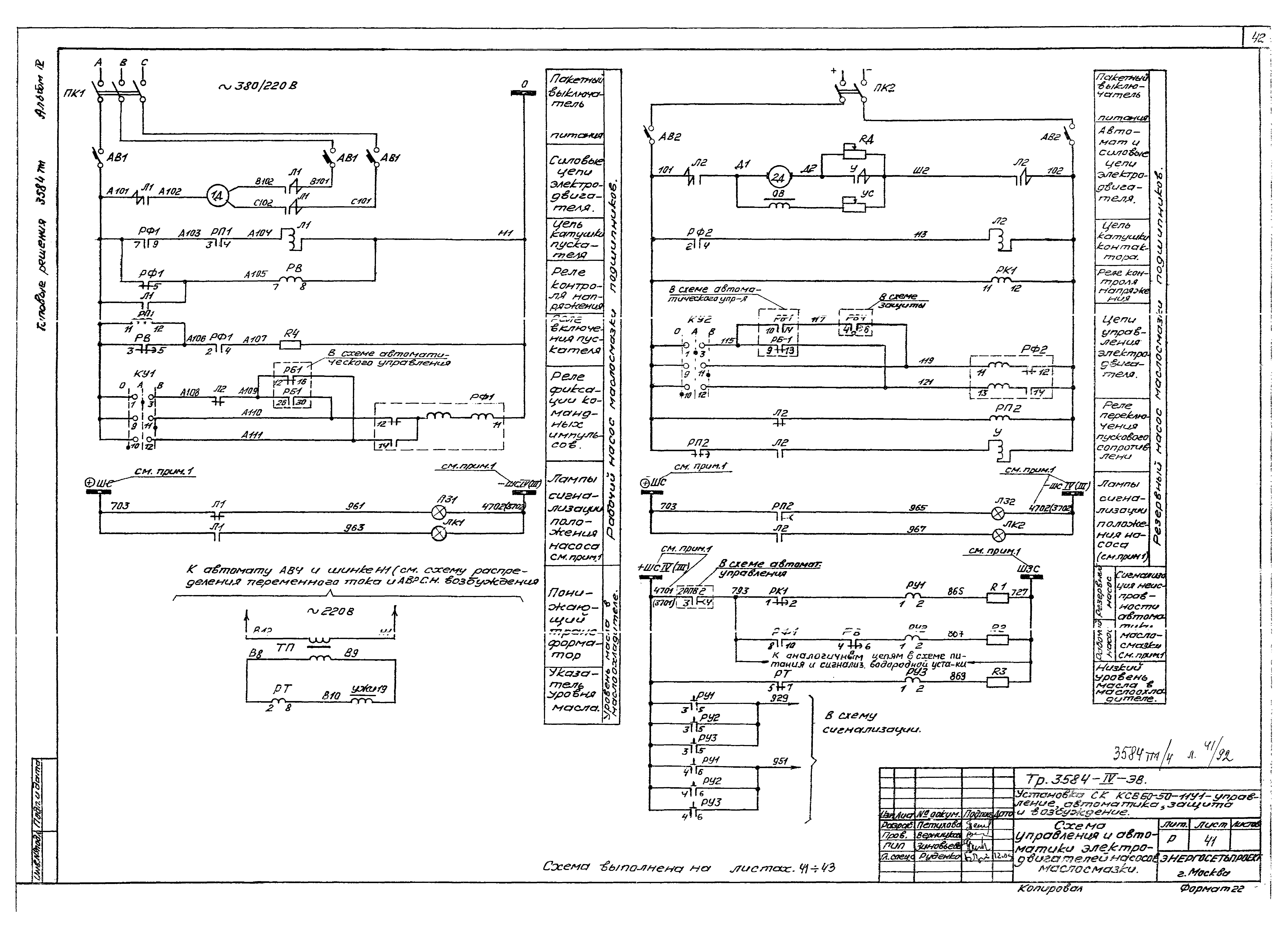
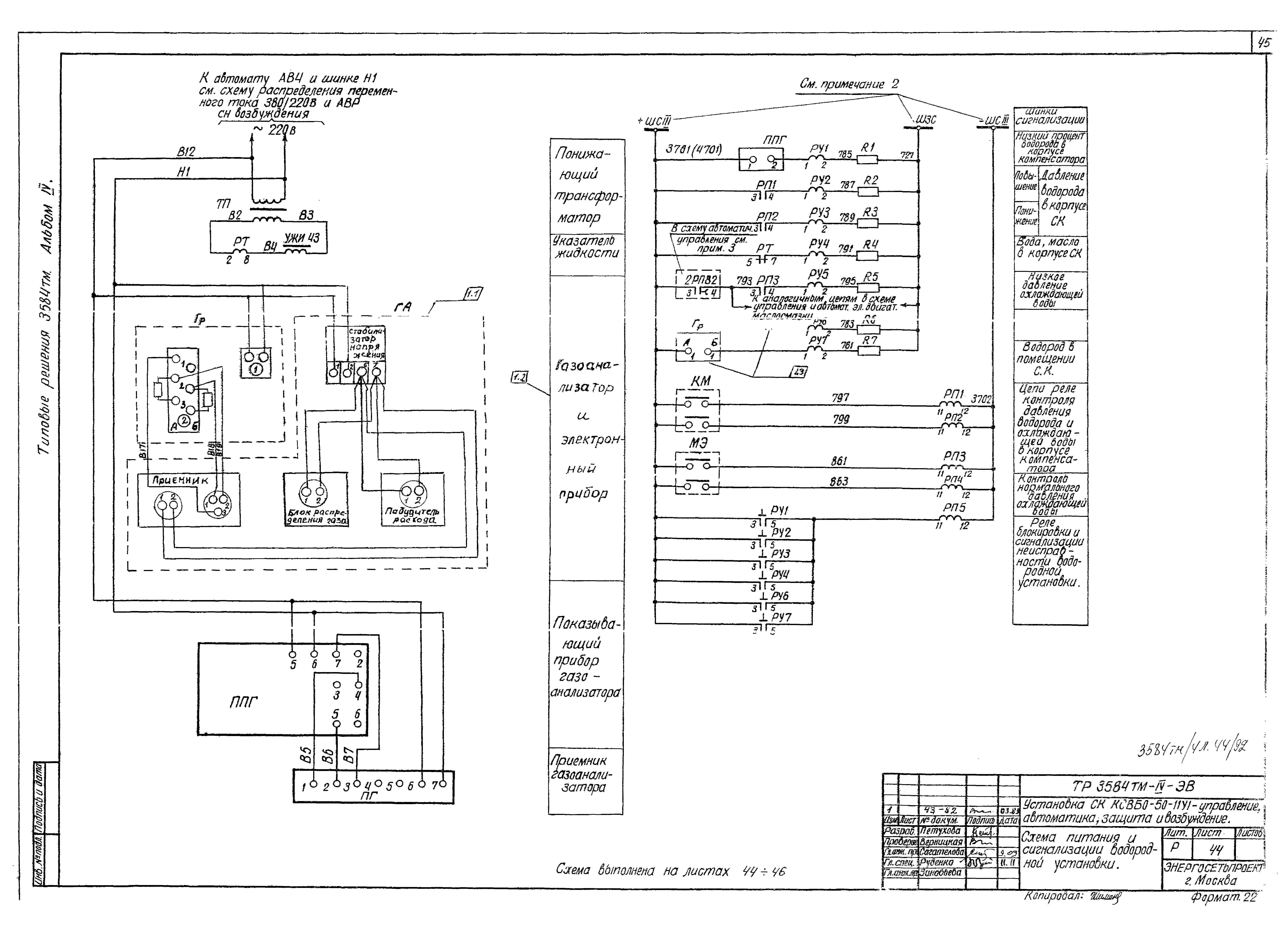
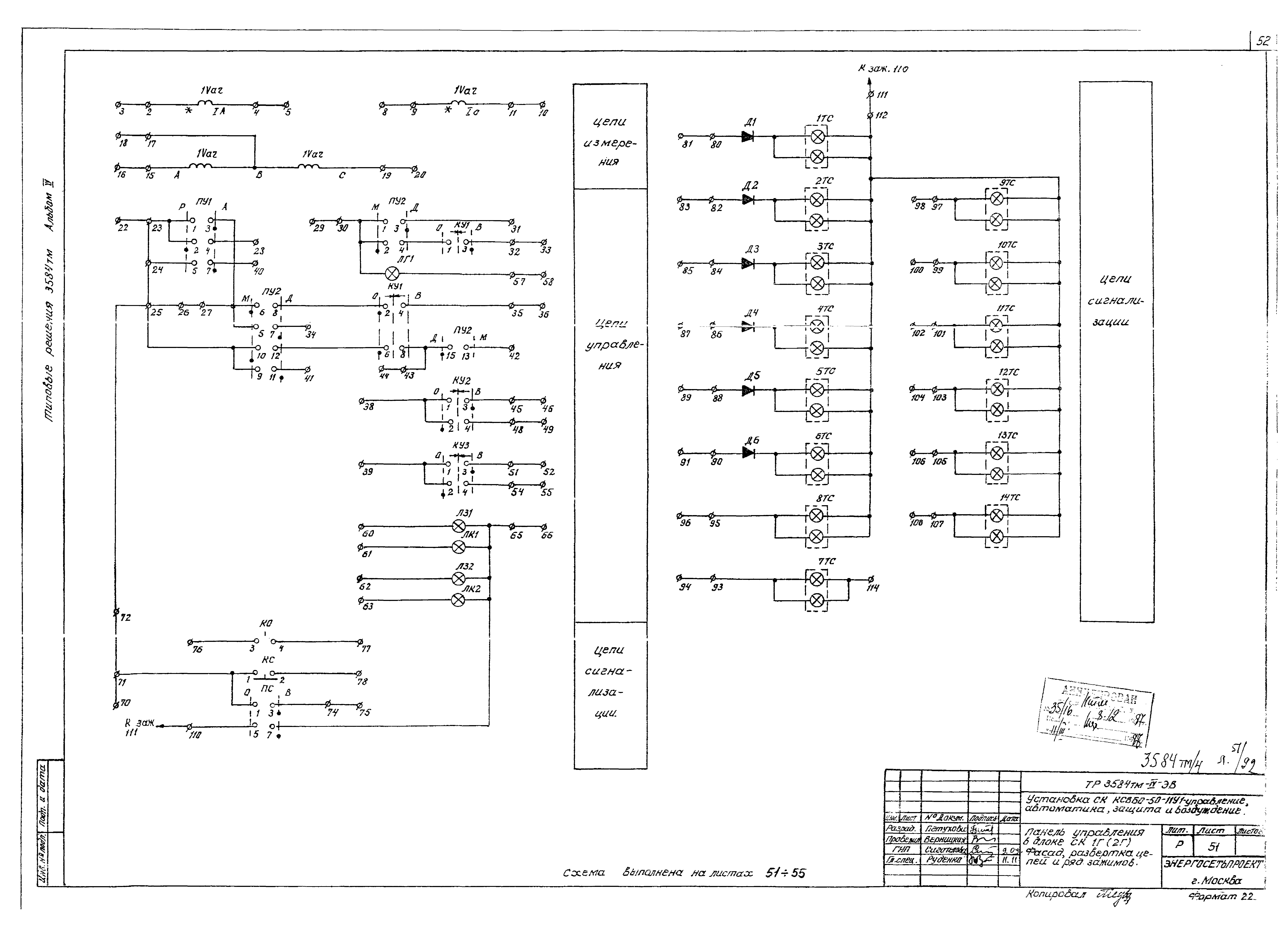
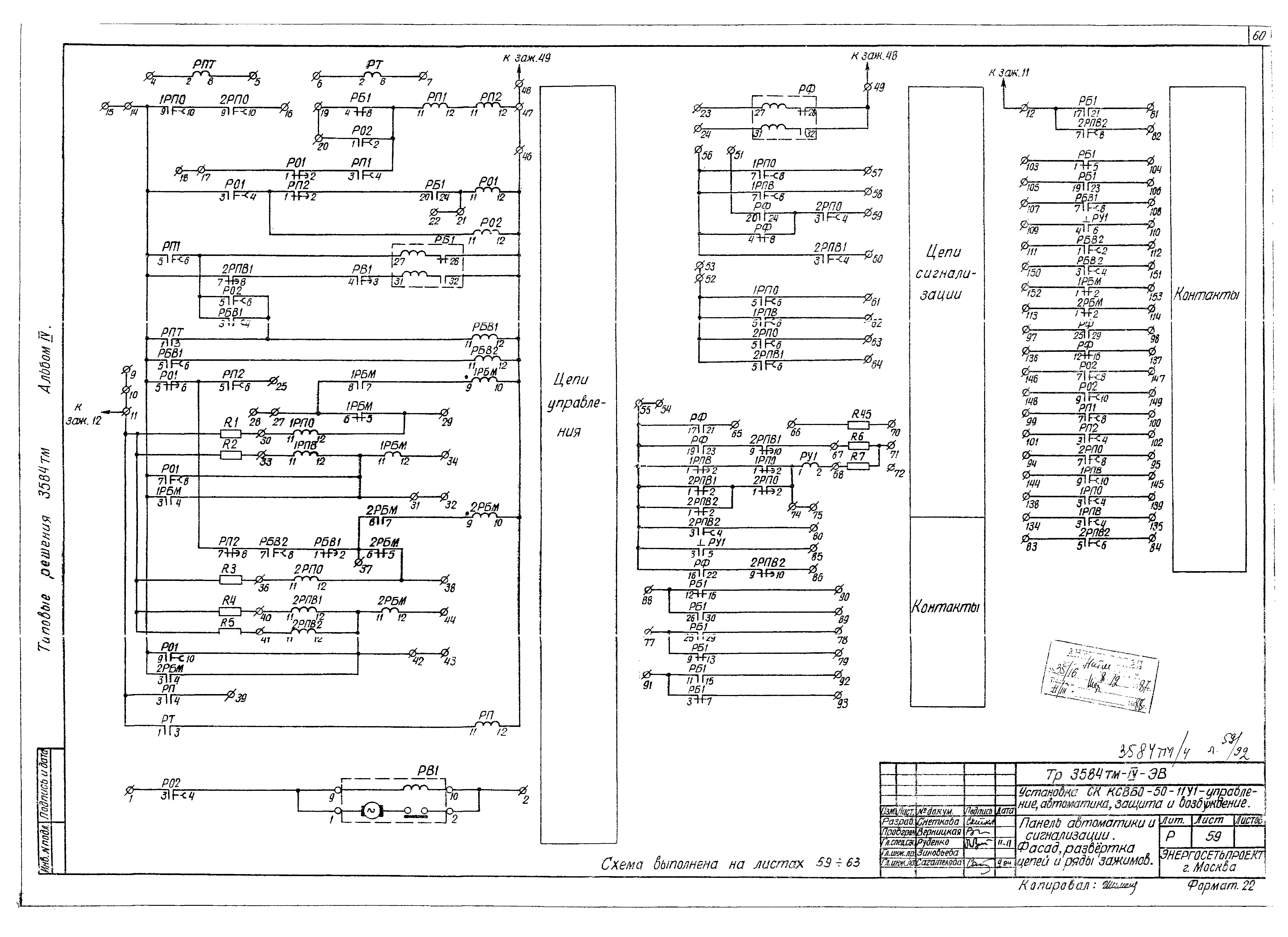
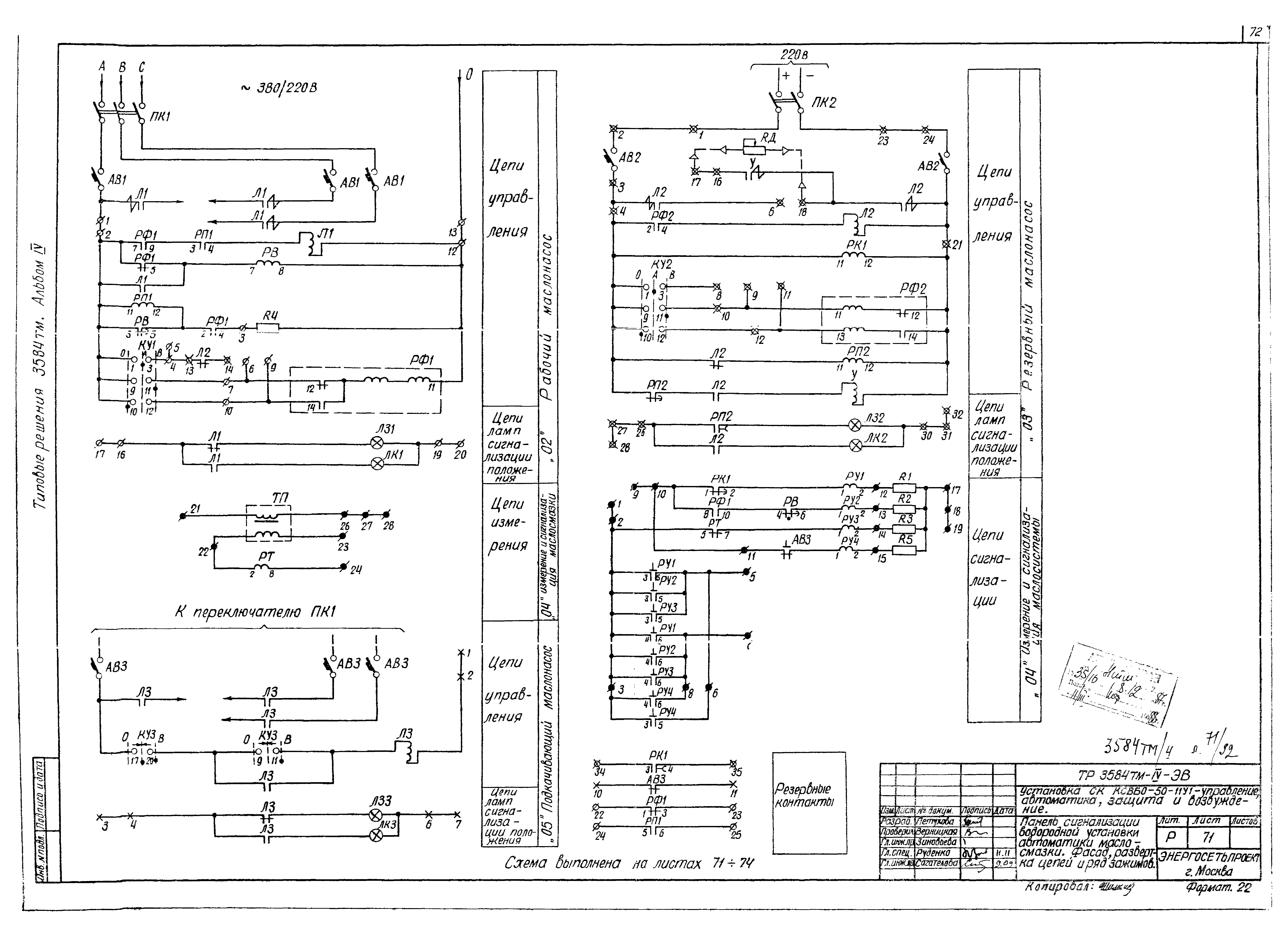
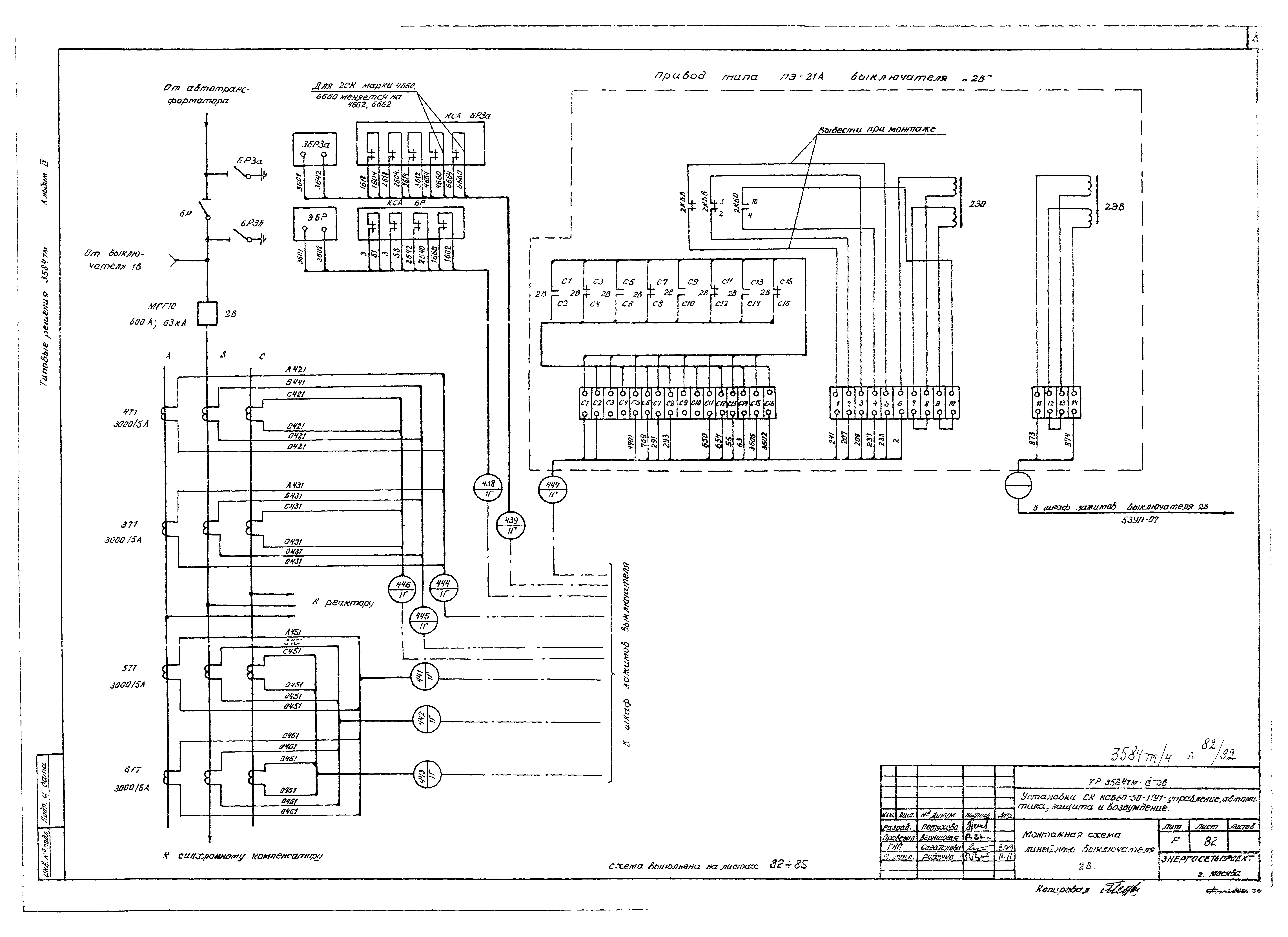
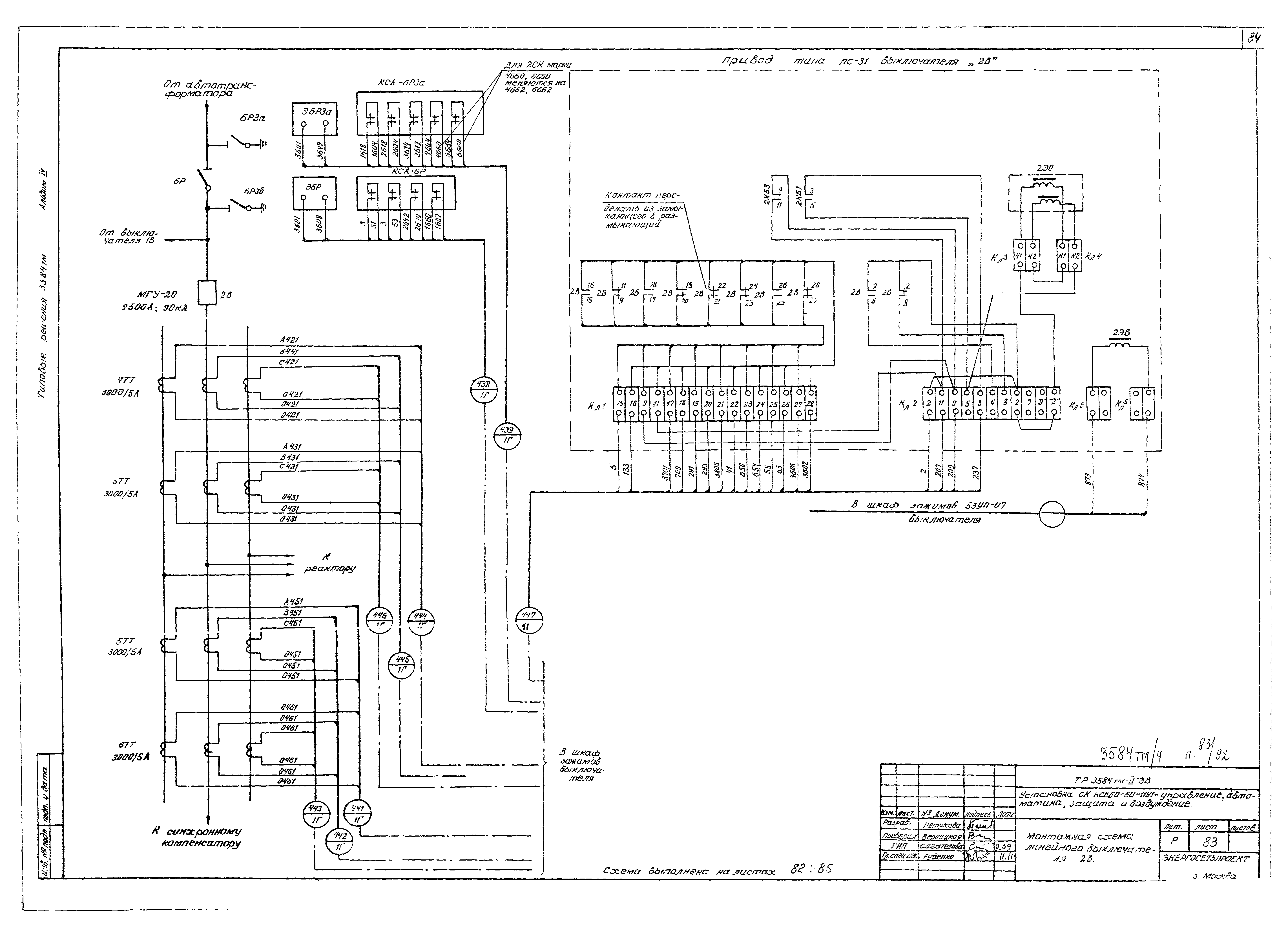
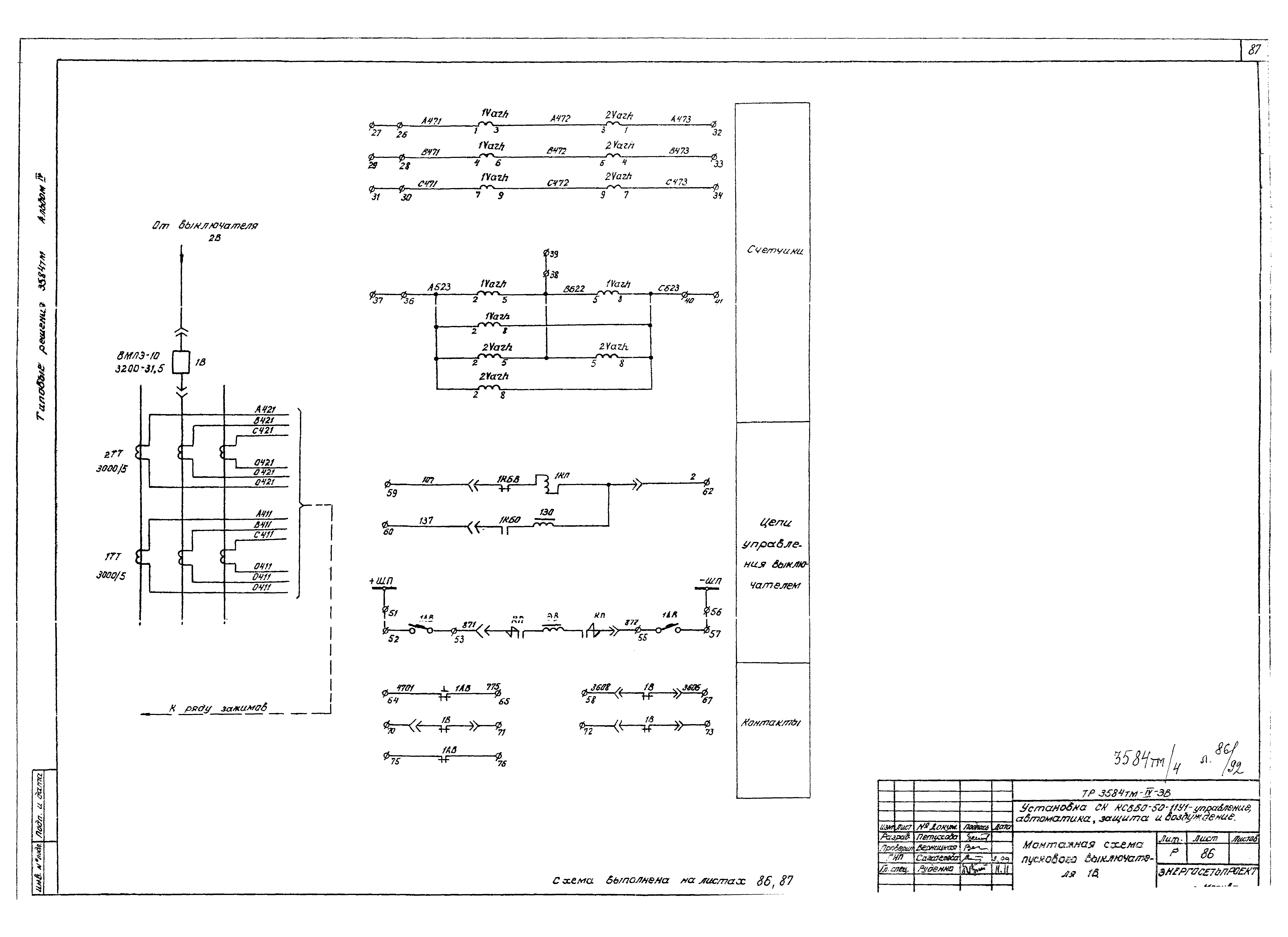
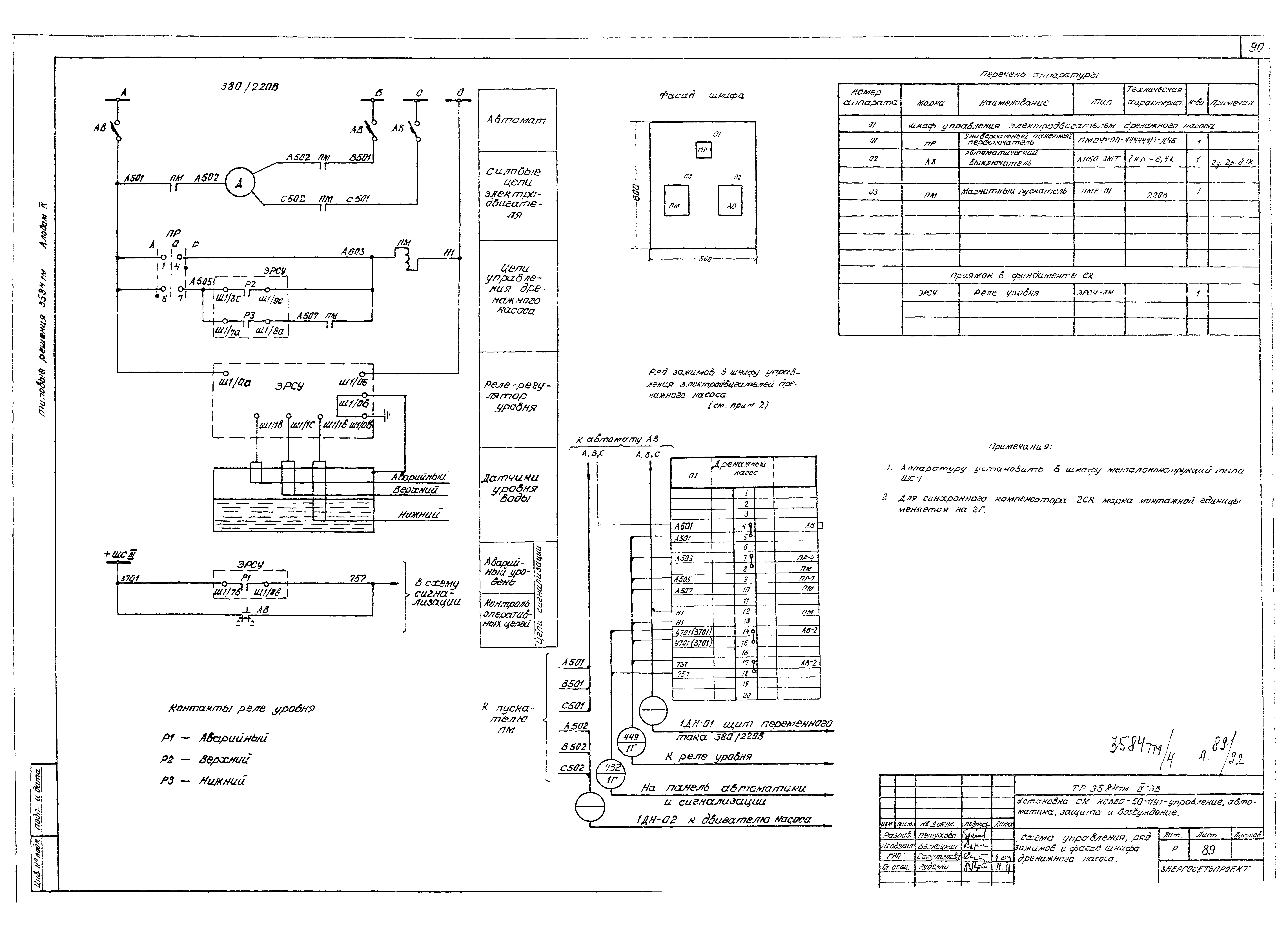
| Оглавление: | Перечень листов Пояснительная записка Схема распределения постоянного и выпрямительного тока Схема распределения переменного тока 380/220 В и АВР СН возбуждения Схема автоматического управления Схема переменного тока защит, измерительных приборов и АРВ Схема постоянного тока защиты Схема устройства защиты от замыканий на землю в обмотке статора СК типа 33Г-2 Схема сигнализации Схема силовых цепей возбуждения Схема управления, защиты и сигнализации возбуждения Схема регулирования возбуждения Схема управления и автоматики электродвигателей насосов маслосмазки Схема питания и сигнализации водородной установки Схема установки технологических приборов автоматики и измерения Полная схема измерения температуры Панель управления в блоке СК 1Г(2Г). Фасад, развертка цепей и ряд зажимов Панель управления ГЩУ СК 1Г и 2Г. Фасад, развертка цепей и ряд зажимов Панель автоматики и сигнализации. Фасад, развертка цепей и ряд зажимов Панель защиты. Фасад, развертка цепей и ряд зажимов Панель возбуждения. Фасад, развертка цепей и ряд зажимов Панель сигнализации водородной установки и автоматики маслосмазки. Фасад, развертка цепей и ряд зажимов Шкаф АРВ. Ряд зажимов Сводный фасад панелей управления, автоматики, сигнализации и возбуждения в блоке СК 1Г(2Г) Блок БВ-500 газового управления. Фасад и монтажная схема Монтажная схема выводов синхронного компенсатора Монтажная схема шкафа цепей термоконтроля Монтажная схема линейного выключателя 2В Монтажная схема пускового выключателя 1В Развертка и ряд зажимов в шкафу КРУ 10 кВ трансформатора напряжения Схема управления, ряд зажимов и фасад шкафа дренажного насоса Журнал контрольных кабелей синхронного компенсатора Панель защиты ЭПО1064/1,2-83. Фасад, развертка цепей и ряд зажимов |
| Разработан: | Энергосетьпроект Минэнерго СССР |
| Утверждён: | 22.11.1977 Энергосетьпроект (Energosetproject 174) |




























































































