Скачать Типовой проект 3584тм Альбом X. СметыДата актуализации: 01.01.2021
|
| Обозначение: | Типовой проект 3584тм |
| Обозначение англ: | 3584тм |
| Статус: | действует |
| Название рус.: | Альбом X. Сметы |
| Дата добавления в базу: | 01.10.2014 |
| Дата актуализации: | 01.01.2021 |
| Дата введения: | 01.10.1976 |
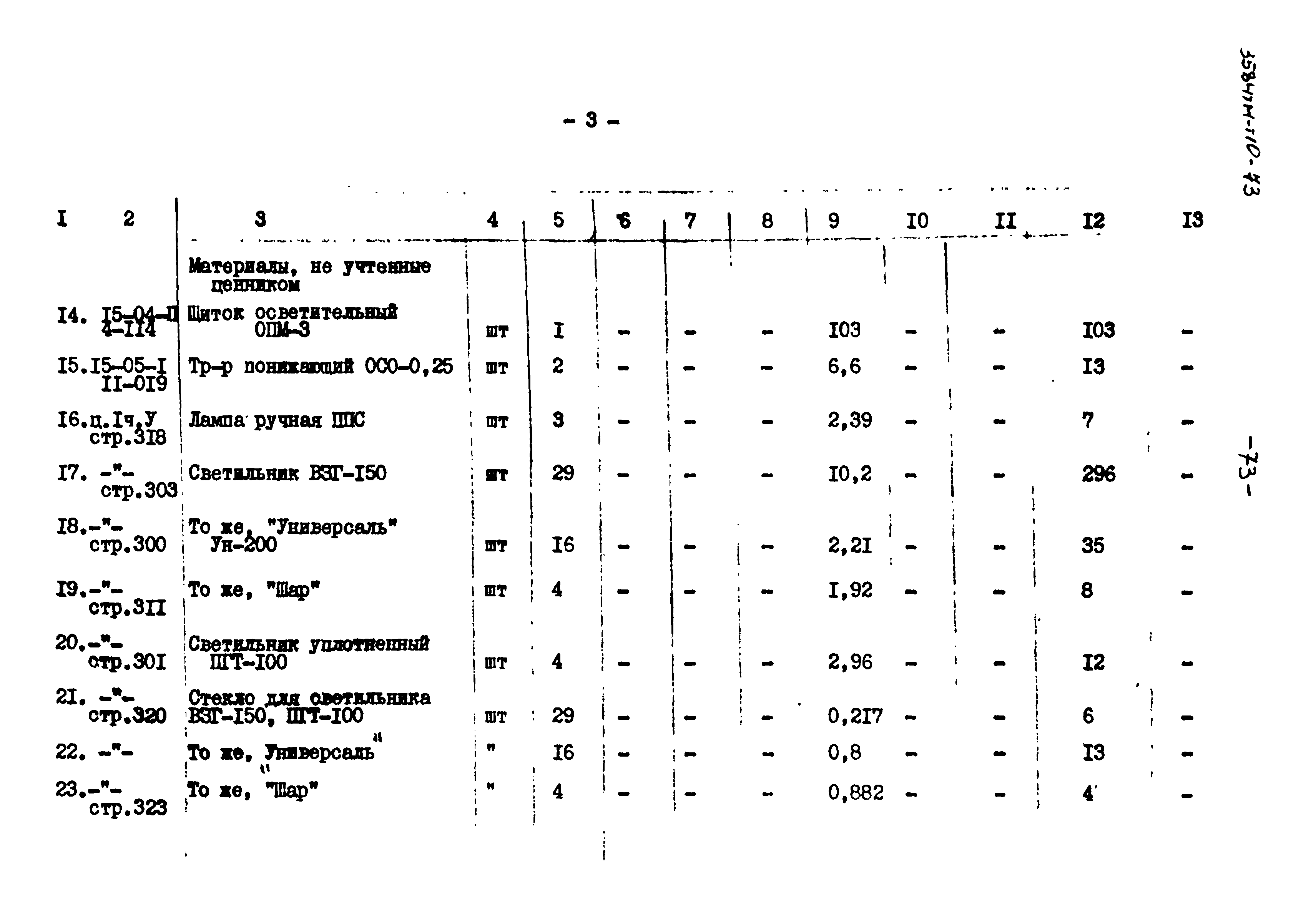
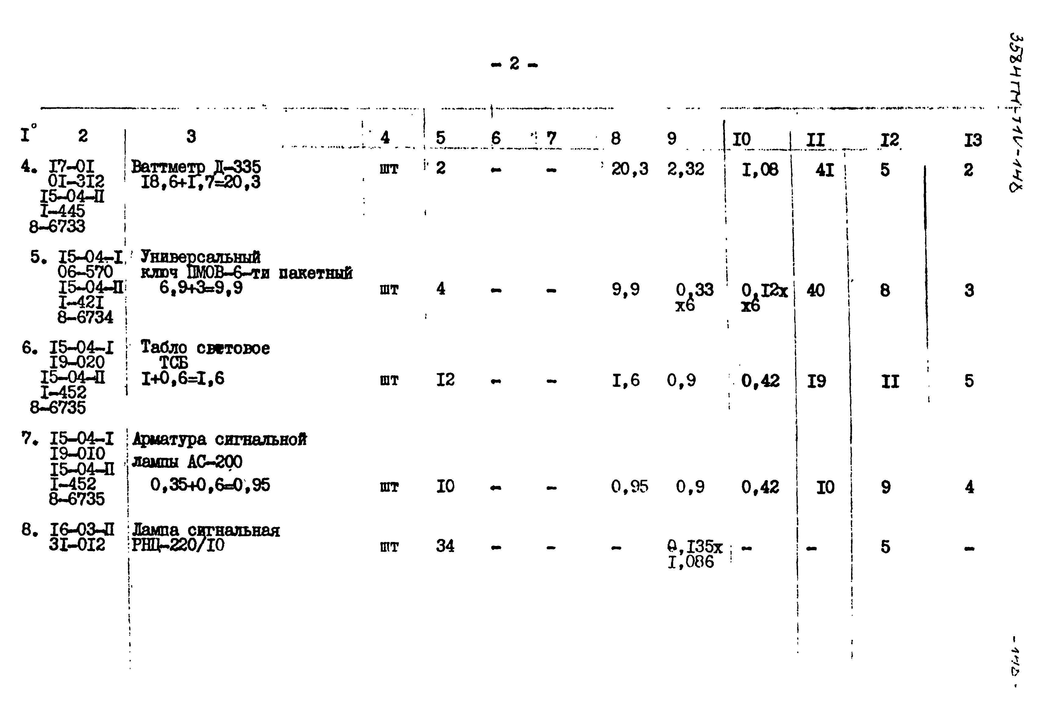
| Оглавление: | Пояснительная записка Таблица технико-экономических показателей (вариант в панелях) Таблица технико-экономических показателей (вариант в кирпиче) Объектная смета № 1 на установку синхронных компенсаторов КСВ6-50-IIVI (вариант в панелях) Объектная смета № 2 (вариант в кирпиче) Смета № 1. Строительные работы по зданию вспомогательных устройств (вариант в панелях) Смета № 2. Строительные работы по ЗВО (вариант в кирпиче) Смета № 3/1. Строительные работы по ЗРУ-10 кВ (вариант в панелях) Смета № 3/2. Строительные работы по ЗРУ-10 кВ (вариант в кирпиче) Смета № 4. Электрокотельная и отопление ЗВО Смета № 5. Вентиляция ЗВО Смета № 6. Фундаменты для двух синхронных компенсаторов Смета № 7. Вентиляция и воздушное отопление фундаментов Смета № 8. Техническое водоснабжение фундаментов Смета № 9. Освещение здания ЗВО и фундамента Смета № 10. Приобретение оборудования и монтаж 2-х СК-50000 кВА Смета № 11. Приобретение оборудования и монтаж распределительного устройства 10 кВ Смета № 12. Вторичная коммутация 2-х СК Смета № 13. Щитовые устройства в здании ЗВО Смета № 14. Система водородного охлаждения Смета № 15. Монтаж системы маслосмазки Смета № 16. Силовой и контрольный кабель |
| Разработан: | Энергосетьпроект Минэнерго СССР |
| Утверждён: | 20.08.1976 Энергосетьпроект (Energosetproject 138) |
























































































































































