Скачать Типовой проект 407-3-230 Альбом VII. Часть 1. Заказные спецификации на КТП по схемам №№ 2, 7, 5, 10, 3, 8, 6, 11Дата актуализации: 01.01.2021
|
| Обозначение: | Типовой проект 407-3-230 |
| Обозначение англ: | 407-3-230 |
| Статус: | действует |
| Название рус.: | Альбом VII. Часть 1. Заказные спецификации на КТП по схемам №№ 2, 7, 5, 10, 3, 8, 6, 11 |
| Дата добавления в базу: | 01.10.2014 |
| Дата актуализации: | 01.01.2021 |
| Дата введения: | 14.11.1975 |
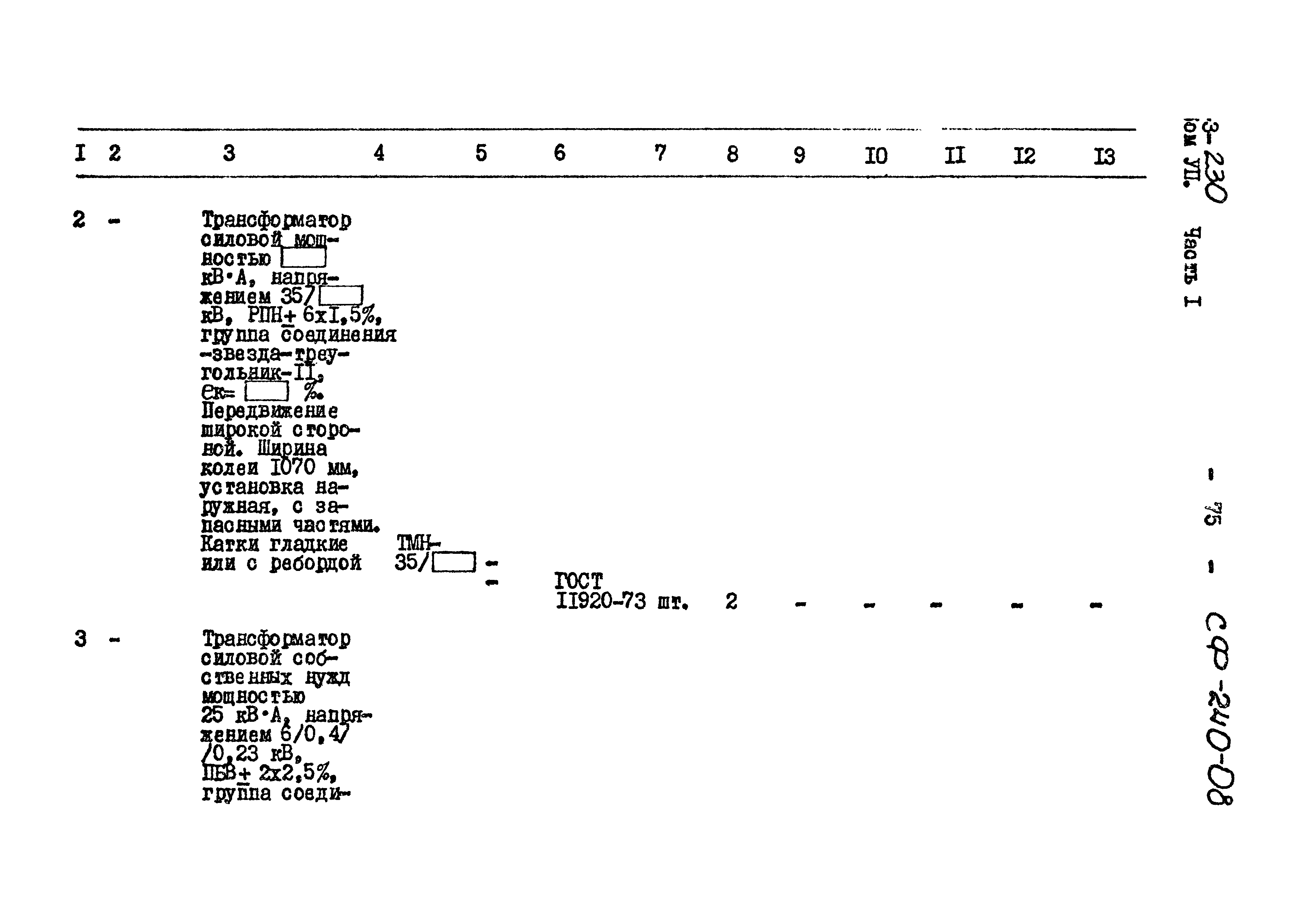
| Оглавление: | Заказные спецификации на КТП по схеме № 2 Заказные спецификации на КТП по схеме № 7. Компоновка 1 Заказные спецификации на КТП по схеме № 7. Компоновка 2 Заказные спецификации на КТП по схеме № 5 Заказные спецификации на КТП по схеме № 10 Заказные спецификации на КТП по схеме № 3 Заказные спецификации на КТП по схеме № 8. Компоновка 1 Заказные спецификации на КТП по схеме № 8. Компоновка 2 Заказные спецификации на КТП по схеме № 6 Заказные спецификации на КТП по схеме № 11 |
| Разработан: | Сельэнергопроект |
| Утверждён: | 22.12.1967 Госстрой СССР (7/4-245) |











































































































































































































