Скачать Технологическая карта К-1-23-6 Забивка железобетонных свай агрегатом СП-49 в предварительно пробуренные лидерные скважины под опоры ВЛ 500 кВ на оттяжках ПВ1 (б)Дата актуализации: 01.01.2021
|
| Обозначение: | Технологическая карта К-1-23-6 |
| Обозначение англ: | К-1-23-6 |
| Статус: | не установлен срок действия |
| Название рус.: | Забивка железобетонных свай агрегатом СП-49 в предварительно пробуренные лидерные скважины под опоры ВЛ 500 кВ на оттяжках ПВ1 (б) |
| Дата добавления в базу: | 01.10.2014 |
| Дата актуализации: | 01.01.2021 |
| Область применения: | Карта разработана на сооружение свайных фундаментов в пластичномерзлых грунтах I и II групп под опору ВЛ 500 кВ на оттяжках ПВ1 (б) |
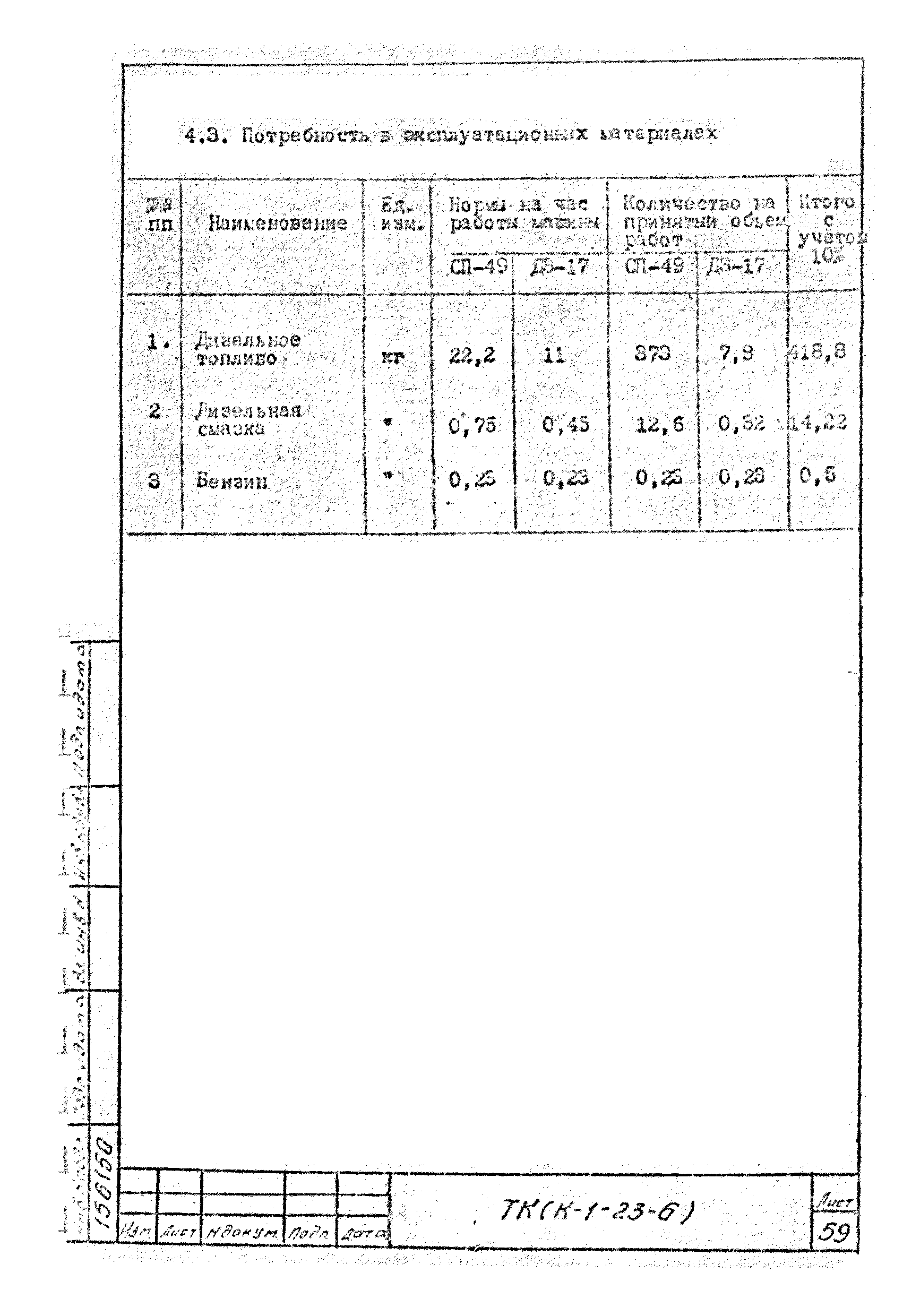
| Оглавление: | 1 Область применения 2 Организация и технология строительного производства 3 Технико-экономические показатели 4 Материально-технические ресурсы |
| Разработан: | Институт Оргэнергострой Новосибирский филиал |
| Утверждён: | Институт Оргэнергострой Новосибирский филиал |
















