Скачать Типовой проект 902-2-431.87 Альбом IV. Электротехническая часть. Автоматизация. Связь и сигнализацияДата актуализации: 01.01.2021
|
| Обозначение: | Типовой проект 902-2-431.87 |
| Обозначение англ: | 902-2-431.87 |
| Статус: | не определен законодательством |
| Название рус.: | Альбом IV. Электротехническая часть. Автоматизация. Связь и сигнализация |
| Дата добавления в базу: | 01.10.2014 |
| Дата актуализации: | 01.01.2021 |
| Дата введения: | 28.05.1987 |
| Дата окончания срока действия: | 30.06.2003 |
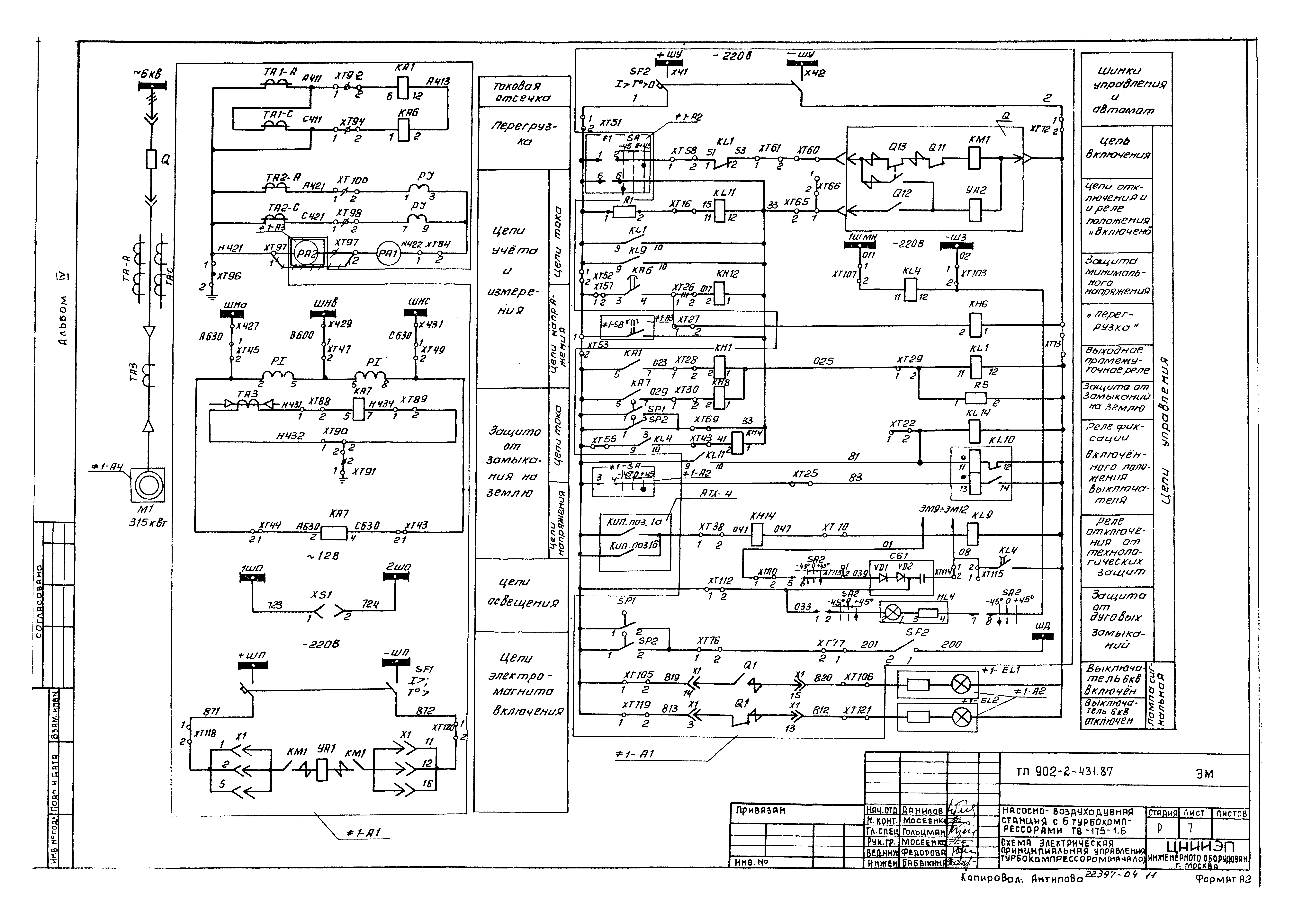
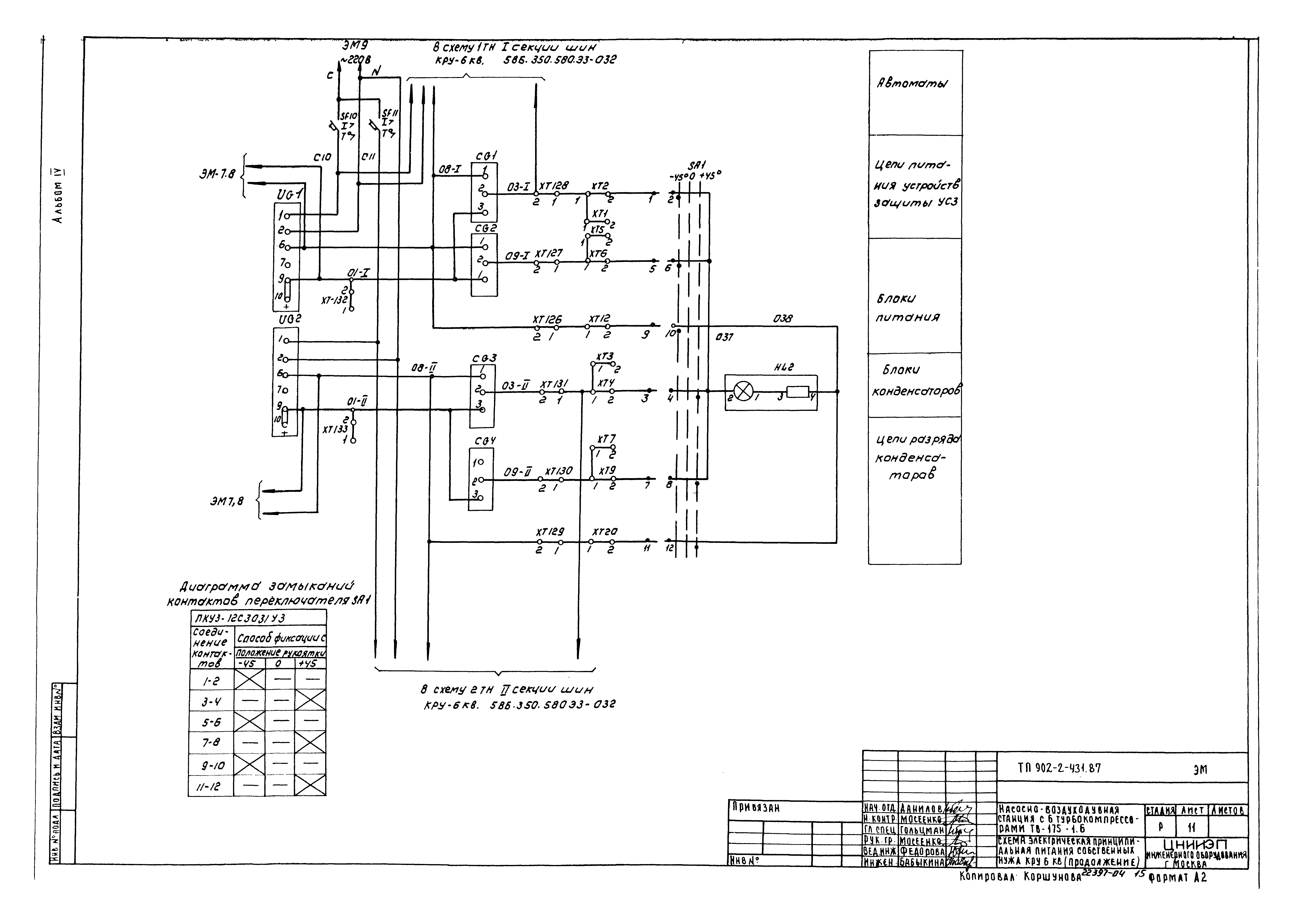
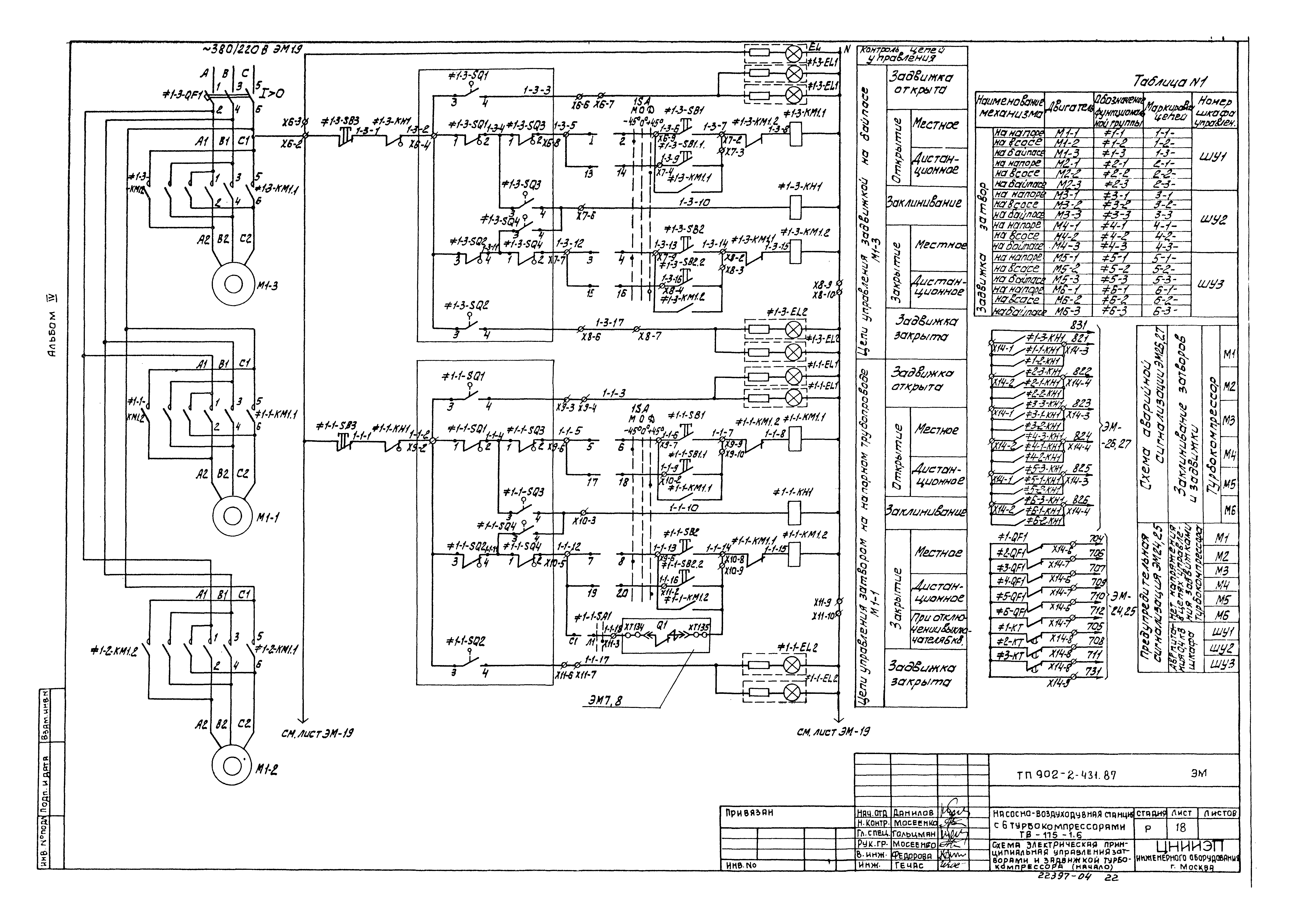
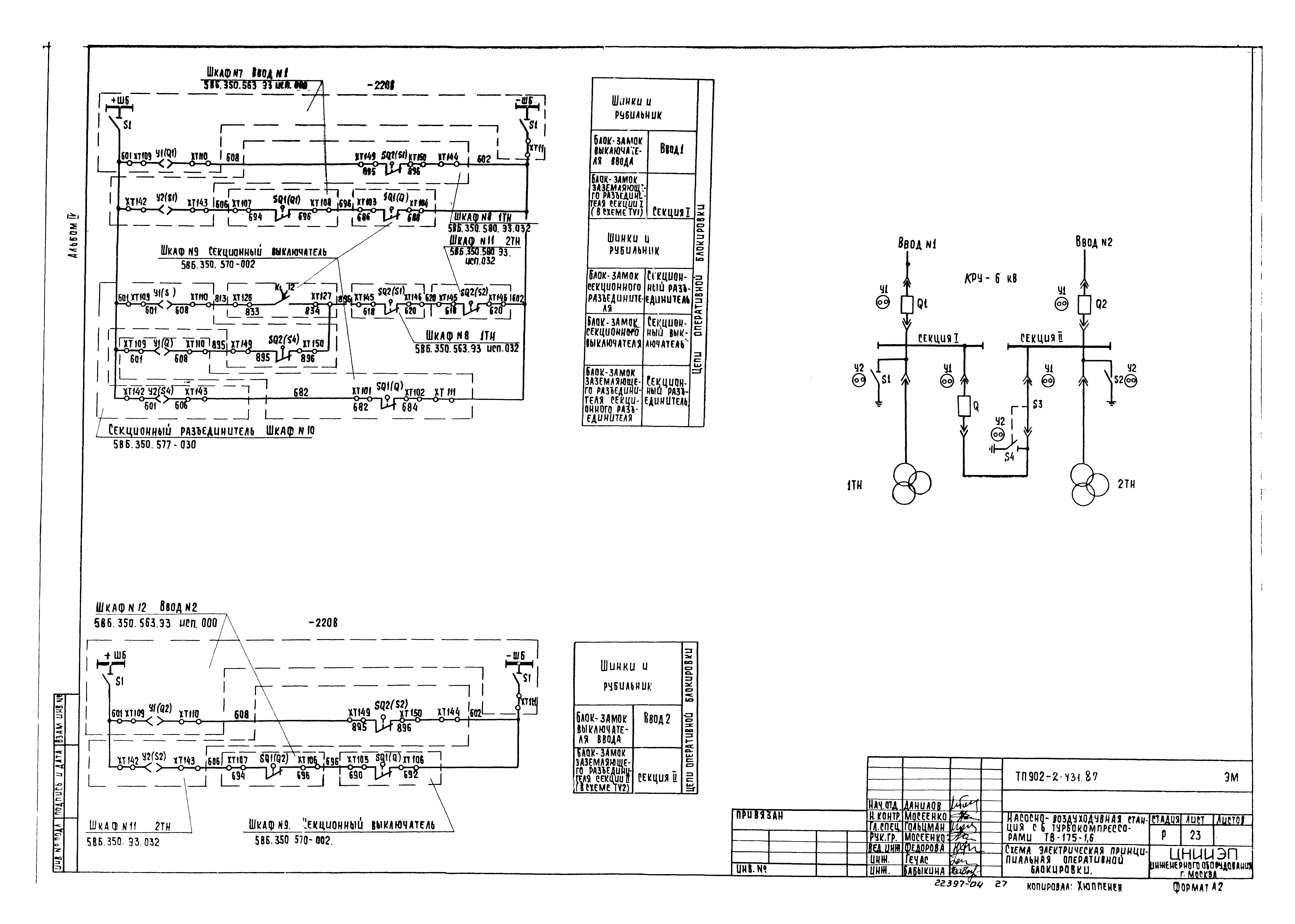
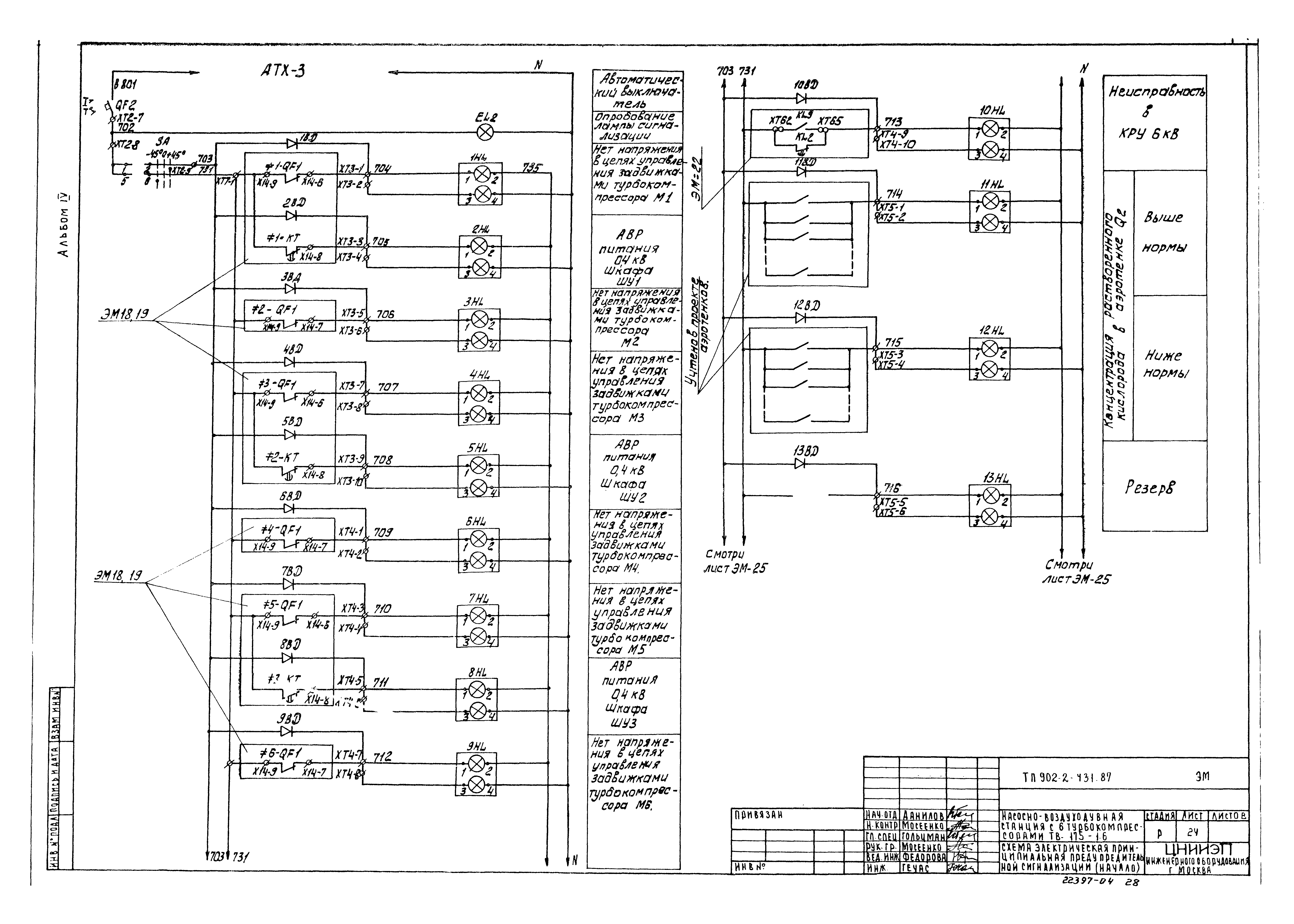
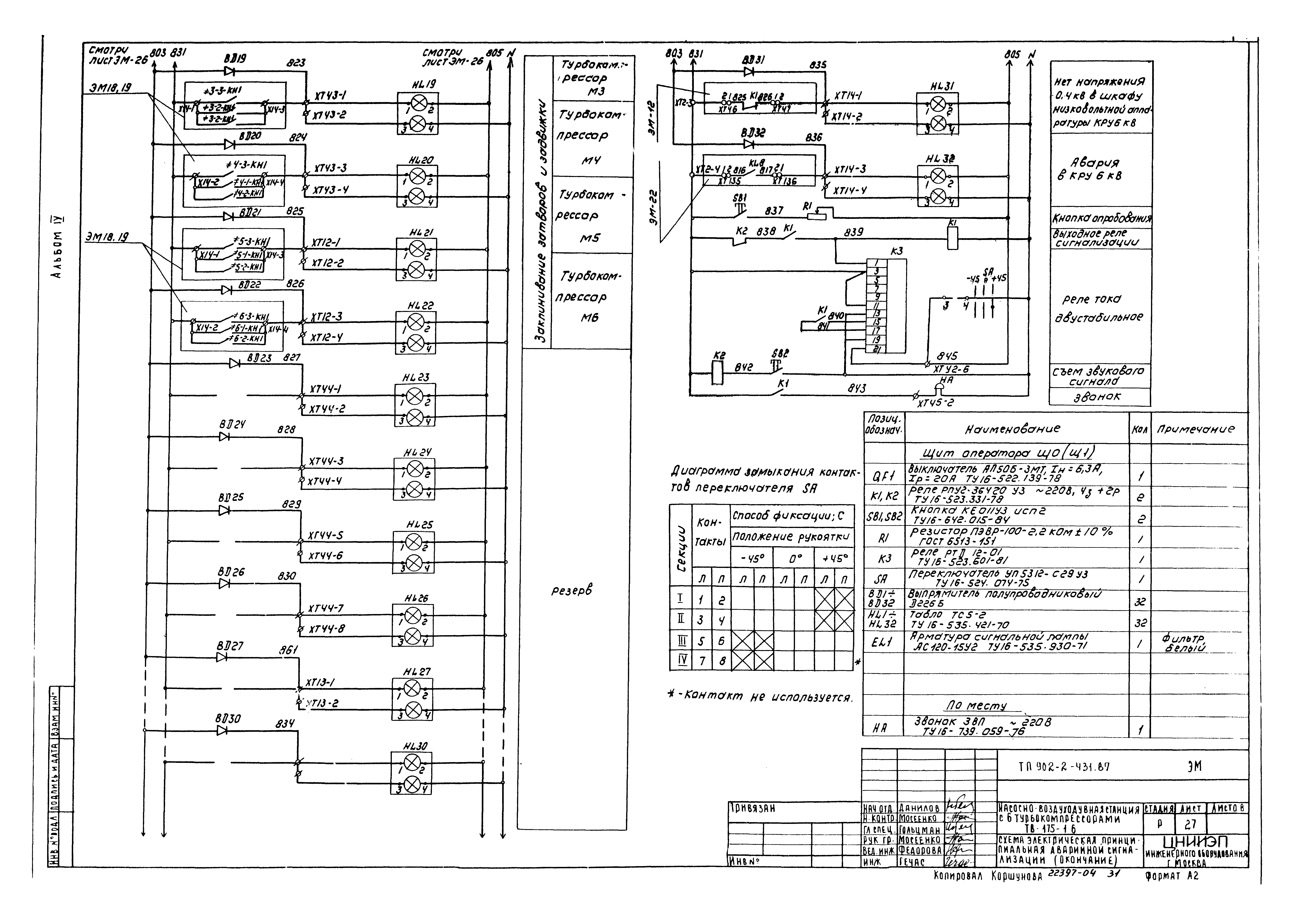
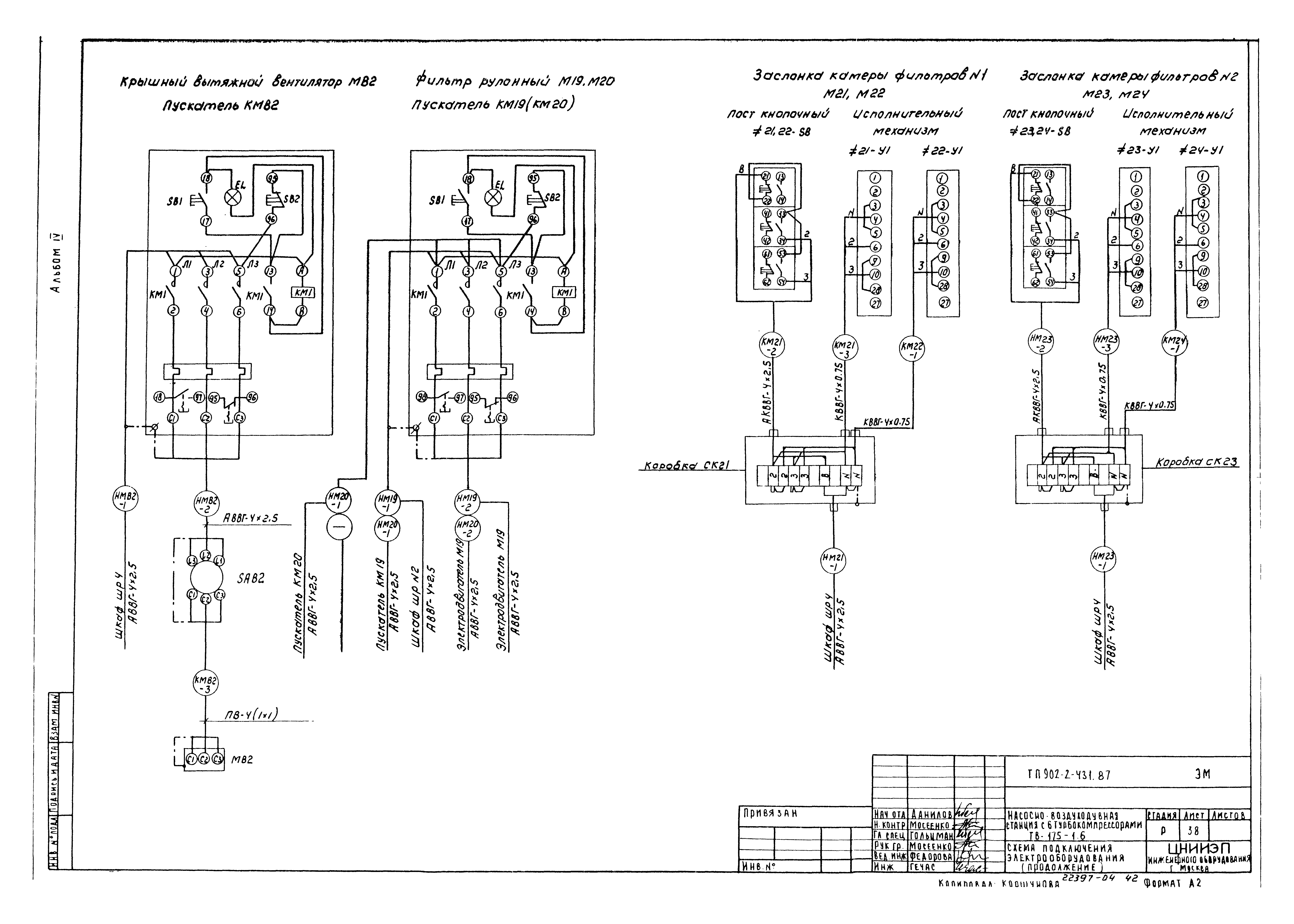
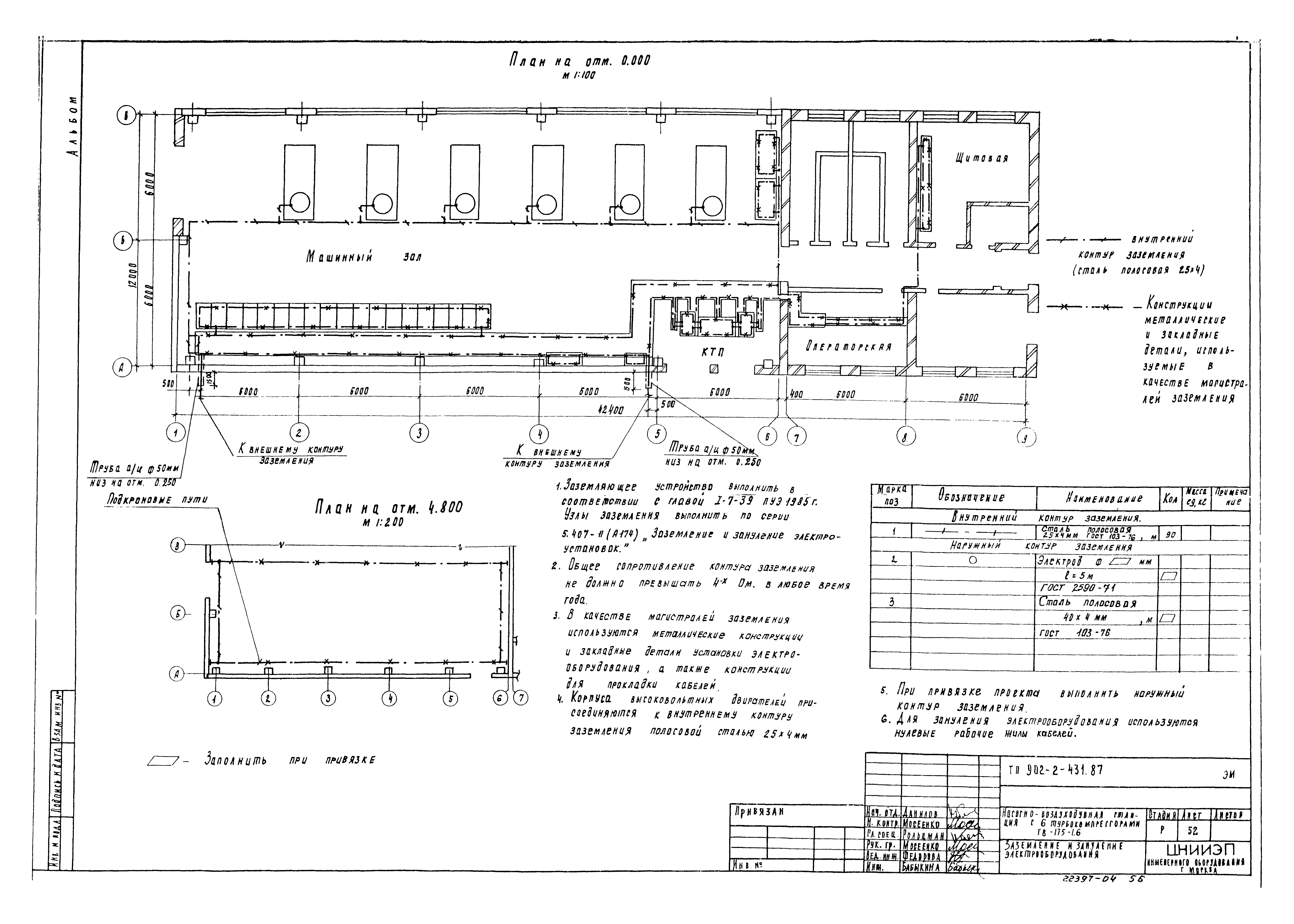
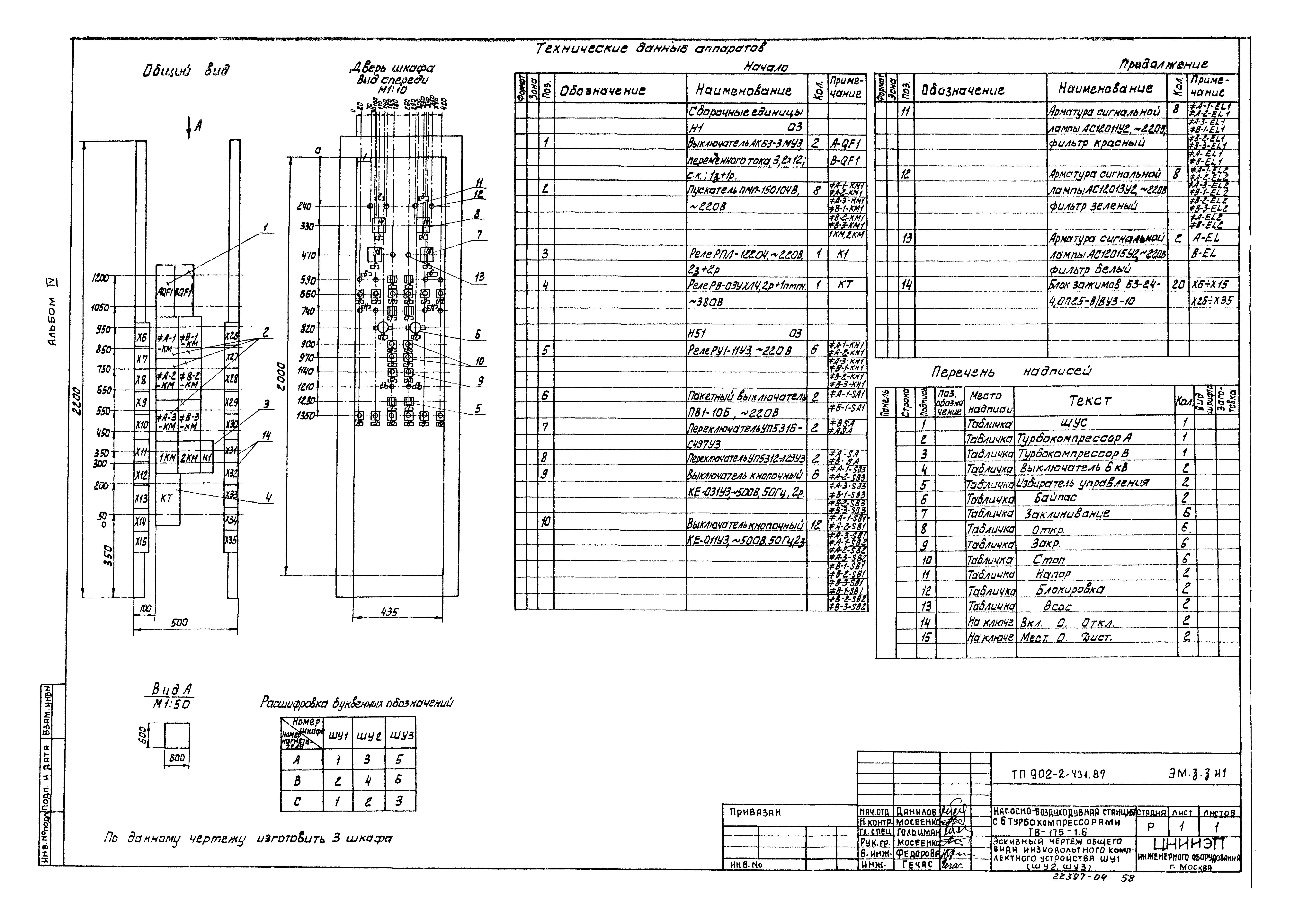
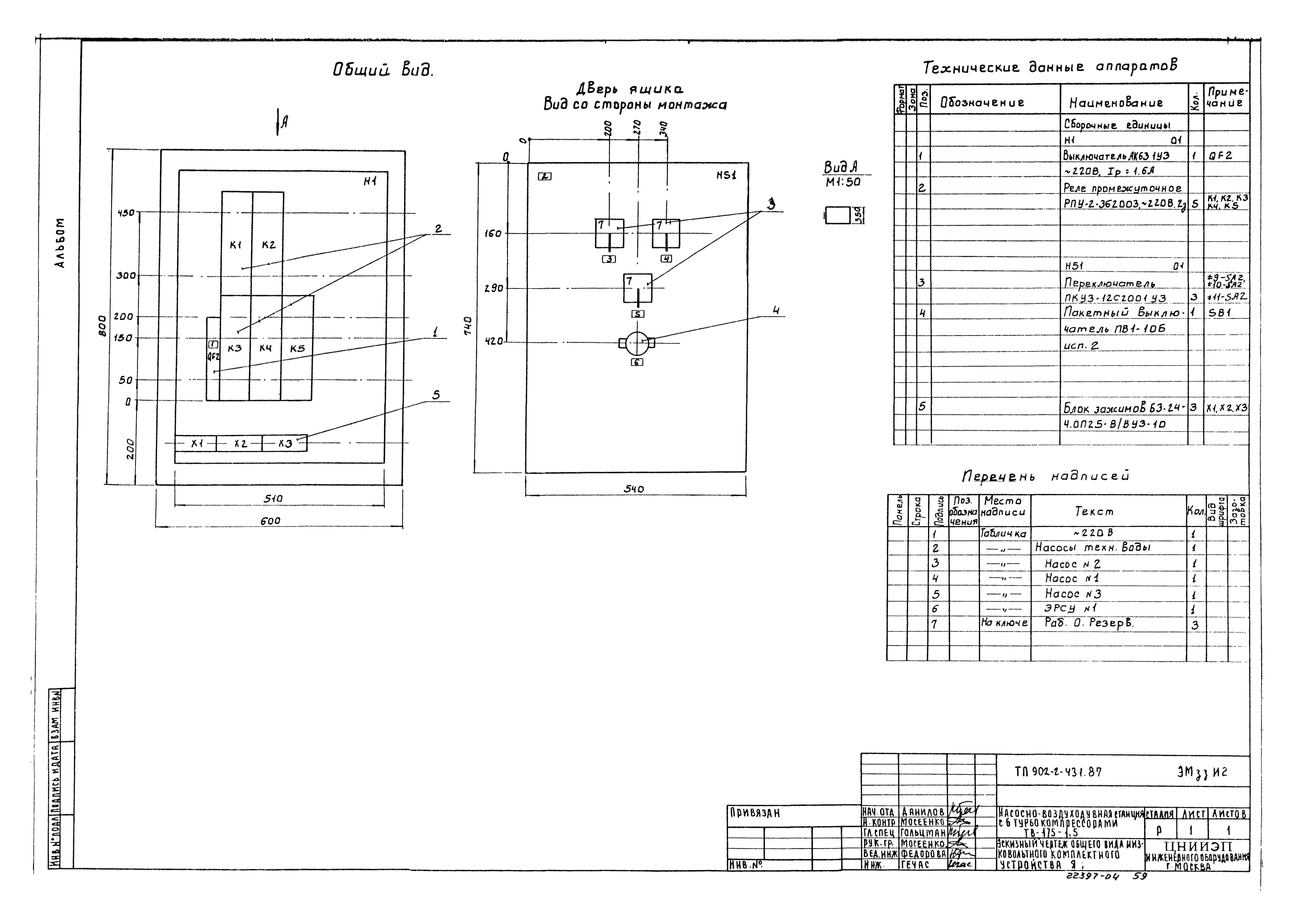
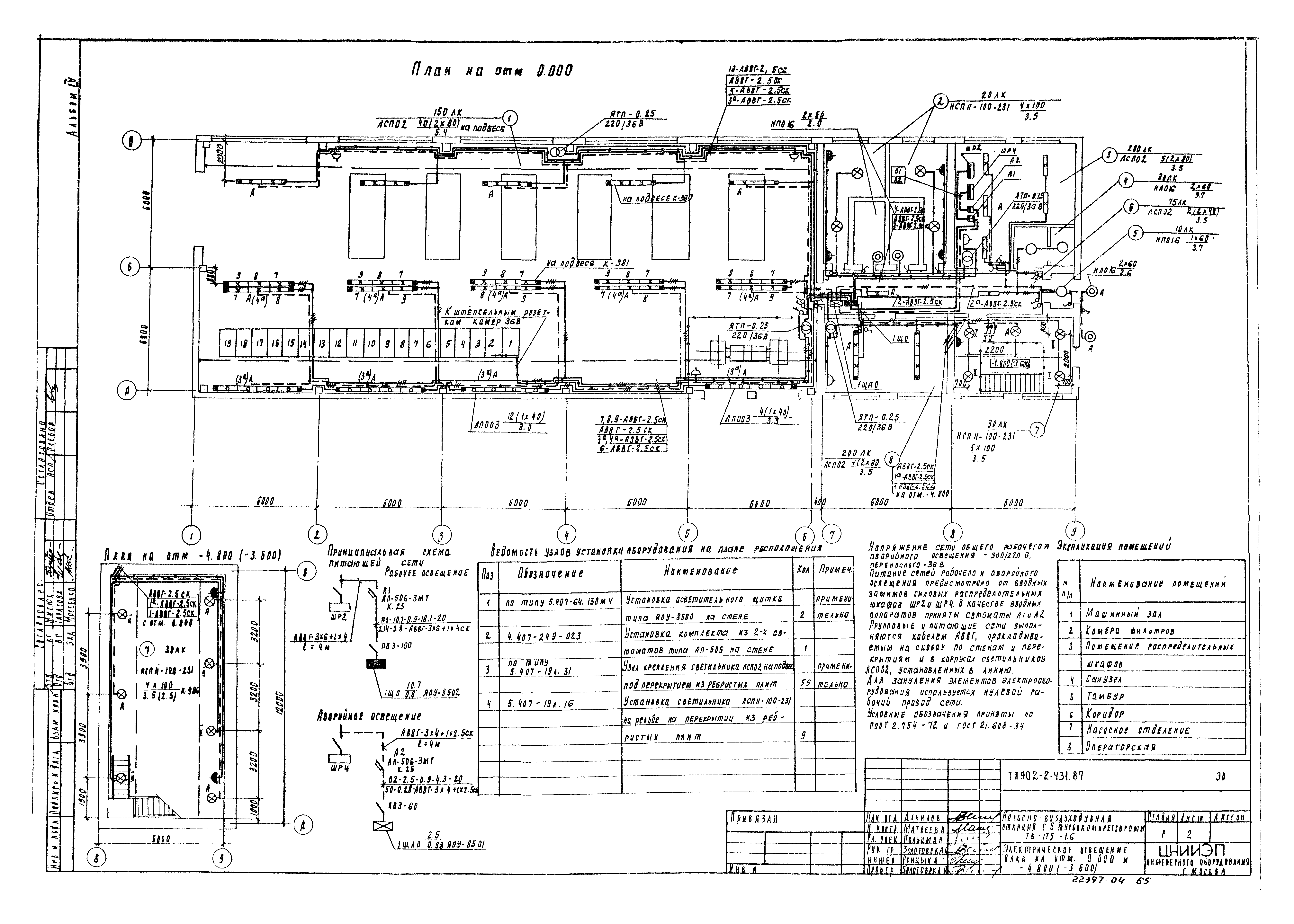
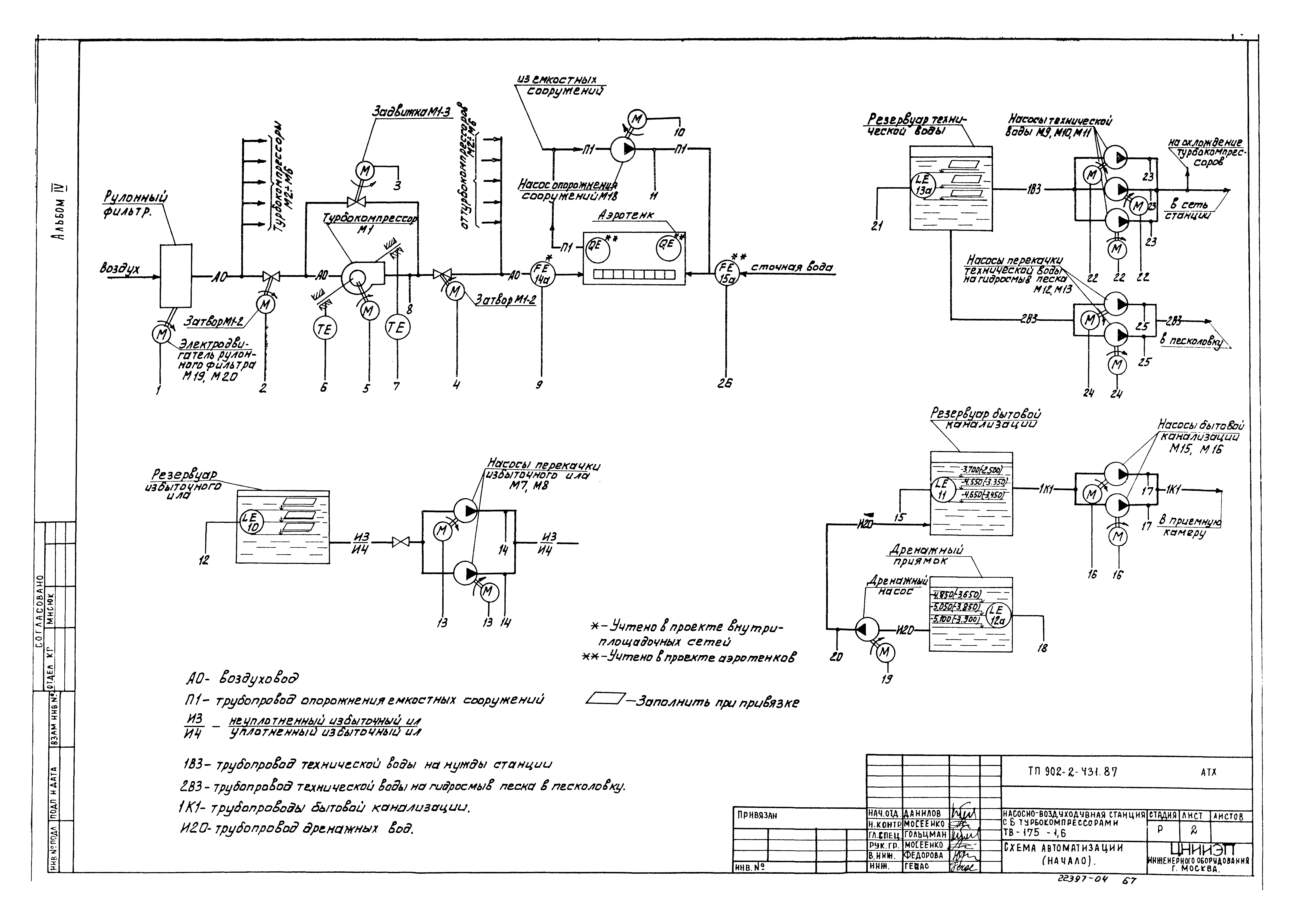
| Оглавление: | Электротехническая часть Общие данные Схема электрическая принципиальная 6 кВ 2КТП-400. Схема электрическая принципиальная 0,4 кВ Схема электрическая принципиальная питания электрооборудования Схема электрическая принципиальная управления турбокомпрессом Схема электрическая принципиальная питания собственных нужд КРУ 6 кВ Схема электрическая принципиальная питания шинок ШП КРУ 6 кВ. План шинок Схема электрическая принципиальная управления насосами технической воды Схема электрическая принципиальная управления дренажным насосом, насосом опорожнения сооружений Схема электрическая принципиальная управления насосами технической воды на гидрослив в песколовку Схема электрическая принципиальная управления затворами и задвижкой турбокомпрессора Схема электрическая принципиальная управления заслонками камеры фильтров Схема электрическая принципиальная управления крышными вытяжными вентиляторами и воздушным клапаном Схема электрическая принципиальная центральной сигнализации КРУ 6 кВ Схема электрическая принципиальная оперативной блокировки Схема электрическая принципиальная предупредительной сигнализации Схема электрическая принципиальная аварийной сигнализации Схема подключения электрооборудования Кабельный журнал Установка электрооборудования. План Установка электрооборудования. Разрезы Размещение электрооборудования. Прокладка кабеля Заземление и зануление электрооборудования Прокладка троллейного шинопровода для крана К Эскизный чертеж общего вида низковольтного комплектного устройства ШУ1 (ШУ2, ШУ3) Эскизный чертеж общего вида низковольтного комплектного устройства Я Опросный лист для заказа 2КТП-400 Армэлектрозавода Опросный лист на поставку устройства комплексного распределительного типа КМ-1Ф-6-20У3 Электрическое освещение Общие данные Электрическое освещение. Планы на отм. 0.000 и - 4.800 (- 3.600) Автоматизация Общие данные Схема автоматизации Схема распределительной сети Схема соединений внешних проводок Щит оператора. Схема подключения внешних проводок План расположения Эскизный чертеж общего вида щита оператора (Щ1) Эскизный чертеж общего вида щита оператора (Щ2) Связь и сигнализация Общие данные. План на отм. 0.000 с сетями связи и сигнализации |
| Разработан: | ЦНИИЭП инженерного оборудования |
| Утверждён: | 28.05.1987 Госгражданстрой (Gosgrazhdanstroy 166) |
| Издан: | ЦИТП Госстроя СССР (CITP, Gosstroy (USSR) 1988 г. ) |
| Заменяет собой: |
|
















































































