Скачать Типовой проект 407-3-427.86 Альбом VII. Ведомости потребности в материалахДата актуализации: 01.01.2021
|
| Обозначение: | Типовой проект 407-3-427.86 |
| Обозначение англ: | 407-3-427.86 |
| Статус: | не определен законодательством |
| Название рус.: | Альбом VII. Ведомости потребности в материалах |
| Дата добавления в базу: | 01.10.2014 |
| Дата актуализации: | 01.01.2021 |
| Дата введения: | 12.02.1987 |
| Дата окончания срока действия: | 30.06.2003 |
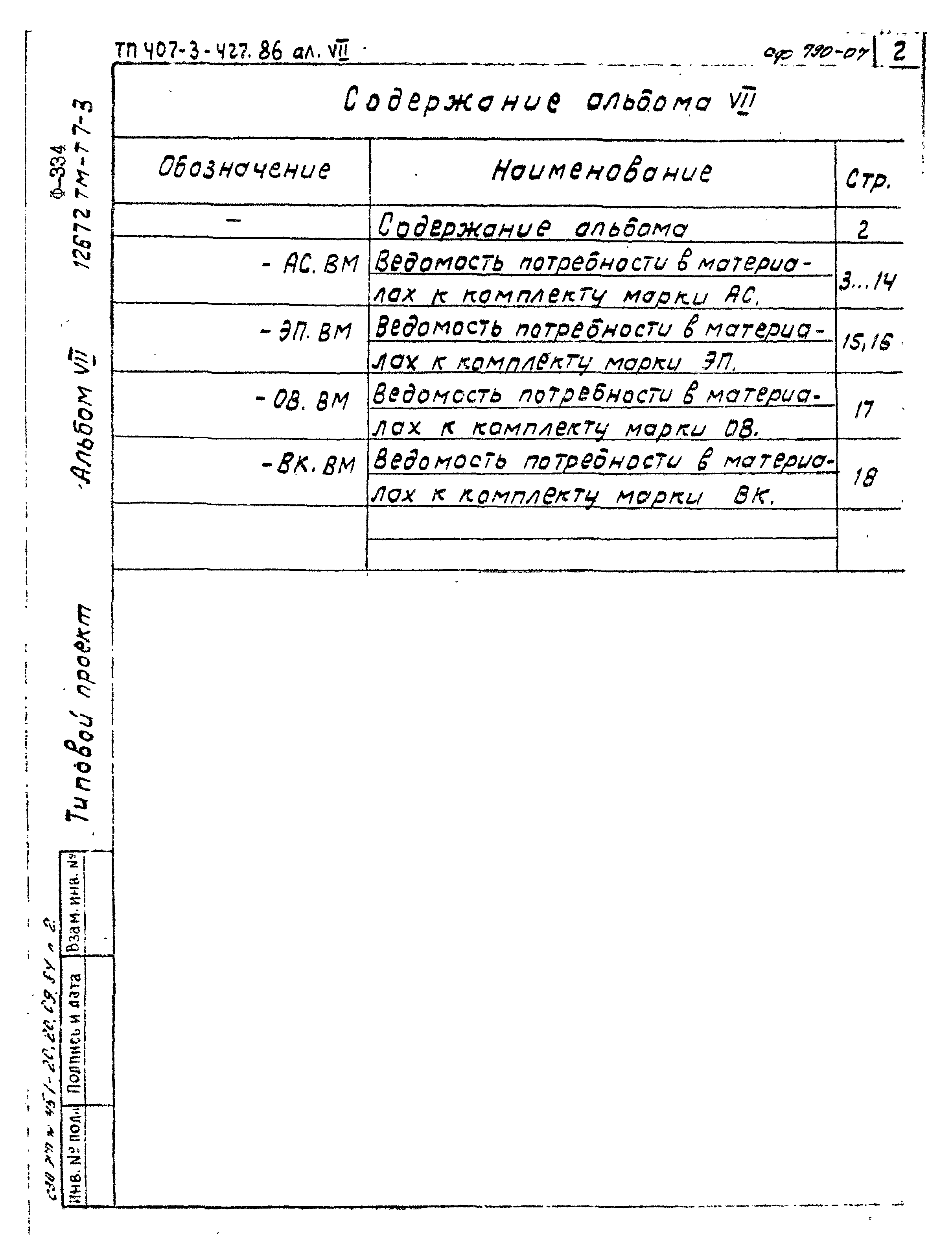
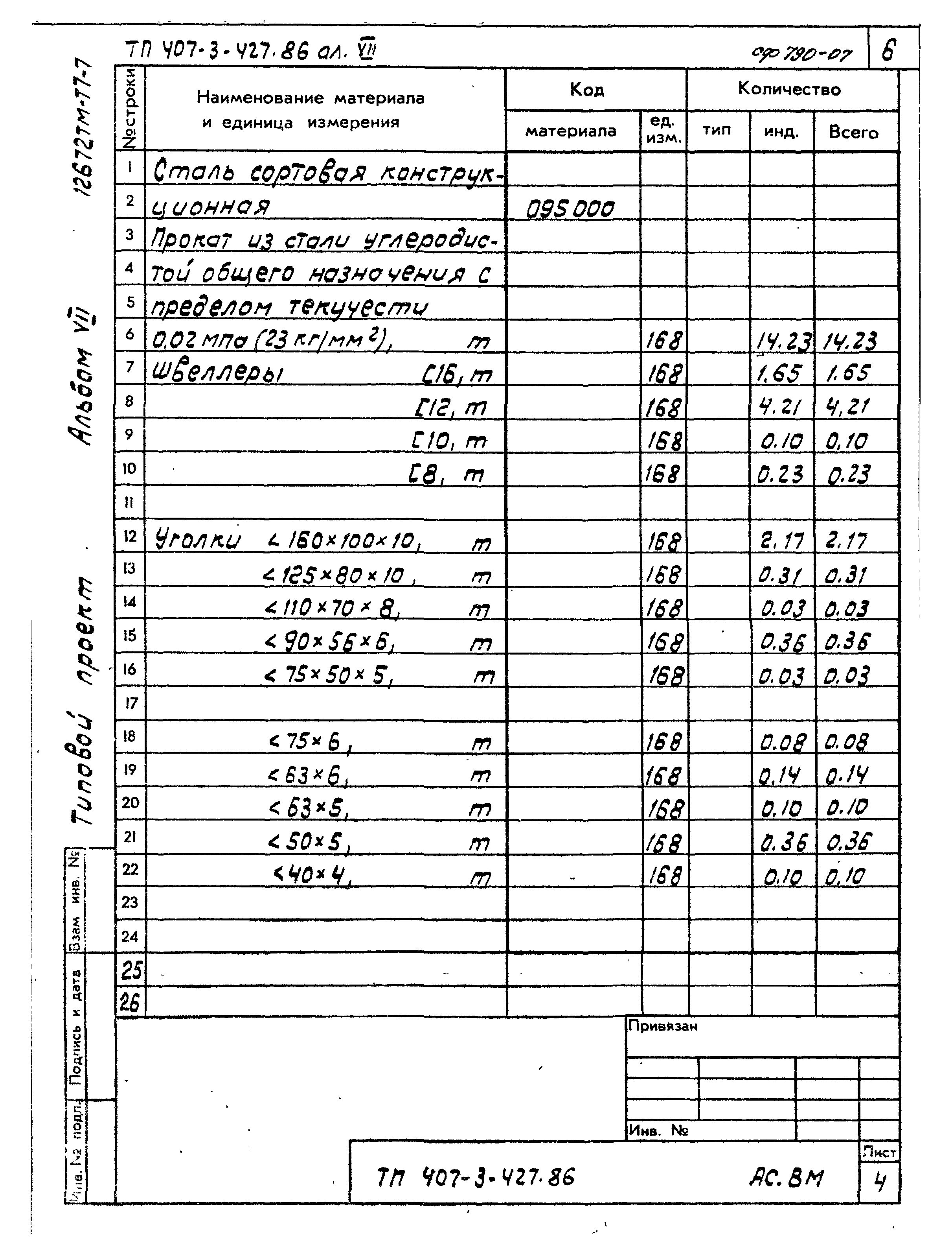
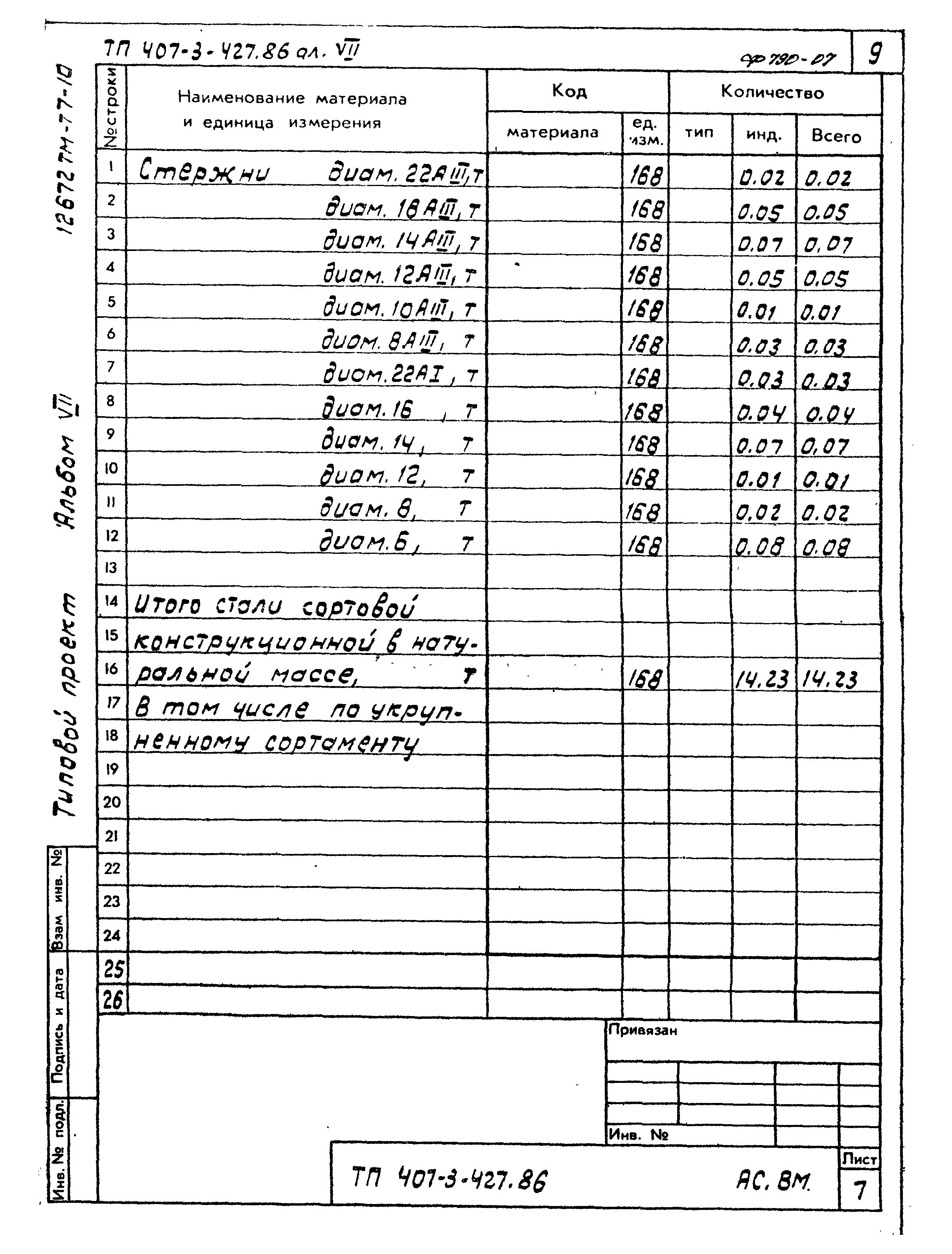
| Оглавление: | АС.ВМ Ведомость потребности в материалах по рабочим чертежам основного комплекта марки АС ЭП.ВМ Ведомость потребности в материалах по рабочим чертежам основного комплекта марки ЭП ОВ.ВМ Ведомость потребности в материалах по рабочим чертежам основного комплекта марки ОВ ВК.ВМ Ведомость потребности в материалах по рабочим чертежам основного комплекта марки ВК |
| Разработан: | Северо-западное отделение института Энергосетьпроект |
| Утверждён: | 30.12.1985 Минэнерго СССР (USSR Minenergo 38) |

















