Скачать Типовые проектные решения 709-09-29.84 Альбом II. Технологические решения. Архитектурно-строительные решения. Конструкции металлические. Электротехническая часть. Связь и сигнализацияДата актуализации: 01.01.2021
|
| Обозначение: | Типовые проектные решения 709-09-29.84 |
| Обозначение англ: | 709-09-29.84 |
| Статус: | справочные материалы, мп, тпр |
| Название рус.: | Альбом II. Технологические решения. Архитектурно-строительные решения. Конструкции металлические. Электротехническая часть. Связь и сигнализация |
| Дата добавления в базу: | 01.10.2014 |
| Дата актуализации: | 01.01.2021 |
| Дата окончания срока действия: | 25.09.1984 |
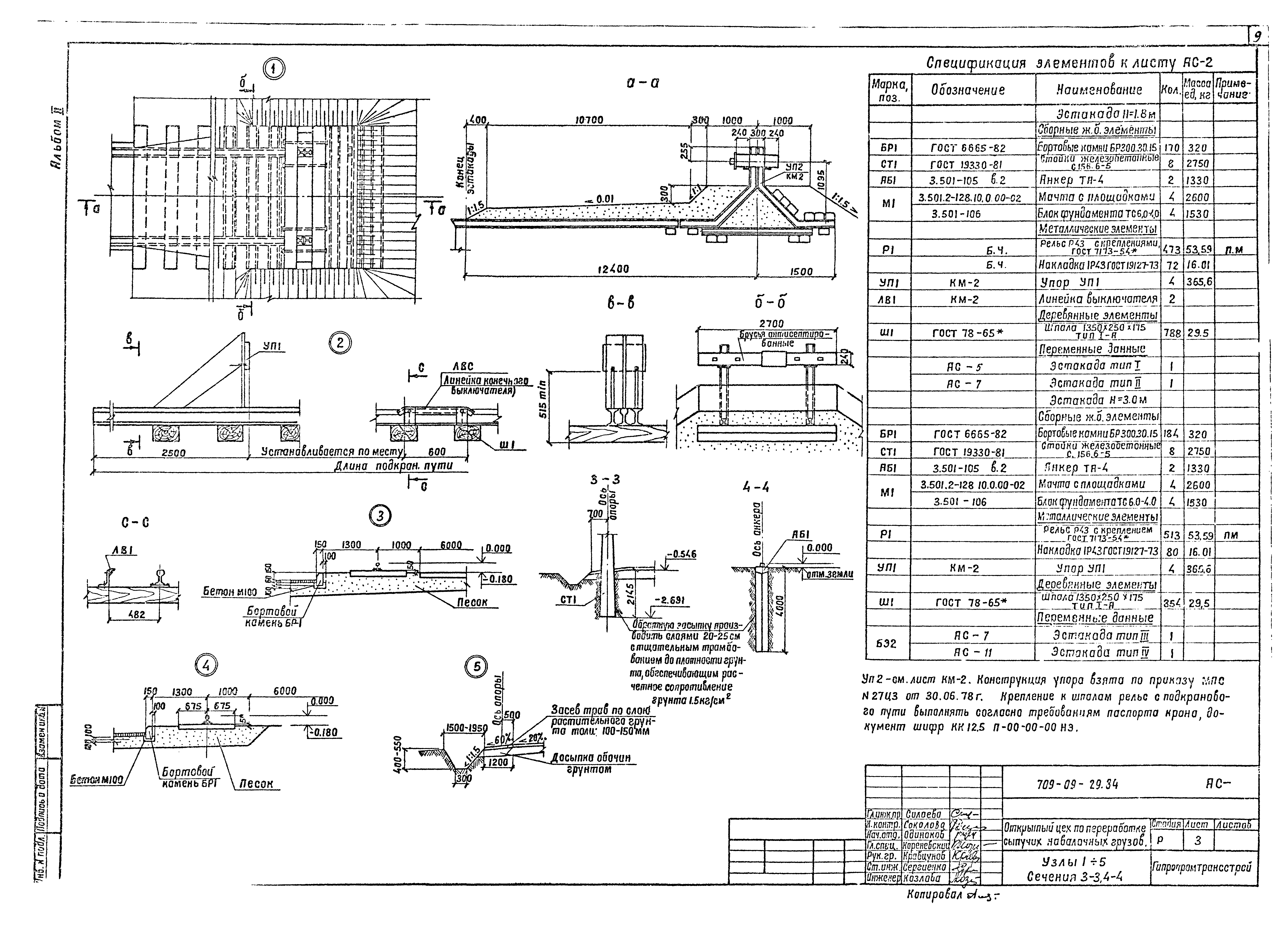
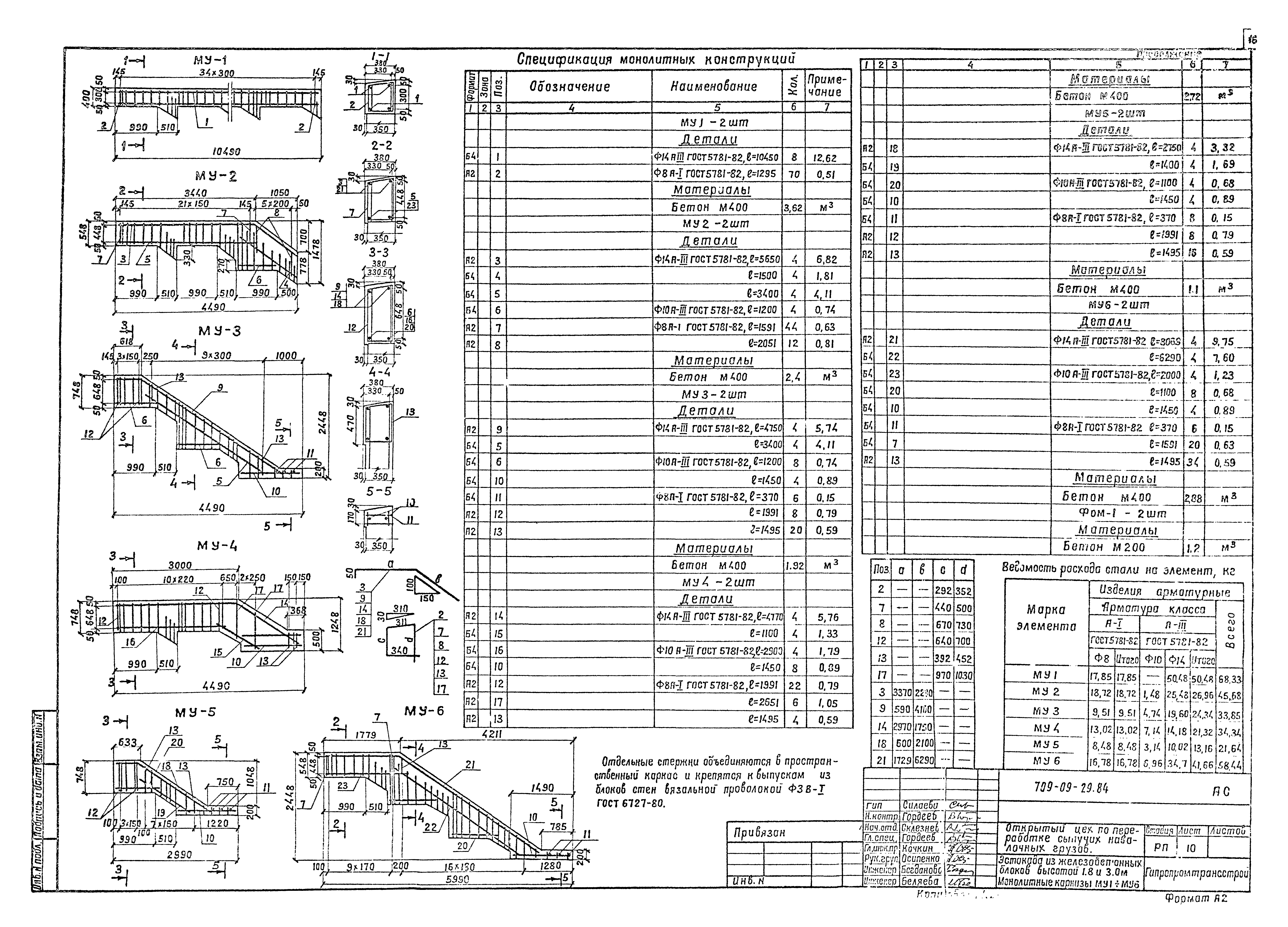
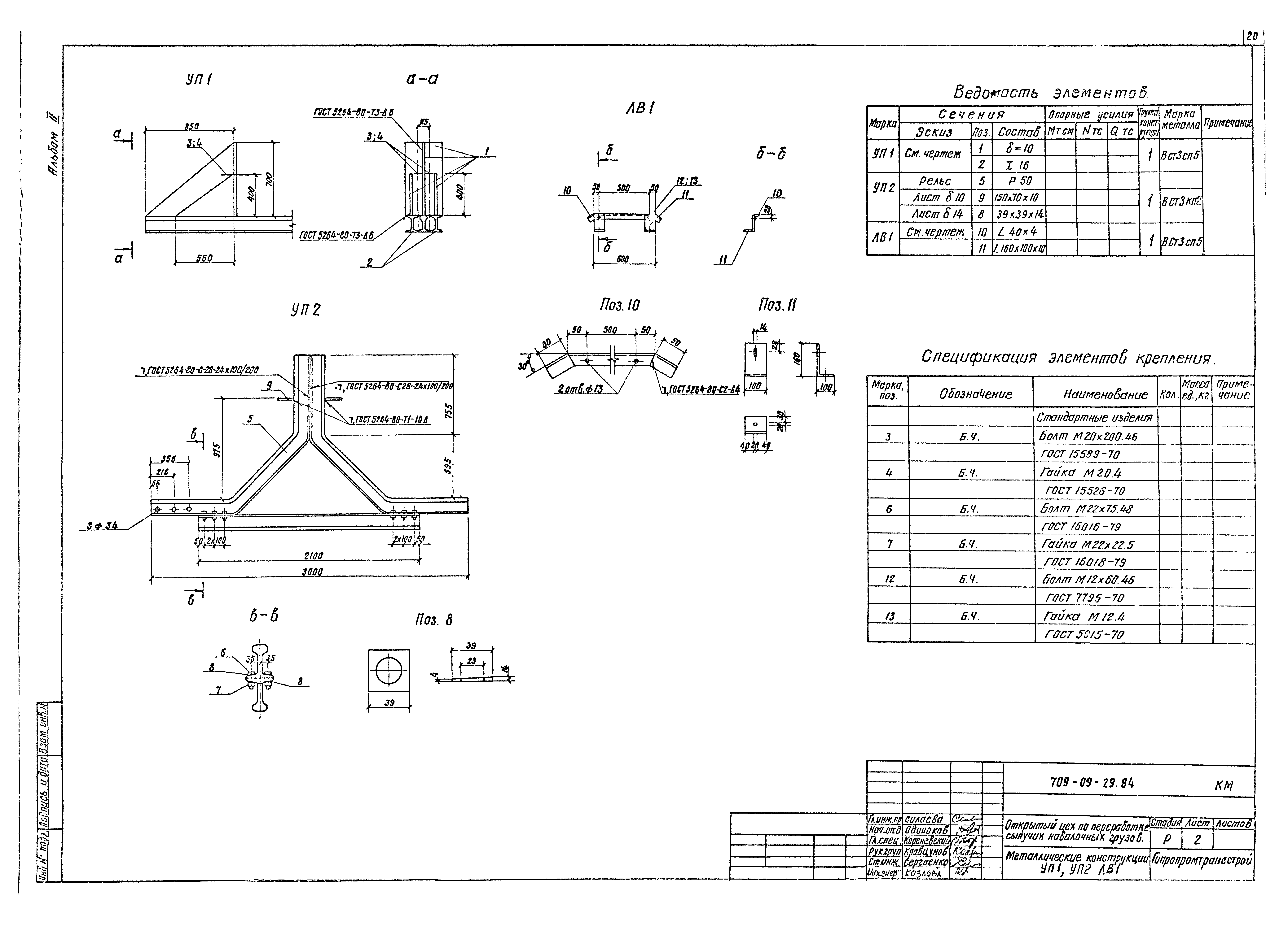
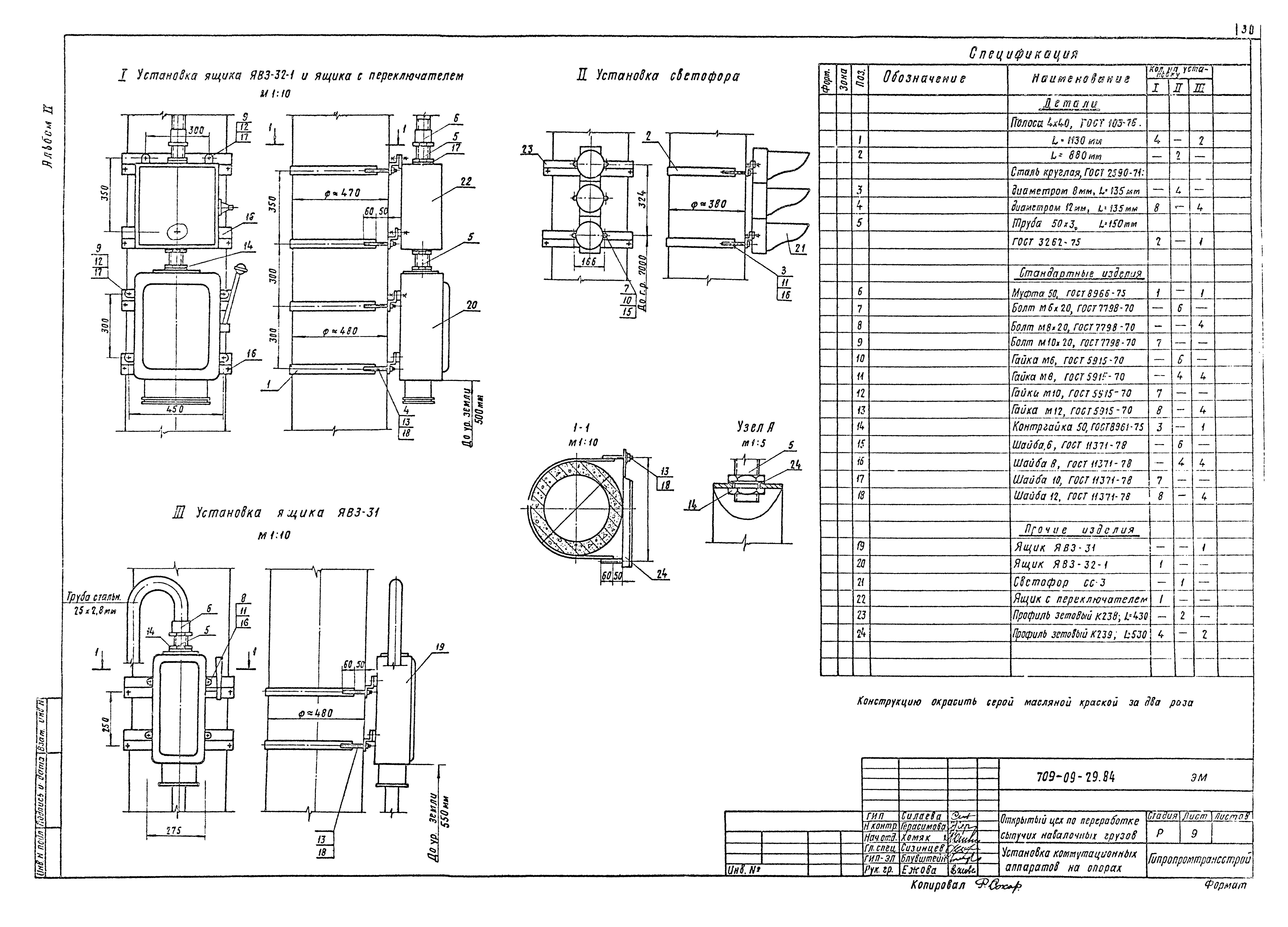
| Оглавление: | Содержание альбома Технологические решения Общие данные План с расстановкой технологического оборудования для эстакады Н = 1,8 м. Вариант механизации с электрическим люкоподъемником План с расстановкой технологического оборудования для эстакады Н = 3,0 м. Вариант механизации с электрическим люкоподъемником План с расстановкой технологического оборудования для эстакады Н = 3,0 м. Вариант механизации с автоматическим люкоподъемником Архитектурно-строительные решения Общие данные План цеха. Разрезы 1-1, 2-2 Узлы 1 - 5. Сечения 3-3, 4-4 Зона складирования грузов. План покрытия. Узлы 1, 2 Эстакада высотой 1,8 м из бетонных блоков (тип I). План. Разрезы 1-1 - 4-4. Фрагмент № 1. Узлы Эстакада высотой 1,8 м из бетонных блоков (тип I). Секции 1 и 2. Узлы Эстакада из железобетонных блоков высотой 1,8 м (тип II) и высотой 3,0 м (тип III). План. Разрезы 1-1 - 2-2 Эстакада из железобетонных блоков высотой 1,8 и 3,0 м. Фрагмент № 1 Эстакада из железобетонных блоков высотой 1,8 и 3,0 м. Фрагмент № 2. Узлы 1 - 5. ФОМ1 Эстакада из железобетонных блоков высотой 1,8 и 3,0 м. Монолитные карнизы МУ1 - МУ6 Эстакада балочного типа высотой 3,0 м (тип IV). План. Фасад. Разрезы 1-1, 2-2 Эстакада балочного типа высотой 3,0 м. Фрагмент № 1. Узлы 1 - 11 Конструкции металлические Общие данные Металлические конструкции Уп1, Уп2, ЛВ1 Прилагаемые документы Схема генплана грузового двора Электротехническая часть Общие данные Принципиальная однолинейная схема троллейной сети Эстакада высотой 1,8 м. План с расположением троллейной линии Эстакада высотой 3 м. План с расположением троллейной линии Установка рубильника переключающего в протяжном ящике Крепление троллеев на анкерной опоре. Оттяжка анкерной опоры Крепление троллеев на промежуточной опоре с вводом проводов в кронштейн Крепление троллеев на промежуточной опоре Установка коммутационных аппаратов на опорах Электроосвещение. План. Прилагаемые документы Ведомости объемов работ и изделий МЭЗ Связь и сигнализация План кабельной сети громкоговорящей связи. Общие данные |
| Разработан: | Гипропромтрансстрой |
| Утверждён: | 29.06.1982 МПС (Ministry of Railroads М-20810) |

































