Скачать ГОСТ ISO 21573-1-2013 Машины и оборудование строительные. Бетононасосы. Часть 1. Терминология и технические условия на поставкуДата актуализации: 01.01.2021
|
| Обозначение: | ГОСТ ISO 21573-1-2013 |
| Обозначение англ: | 21573-1-2013 |
| Статус: | введен впервые |
| Название рус.: | Машины и оборудование строительные. Бетононасосы. Часть 1. Терминология и технические условия на поставку |
| Название англ.: | Building construction machinery and equipment. Concrete pumps. Part 1. Terminology and commercial specifications |
| Дата добавления в базу: | 21.05.2015 |
| Дата актуализации: | 01.01.2021 |
| Дата введения: | 01.01.2015 |
| Область применения: | Стандарт устанавливает терминологию и определения для бетононасосов, используемых на строительных площадках для подачи бетонной смеси к месту ее укладки. |
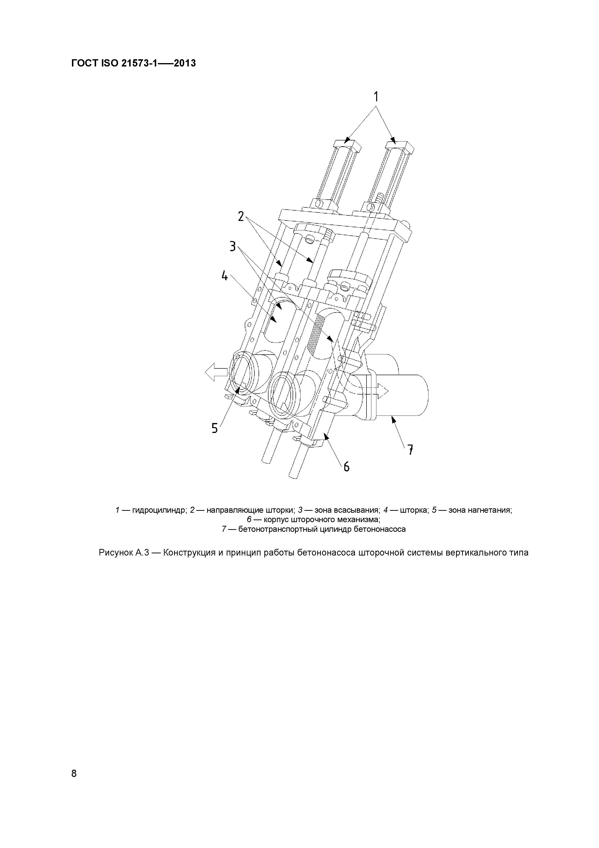
| Оглавление: | 1 Область применения 2 Нормативные ссылки 3 Термины и определения 4 Классификация бетононасосов 5 Сведения, предоставляемые изготовителем/поставщиком 5.1 Основные характеристики 5.2 Требования к бетонной смеси 5.3 Привод 5.4 Геометрические размеры 5.5 Устройство очистки труб бетоновода 5.6 Устройство очистки шасси 5.7 Раздаточная стрела 5.8 Выносные опоры (аутригеры) 5.9 Гидравлическая система 5.10 Шасси автобетононасоса 5.11 Шасси бетононасоса, установленного на прицепе 5.12 Навесное оборудование и инструмент Приложение А (справочное) Примеры конструкций бетононасосов и их компонентов Приложение ДА (справочное) Сведения о соответствии межгосударственных стандартов ссылочным международным стандартам |
| Разработан: | ООО ИЦ ЦНИП СДМ |
| Утверждён: | 27.12.2013 Межгосударственный Совет по стандартизации, метрологии и сертификации (Inter-Governmental Council on Standardization, Metrology, and Certification 63-П) 19.03.2014 Федеральное агентство по техническому регулированию и метрологии (179-ст) |
| Издан: | Стандартинформ (2014 г. ) |



















