Скачать Типовой проект 707-2-22с.86 Альбом VI. Архитектурные решения. Конструкции железобетонные. Конструкции железобетонные (изделия). Отопление и вентиляцияДата актуализации: 01.01.2021
|
| Обозначение: | Типовой проект 707-2-22с.86 |
| Обозначение англ: | 707-2-22с.86 |
| Статус: | действует |
| Название рус.: | Альбом VI. Архитектурные решения. Конструкции железобетонные. Конструкции железобетонные (изделия). Отопление и вентиляция |
| Дата добавления в базу: | 01.10.2014 |
| Дата актуализации: | 01.01.2021 |
| Дата введения: | 10.09.1985 |
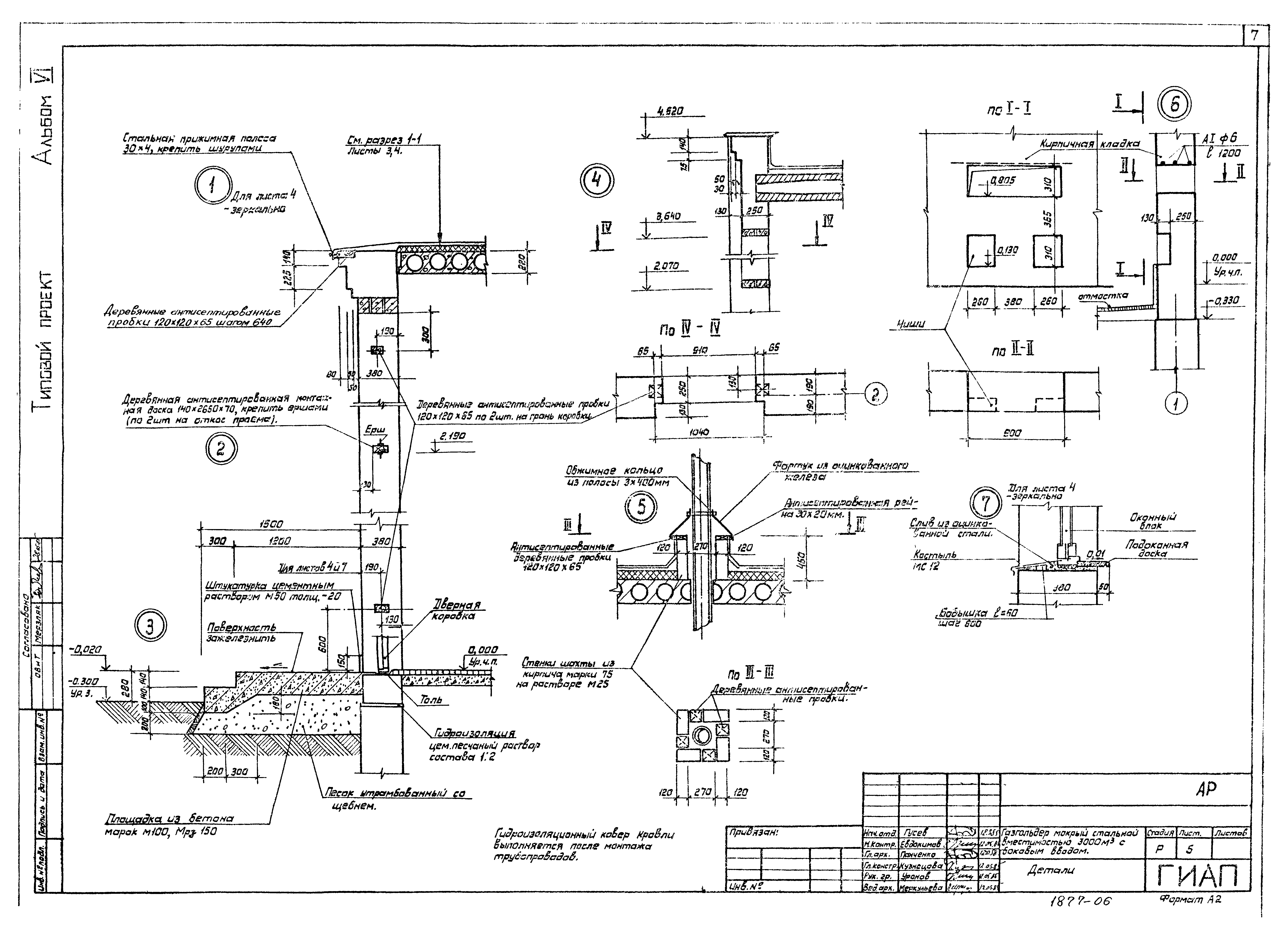
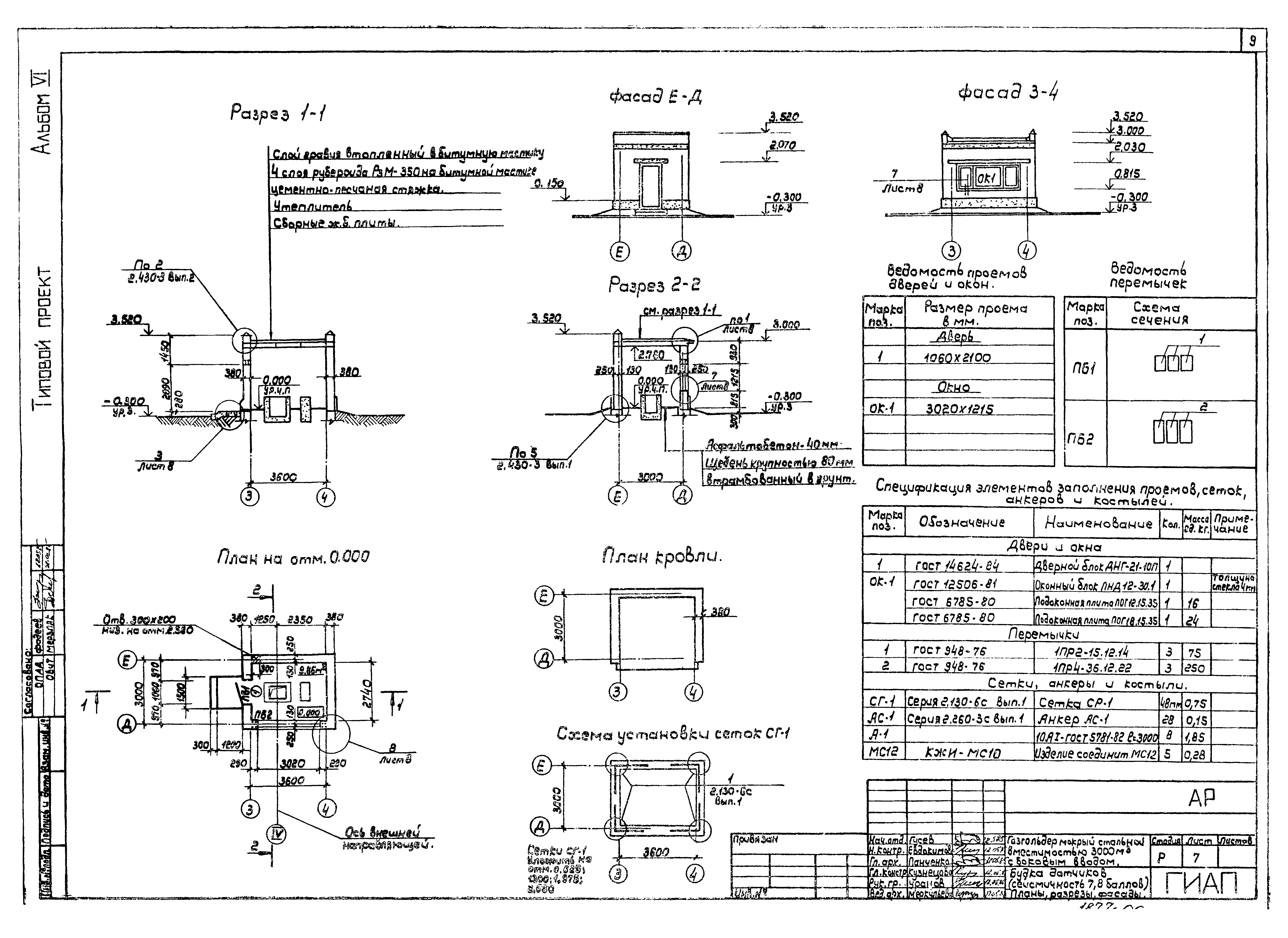
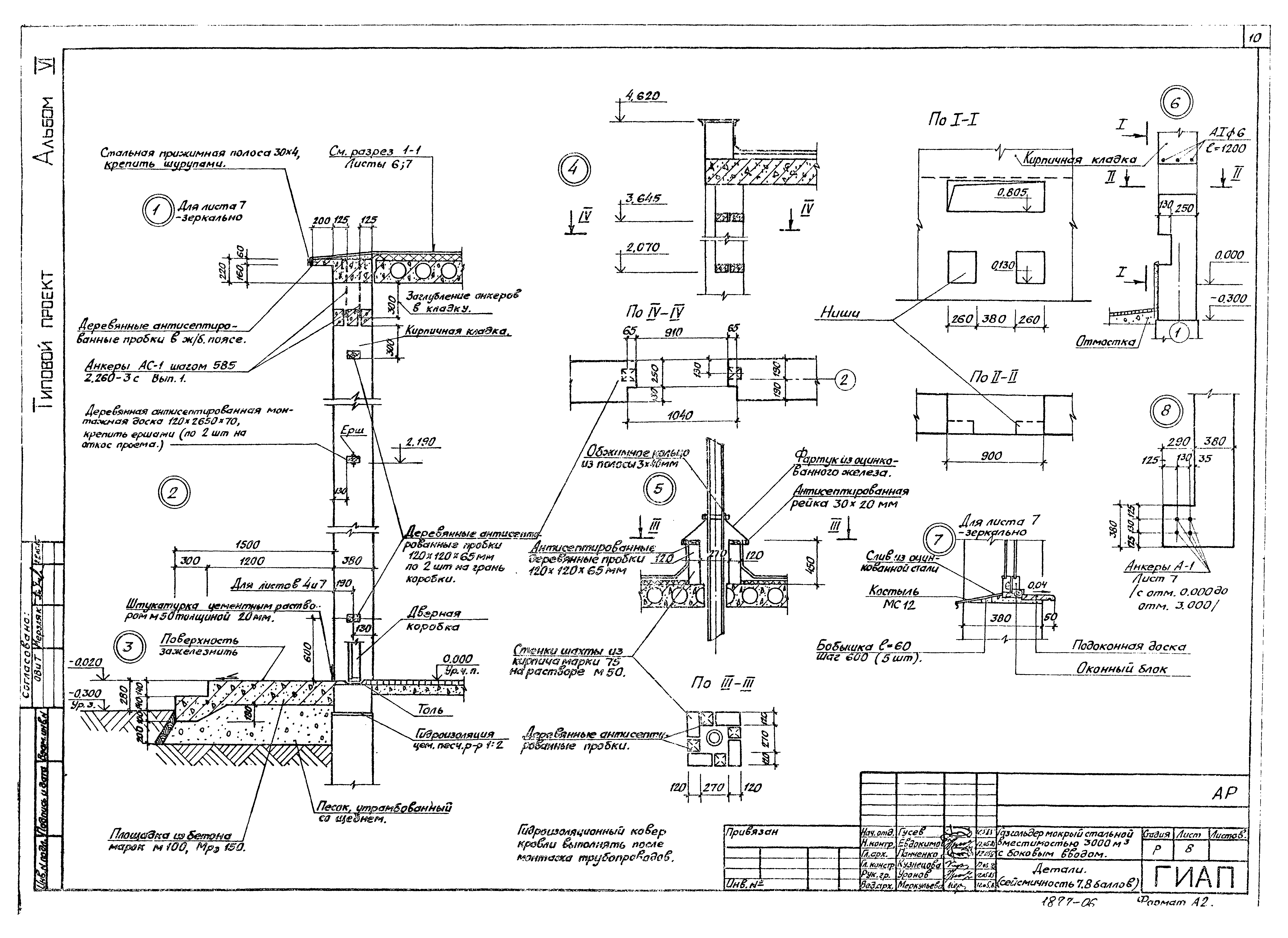
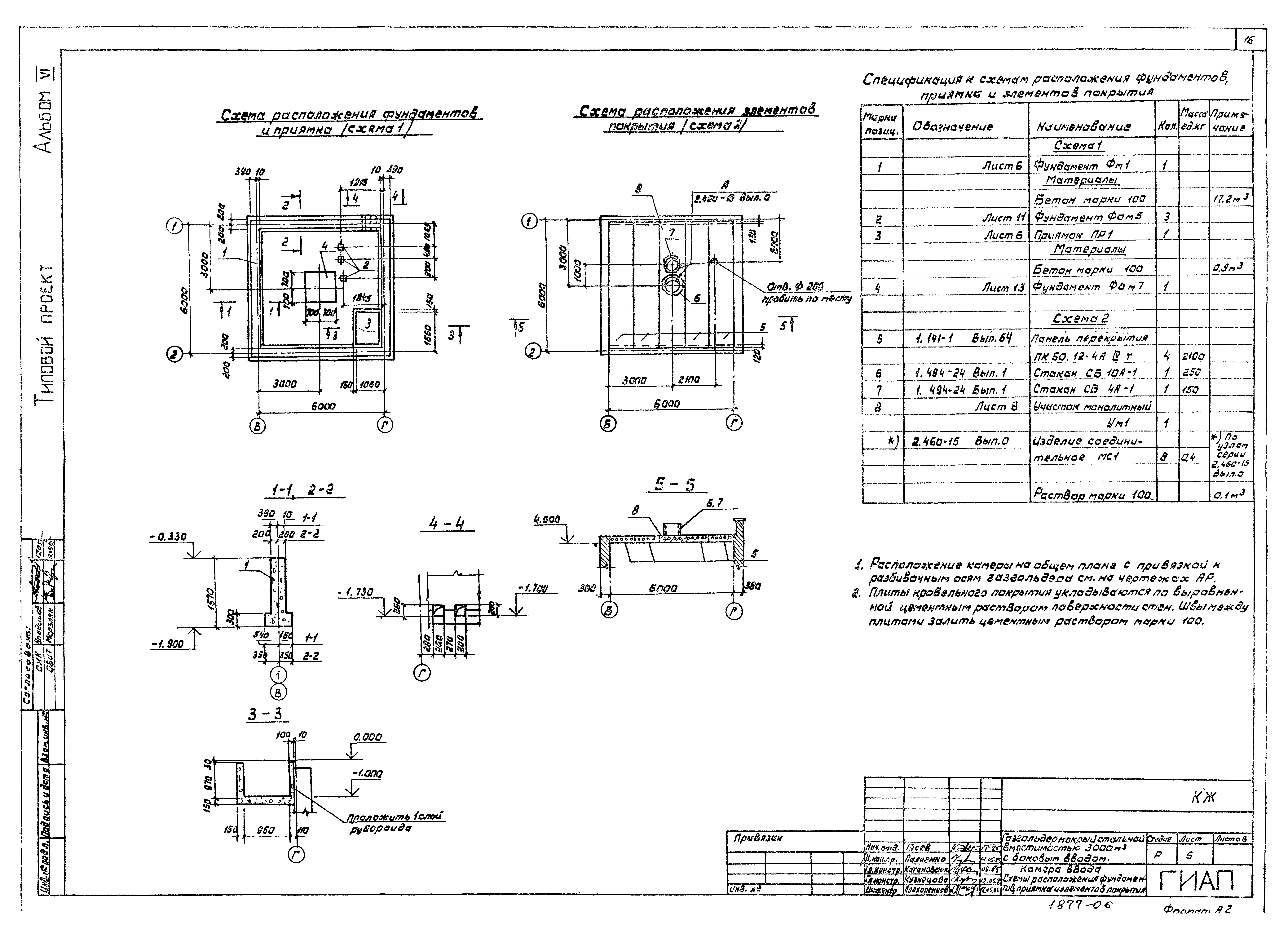
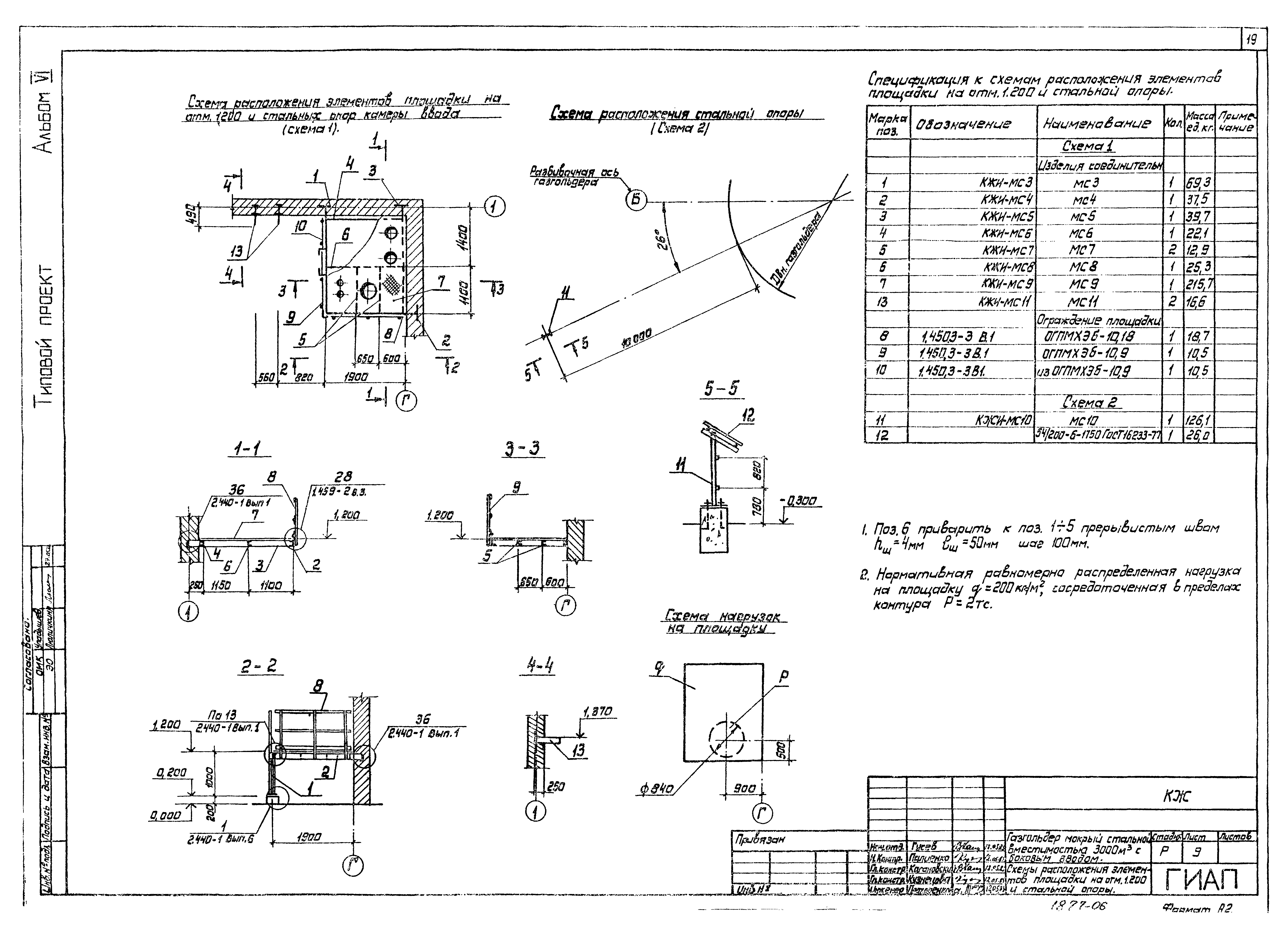
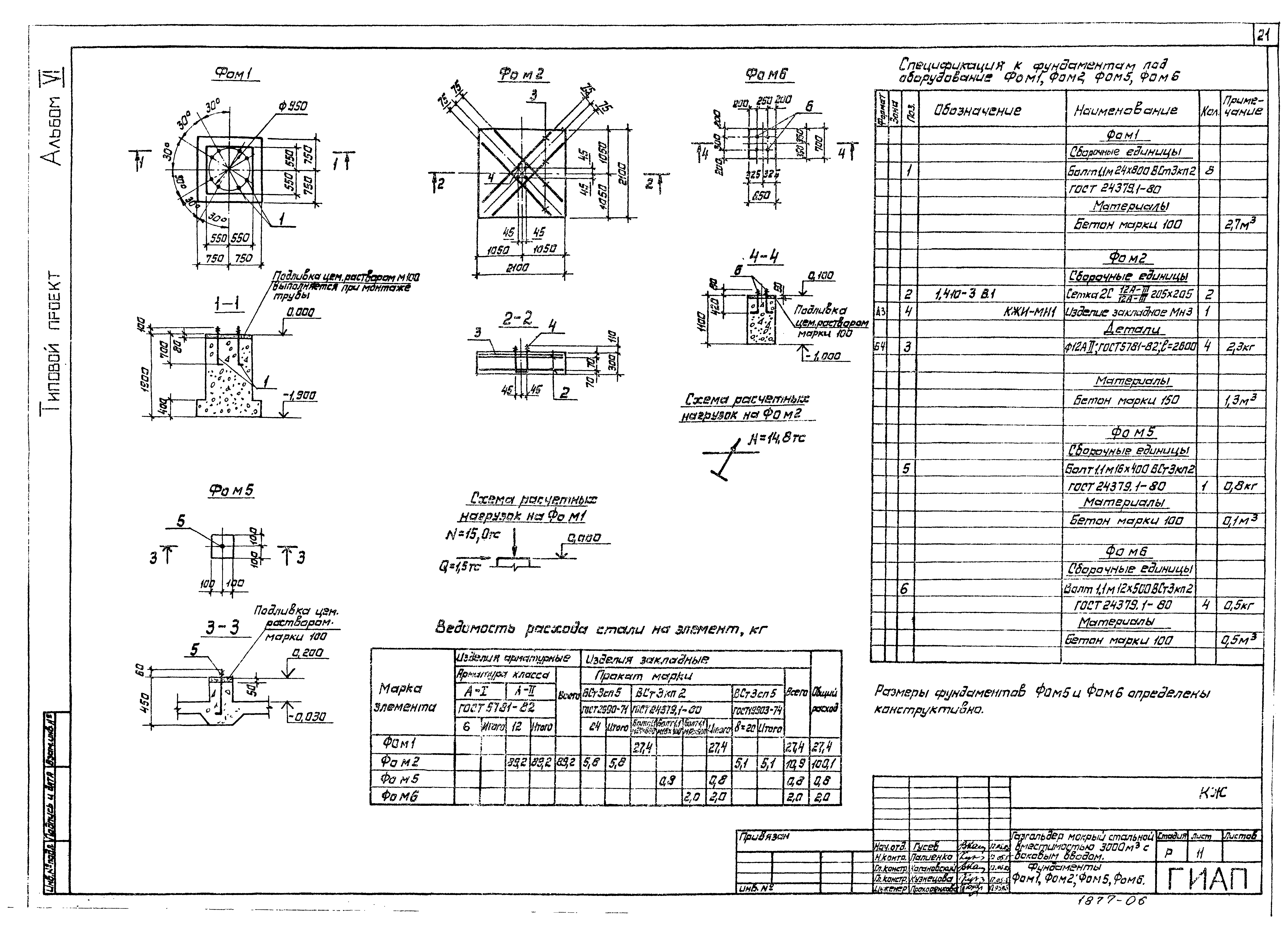
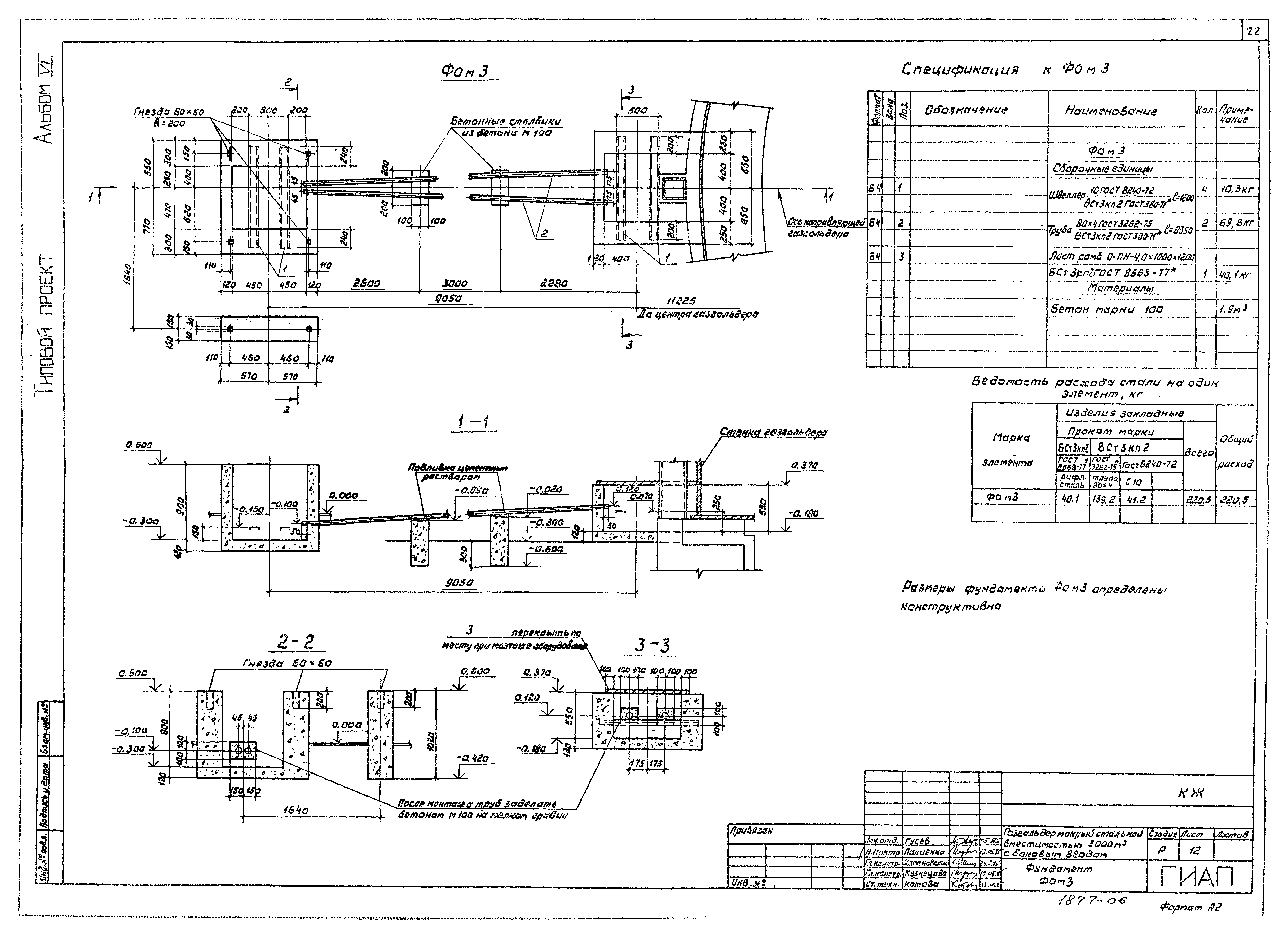
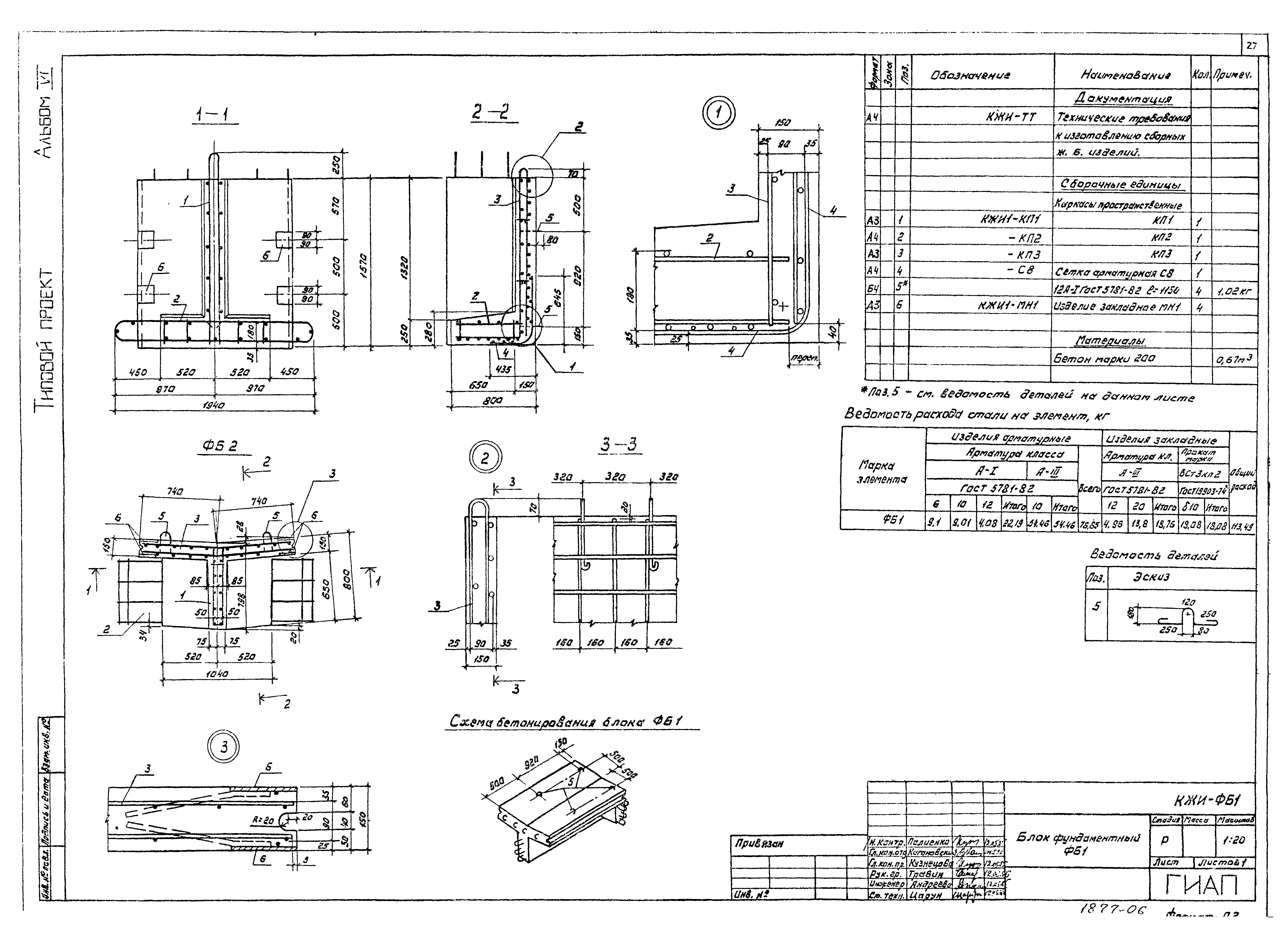
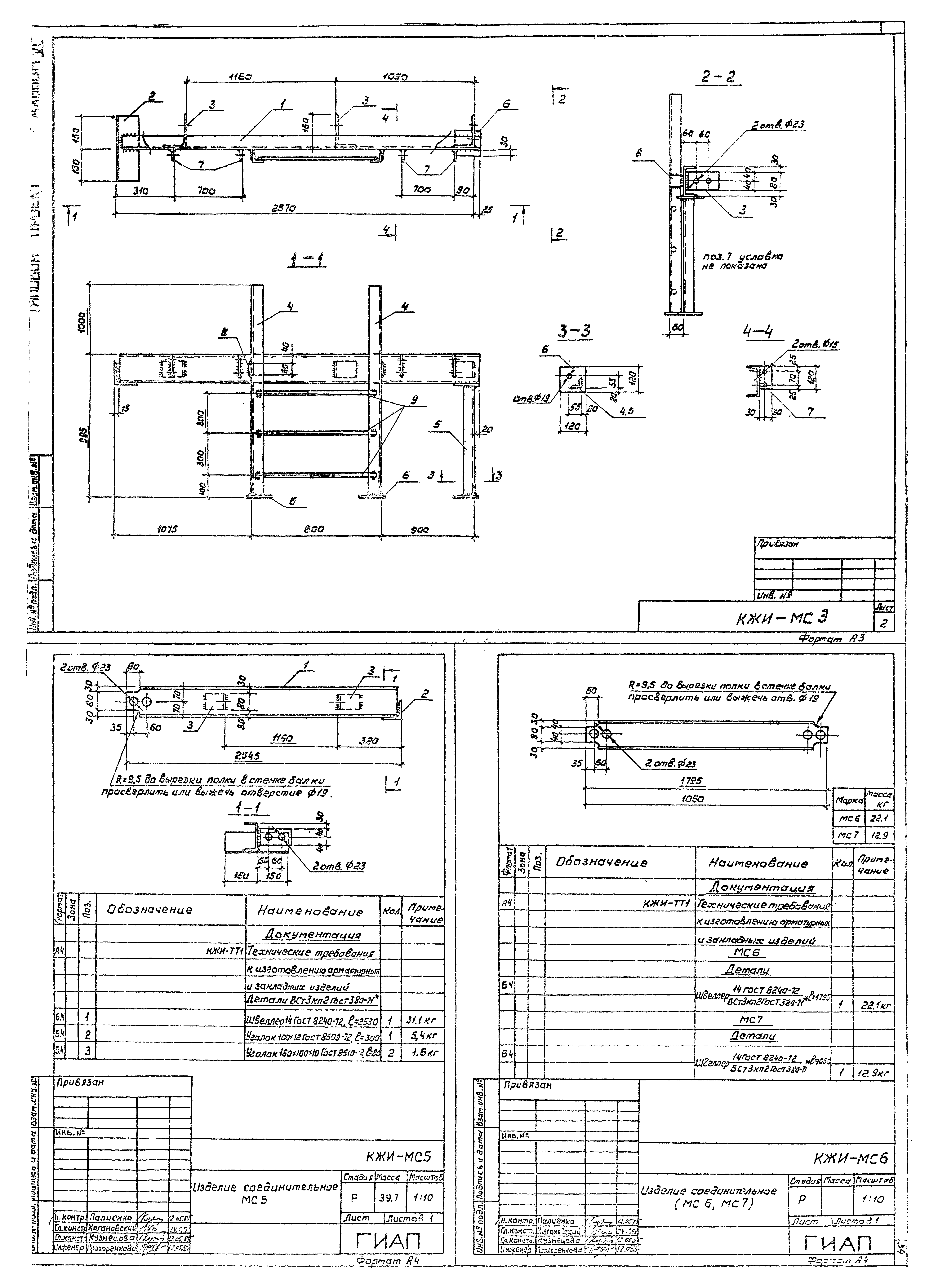
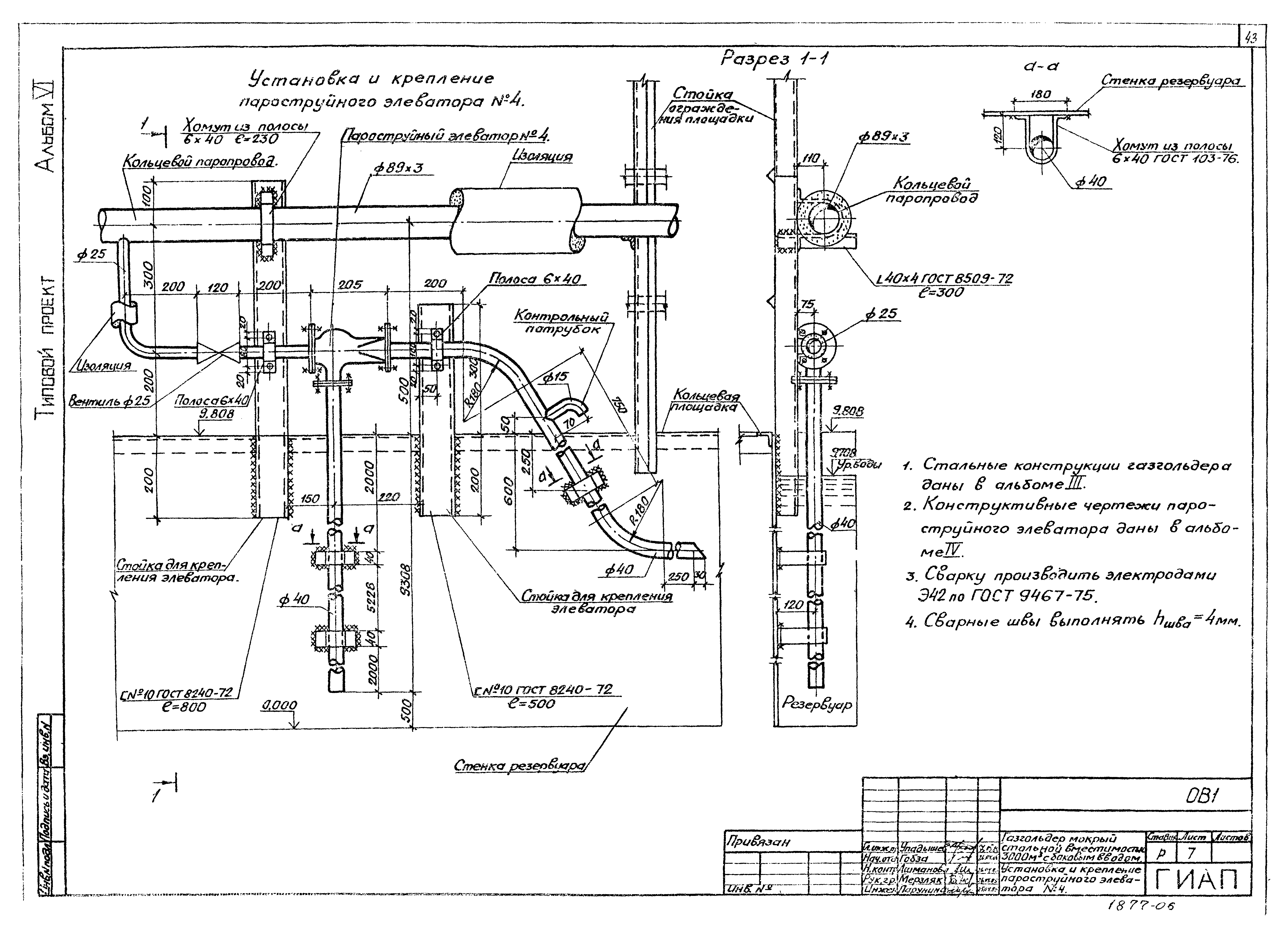
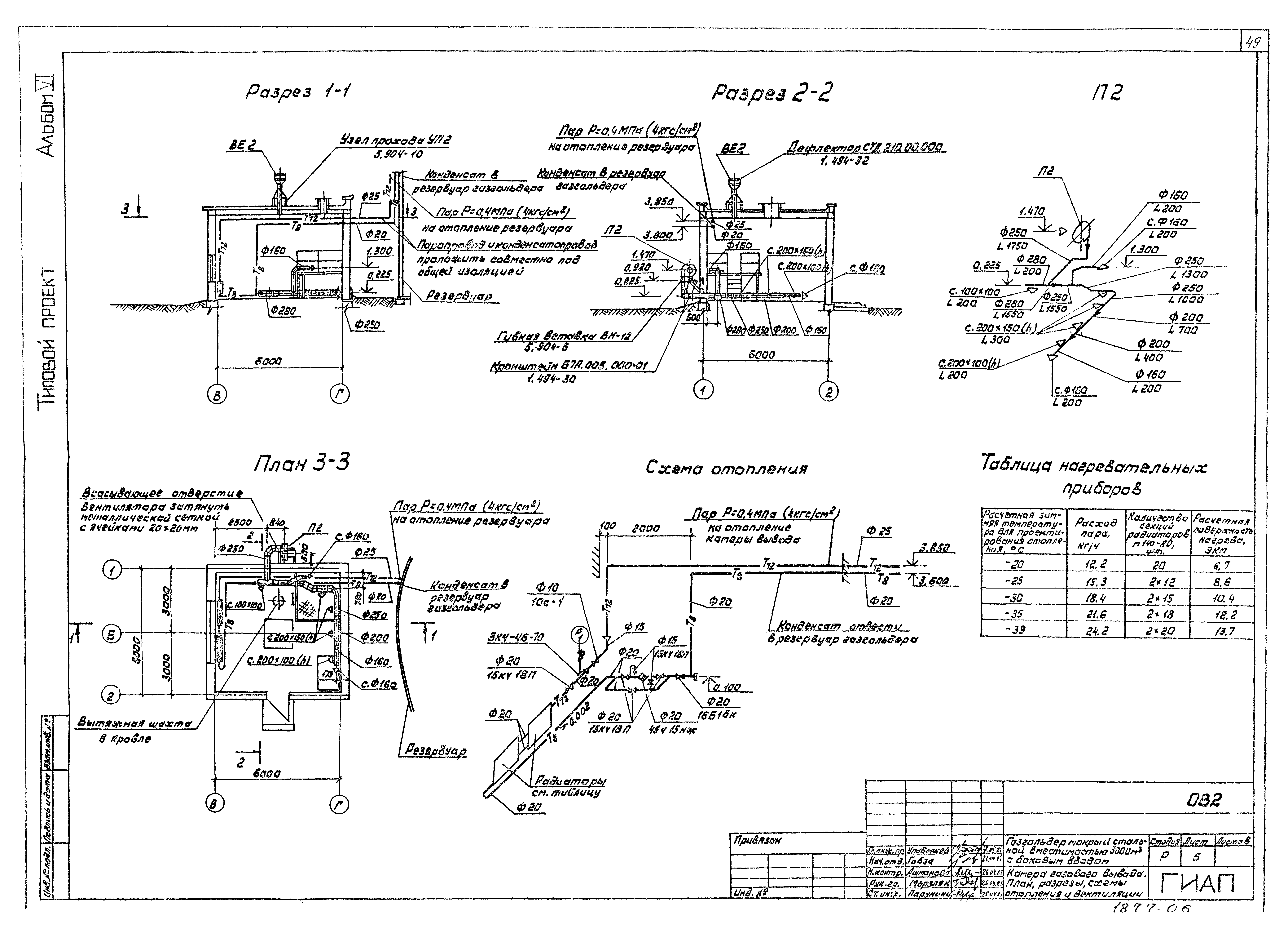
| Оглавление: | Архитектурные решения Общие данные Общий план сооружений Камера ввода. Планы, разрезы, фасады Будка датчиков. Планы, разрезы, фасады Детали Камера ввода. Планы, разрезы, фасады (для районов с сейсмичностью 7, 8 баллов) Будка датчиков. Планы, разрезы, фасады (для районов с сейсмичностью 7, 8 баллов) Детали (для районов с сейсмичностью 7, 8 баллов) Конструкции железобетонные Общие данные Схема расположения фундаментов газгольдера Схема расположения фундаментов газгольдера. Узлы I, II, III Фундамент газгольдера КПм1, опора Ом1. Армирование Камера ввода. Схема расположения фундаментов, приямка и элементов покрытия Камера ввода. Схема расположения фундаментов, приямка и элементов покрытия (для районов с сейсмичностью 7, 8 баллов) Пояса антисейсмические ПЯм1; ПЯм2, участок монолитный Ум1 Схема расположения элементов площадки на отм. 1.200 и стальной опоры Схема расположения фундаментов под оборудование Фундаменты Фом1, Фом2, Фом5, Фом6 Фундамент Фом3 Фундаменты Фом4, Фом7 Схема расположения элементов ограждения Будка датчиков. Схема расположения фундаментов и элементов покрытия Конструкции железобетонные Технические требования к изготовлению сборных ж/б изделий Технические требования к изготовлению арматурных и закладных изделий Блок фундаментный ФБ1 Плита П1 Сетка арматурная (С1, С2) Сетка арматурная С3 Сетка арматурная С4 Сетка арматурная С5 Сетка арматурная С6 Сетка арматурная С7 Сетка арматурная С9 Сетка арматурная С8 Каркас пространственный КП2 Каркас пространственный (КП1, КП4) Каркас пространственный КП3 Каркас плоский (КР1, КР2, КР3) Каркас плоский КР4 Изделие соединительное МС1 Изделие соединительное МС2 Изделие соединительное МС3 Изделие соединительное МС4 Изделие соединительное МС5 Изделие соединительное (МС6, МС7) Изделие соединительное МС8 Изделие соединительное МС9 Изделие соединительное (МС10, МС12) Изделие закладное (МН1, МН3) Изделие соединительное МС11 Изделие закладное МН2 Отопление и вентиляция Вариант без утепления резервуара Общие данные Резервуар газгольдера. План, разрезы и схема отопления Камера газового ввода. План, разрезы, схемы отопления и вентиляции Камера газового вывода. План, разрезы, схемы отопления и вентиляции Будка датчиков объемоуказания газа. План, разрез и схема отопления Установка и крепление пароструйного элеватора № 4 Узлы крепления трубопроводов к площадке резервуара газгольдера Вариант с утеплением резервуара Общие данные Резервуар газгольдера. План, разрезы и схема отопления Камера газового ввода. План, разрезы, схемы отопления и вентиляции Камера газового вывода. План, разрезы, схемы отопления и вентиляции Будка датчиков объемоуказания газа. План, разрез и схема отопления Установка и крепление пароструйного элеватора № 2 Узлы крепления трубопроводов к площадке резервуара газгольдера |
| Разработан: | ГИАП Минудобрений СССР |
| Утверждён: | 10.09.1985 Министерство по производству минеральных удобрений СССР (USSR Ministry of Mineral Fertilizer Production 25-111) |



















































