Скачать Типовой проект 0901-9-15.2.87 Альбом III. Электротехническая часть. Технологический контроль. Вариант с электроотоплениемДата актуализации: 01.01.2021
|
| Обозначение: | Типовой проект 0901-9-15.2.87 |
| Обозначение англ: | 0901-9-15.2.87 |
| Статус: | не определен законодательством |
| Название рус.: | Альбом III. Электротехническая часть. Технологический контроль. Вариант с электроотоплением |
| Дата добавления в базу: | 01.10.2014 |
| Дата актуализации: | 01.01.2021 |
| Дата введения: | 16.10.1987 |
| Дата окончания срока действия: | 30.06.2003 |
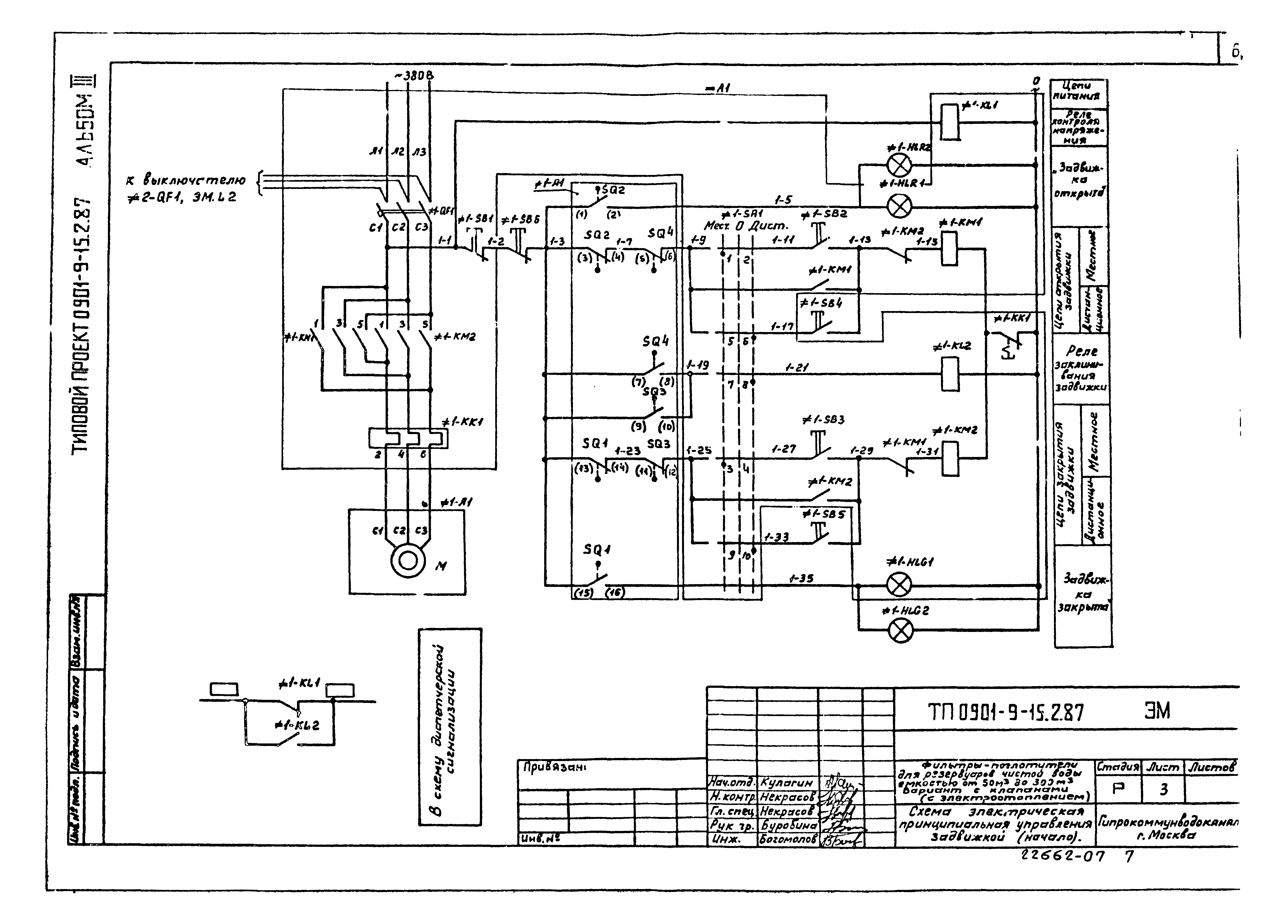
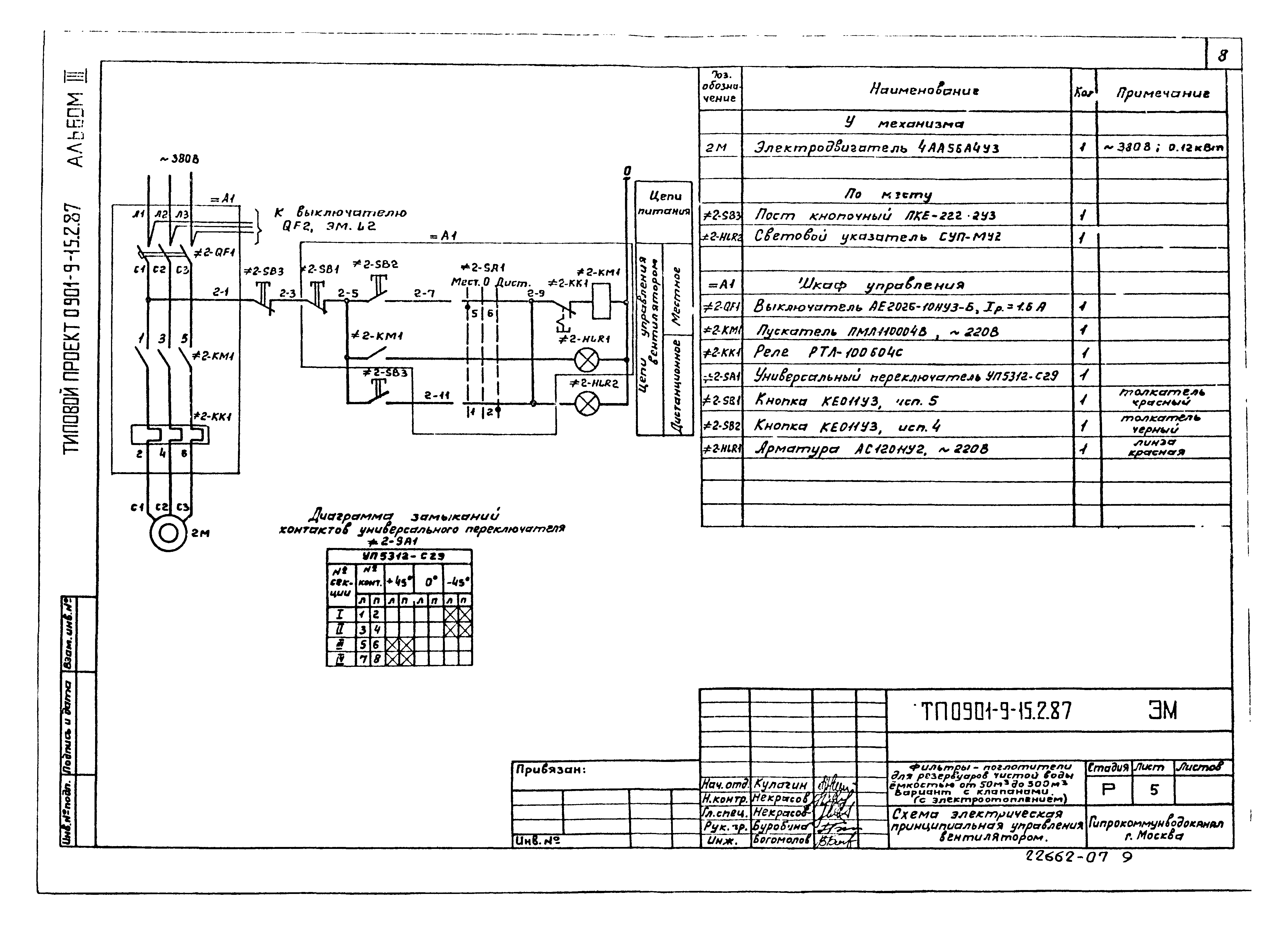
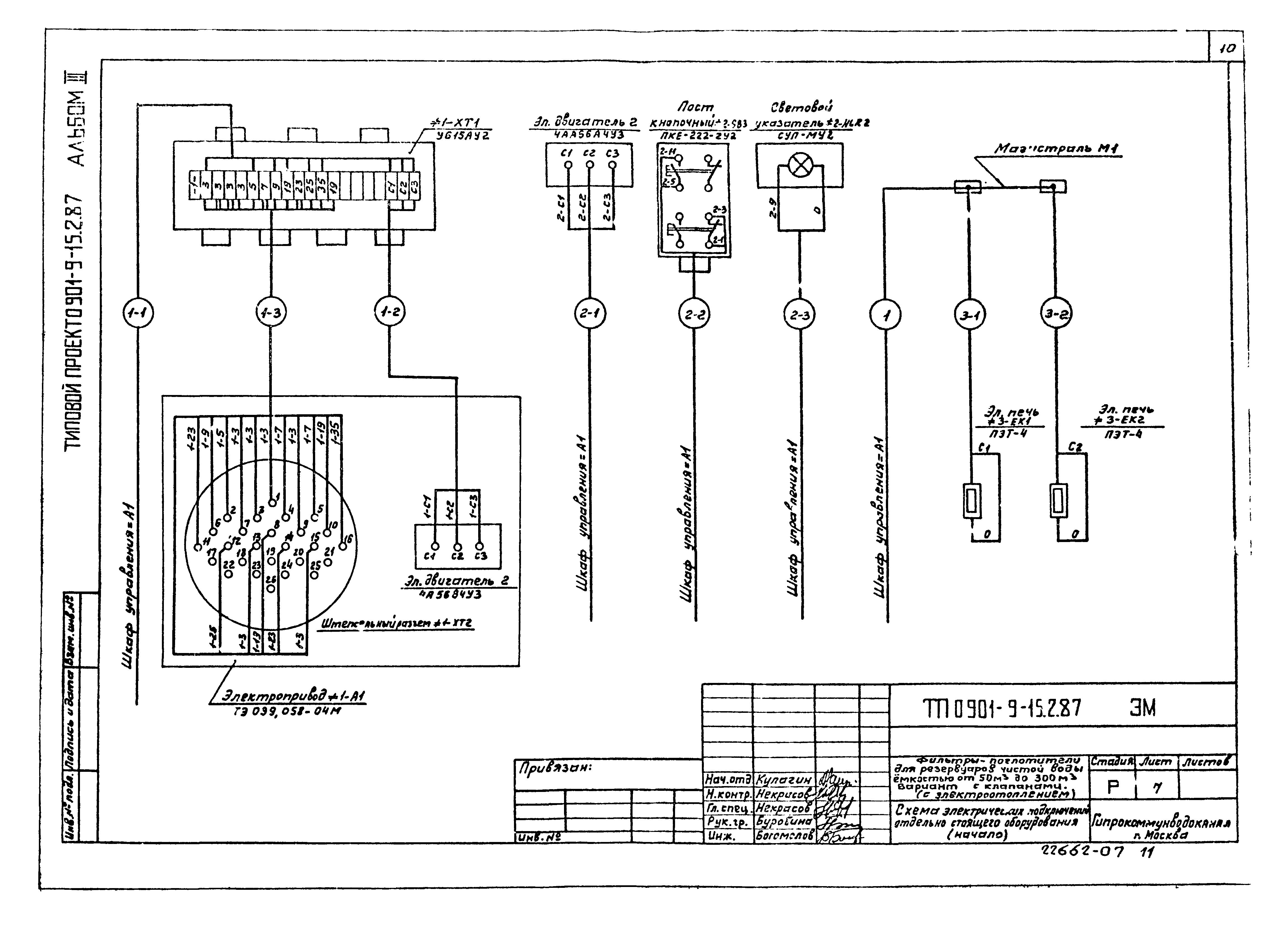
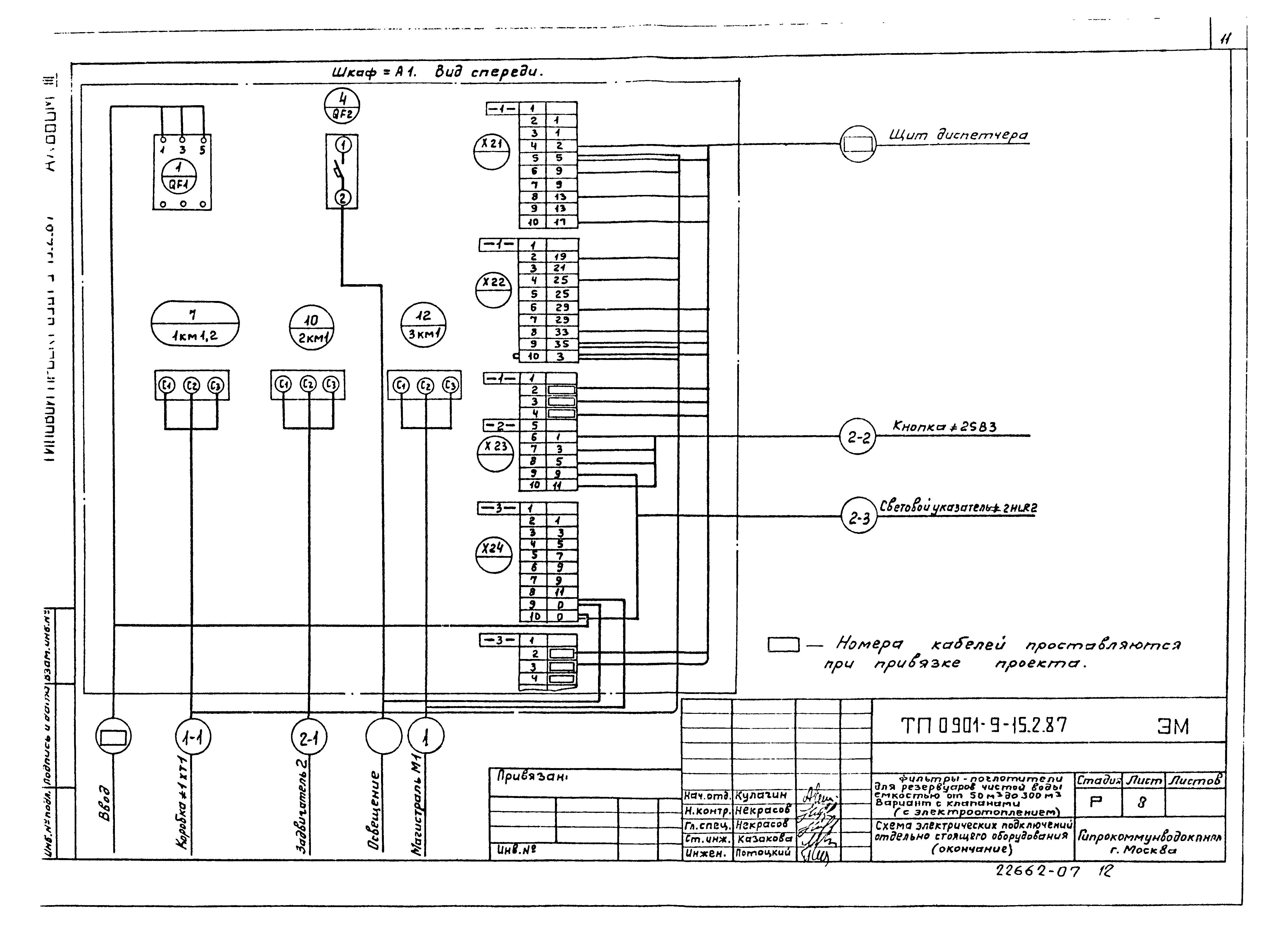
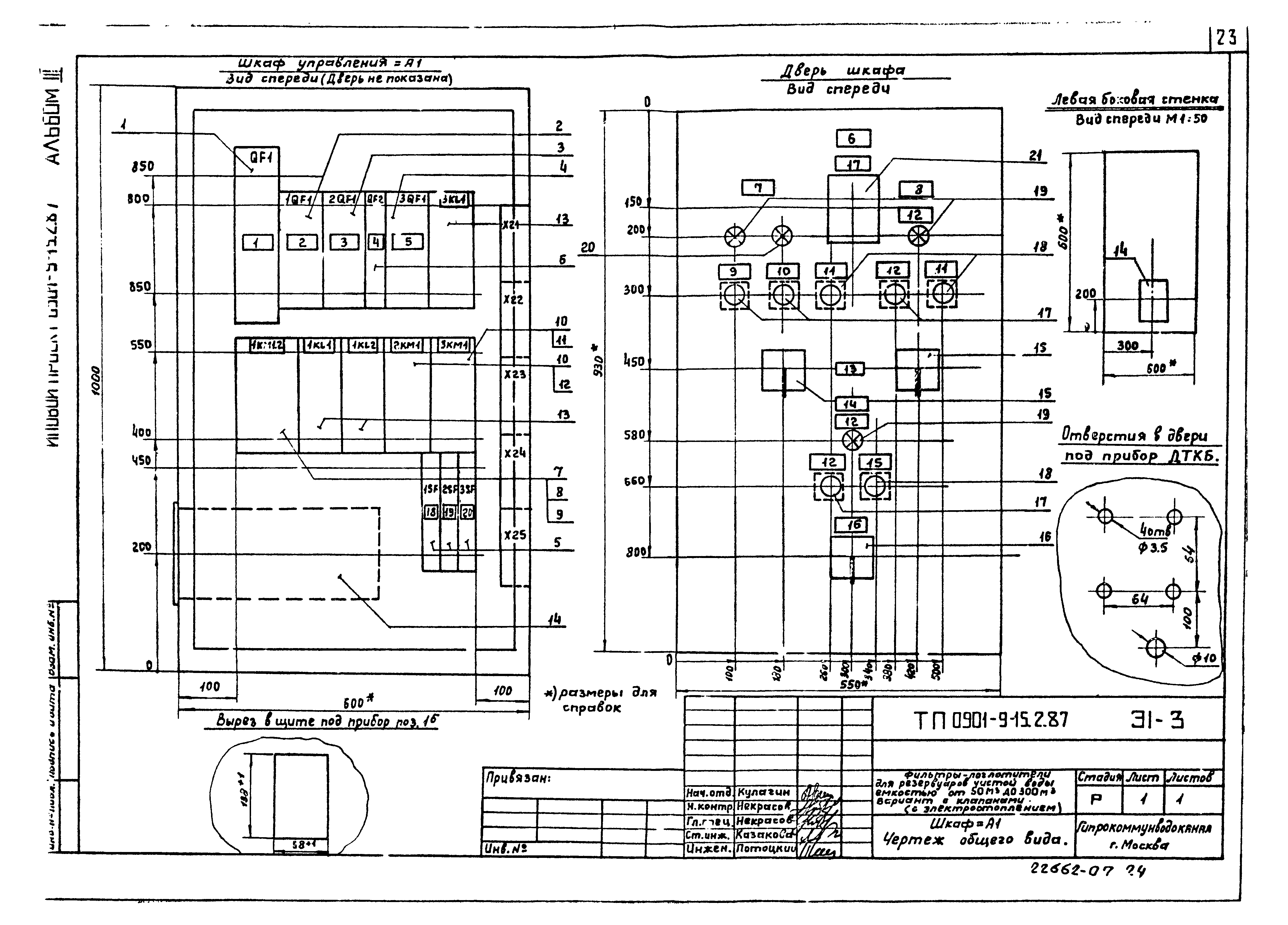
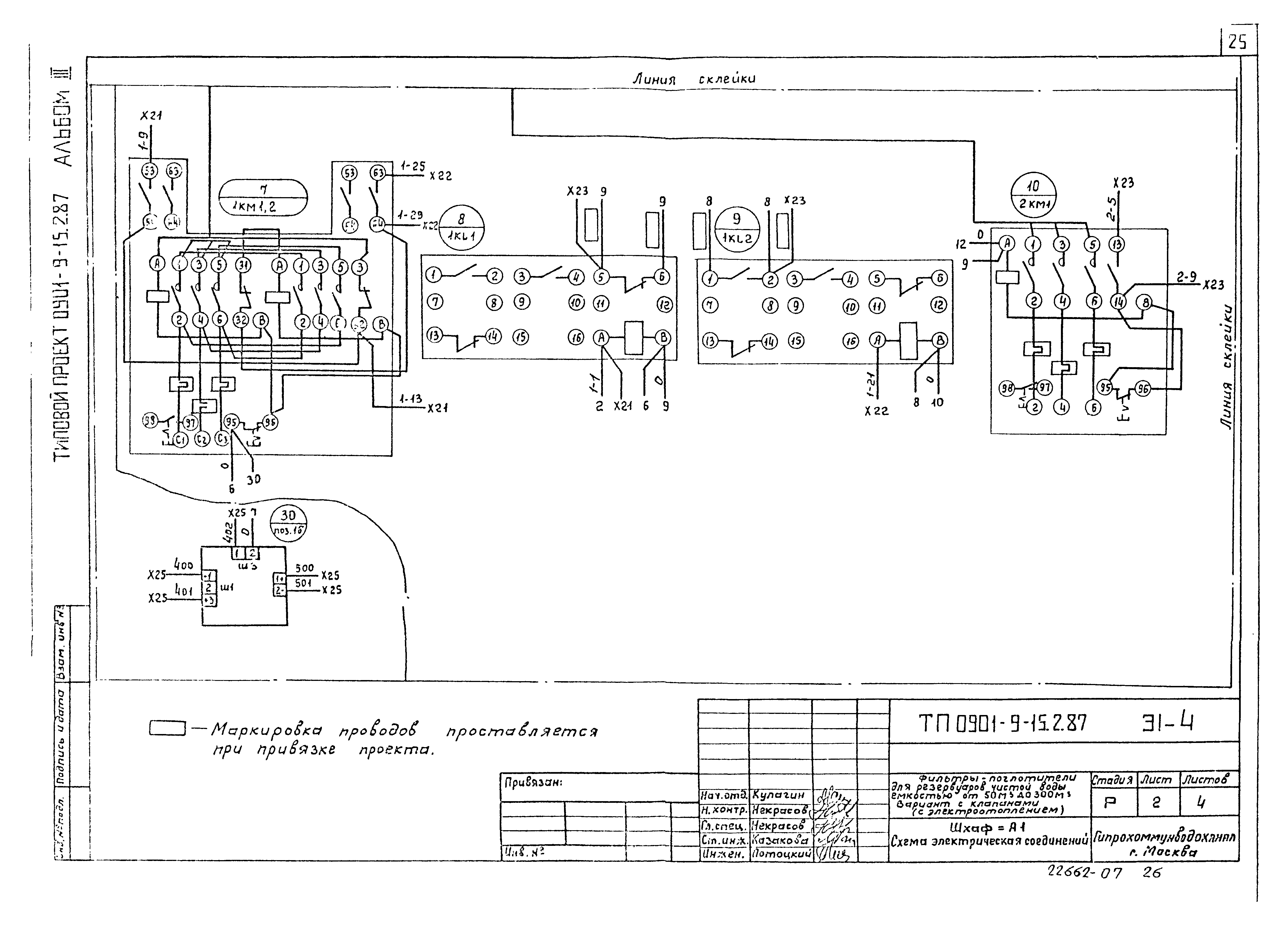
| Оглавление: | Содержание альбома Пояснительная записка Основной комплект чертежей марки ЭМ Общие данные Схема электрическая принципиальная однолинейная 380/220 В Схема электрическая принципиальная управления задвижкой Схема электрическая принципиальная управления вентилятором Схема электрическая принципиальная управления электроотоплением Схема электрических подключений отдельно стоящего оборудования Кабельный журнал. Сводка кабелей и проводов Расположение электрооборудования и прокладка труб и кабелей. Зануление Электроосвещение Основной комплект чертежей марки А Общие данные Схема функциональная Схема внешних кабельных и трубных проводок. Схема электрическая принципиальная питания приборов Электрическая схема подключения приборов План расположения средств автоматизации и проводок Задание заводу-изготовителю на шкаф = А1 марки Э1 Содержание. Перечень комплектных устройств Шкаф = А1. Технические данные аппаратов Шкаф = А1. Чертеж общего вида Шкаф = А1. Схема электрическая соединений Шкаф = А1. Перечень надписей |
| Разработан: | Гипрокоммунводоканал Минжилкомхоза РСФСР |
| Утверждён: | 16.10.1987 Минжилкомхоз РСФСР (Russian Federation Minzhilkomkhoz 12-ТД) |




























