Скачать Типовой проект 903-1-273.89 Альбом 11. АвтоматизацияДата актуализации: 01.01.2021
|
| Обозначение: | Типовой проект 903-1-273.89 |
| Обозначение англ: | 903-1-273.89 |
| Статус: | не определен законодательством |
| Название рус.: | Альбом 11. Автоматизация |
| Дата добавления в базу: | 01.10.2014 |
| Дата актуализации: | 01.01.2021 |
| Дата введения: | 27.09.1989 |
| Дата окончания срока действия: | 30.06.2003 |
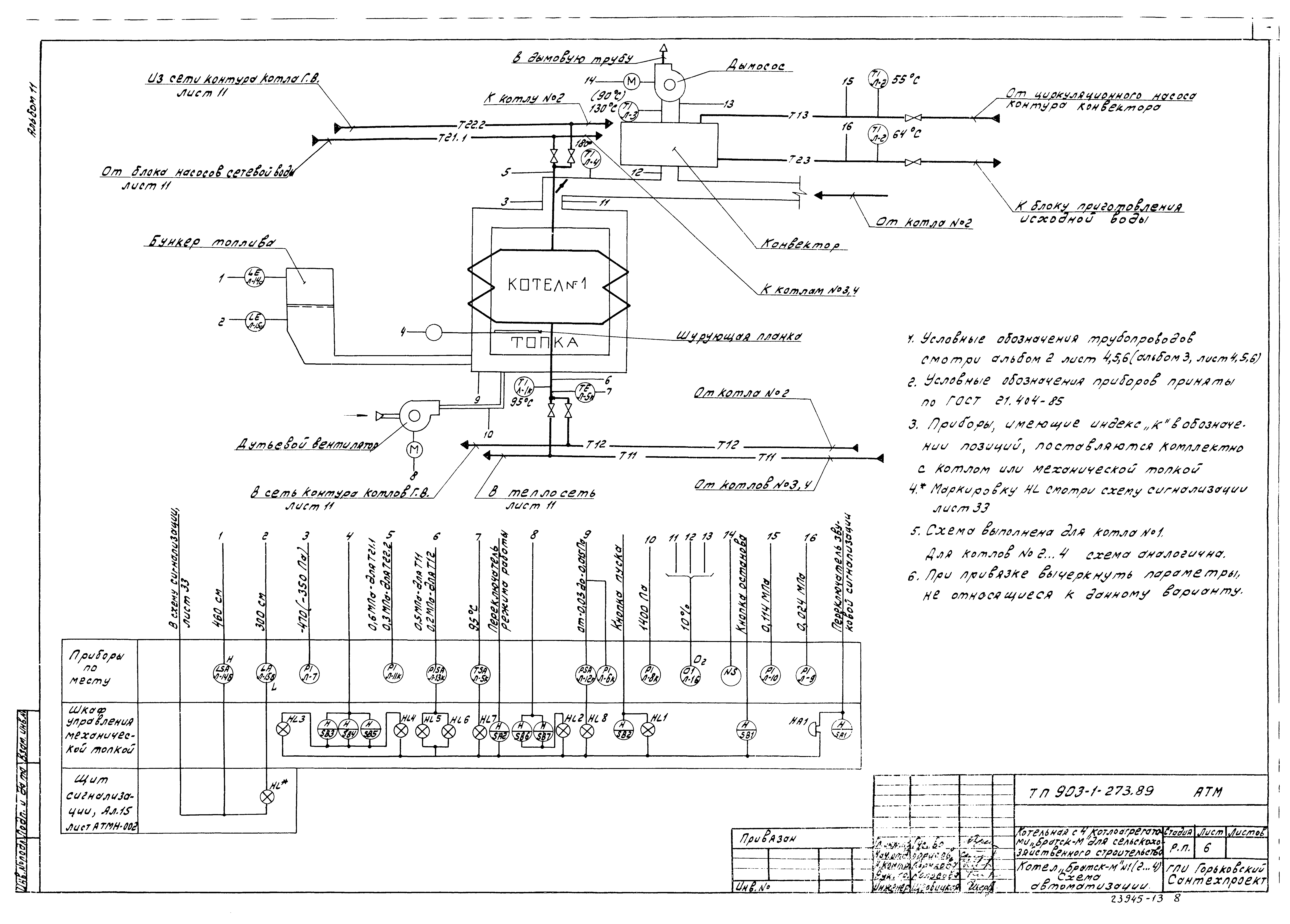
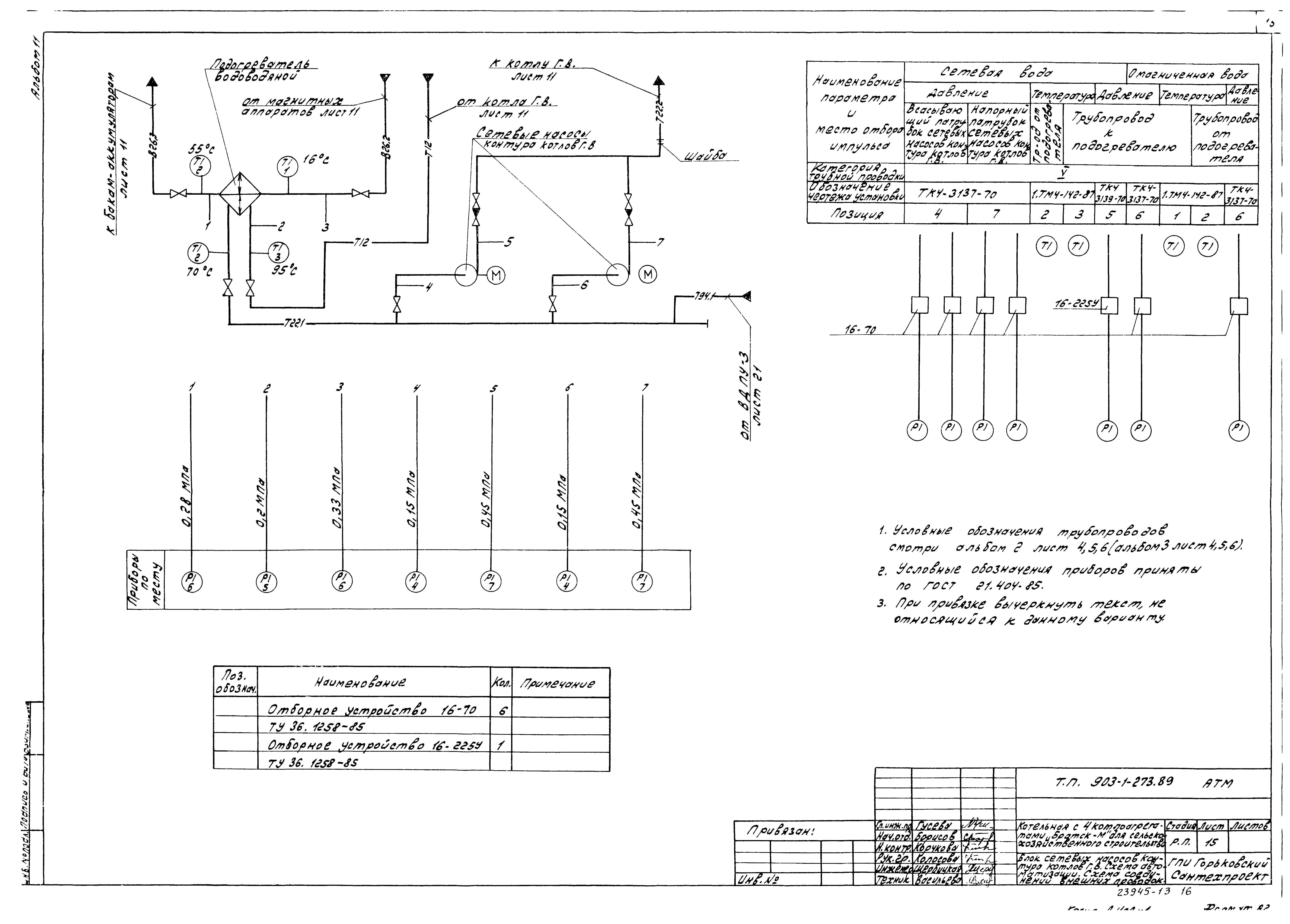
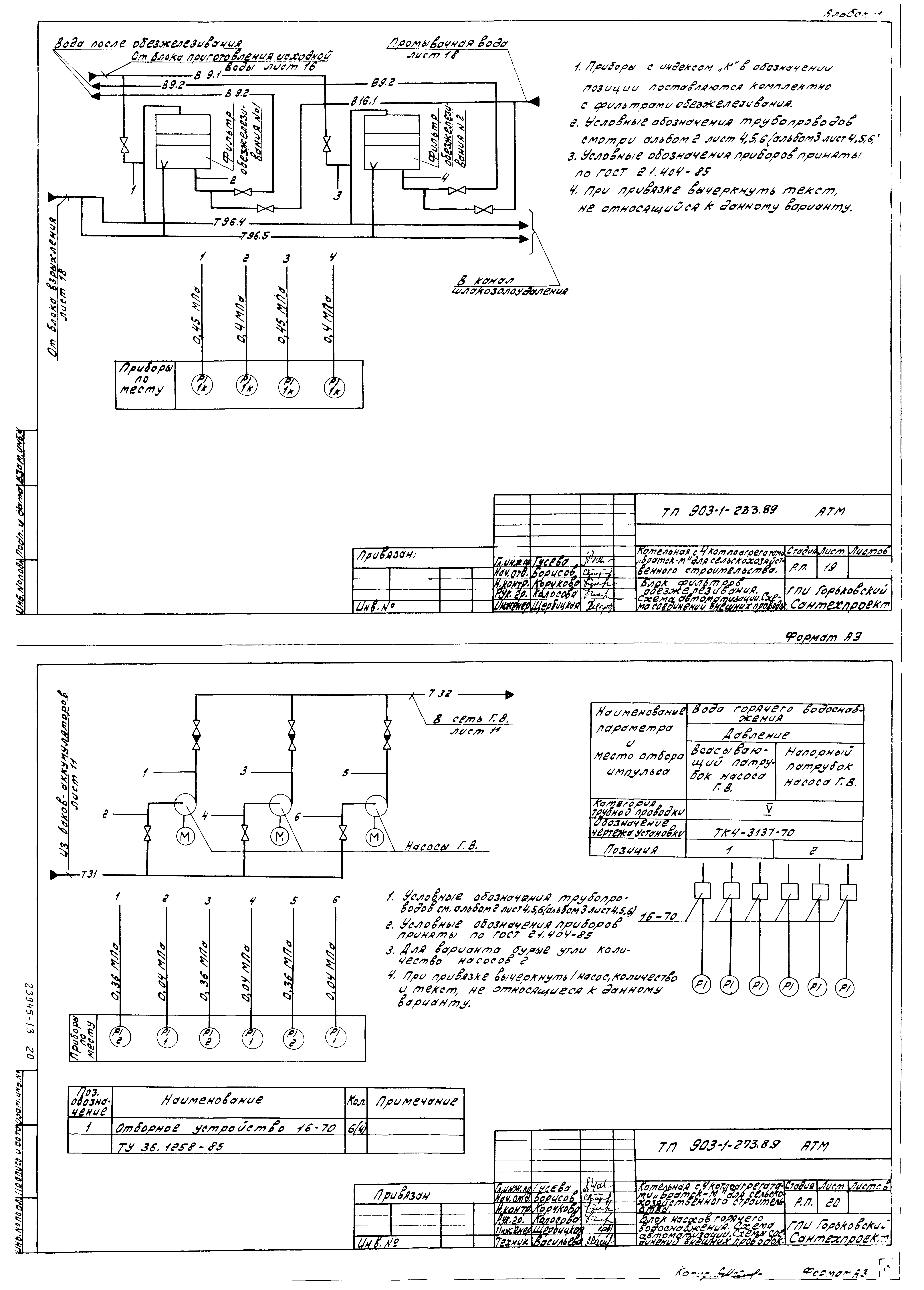
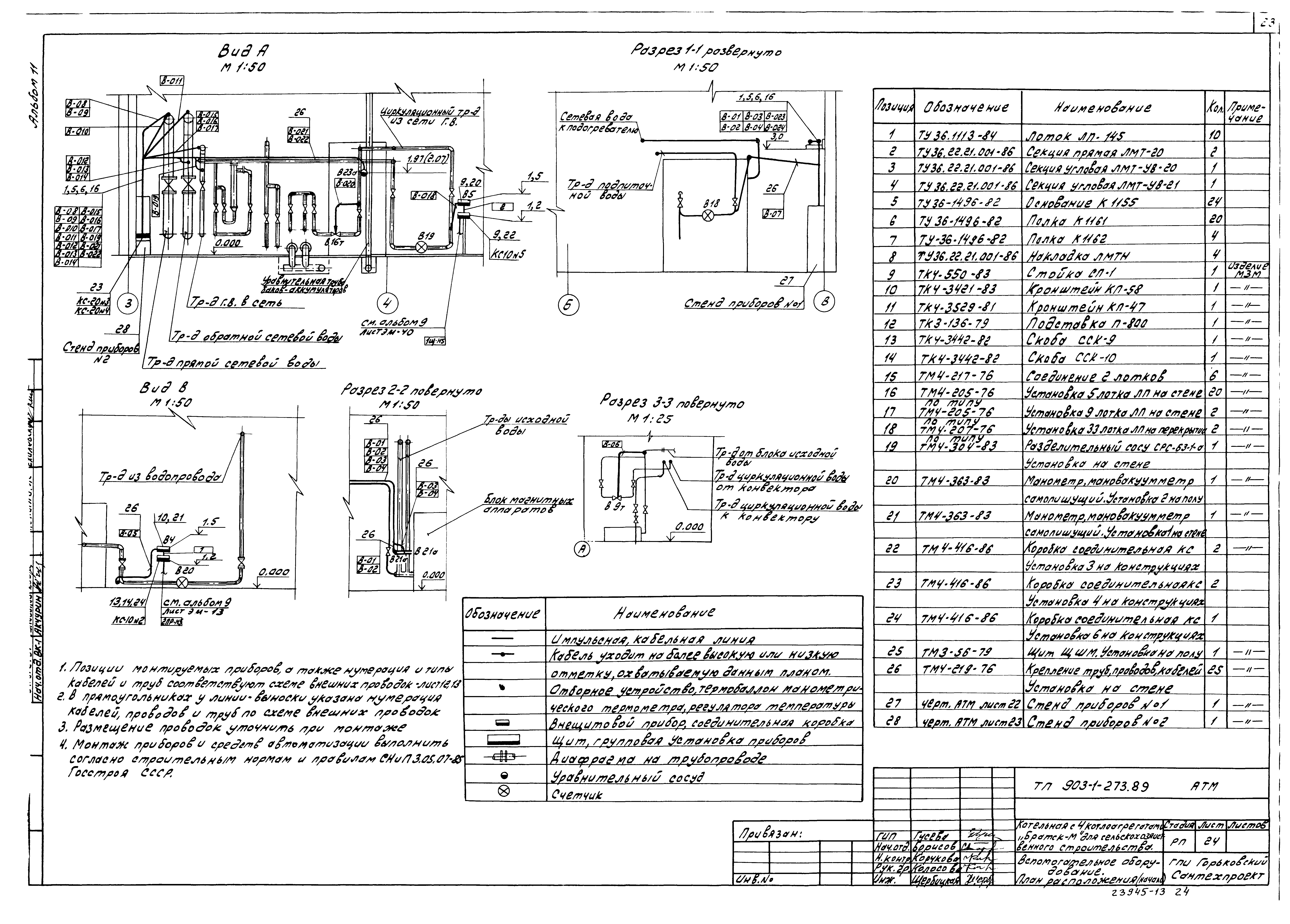
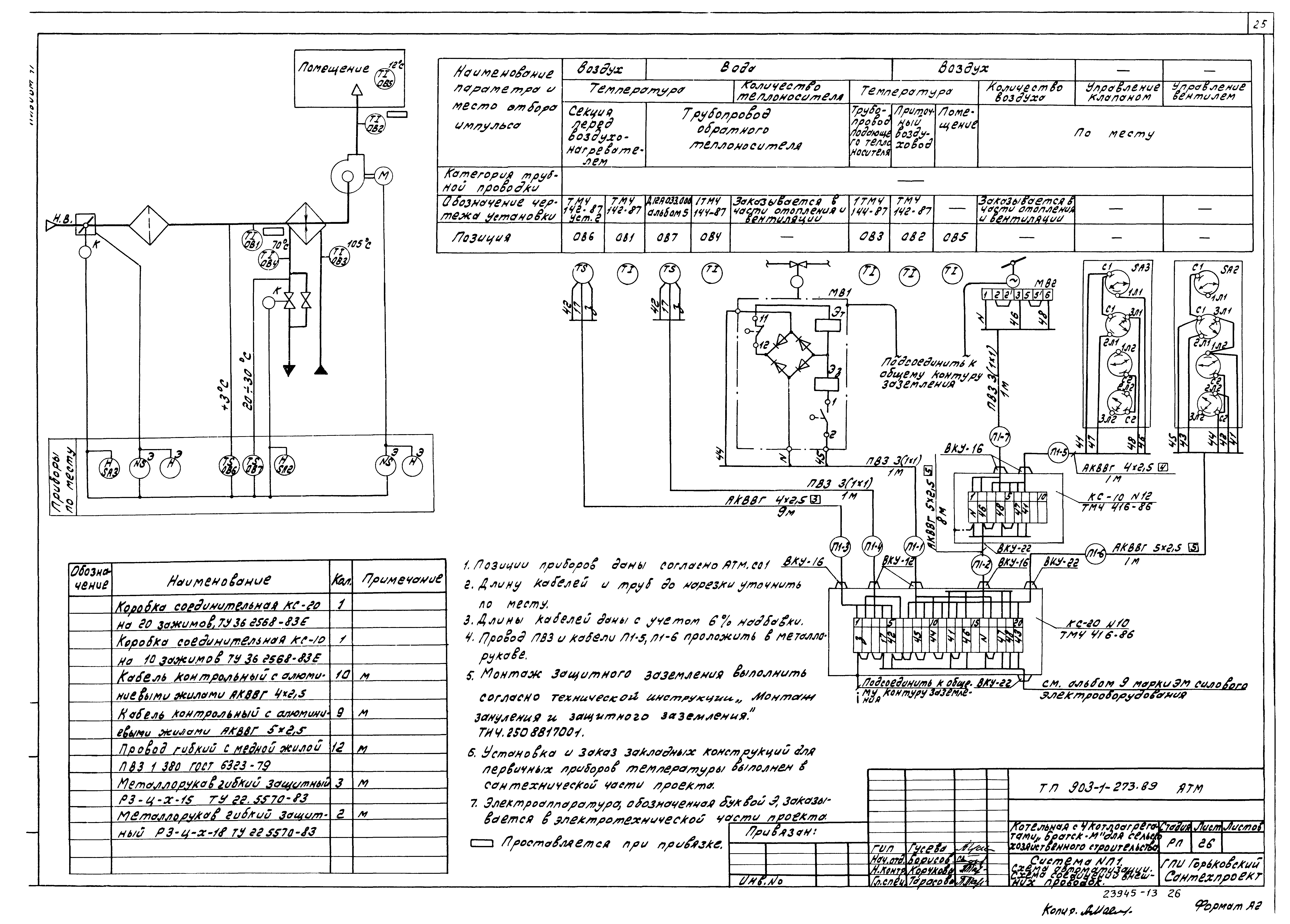
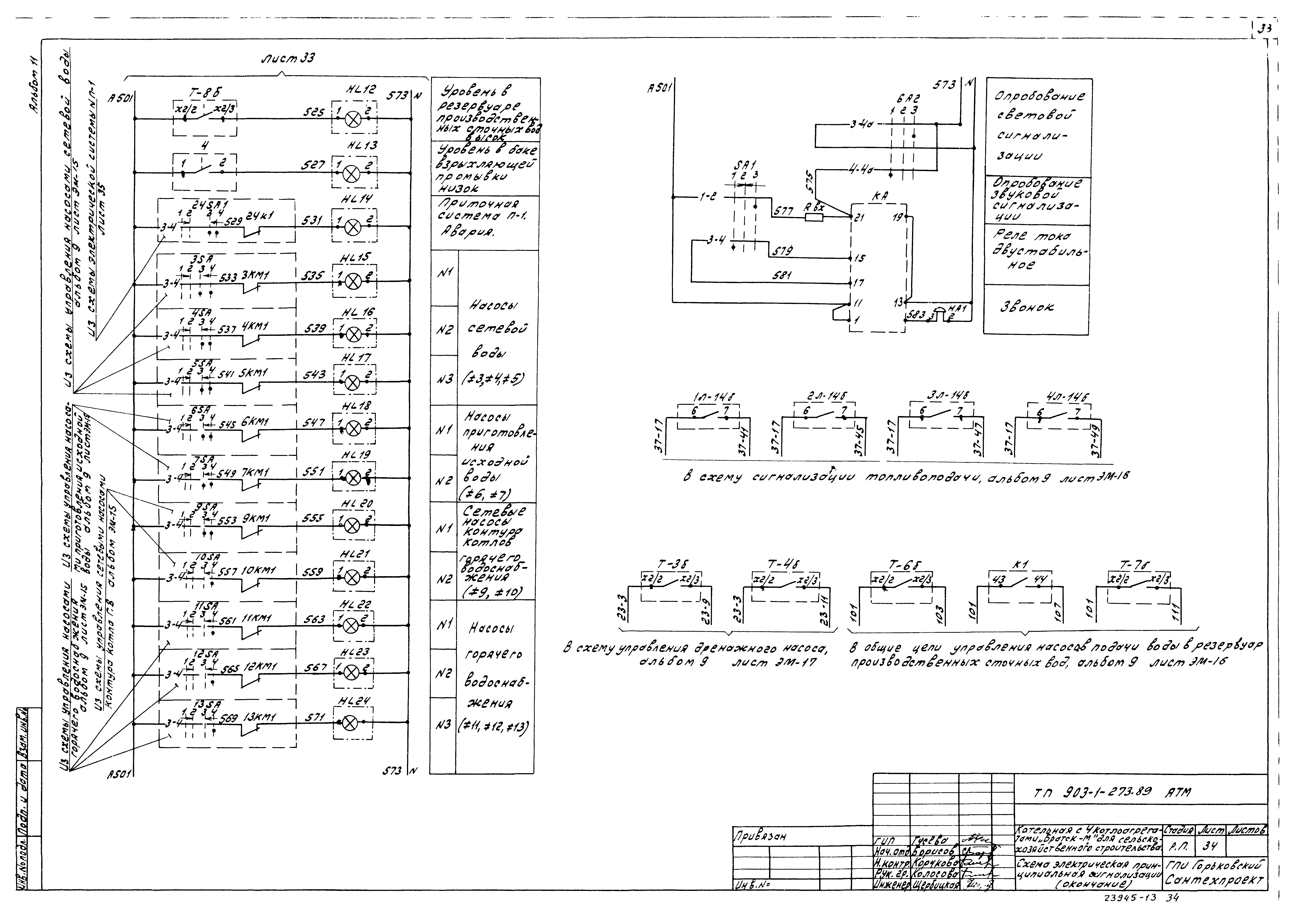
| Оглавление: | Общие данные Котел "Братск-М" №1 (2…4). Схема автоматизации Котел "Братск-М" №1 (2…4). Схема соединений внешних проводок Щит сигнализации. Схема подключения внешних проводок Котел "Братск-М" №1 (2…4). Стенд приборов № 1Л (2Л…4Л) Котел "Братск-М" №1 (2…4). План расположения Вспомогательное оборудование. Схема автоматизации Вспомогательное оборудование. Схема соединений внешних проводок Блок сетевых насосов контура котлов Г, В. Схема автоматизации. Схема соединений внешних проводок Блок приготовления исходной воды. Схема автоматизации. Схема соединений внешних проводок Блок насосов сетевой воды. Схема автоматизации. Схема соединений внешних проводок Блок взрыхления. Схема автоматизации. Схема соединений внешних проводок Блок фильтров обезжелезивания. Схема автоматизации. Схема соединений внешних проводок Блок насосов горячего водоснабжения. Схема автоматизации. Схема соединений внешних проводок Установка ВДПУ-3. Схема автоматизации. Схема соединений внешних проводок Вспомогательное оборудование. Стенд приборов № 1 Вспомогательное оборудование. Стенд приборов № 2 Вспомогательное оборудование. План расположения Система NП1. Схема автоматизации. Схема соединений внешних проводок Система NП2. Схема автоматизации. Схема соединений внешних проводок Узел управления. Схема автоматизации. Схема соединений внешних проводок Топливоподача. Схема автоматизации Топливоподача. Схема соединений внешних проводок Топливоподача. Система П1, П2. План расположения Схема электрическая принципиальная сигнализации Система NП1. Схема электрическая принципиальная Система NП2. Схема электрическая принципиальная |
| Разработан: | Горьковский Сантехпроект |
| Утверждён: | 27.09.1989 ГПК СантехНИИпроект (SantekhNIIproject GPK 11) |
| Издан: | ЦИТП Госстроя СССР (CITP, Gosstroy (USSR) 1989 г. ) |




































