Скачать М788-1081 Рекомендуемые материалы по выбору и применению кабелей для вторичных цепейДата актуализации: 01.01.2021
|
| Обозначение: | М788-1081 |
| Обозначение англ: | М788-1081 |
| Статус: | справочные материалы, мп, тпр |
| Название рус.: | Рекомендуемые материалы по выбору и применению кабелей для вторичных цепей |
| Название англ.: | Alphanumeric Designations in Electrical and Engineering Design Documentation |
| Дата добавления в базу: | 01.10.2014 |
| Дата актуализации: | 01.01.2021 |
| Область применения: | Рекомендуемые материалы по выбору и применению кабелей для использования во вторичных цепях электрических сетей промышленных предприятий содержат общие положения, касающиеся выбора кабелей и областей их применения, а также таблицы, в которых приведен ряд рекомендуемых марок кабелей, их основные данные, условия их прокладки, |
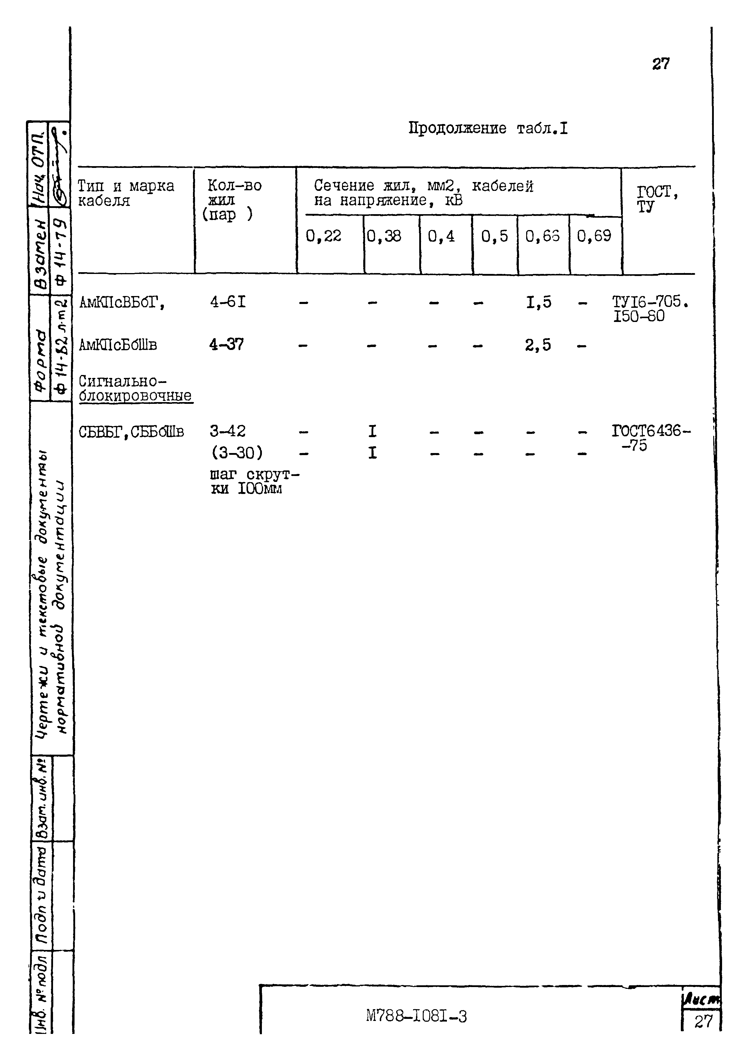
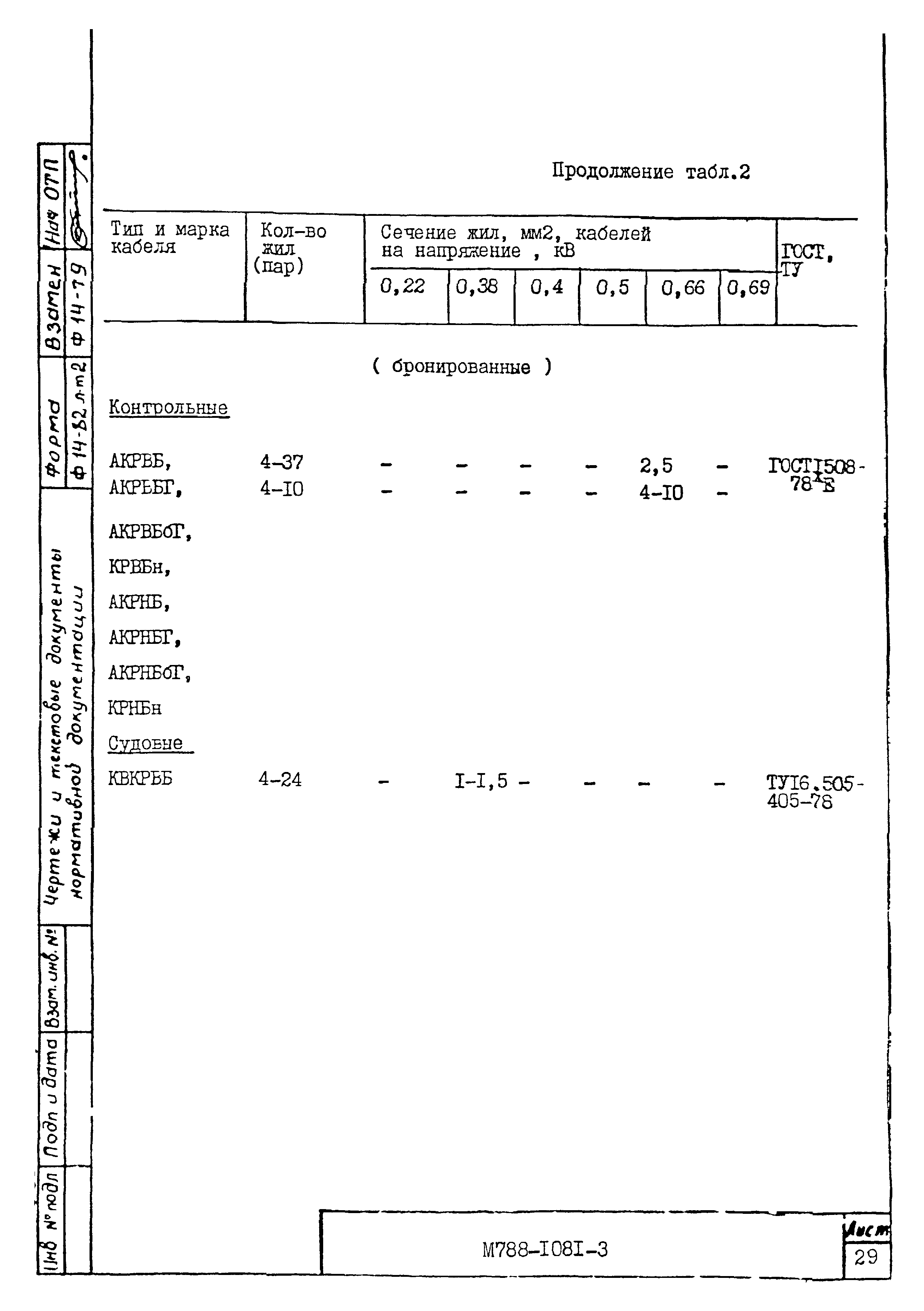
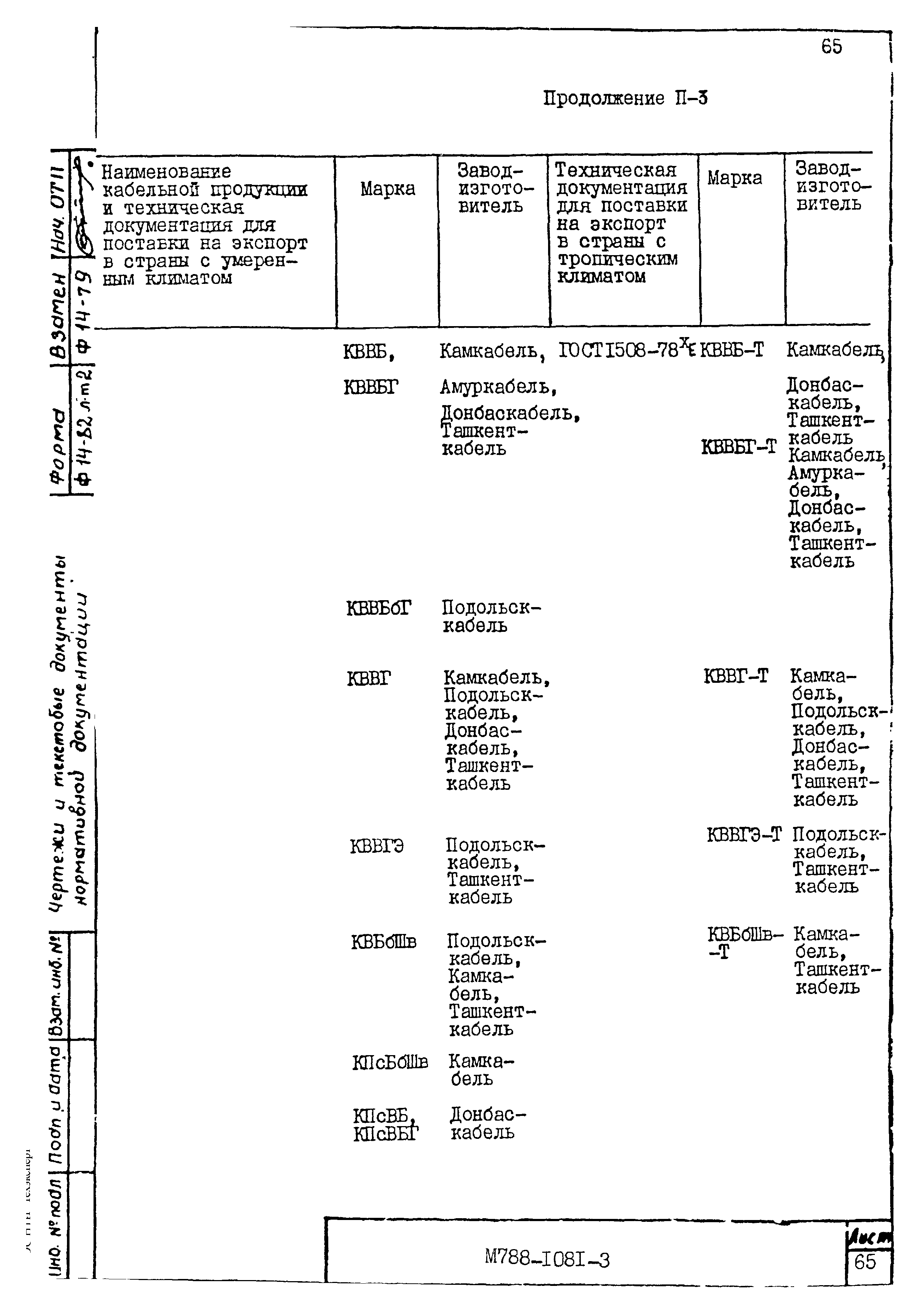
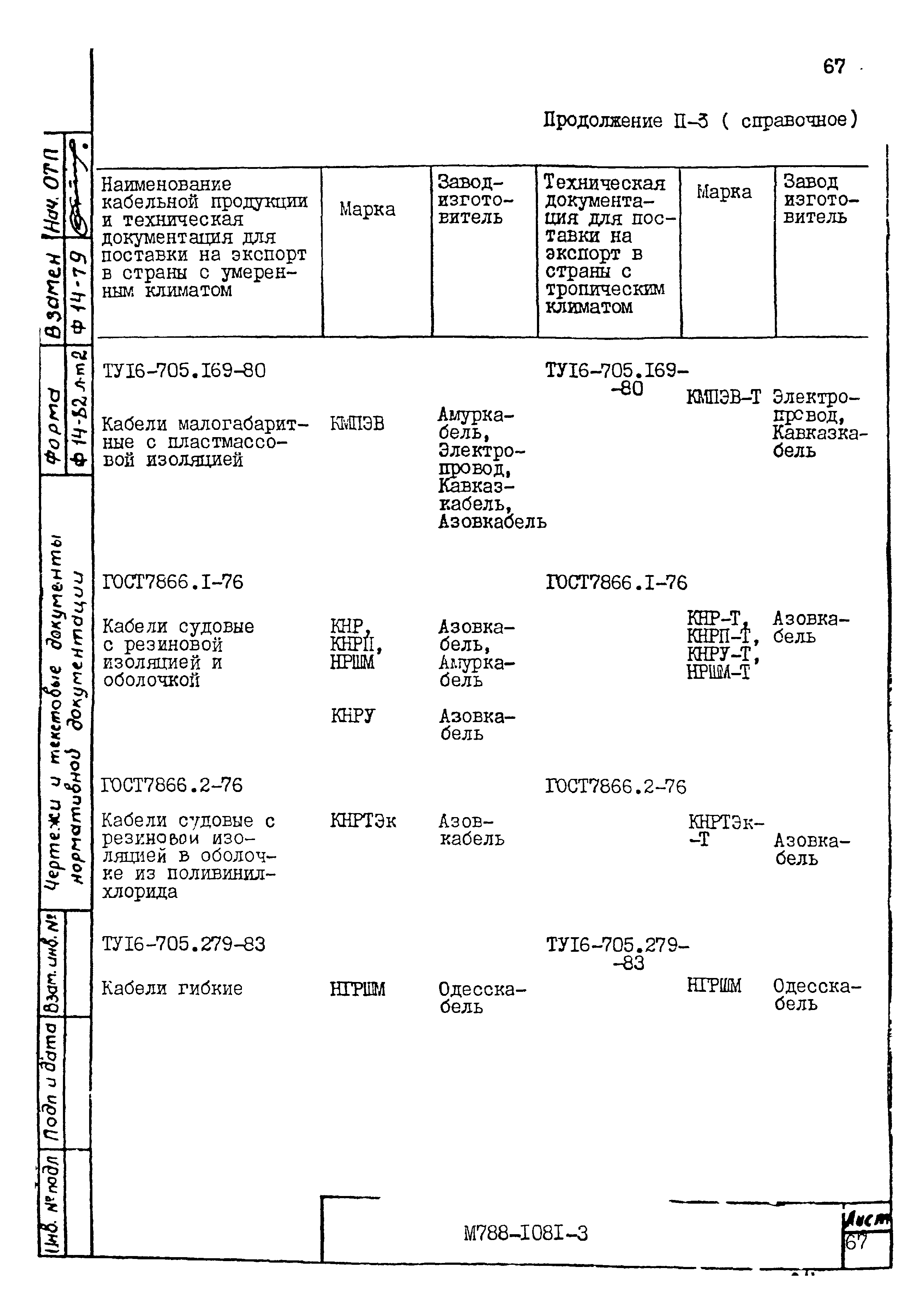
| Оглавление: | Предисловие Общие положения Основные технические данные отечественных кабелей, используемых для вторичных цепей Таблица 1. Кабели с пластмассовой изоляцией Таблица 2. Кабели с резиновой изоляцией Таблица 3. Кабели гибкие Таблица 4. Кабели, используемые для прокладки в грунте Таблица 5. Кабели, используемые для прокладки в помещениях и кабельных сооружениях Таблица 6. Кабели, используемые для прокладки в воде Приложение 1 (справочное). Таблица. Строительные длины кабелей Приложение 2 (справочное). Таблица. Коррозионная стойкость материалов Приложение 3 (справочное). Выписка из Перечня кабельной продукции, рекомендованной для поставки на экспорт в страны с умеренным и тропическим климатом Приложение 4 (справочное). Таблица 1. Сопоставительные данные силового кабеля марки АВВГ и контрольного кабеля марки АКВВГ Приложение 5. Технический циркуляр № 352-86 ВНИПИ Тяжпромэлектропроект "О резервных жилах кабелей вторичных цепей" Приложение 6 (справочное). О методах проверки на не распространение горения кабельных изделий Приложение 7 (справочное). Таблица. Минимальные расстояния в свету между кабелями вторичных цепей, обеспечивающие не распространение горения кабельных потоков Приложение 8 (справочное). Условные обозначения элементов кабелей |
| Разработан: | ВНИПИ Тяжпромэлектропроект |
| Утверждён: | ВНИПИ Тяжпромэлектропроект им. Ф.Б. Якубовского (F.B.Yakubovskiy Tyazhpromelektroproject VNIPI ) |
| Заменяет собой: |




























































































