Скачать Типовой проект 901-5-39.87 Альбом I. Технологическая и электрическая частиДата актуализации: 01.01.2021
|
| Обозначение: | Типовой проект 901-5-39.87 |
| Обозначение англ: | 901-5-39.87 |
| Статус: | не определен законодательством |
| Название рус.: | Альбом I. Технологическая и электрическая части |
| Дата добавления в базу: | 01.10.2014 |
| Дата актуализации: | 01.01.2021 |
| Дата введения: | 27.05.1986 |
| Дата окончания срока действия: | 30.06.2003 |
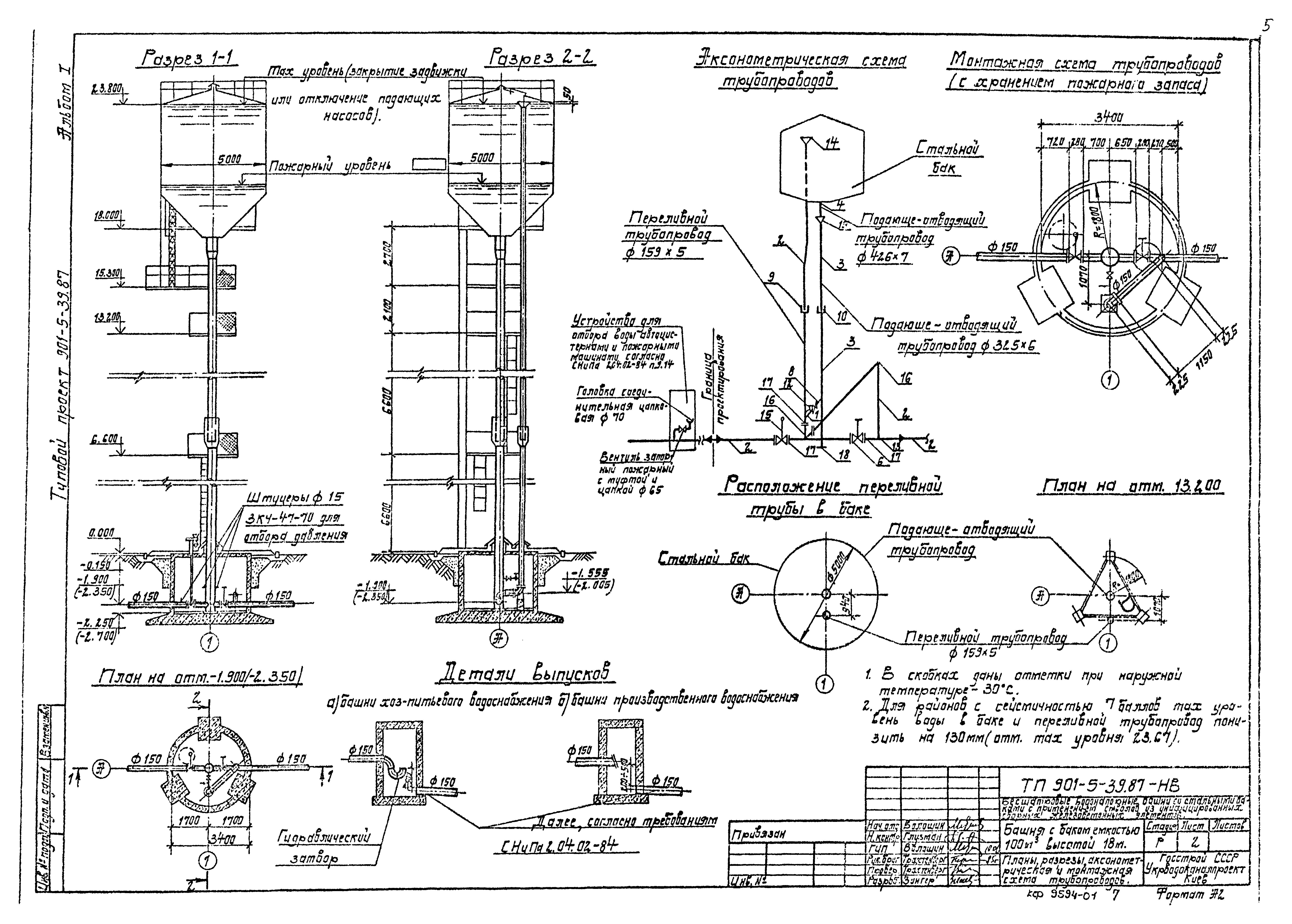
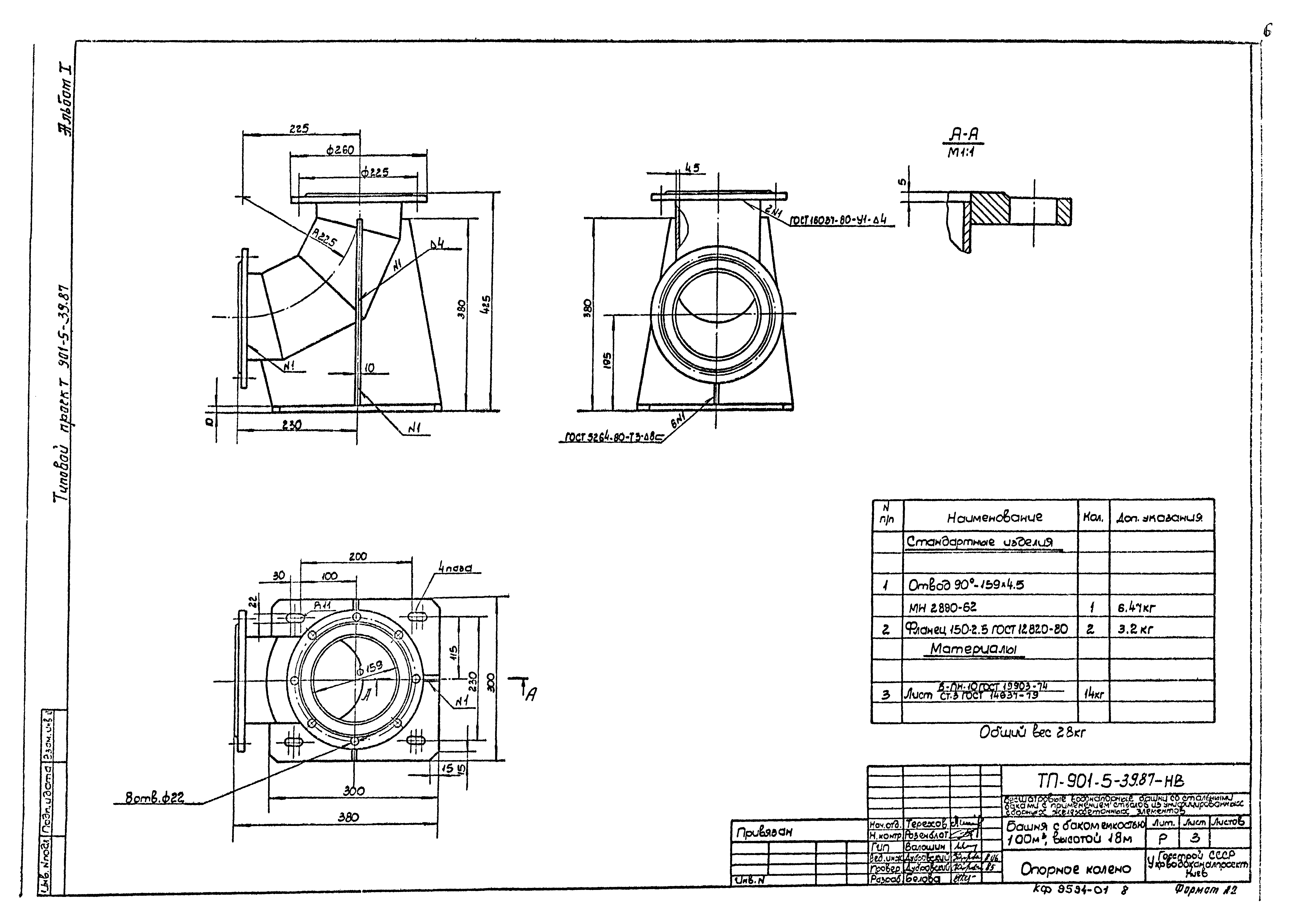
| Оглавление: | Содержание альбома Пояснительная записка Чертежи основного комплекта марки НВ Общие данные Планы, разрезы, аксонометрическая и монтажная схемы трубопроводов Опорное колено Клапан-захлопка Ф 150 Детали крепления переливного трубопровода Чертежи основного комплекта марки ЭЛ Общие данные Схемы принципиальные: однолинейная 380/220 В и электропитания шкафа ШО Схема функциональная технологического контроля Схема принципиальная управления задвижкой (исполнение 1) Схема соединения внешних проводок Расположение оборудования и проводок (исполнение 1) Расположение оборудования и проводок (исполнение 2) Шкаф утепленный, обогреваемый ШО Шкаф управления ШУ. Чертеж общего вида Шкаф управления ШУ. Таблица технических данных аппаратов Шкаф управления ШУ. Таблица перечня надписей Шкаф управления ШУ. Схема электрическая соединений |
| Разработан: | Киевский Промстройпроект |
| Утверждён: | 29.04.1986 Госстрой СССР (АЧ-25) |


















