Скачать Серия 7.411-2 Выпуск 2-5. Питатель барабанный ПБ200. Рабочие чертежиДата актуализации: 01.01.2021
|
| Обозначение: | Серия 7.411-2 |
| Обозначение англ: | Series 7.411-2 |
| Статус: | действует |
| Название рус.: | Выпуск 2-5. Питатель барабанный ПБ200. Рабочие чертежи |
| Дата добавления в базу: | 01.10.2014 |
| Дата актуализации: | 01.01.2021 |
| Дата введения: | 14.09.1988 |
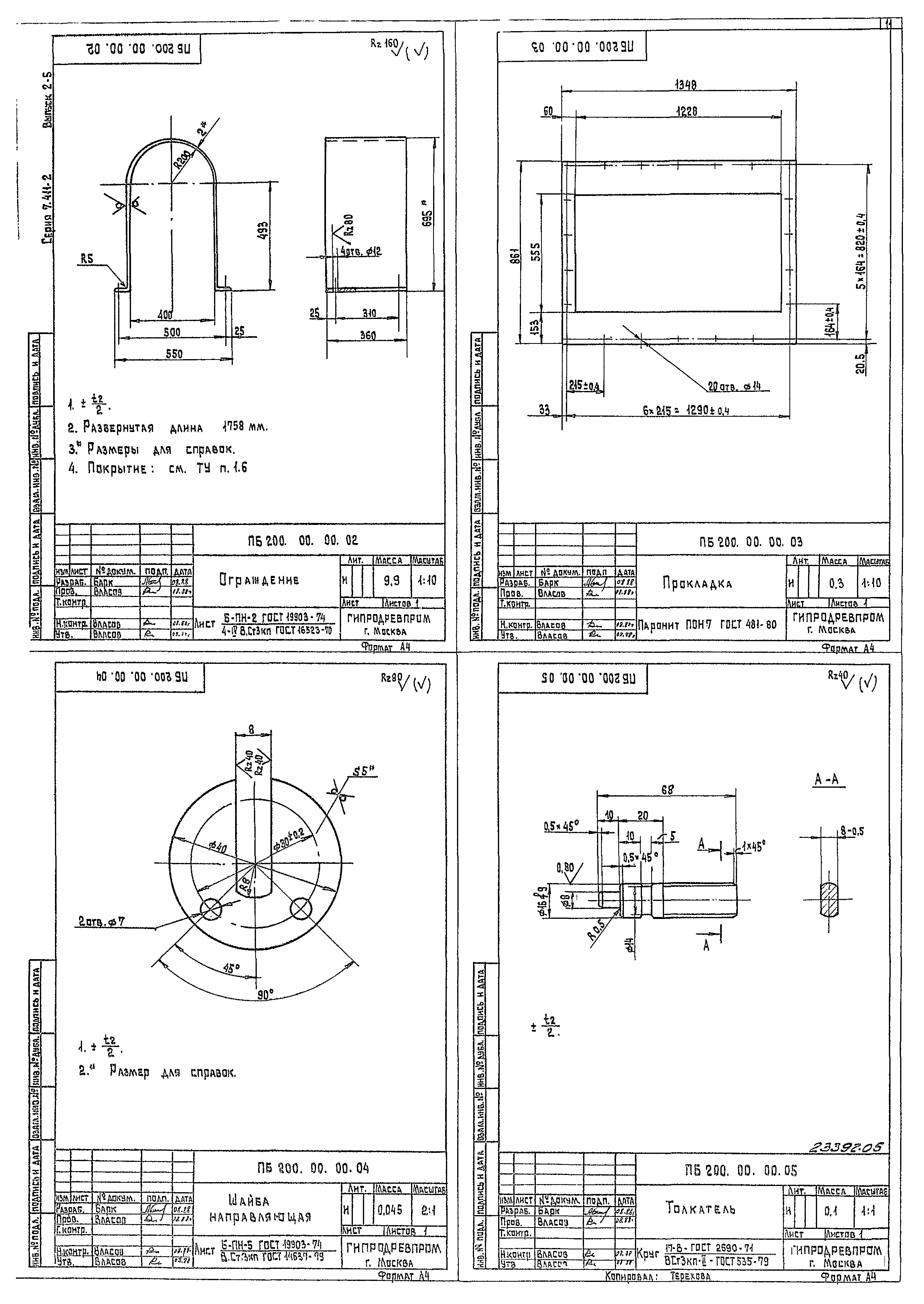
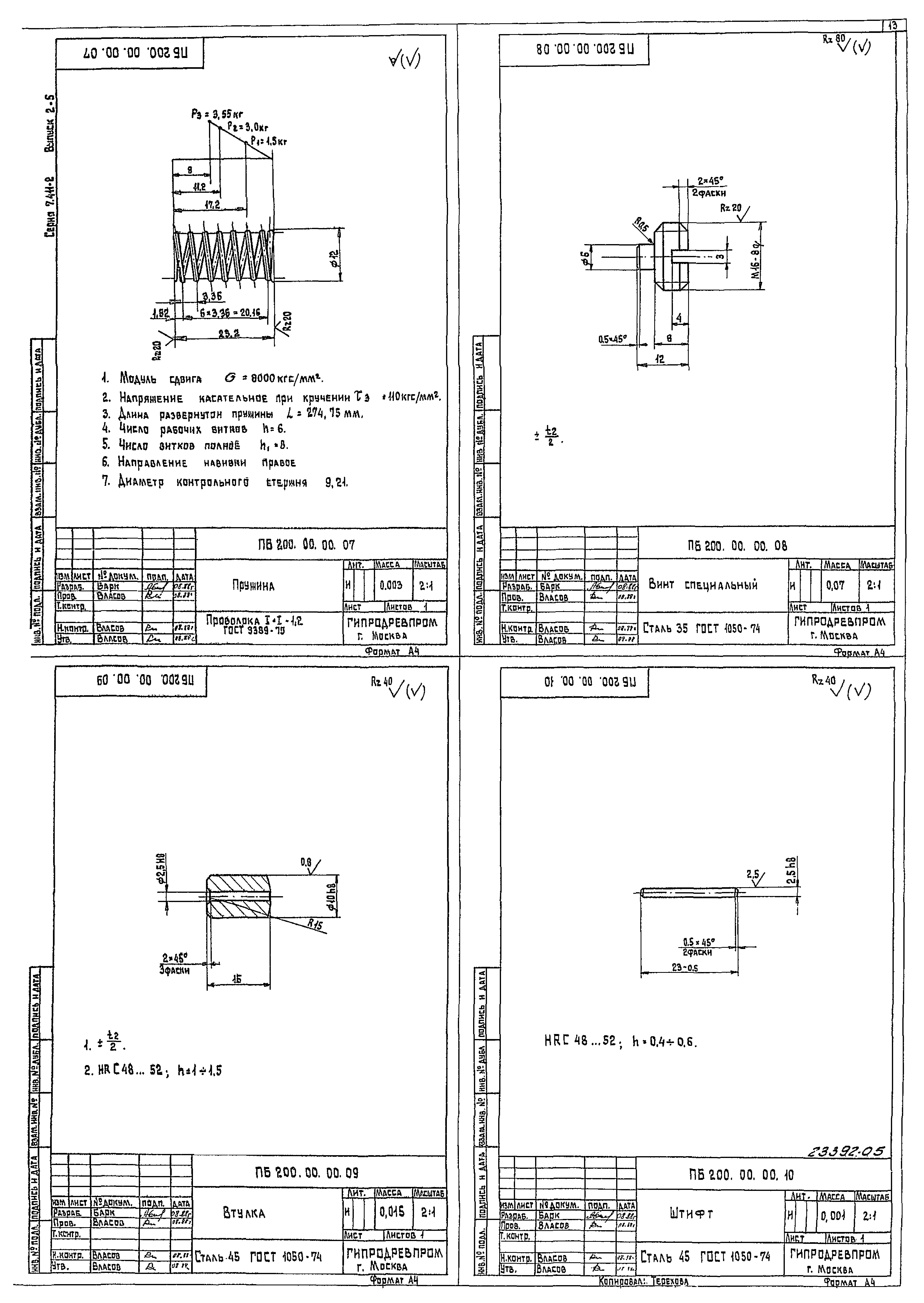
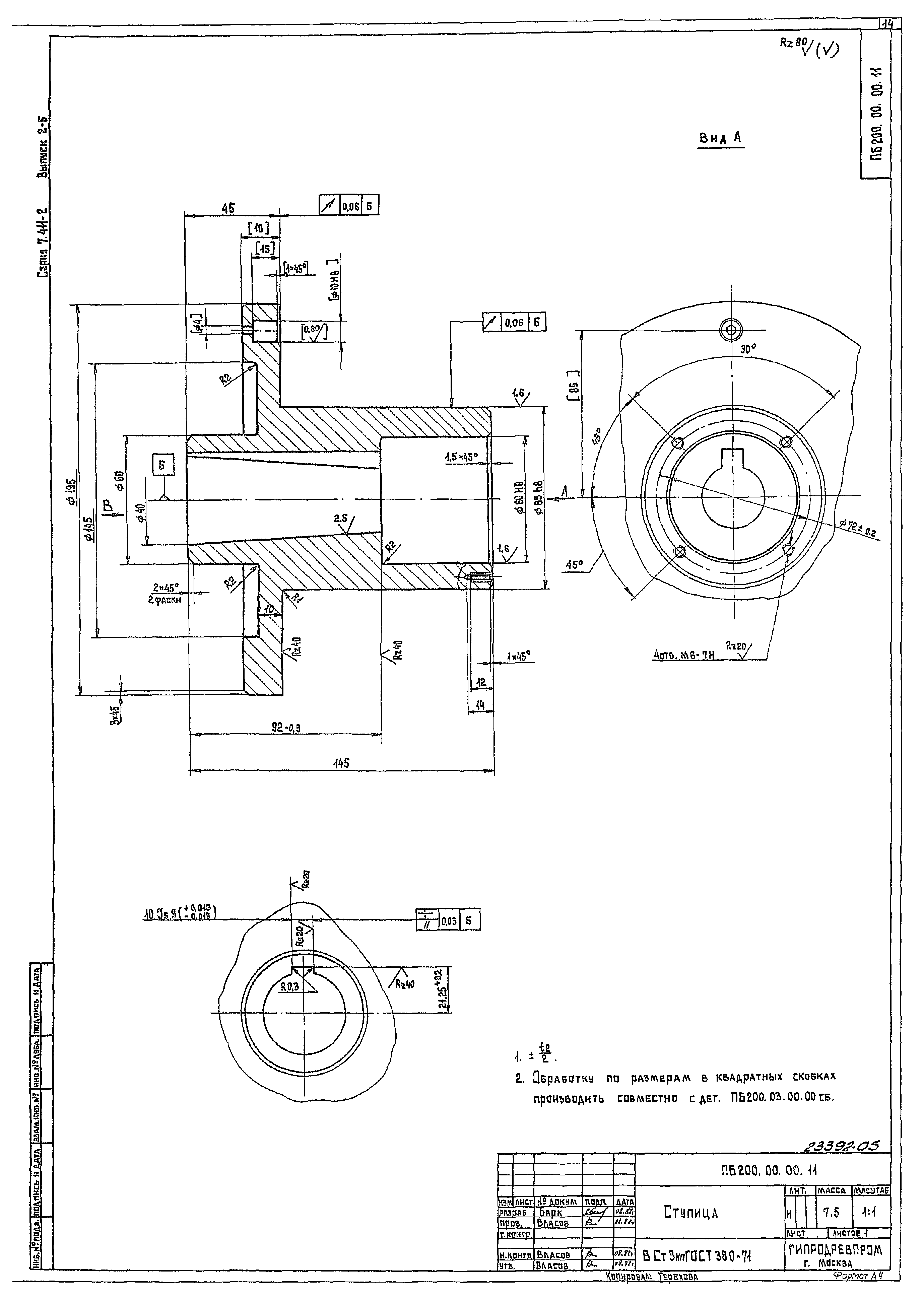
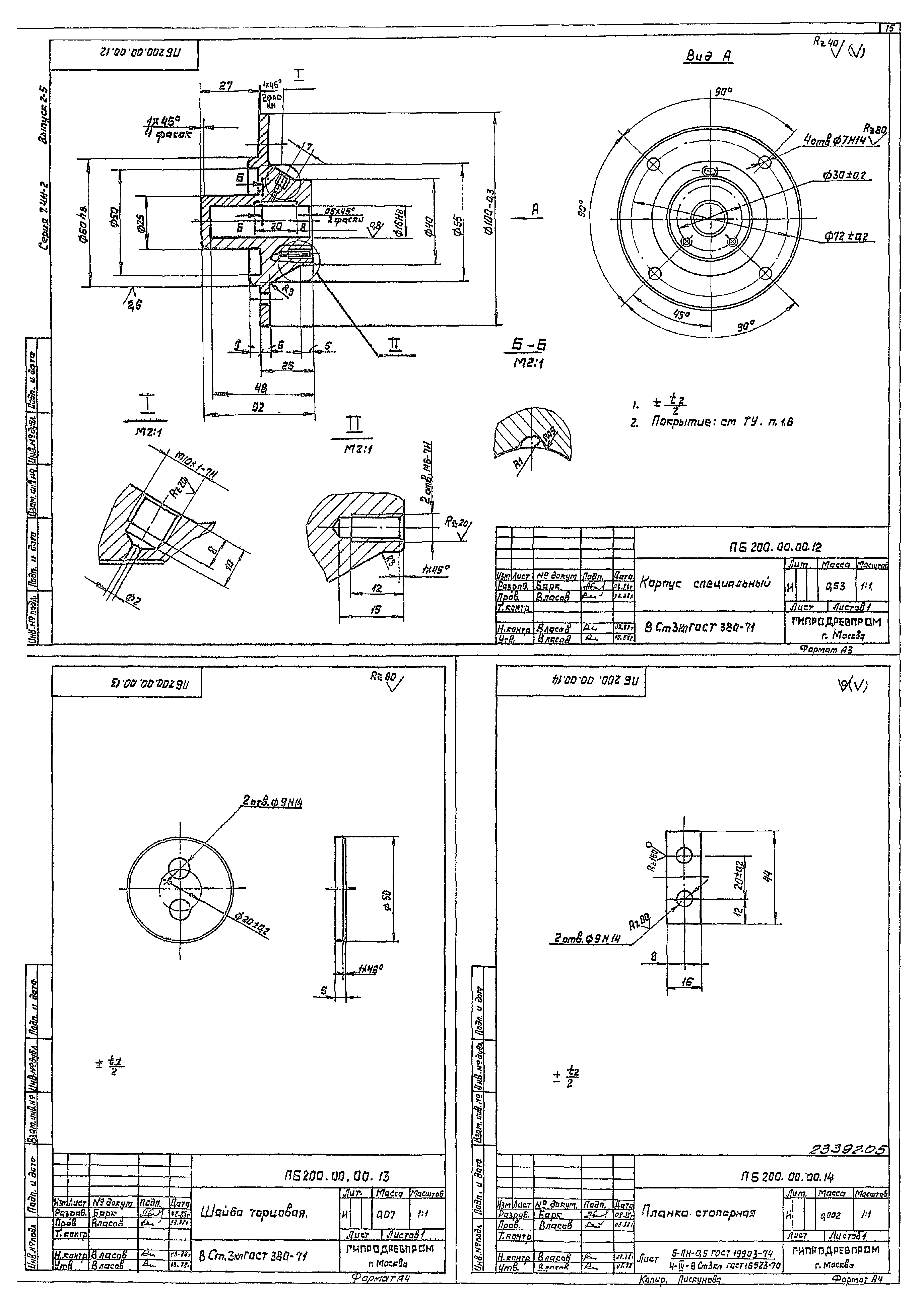
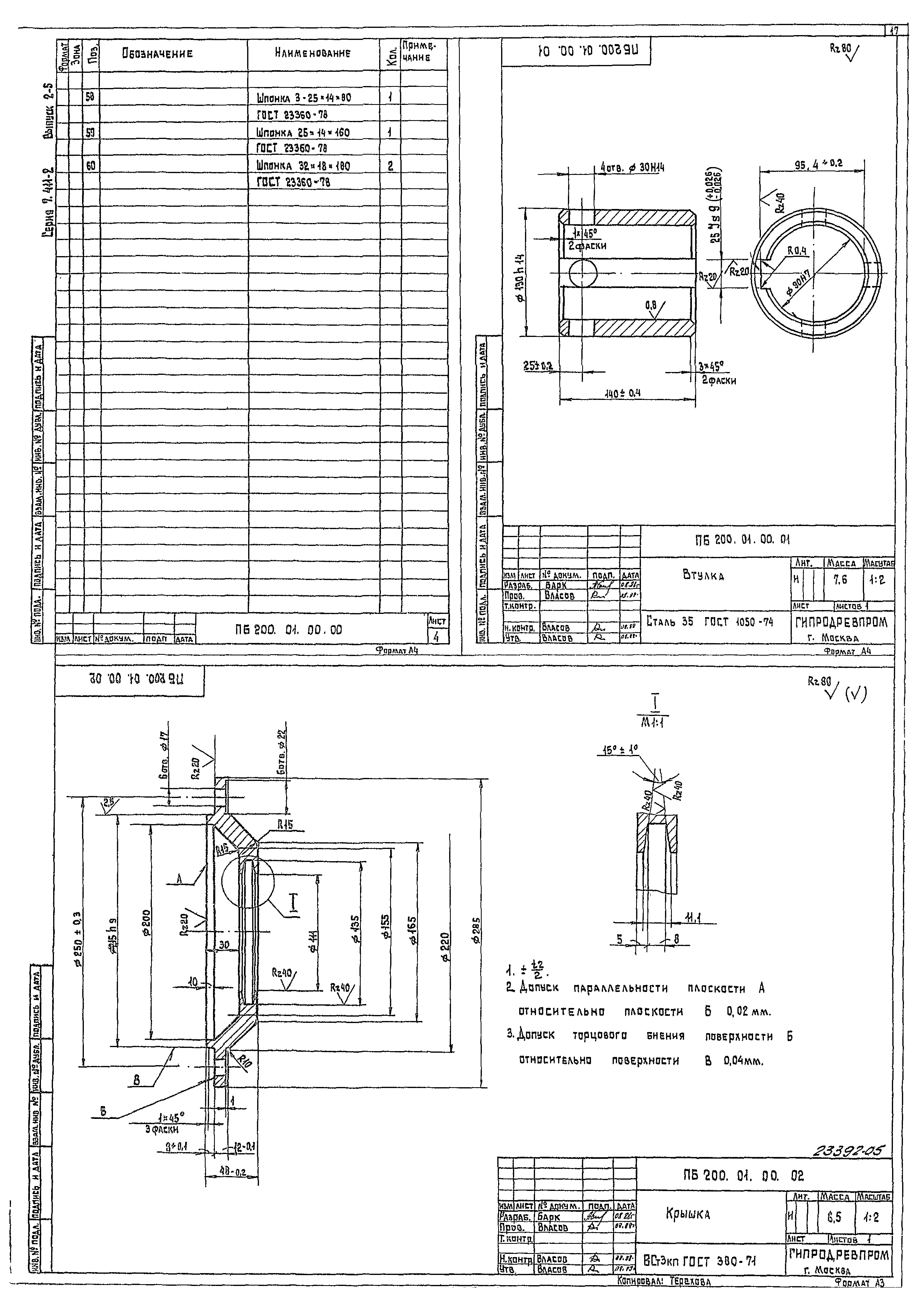
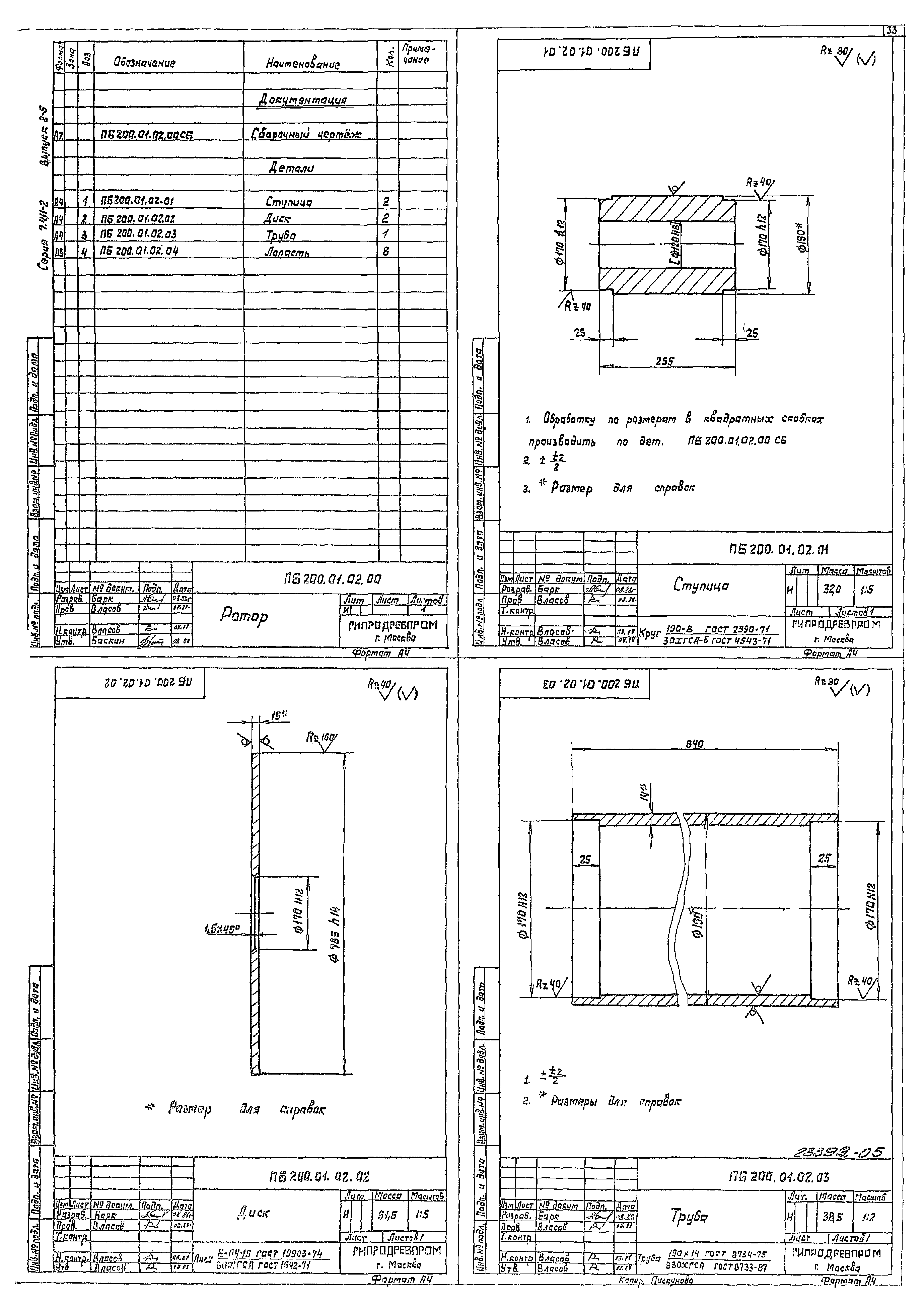
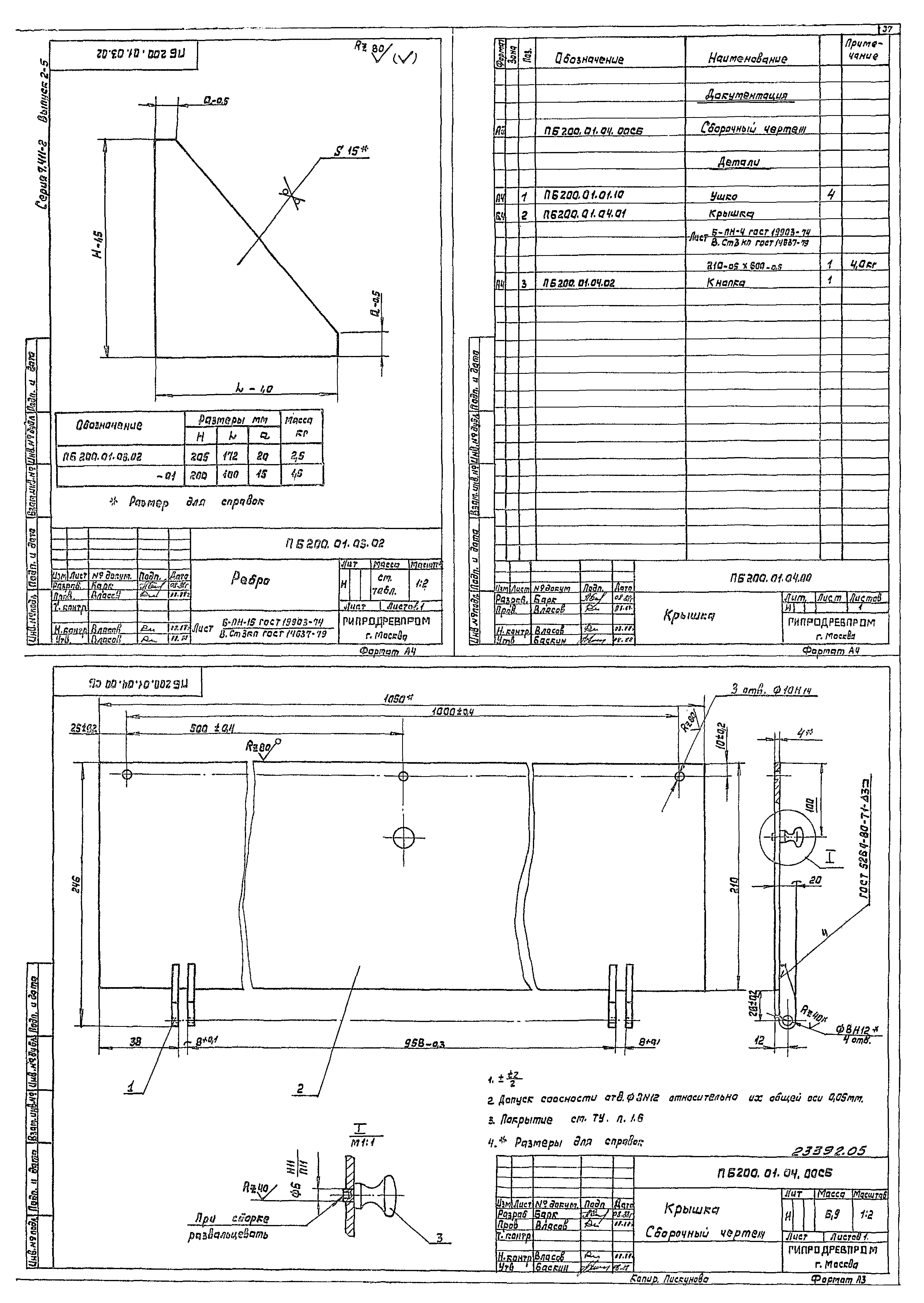
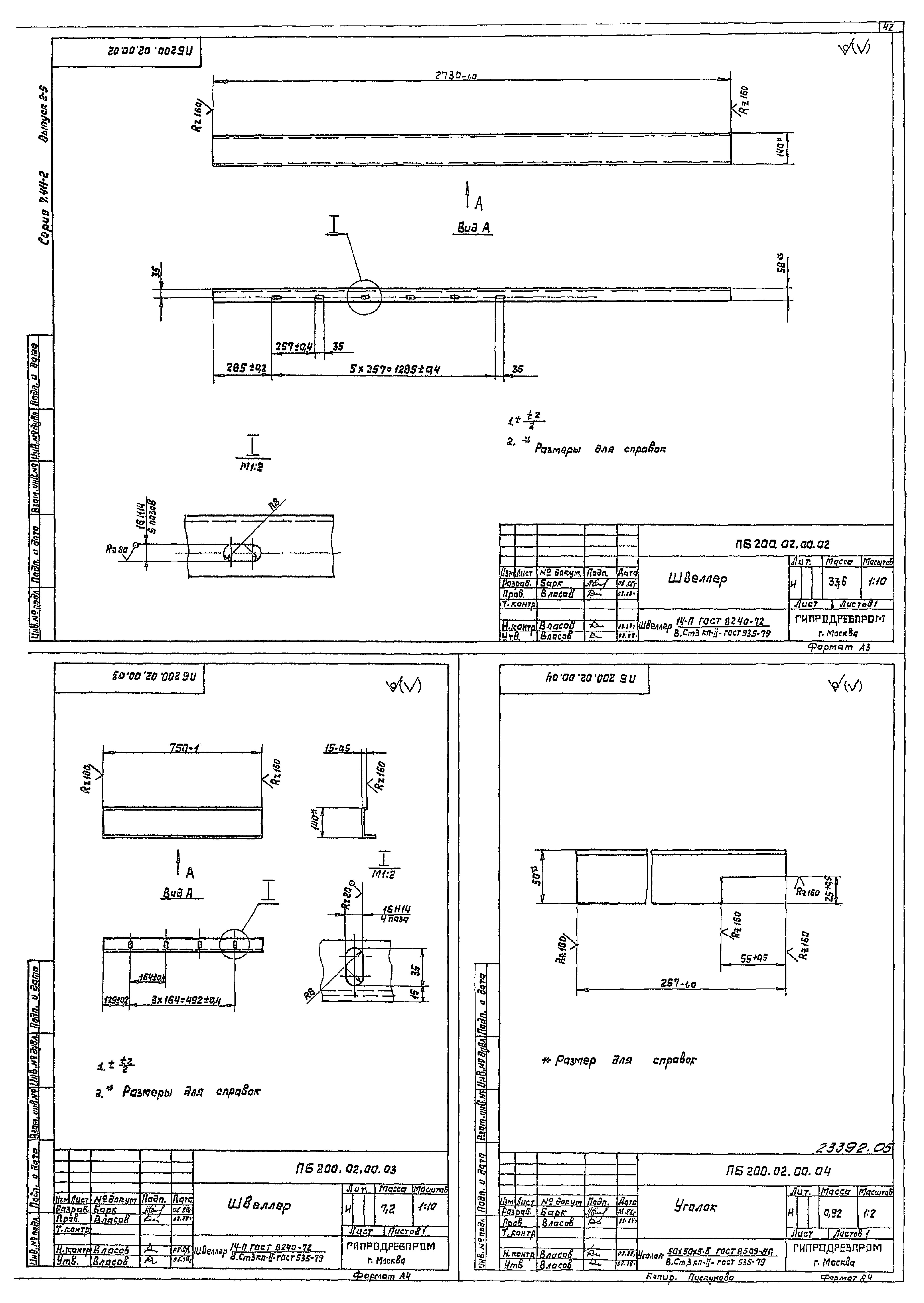
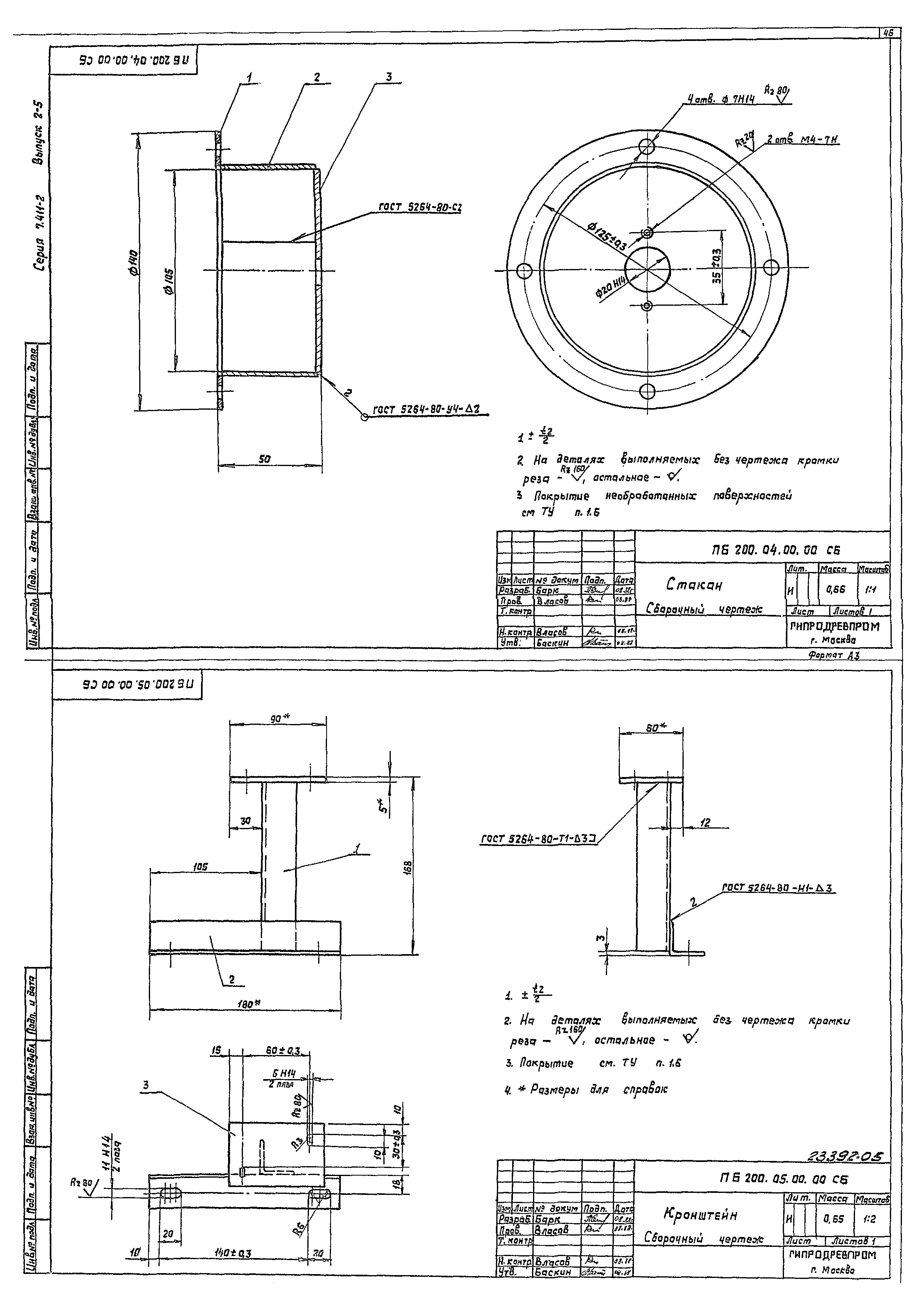
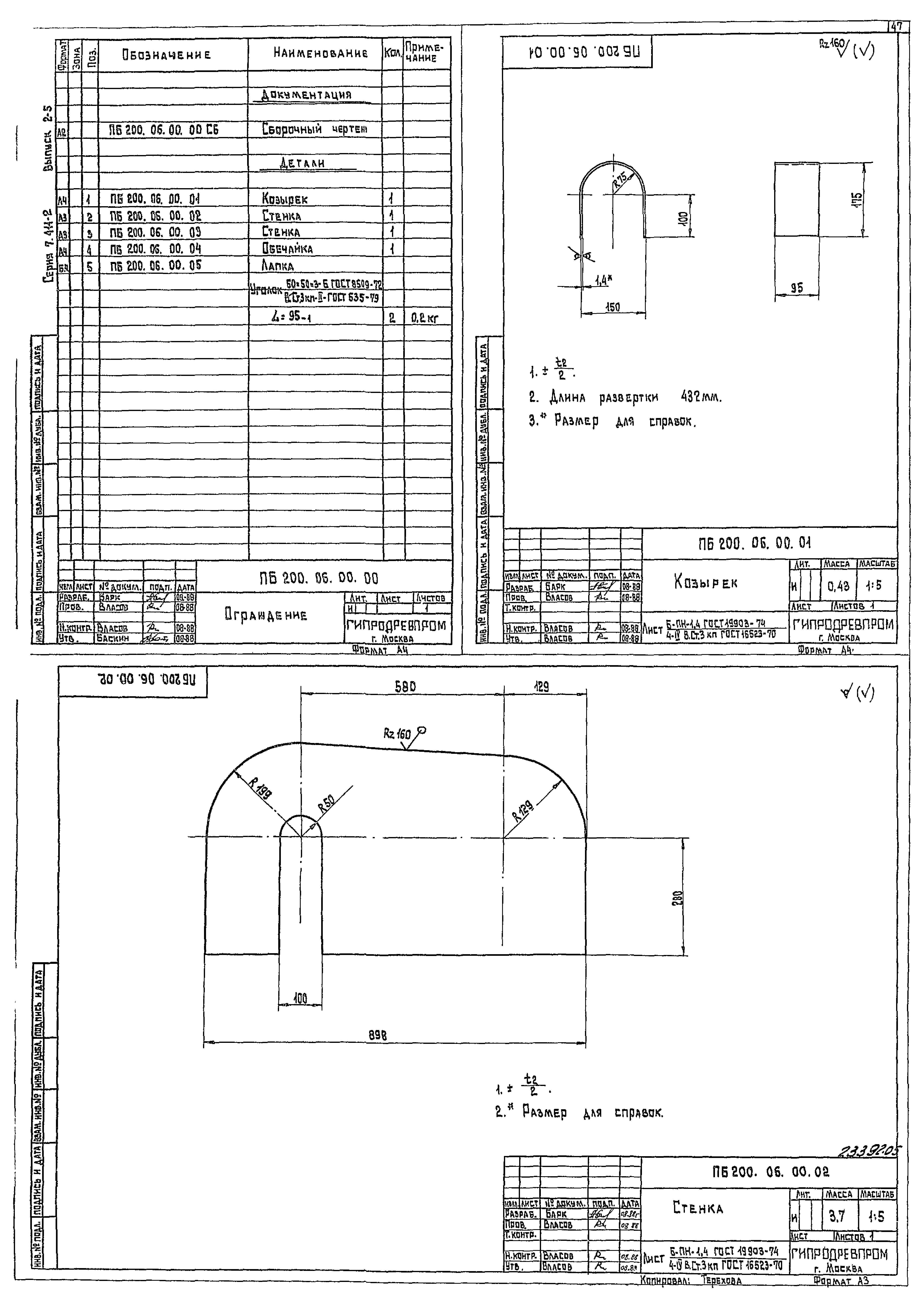
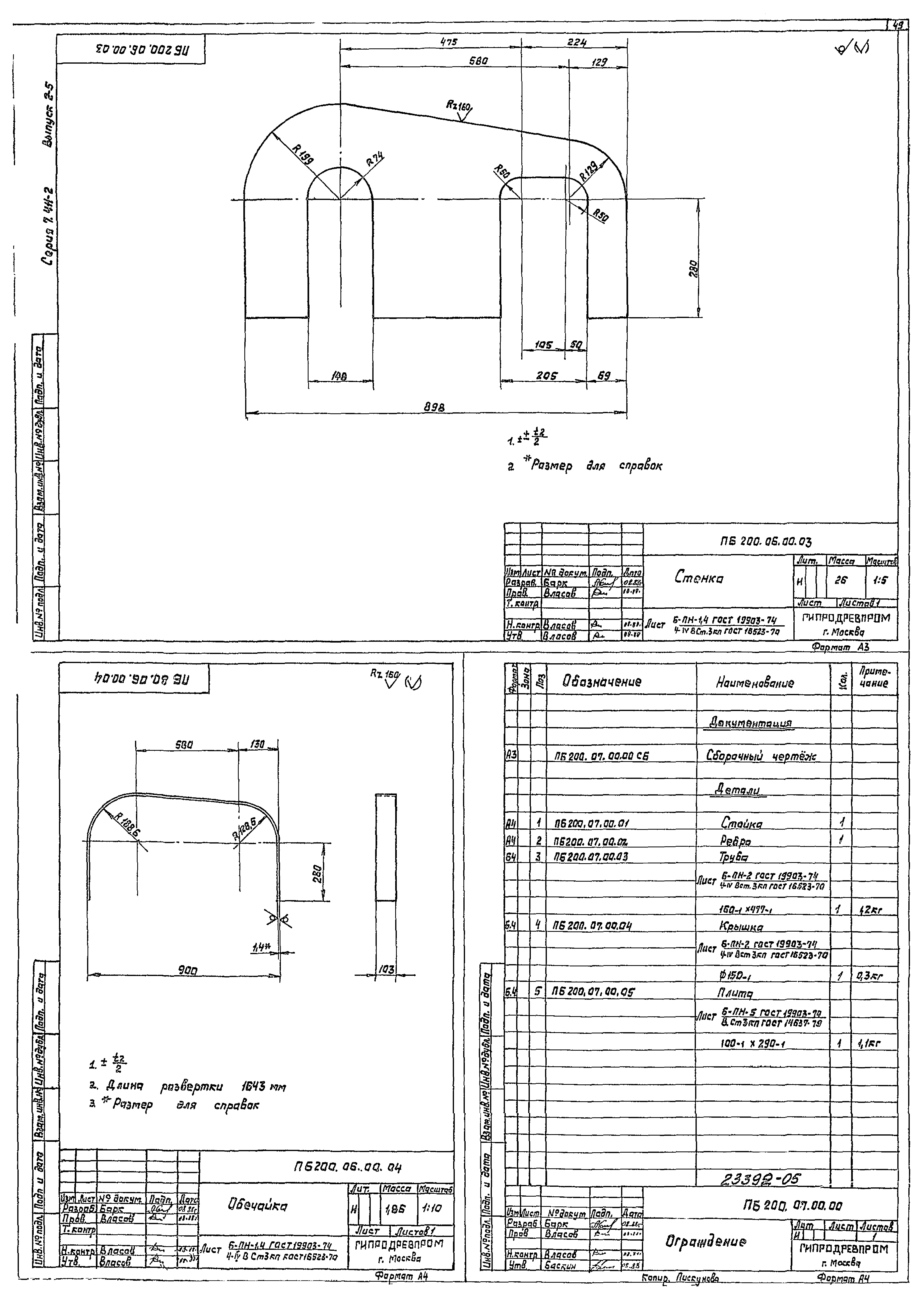
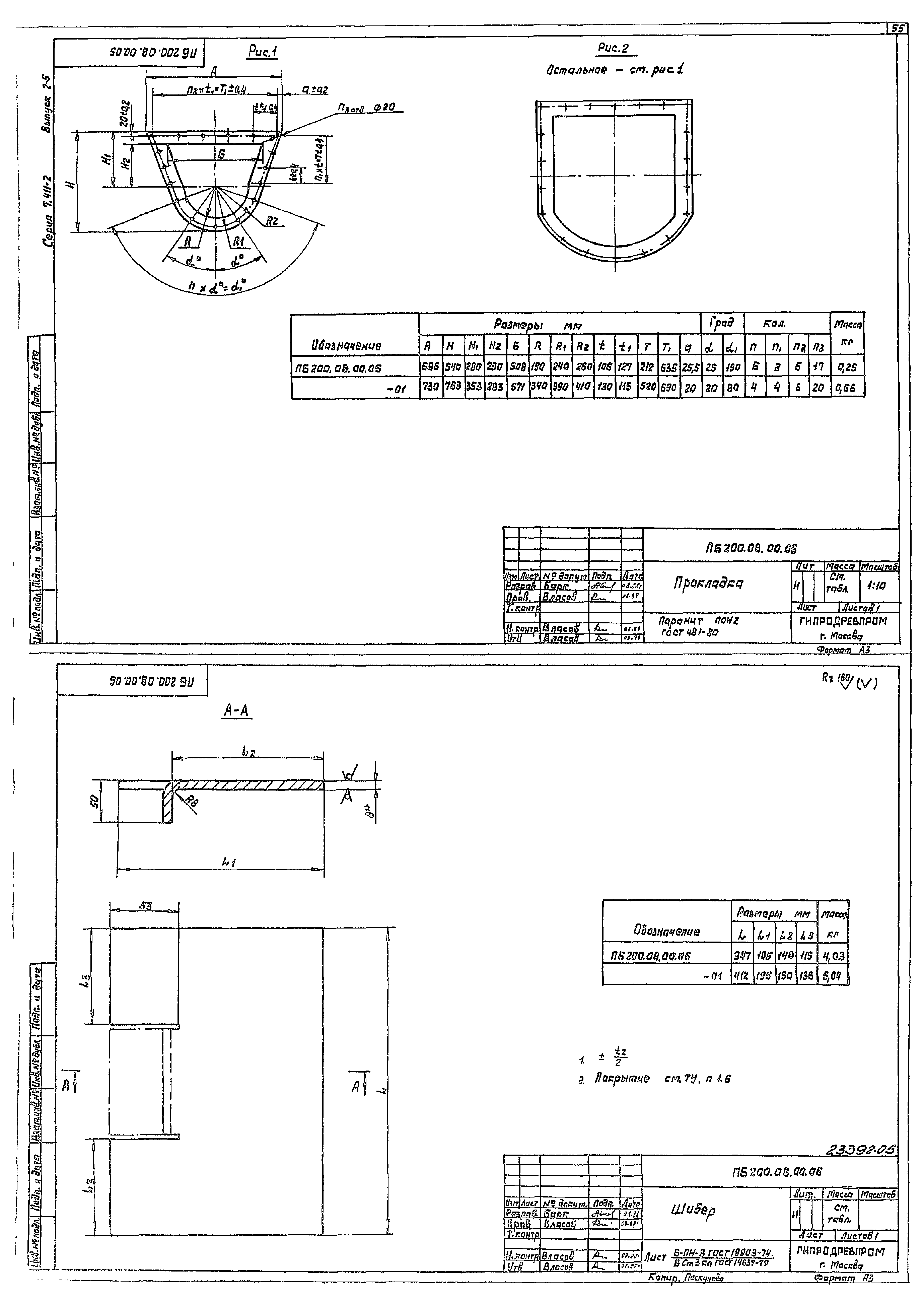
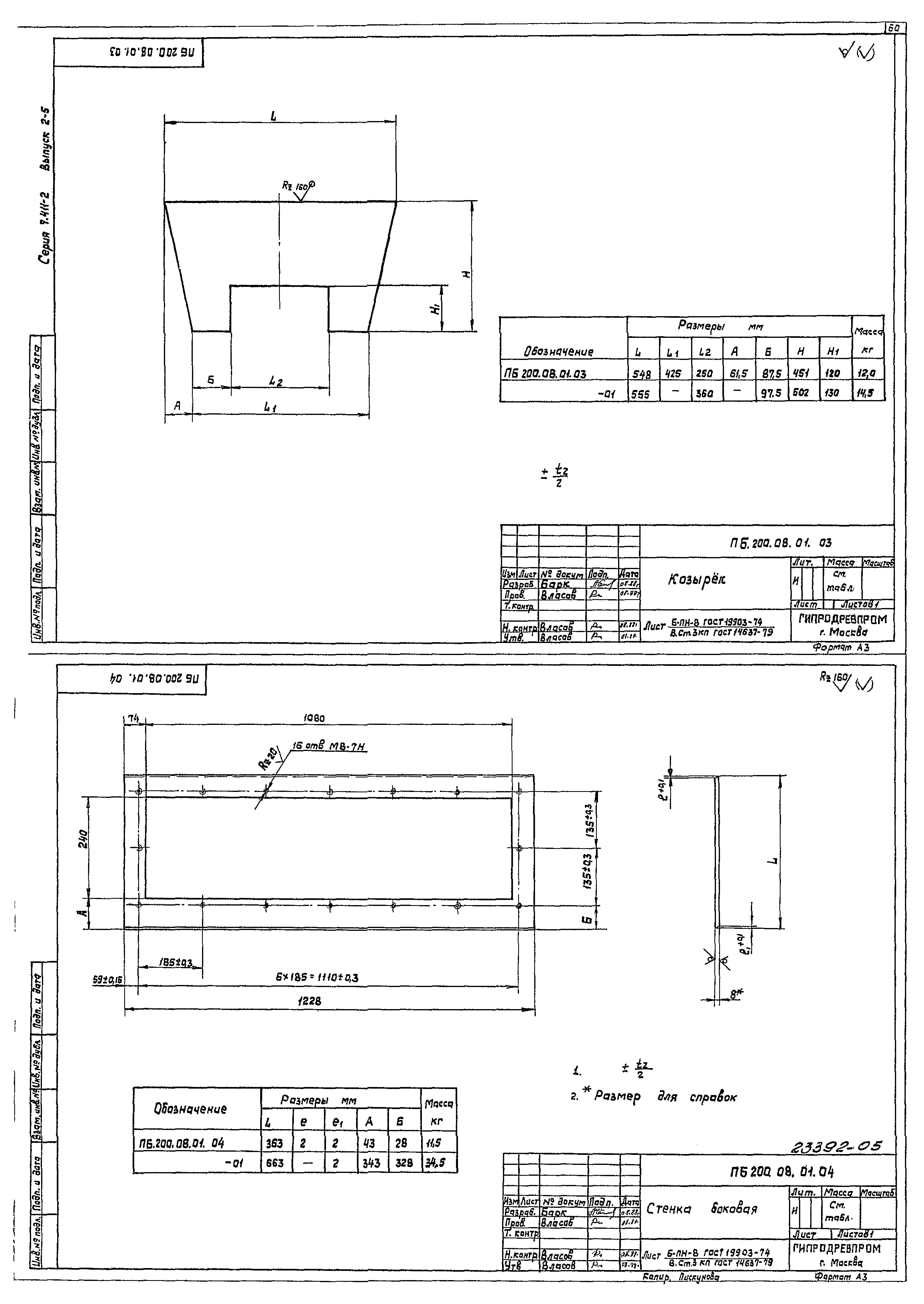
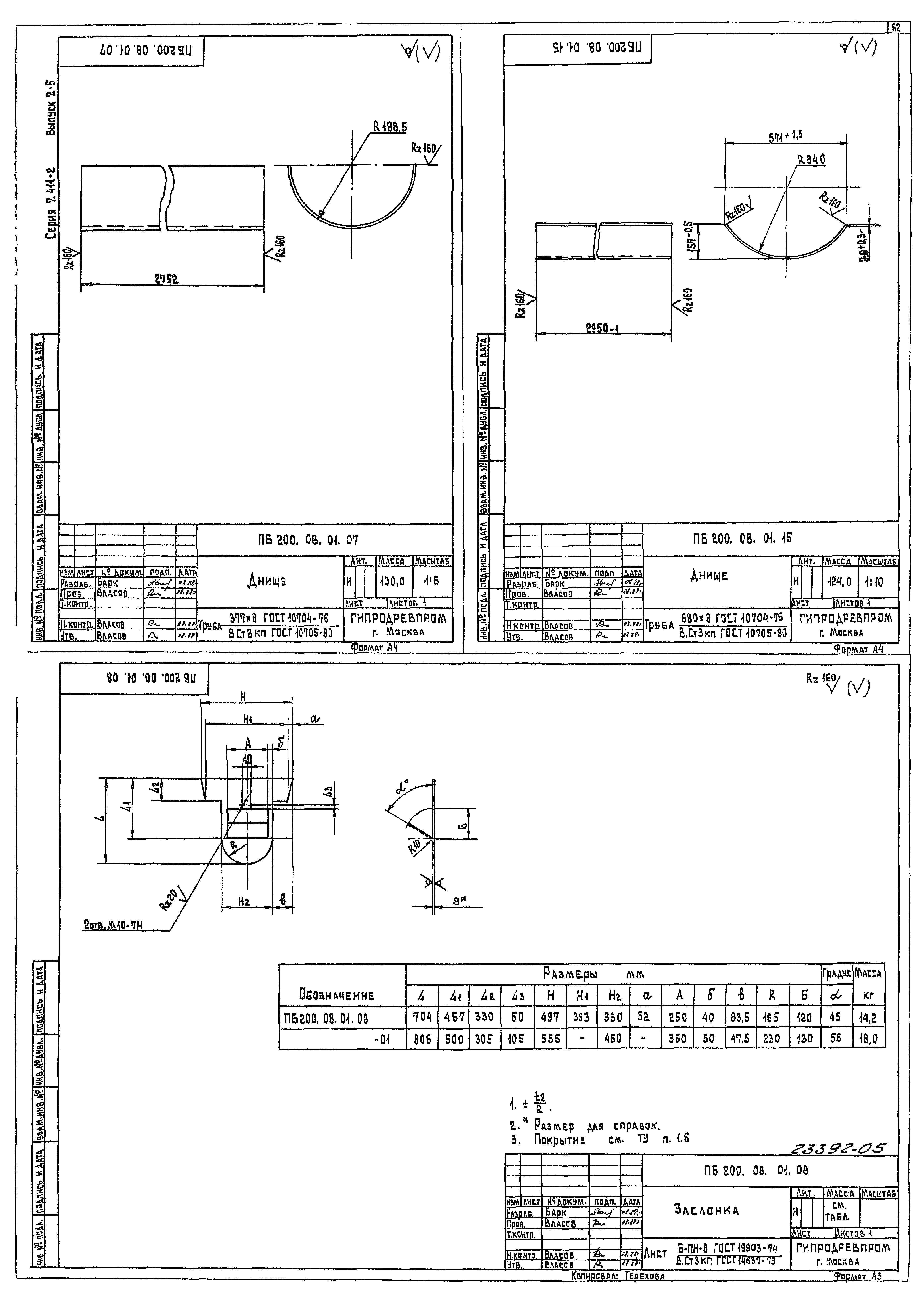
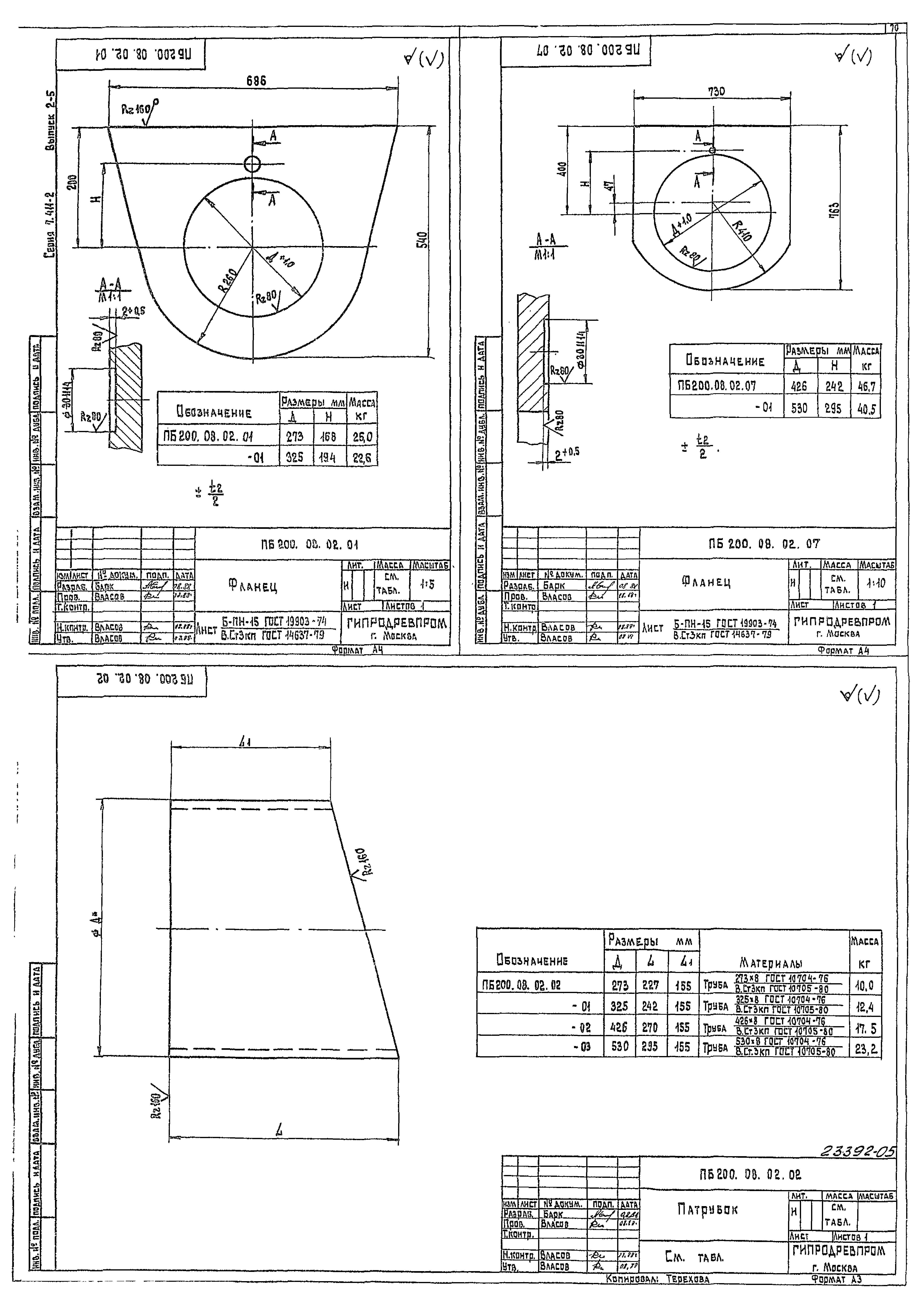
| Оглавление: | Содержание ПБ200.00.00.00ТУ Технические условия ПБ200.00.00.00 Питатель барабанный ПБ200 ПБ200.00.00.01 Прокладка ПБ200.00.00.00СБ Питатель барабанный Сборочный чертеж ПБ200.00.00.02 Ограждение ПБ200.00.00.03 Прокладка ПБ200.00.00.04 Шайба направляющая ПБ200.00.00.05 Толкатель ПБ200.00.00.06 Шкив ПБ200.00.00.07 Пружина ПБ200.00.00.08 Винт специальный ПБ200.00.00.09 Втулка ПБ200.00.00.10 Штифт ПБ200.00.00.11 Ступица ПБ200.00.00.12 Корпус специальный ПБ200.00.00.13 Шайба торцовая ПБ200.00.00.14 Планка стопорная ПБ200.00.00.15 Прокладка ПБ200.01.00.00 Питатель ПБ200.01.00.01 Втулка ПБ200.01.00.02 Крышка ПБ200.01.00.00СБ Питатель. Сборочный чертеж ПБ200.01.00.03 Вал ПБ200.01.00.04 Прокладка ПБ200.01.00.05 Полукольцо ПБ200.01.00.06 Крышка сальника ПБ200.01.00.07 Штуцер ПБ200.01.00.08 Гайка ПБ200.01.00.09 Ниппель ПБ200.01.00.10 Планка прижимная ПБ200.01.00.11 Нож ПБ200.01.00.12 Нож ПБ200.01.00.13 Кольцо ПБ200.01.00.14 Эксцентрик ПБ200.01.00.15 Сектор ПБ200.01.00.16 Палец ПБ200.01.00.17 Шайба ПБ200.01.00.18 Болт ПБ200.01.04.02 Кнопка ПБ200.01.00.19 Прокладка ПБ200.01.01.00 Корпус питателя ПБ200.01.01.00СБ Корпус питателя. Сборочный чертеж ПБ200.01.01.01 Труба ПБ200.01.01.02 Ребро ПБ200.01.01.03 Фланец ПБ200.01.01.04 Ребро ПБ200.01.01.05 Ребро ПБ200.01.01.06 Ребро ПБ200.01.01.07 Стенка ПБ200.01.01.08 Ребро ПБ200.01.01.09 Ребро ПБ200.01.01.10 Ушко ПБ200.01.01.11 Планка ПБ200.01.02.00 Ротор ПБ200.01.02.01 Ступица ПБ200.01.02.02 Диск ПБ200.01.02.03 Труба ПБ200.01.02.00СБ Ротор. Сборочный чертеж ПБ200.01.02.04 Лопасть ПБ200.01.03.00 Крышка корпуса ПБ200.01.03.01 Полукольцо ПБ200.01.03.00СБ Крышка корпуса. Сборочный чертеж ПБ200.01.03.02 Ребро ПБ200.01.04.00 Крышка ПБ200.01.04.00СБ Крышка. Сборочный чертеж ПБ200.01.05.00 Крышка ПБ200.01.05.01 Прокладка ПБ200.01.05.00СБ Крышка. Сборочный чертеж ПБ200.02.00.00 Рама ПБ200.02.00.01 Швеллер ПБ200.02.00.00СБ Рама. Сборочный чертеж ПБ200.02.00.02 Швеллер ПБ200.02.00.03 Швеллер ПБ200.02.00.04 Уголок ПБ200.02.00.05 Уголок ПБ200.02.00.06 Косынка ПБ200.03.00.00 Шкив в сборе ПБ200.03.00.01 Втулка ПБ200.03.00.00СБ Шкив в сборе. Сборочный чертеж ПБ200.04.00.00 Стакан ПБ200.05.00.00 Кронштейн ПБ200.03.00.02 Шкив ПБ200.04.00.00СБ Стакан. Сборочный чертеж ПБ200.05.00.00СБ Кронштейн. Сборочный чертеж ПБ200.06.00.00 Ограждение ПБ200.06.00.01 Козырек ПБ200.06.00.02 Стенка ПБ200.06.00.00СБ Ограждение. Сборочный чертеж ПБ200.06.00.03 Стенка ПБ200.06.00.04 Обечайка ПБ200.07.00.00 Ограждение ПБ200.07.00.00СБ Ограждение. Сборочный чертеж ПБ200.07.00.01 Стойка ПБ200.07.00.02 Ребро ПБ200.08.00.00 Тройник питательный ПБ200.08.00.00СБ Тройник питательный. Сборочный чертеж ПБ200.08.00.01 Прокладка ПБ200.08.00.02 Упор ПБ200.08.00.03 Болт ПБ200.08.00.04 Прокладка ПБ200.08.00.05 Прокладка ПБ200.08.00.06 Шибер ПБ200.08.01.00 Корпус ПБ200.08.01.00СБ Корпус. Сборочный чертеж ПБ200.08.01.01 Фланец ПБ200.08.01.02 Стенка ПБ200.08.01.03 Козырек ПБ200.08.01.04 Стенка боковая ПБ200.08.01.05 Стенка боковая ПБ200.08.01.06 Стенка боковая ПБ200.08.01.07 Днище ПБ200.08.01.08 Заслонка ПБ200.08.01.15 Днище ПБ200.08.01.09 Лист верхний ПБ200.08.01.10 Стенка ПБ200.08.01.11 Переходник ПБ200.08.01.12 Обечайка ПБ200.08.01.13 Переходник ПБ200.08.01.16 Стенка ПБ200.08.01.14 Обечайка ПБ200.08.01.17 Стенка ПБ200.08.01/I.00 Направляющая ПБ200.08.01/I.00СБ Направляющая. Сборочный чертеж ПБ200.08.01/I.01 Полоса ПБ200.08.02.00 Установка обратного клапана ПБ200.08.02.00СБ Установка обратного клапана. Сборочный чертеж ПБ200.08.02.01 Фланец ПБ200.08.02.02 Патрубок ПБ200.08.02.07 Фланец ПБ200.08.08.03 Бобышка ПБ200.08.08.04 Ось ПБ200.08.08.05 Втулка ПБ200.08.08.06 Шайба ПБ200.08.02/I.00 Заслонка ПБ200.08.02/I.00СБ Заслонка. Сборочный чертеж ПБ200.08.02/I.01 Ребро ПБ200.08.02/I.02 Диск ПБ200.08.03.00 Крышка ПБ200.08.03.01 Крышка ПБ200.08.03.00СБ Крышка. Сборочный чертеж ПБ200.08.03.02 Ручка ПБ200.08.04.00 Крышка ПБ200.08.04.00СБ Крышка. Сборочный чертеж ПБ200.08.04.01 Крышка ПБ200.08.04.02 Ручка ПБ200.00.00.00ВП Питатель барабанный. Ведомость покупных изделий ПБ200.00.00.17 Планка |
| Разработан: | Гипродревпром Минлеспрома СССР |
| Утверждён: | 30.08.1988 Минлеспром СССР (USSR Minlesprom 4-08) |












































































