Скачать Типовой проект 409-28-40 Альбом I. Часть 1. Общая пояснительная записка. Технологическая часть. Автоматизация тепловых процессовДата актуализации: 01.01.2021
|
| Обозначение: | Типовой проект 409-28-40 |
| Обозначение англ: | 409-28-40 |
| Статус: | действует |
| Название рус.: | Альбом I. Часть 1. Общая пояснительная записка. Технологическая часть. Автоматизация тепловых процессов |
| Дата добавления в базу: | 01.10.2014 |
| Дата актуализации: | 01.01.2021 |
| Дата введения: | 18.09.1981 |
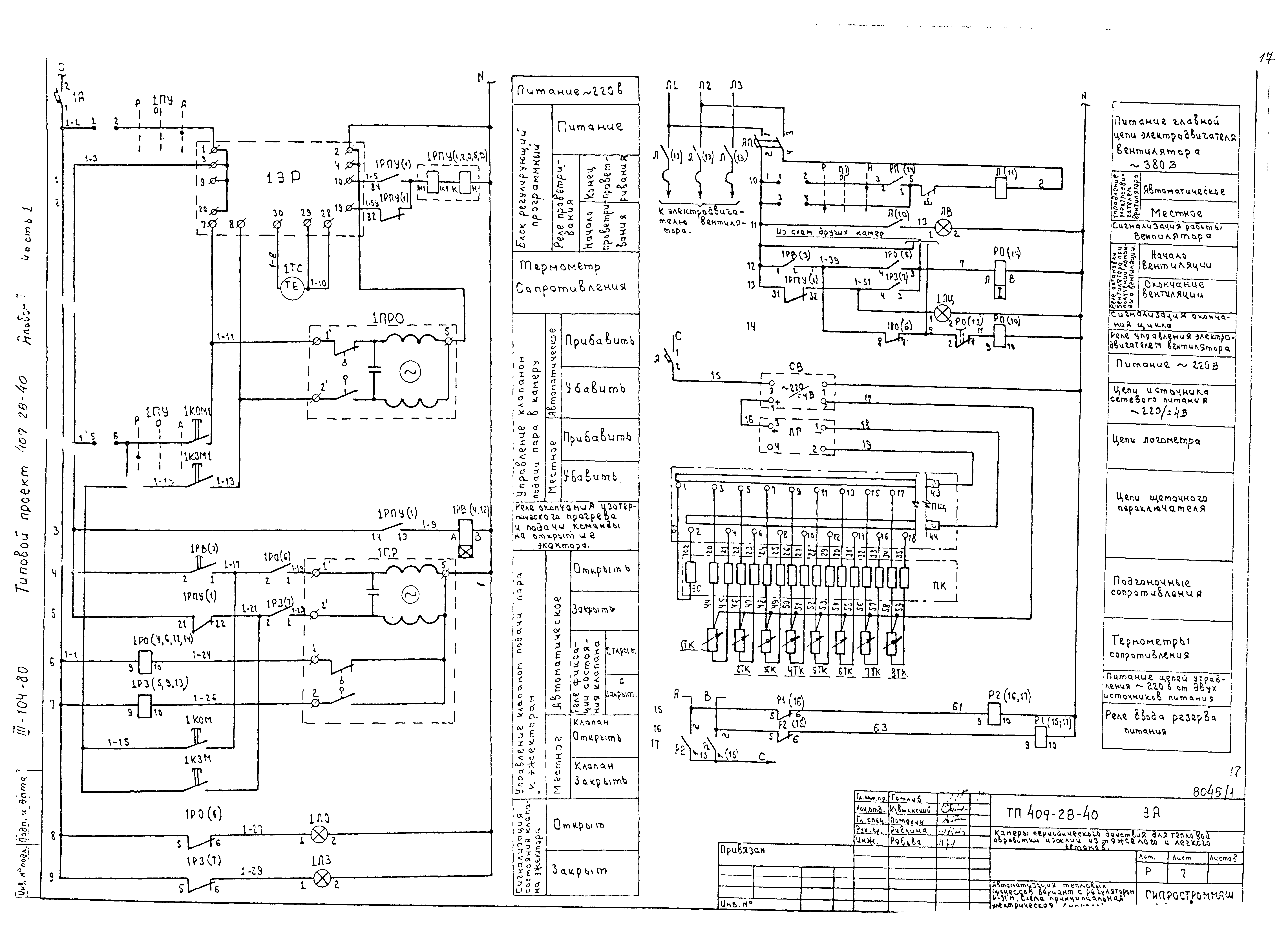
| Оглавление: | Общая пояснительная записка Технологическая часть Общие данные. Пояснительная записка Возможные схемы компоновки камер Вариант с механизированным открыванием крышки при помощи гидроцилиндров Автоматизация тепловых процессов. Часть I Общие данные Пояснительная записка Вариант с регулятором Р-31М. Схема функциональная Вариант с регулятором Р-31М. Схема принципиальная электрическая Вариант с регулятором Р-31М. Щит АК. Схема соединений клеммников щита Вариант с регулятором Р-31М. Схема подключения. Кабельный журнал. План Вариант с установкой ПУСК-3П. Схема функциональная Вариант с установкой ПУСК-3П. Схема подключения вентилятора Вариант с установкой ПУСК-3П. Схема подключения |
| Разработан: | Гипростроммаш Минстройдормаша ВНИИжелезобетон |
| Утверждён: | 06.08.1981 Госстрой СССР (61) |
| Заменяет собой: |
|






















