Скачать Типовой проект 409-28-40 Альбом VIII. Часть 1. Строительные изделия камер типов I - V. Вариант в монолитном керамзитобетонеДата актуализации: 01.01.2021
|
| Обозначение: | Типовой проект 409-28-40 |
| Обозначение англ: | 409-28-40 |
| Статус: | действует |
| Название рус.: | Альбом VIII. Часть 1. Строительные изделия камер типов I - V. Вариант в монолитном керамзитобетоне |
| Дата добавления в базу: | 01.10.2014 |
| Дата актуализации: | 01.01.2021 |
| Дата введения: | 18.09.1981 |
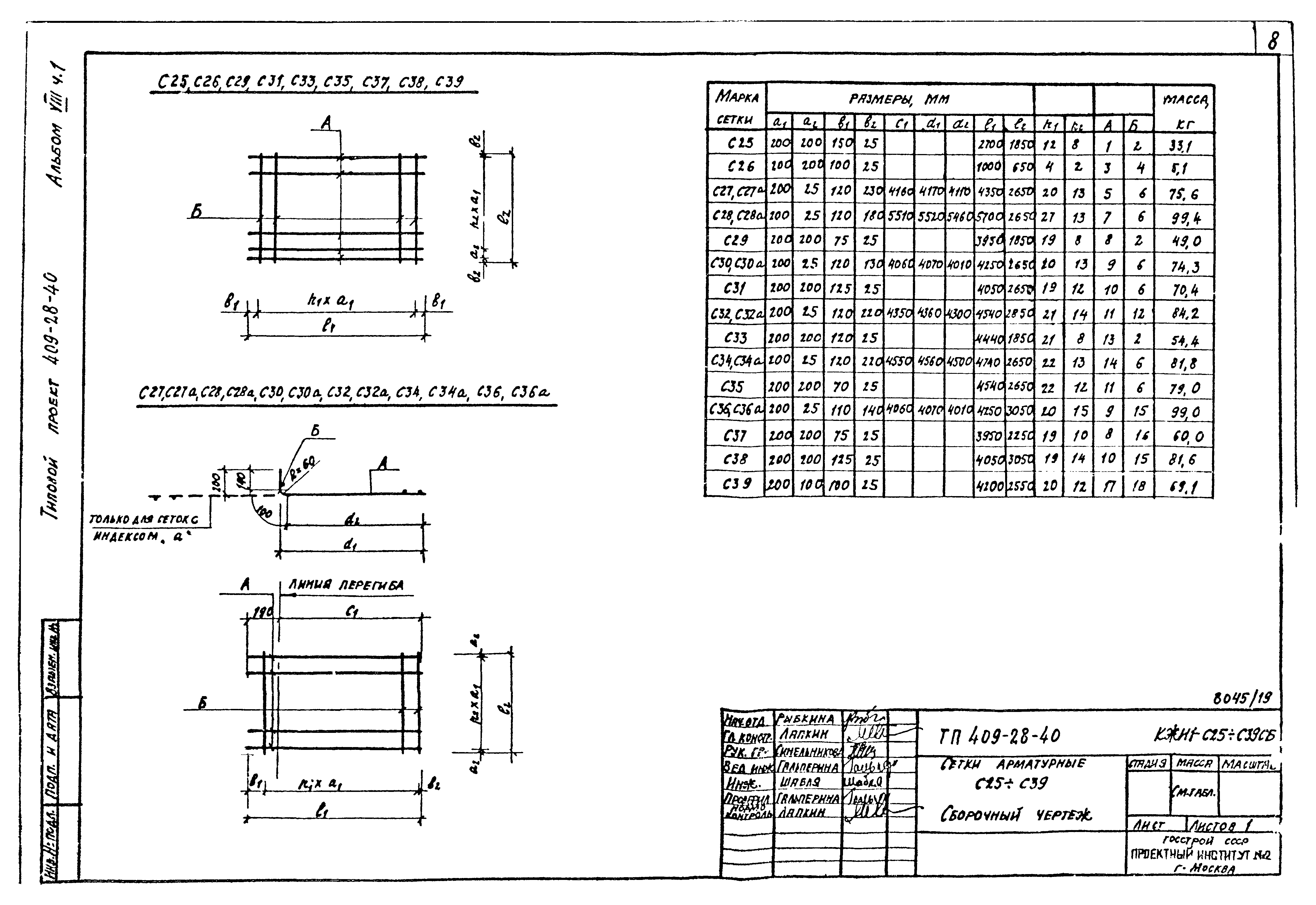
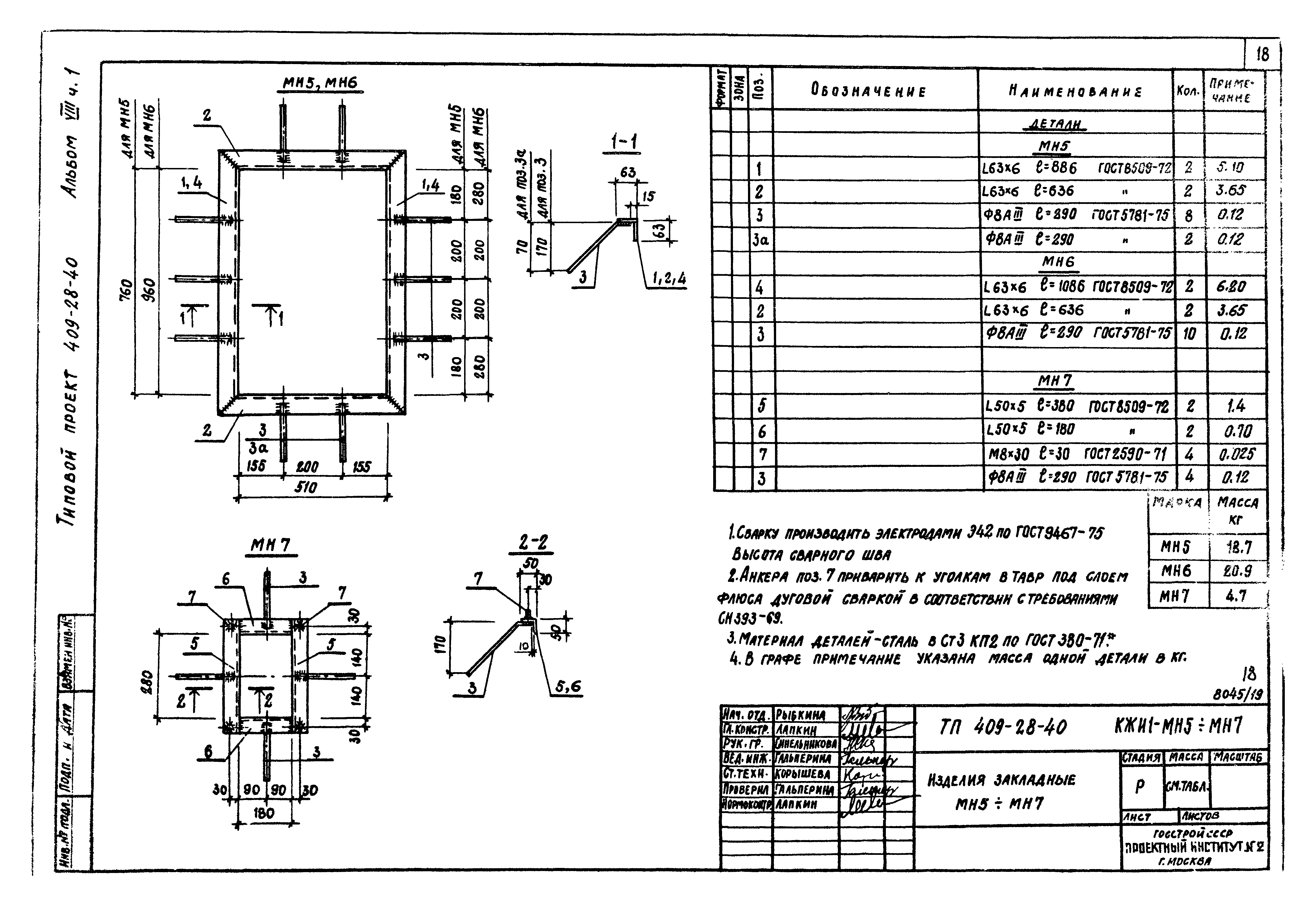
| Оглавление: | Содержание альбома КЖИ1-С1 - С7 Сетки арматурные С1 - С7 КЖИ1-С1 - С7СБ Сетки арматурные С1 - С7. Сборочный чертеж КЖИ1-С1а, С1б, С18 - С24 Сетки арматурные С1а, С1б, С18 - С24 КЖИ1-С1а, С1б, С18 - С24СБ Сетки арматурные С1а, С1б, С18 - С24. Сборочный чертеж КЖИ1-С25 - С39 Сетки арматурные С25 - С39 КЖИ1-С25 - С39СБ Сетки арматурные С25 - С39. Сборочный чертеж КЖИ1-С40 - С42 Сетки арматурные С40 - С42 КЖИ1-КП1 - КП11 Каркасы пространственные КП1 - КП11 КЖИ1-КП1 - КП11СБ Каркасы пространственные КП1 - КП11. Сборочный чертеж КЖИ1-КР1 - КР12 Каркасы плоские КР1 - КР12 КЖИ1-КР1 - КР12СБ Каркасы плоские КР1 - КР12. Сборочный чертеж КЖИ1-КП12, КП13 Каркасы пространственные КП12, КП13 КЖИ1-КР13 - КР15, А1 Каркасы плоские КР13 - КР15. Анкер А1 КЖИ1-МН1 - МН4, МС1 - МС5 Изделия закладные МН1 - МН4. Изделия соединительные МС1 - МС5 КЖИ1-МН5 - МН7 Изделия закладные МН5 - МН7 КЖИ1-МН8 - МН13 Изделия закладные МН8 - МН13 КЖИ2-С3 - С5, С31 Сетки арматурные С3 - С5, С31 КЖИ2-С6 - С9 Сетки арматурные С6 - С9 КЖИ2-С24 - С30 Сетки арматурные С24 - С30 КЖИ2-КП1 - КП11 Каркасы пространственные КП1 - КП11 КЖИ2-КП1 - КП11СБ Каркасы пространственные КП1 - КП11. Сборочный чертеж КЖИ2-КР1 - КР12 Каркасы плоские КР1 - КР12 КЖИ2-КР1 - КР12СБ Каркасы плоские КР1 - КР12. Сборочный чертеж КЖИ2-КП12, КП13 Каркасы пространственные КП12, КП13 КЖИ2-КР13 - КР15, А1 Каркасы плоские КР13 - КР15. Анкер А1 КЖИ2-КР16 - КР21 Каркасы плоские КР16 - КР21 КЖИ2-МН1 - МН3, МС1 - МС8 Изделия закладные МН1 - МН3. Изделия соединительные МС1 - МС8 КЖИ2-МН5 - МН7, МН13 Изделия закладные МН5 - МН7, МН13 КЖИ2-МН4, МН8 - МН12 Изделия закладные МН4, МН8 - МН12 |
| Разработан: | ВНИИжелезобетон Проектный институт № 2 Госстроя СССР |
| Утверждён: | 06.08.1981 Госстрой СССР (61) |
| Заменяет собой: |
|


































