Скачать Типовой проект 901-6-62 Альбом II. Часть 2. Трехсекционная градирняДата актуализации: 01.01.2021
|
| Обозначение: | Типовой проект 901-6-62 |
| Обозначение англ: | 901-6-62 |
| Статус: | заменен |
| Название рус.: | Альбом II. Часть 2. Трехсекционная градирня |
| Дата добавления в базу: | 01.10.2014 |
| Дата актуализации: | 01.01.2021 |
| Дата введения: | 28.03.1980 |
| Дата окончания срока действия: | 01.07.1990 |
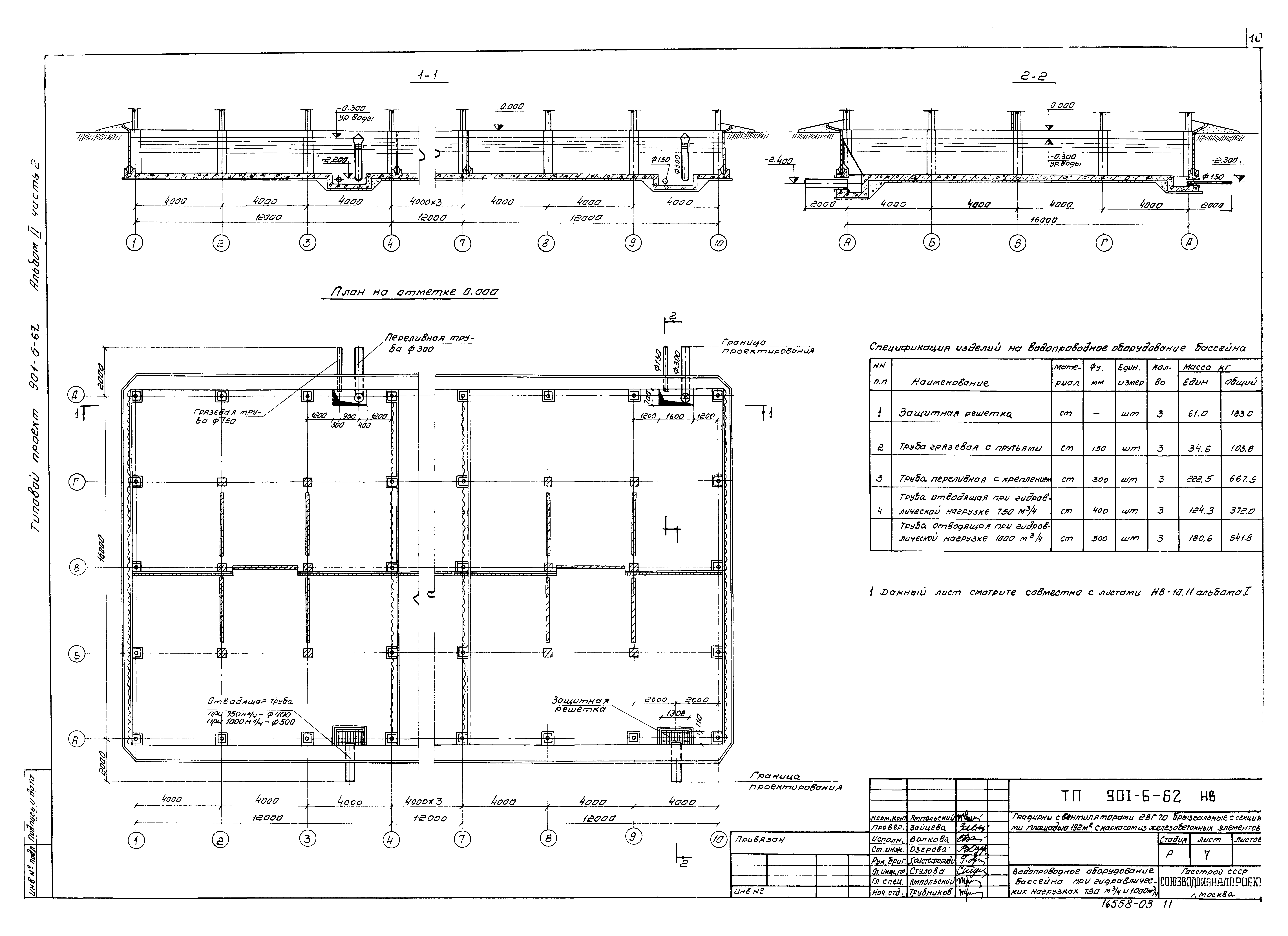
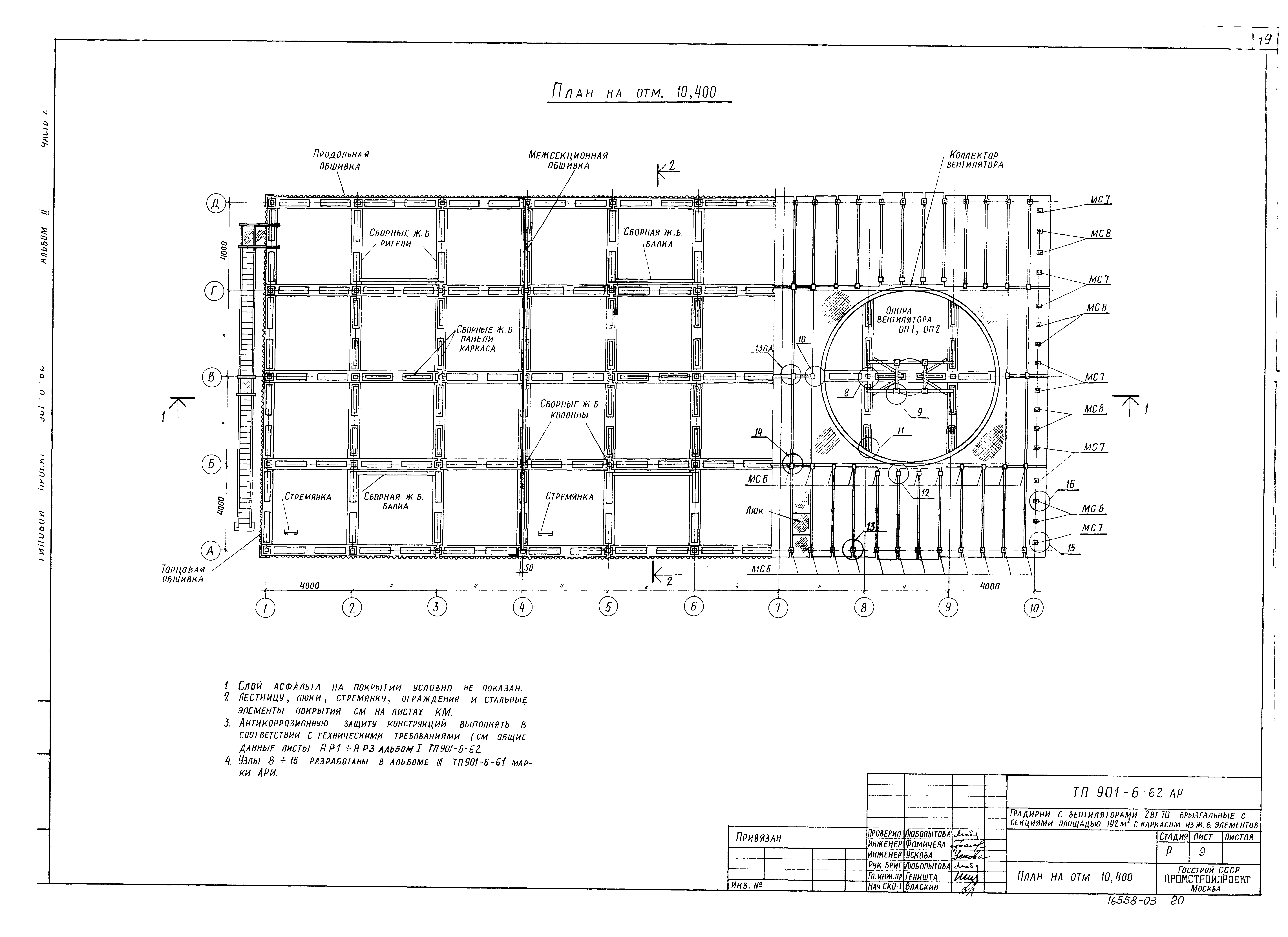
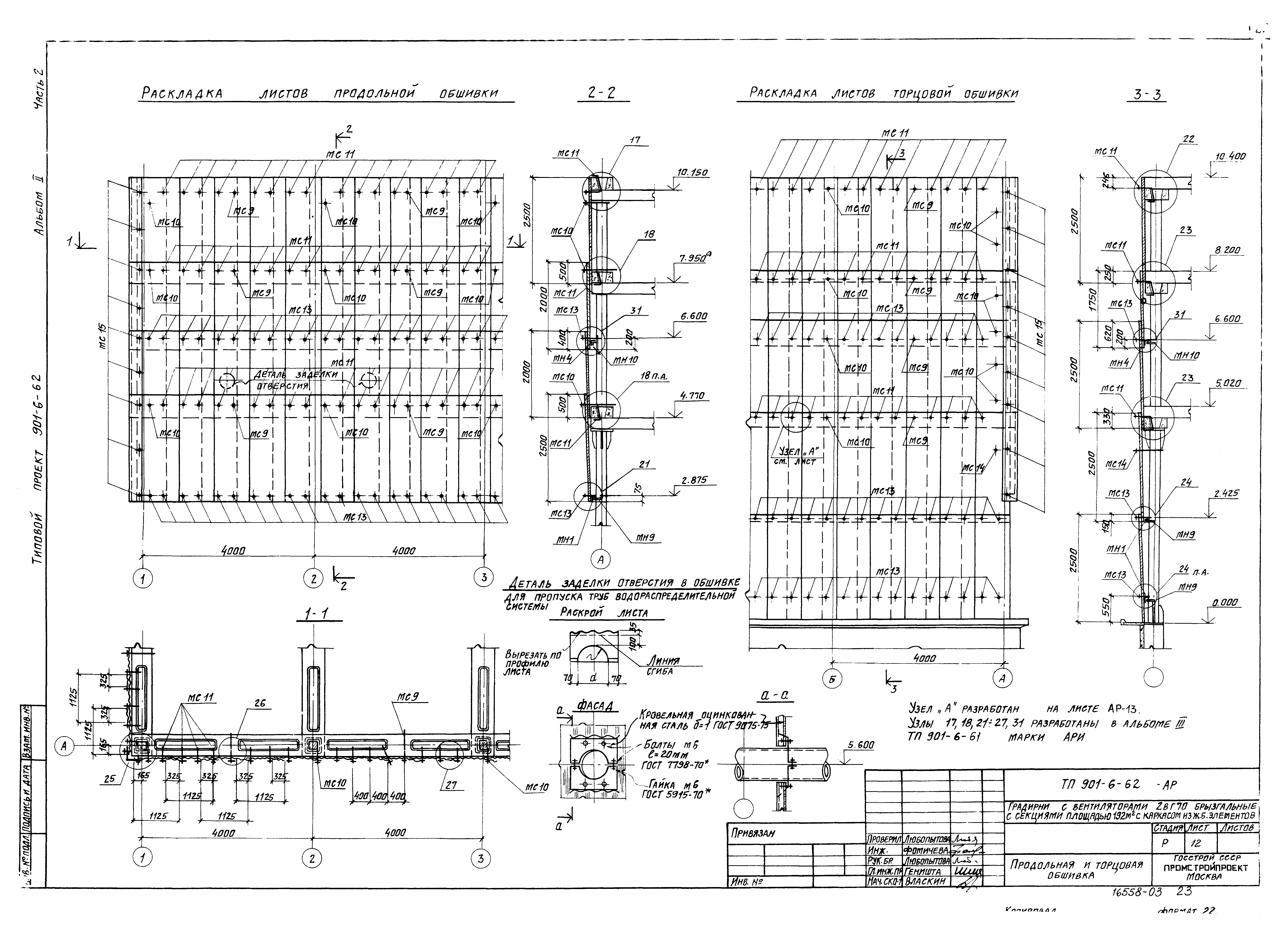
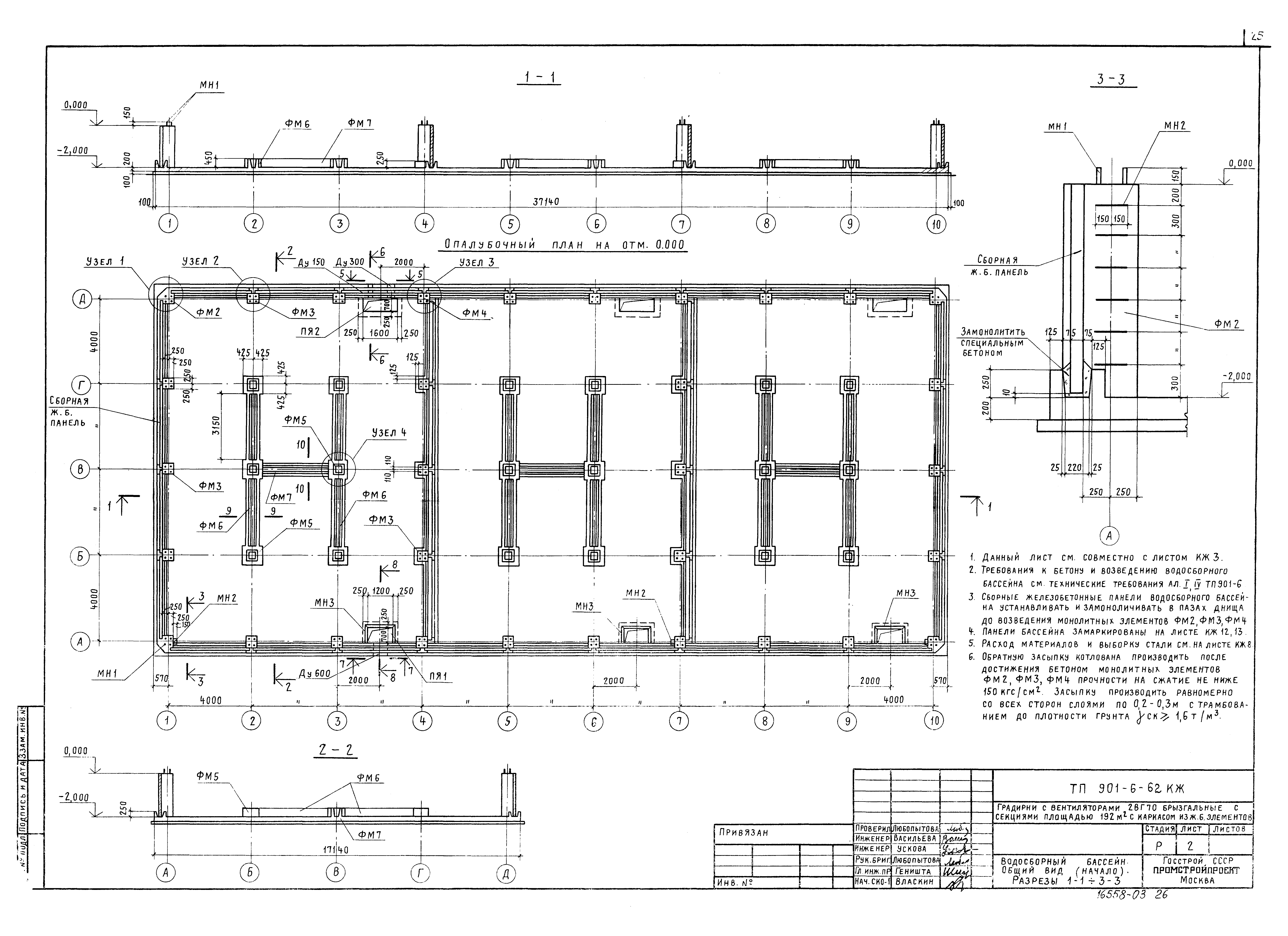
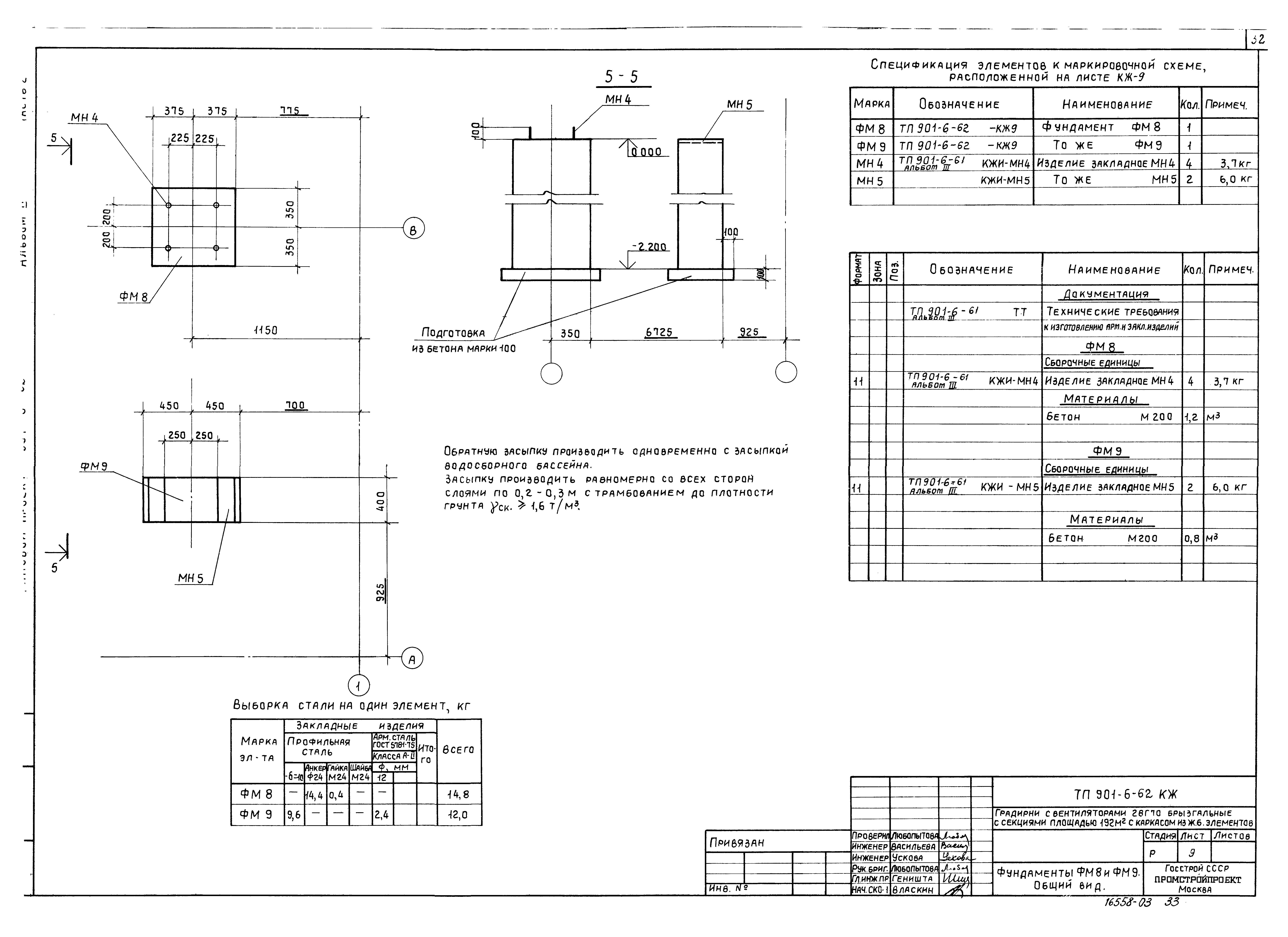
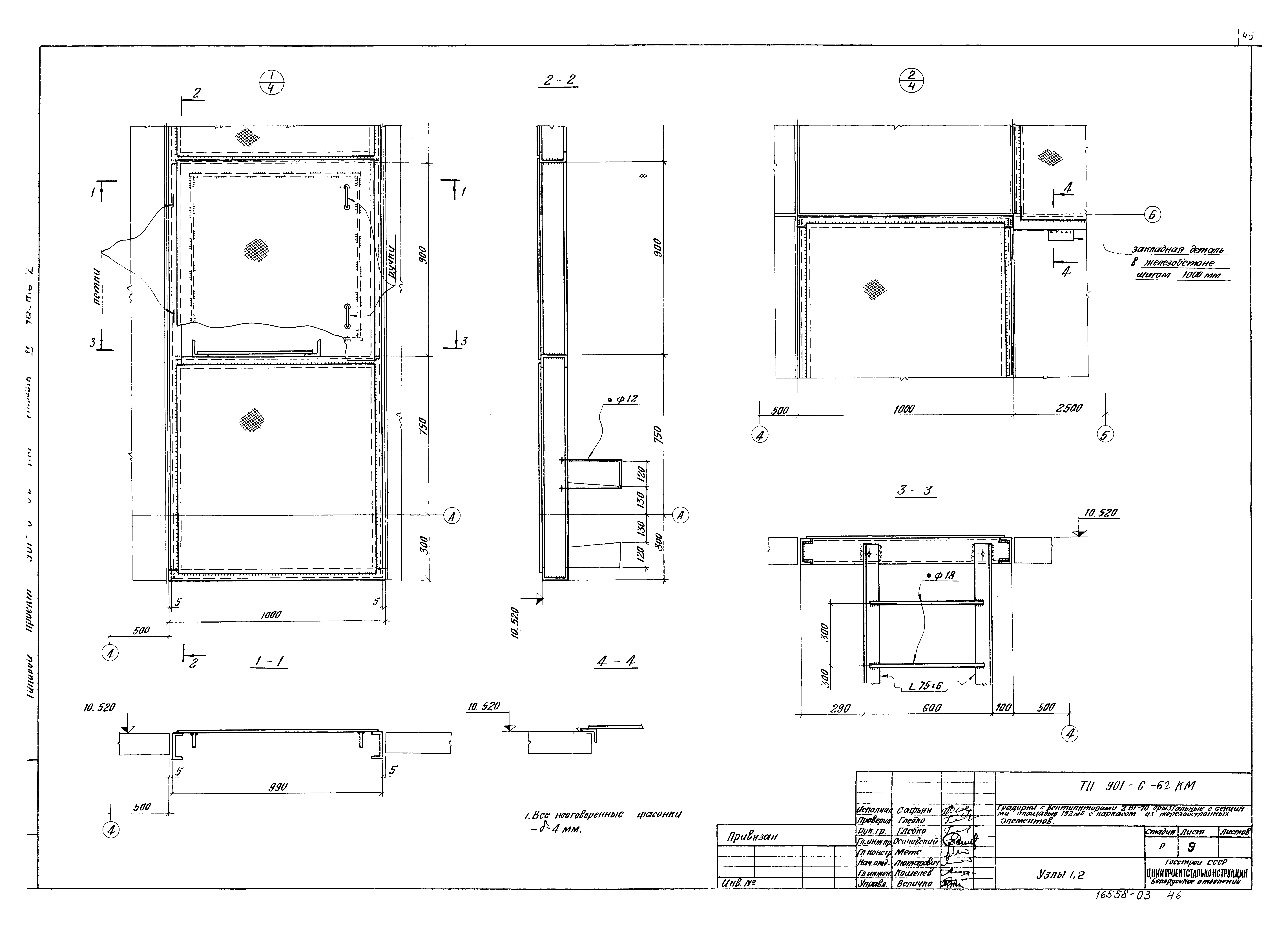
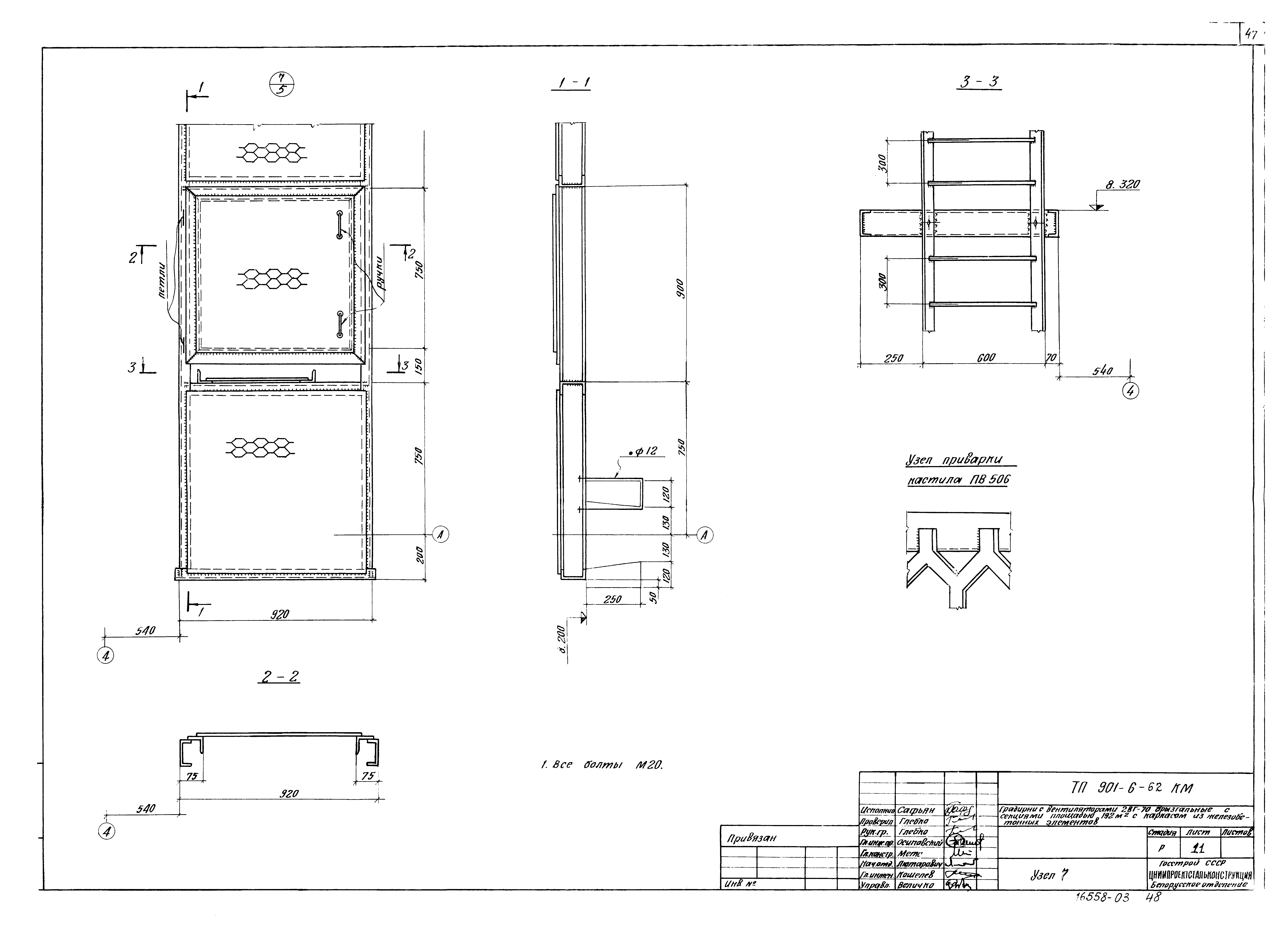
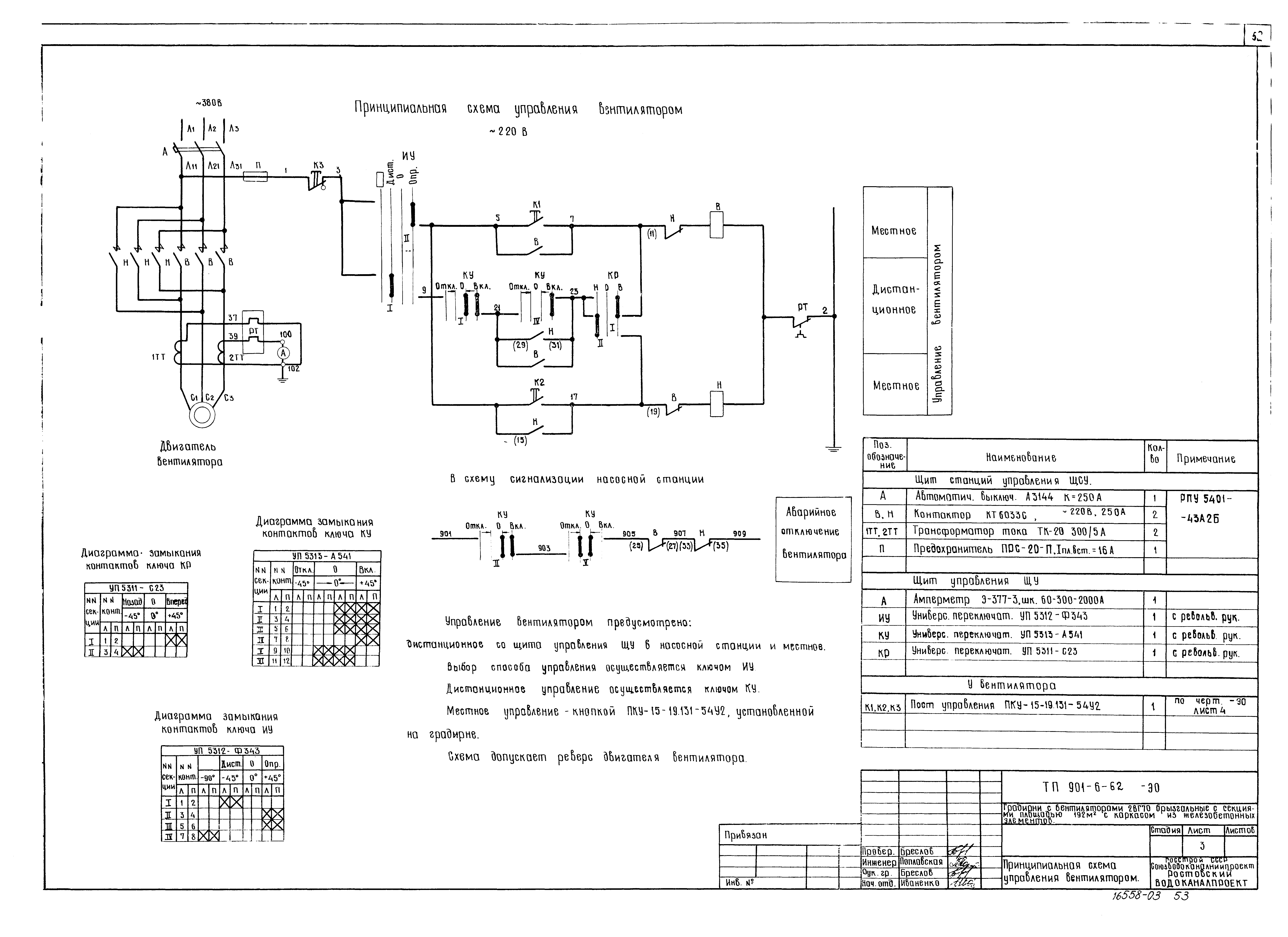
| Оглавление: | Ведомость чертежей Технологические чертежи Общие данные Общий вид брызгальной градирни Расстановка водоуловительных решеток. План. Разрезы Водораспределительная система при гидравлической нагрузке 750 куб. м/ч. План, разрезы Водораспределительная система при гидравлической нагрузке 1000 куб. м/ч. План, разрезы Расстановка блоков воздухонаправляющих щитов Водопроводное оборудование бассейна при гидравлических нагрузках 750 и 1000 куб. м/ч Архитектурно-строительные решения Общие данные Фасад 1 - 10 Фасад 10 - 1 Фасады Д - А и А - Д План на отм. - 2.000 План на отм. 0.000 План на отм. 5.020 План на отм. 8.200 План на отм. 10.400 Разрез 1-1 Разрез 2-2 Продольная и торцевая обшивка Межсекционная обшивка Конструкции железобетонные Общие данные Водосборный бассейн. Общий вид. Разрезы 1-1 - 3-3 Водосборный бассейн. Общий вид. Узлы 1 - 4. Разрезы 4-4 - 10-10 Водосборный бассейн. Схема армирования днища. Разрез 1-1. Узлы А, Б Водосборный бассейн. Схема армирования днища. Разрез 2-2. Узел В Водосборный бассейн. Схема армирования ФМ2 - ФМ7 Водосборный бассейн. Схема армирования ПЯ1 и ПЯ2 Водосборный бассейн. Схема армирования. Ведомость стержней и выборка стали Фундаменты ФМ8 и ФМ9. Общий вид Розета. Общий вид и схема армирования Схема расположения сборных элементов каркаса Схемы расположения сборных элементов каркаса. Вариант для несейсмичных условий Схемы расположения сборных элементов каркаса. Вариант для расчетной сейсмичности 7 и 8 баллов Конструкции металлические Общие данные Техническая спецификация металла План на отм. 10.520. Разрез 1-1 Разрез 2/2-2/2. План площадок на отм. 8.200 План площадок на отм. 5.600 и опор на отм. 5.020 Разрезы 4/4-4/4 - 7/4-7/4 Разрез 3/2-3/2. Ведомость элементов Узлы 1, 2 Узлы 3, 4, 5, 6 Узел 7 Узлы 8, 9, 10 Узлы 11, 12, 13, 14 Электрооборудование Общие данные. Ведомость чертежей раздела I марки ЭО Общие данные. Принципиальная схема силовой сети 380/220 В Принципиальная схема управления вентилятором Опросный лист для заказа кнопочных постов ПКУ-15. Кабельный журнал Прокладка кабелей и электрическое освещение Ведомость чертежей раздела II марки ЭО Ведомость комплектных изделий Щит станций управления ЩСУ. Общий вид ЩСУ. Технические данные электрооборудования ЩСУ. Панель 1 (2, 3). Схема подключений Щит управления ЩУ. Общий вид ЩУ. Технические данные электрооборудования ЩУ. Перечень надписей Щит управления ЩУ. Схема соединений |
| Разработан: | Союзводоканалпроект Промстройпроект |
| Утверждён: | 19.12.1979 СоюзводоканалНИИпроект (SoyuzvodokanalNIIproject 76) |
| Заменяет собой: | |
| Чем заменён: |
|



























































