Скачать Типовые проектные решения 901-07-9.84 Альбом II. Технологическая, санитарно-техническая части и нестандартизированное оборудование. Вариант обеззараживания питьевых водДата актуализации: 01.01.2021
|
| Обозначение: | Типовые проектные решения 901-07-9.84 |
| Обозначение англ: | 901-07-9.84 |
| Статус: | справочные материалы, мп, тпр |
| Название рус.: | Альбом II. Технологическая, санитарно-техническая части и нестандартизированное оборудование. Вариант обеззараживания питьевых вод |
| Дата добавления в базу: | 01.10.2014 |
| Дата актуализации: | 01.01.2021 |
| Дата введения: | 10.09.1984 |
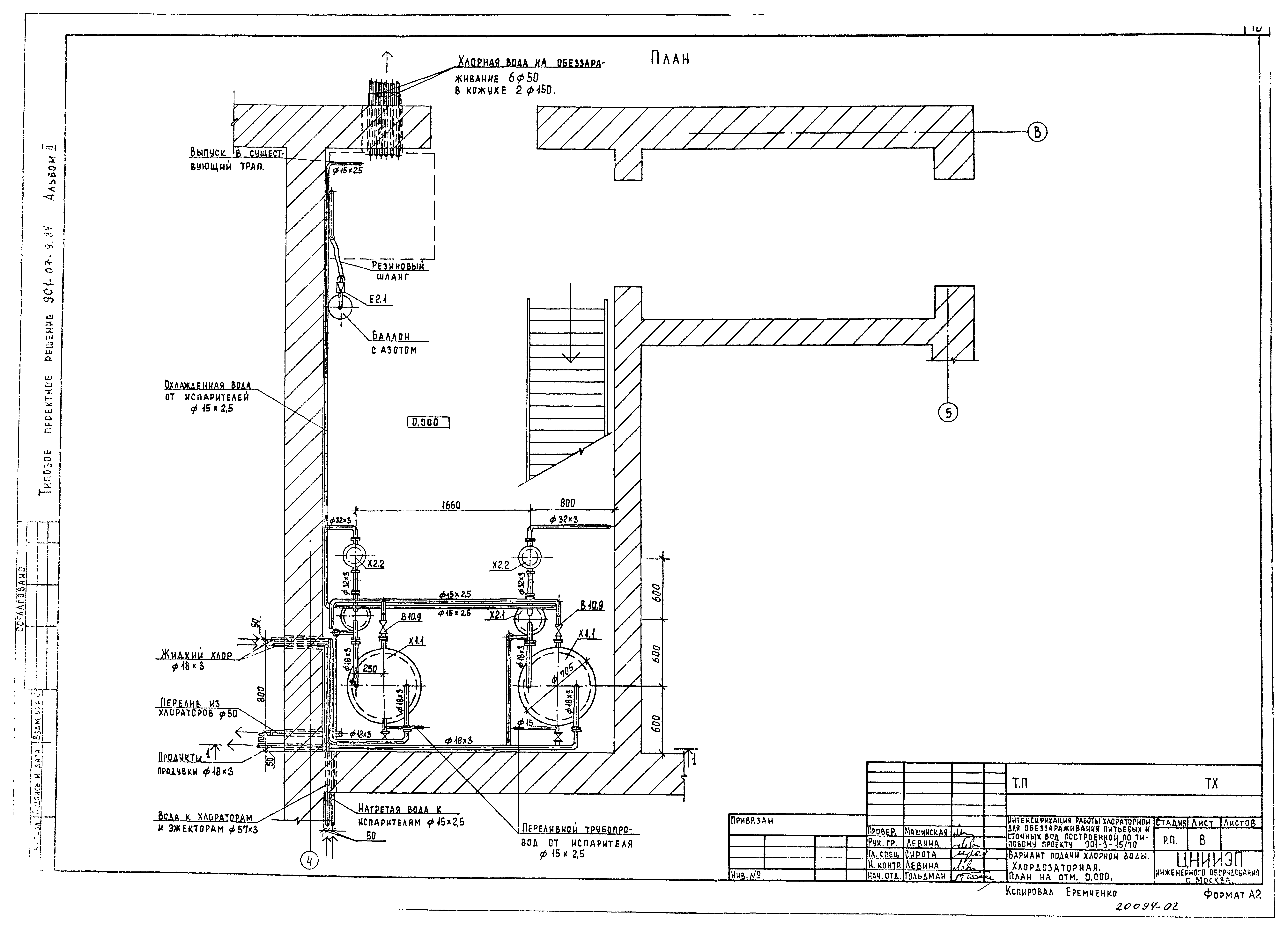
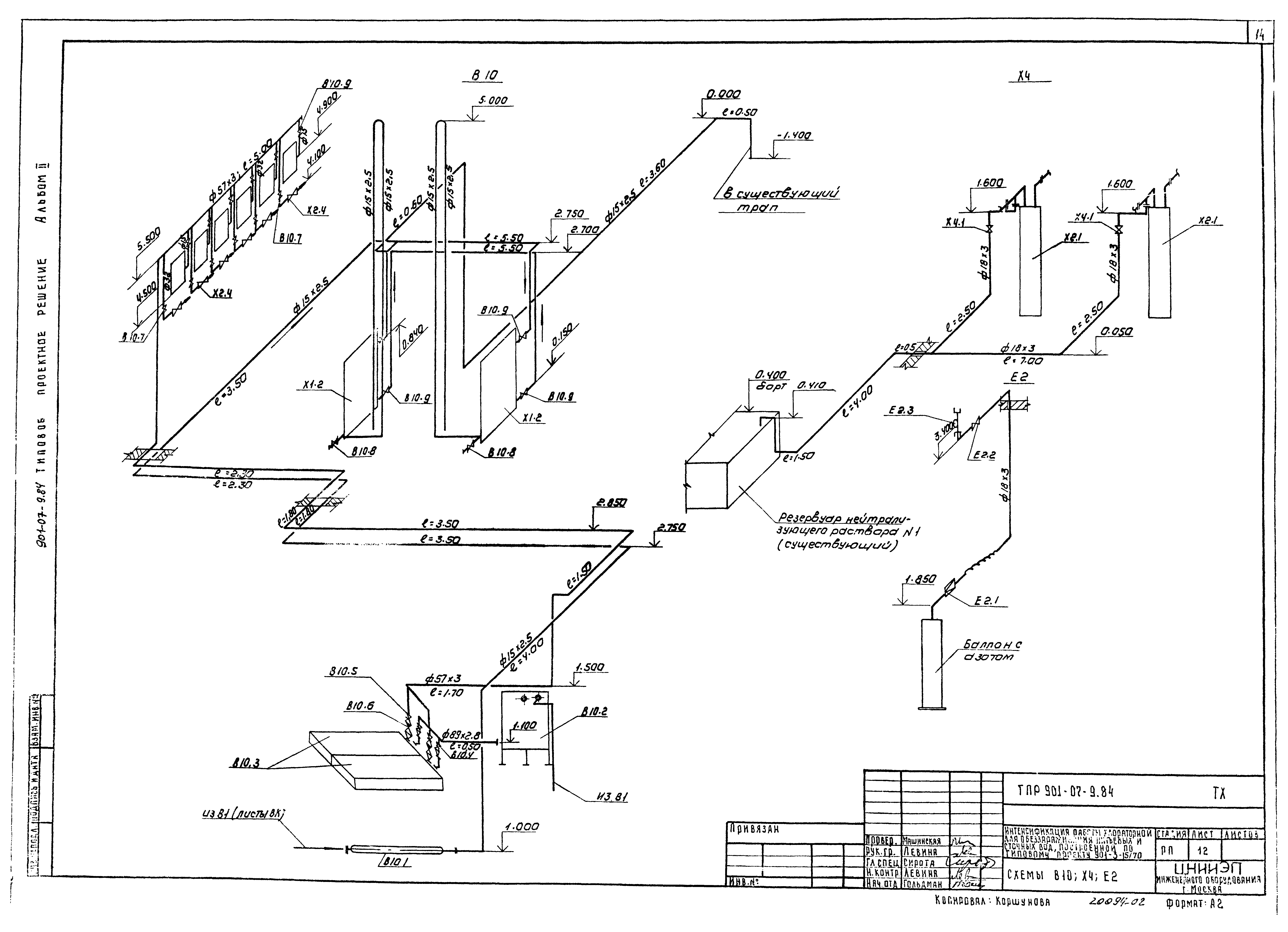
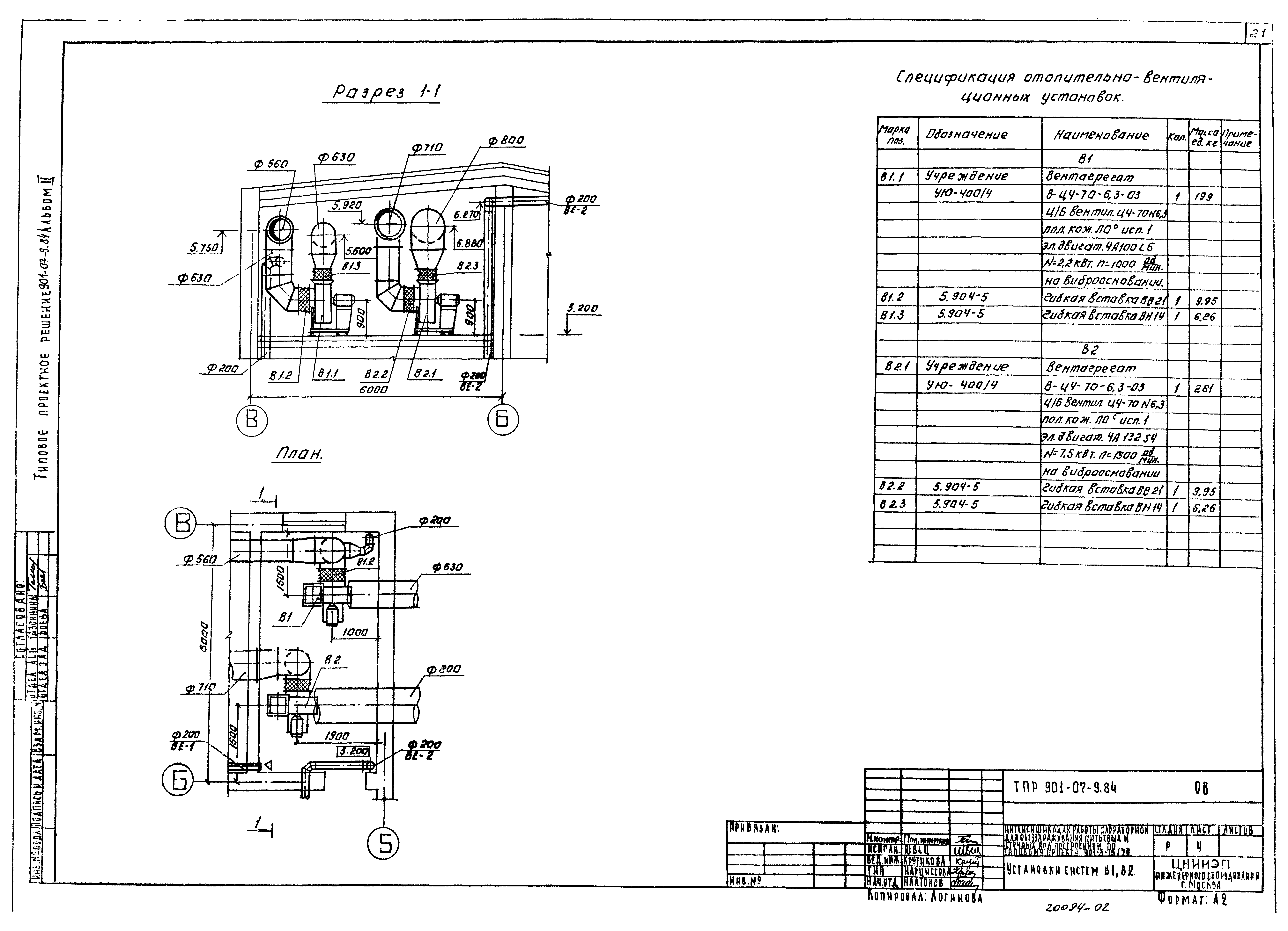
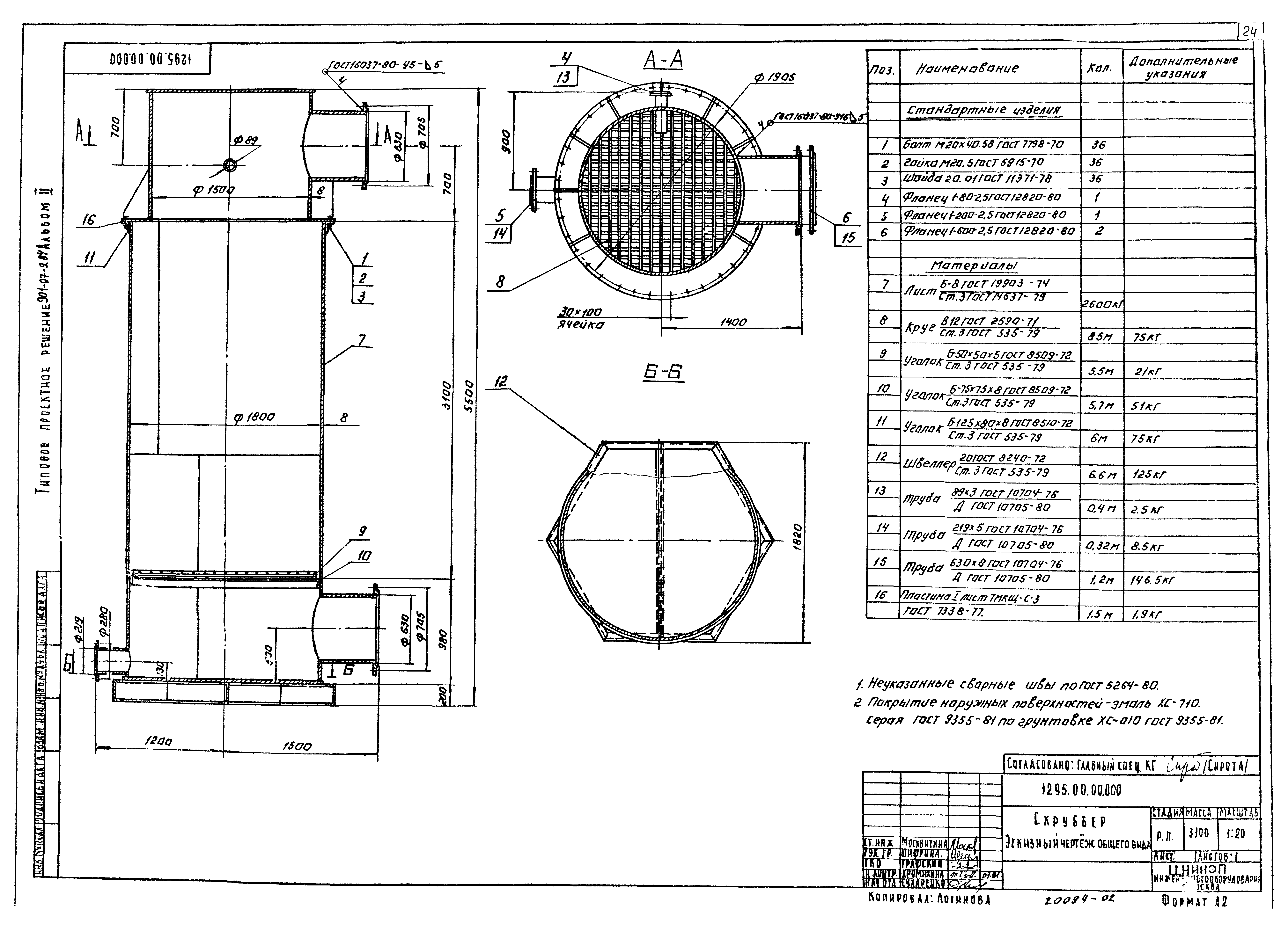
| Оглавление: | Содержание альбома Технологическая часть Общие данные Временная схема. План. Схемы Х1, Х2, Х3, В1 Вариант подачи хлорной воды. Принципиальная схема (скруббера в здании) Вариант подачи хлорной воды. Принципиальная схема (скруббера вне здания) Вариант подачи газообразного хлора. Принципиальная схема Склад контейнеров. Помещение насосной. План Склад контейнеров. Помещение насосной. Разрезы 1-1, 2-2 Вариант подачи хлорной воды. Хлордозаторная. План на отм. 0.000 Вариант подачи хлорной воды. Хлордозаторная. План на отм. 3.200. Разрез 1-1 Вариант подачи газообразного хлора. Хлордозаторная. План. Разрез 1-1 Схемы Х1, Х2, Х3, Х4 Схемы В10, Х4, Е2 Схема Х5 Водопровод и канализация Общие данные План. Схемы В1, К1, К3, Т0 Отопление и вентиляция Общие данные План на отм. 0.000; 3.200 Схемы систем вентиляции П1, П2, В1, В2, В3, ВЕ1, ВЕ2 Установка систем В1, В2 Установки систем П1, П2. Схема систем теплоснабжения установок П1, П2 Переходы Нестандартизированное оборудование Скруббер. Чертеж общего вида |
| Разработан: | ЦНИИЭП |
| Утверждён: | 14.02.1984 Госгражданстрой (Gosgrazhdanstroy 48) |

























