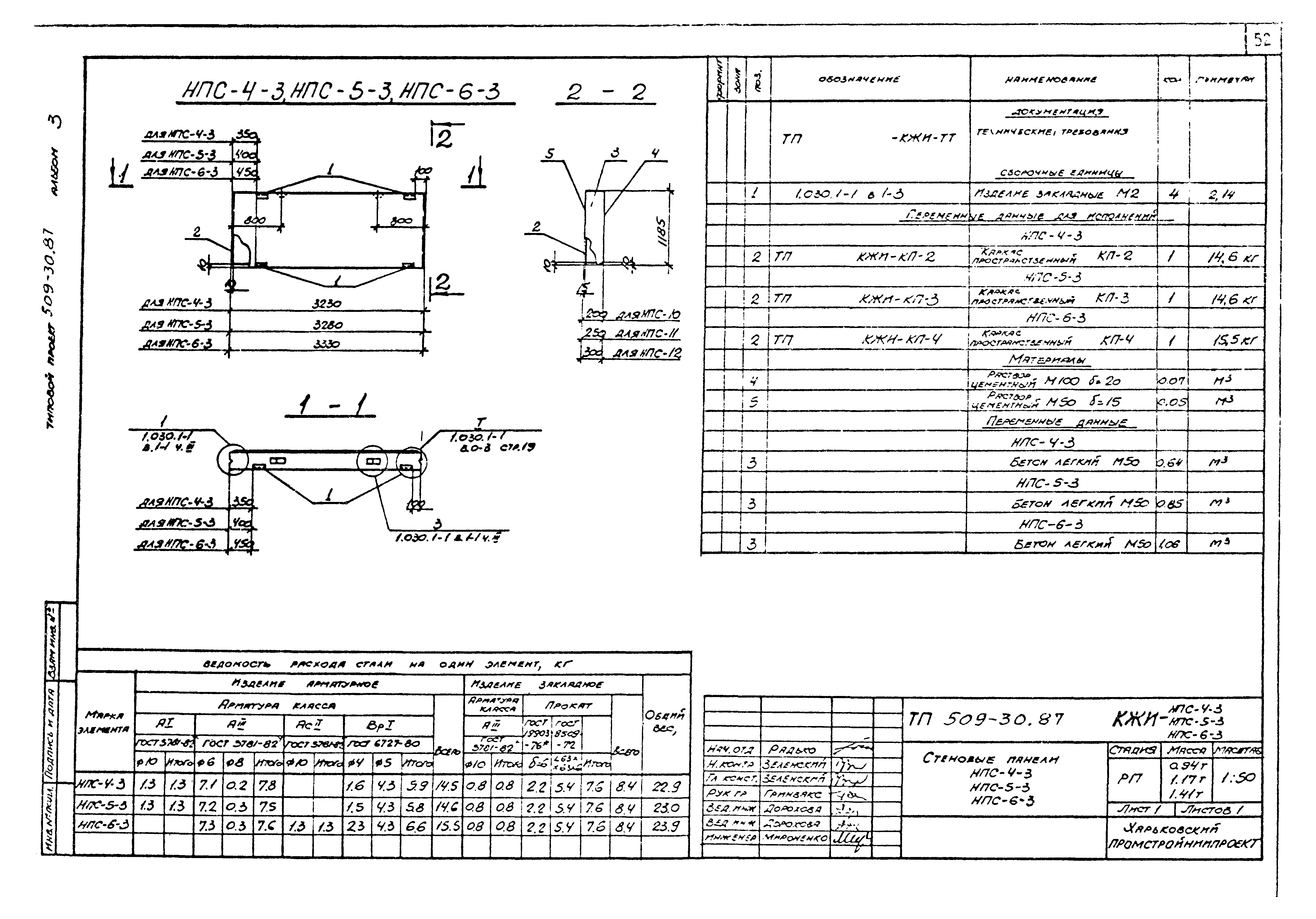
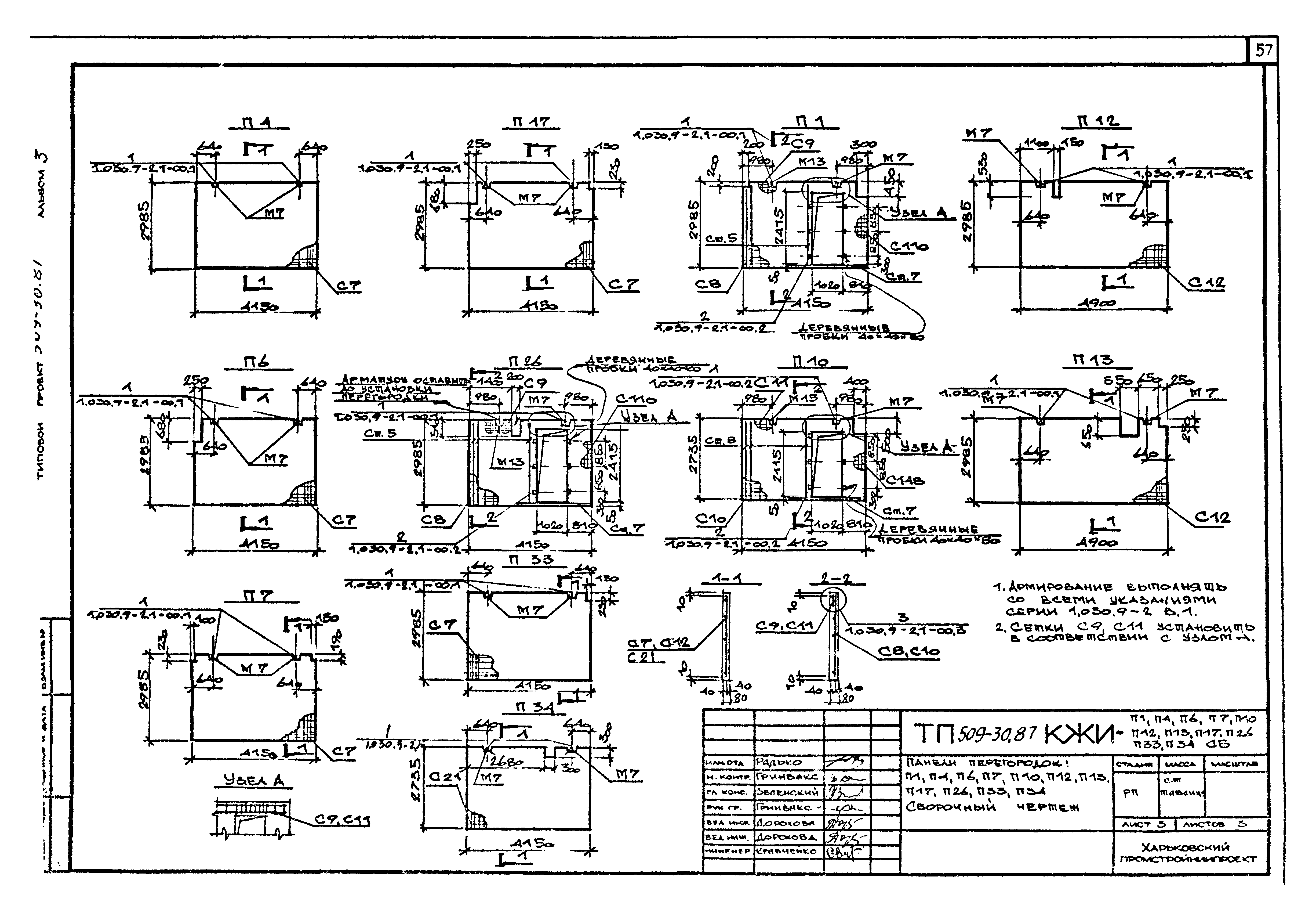
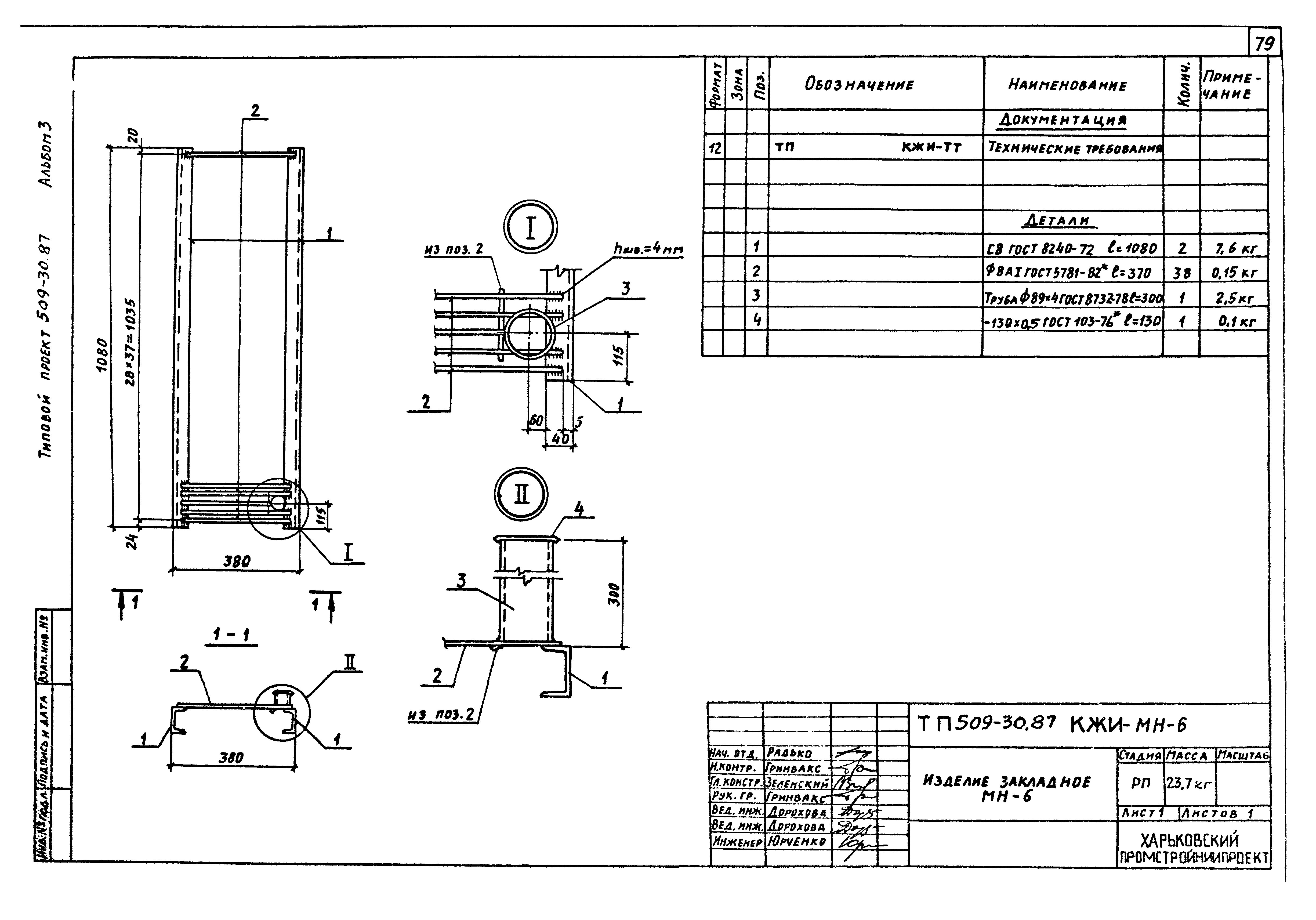
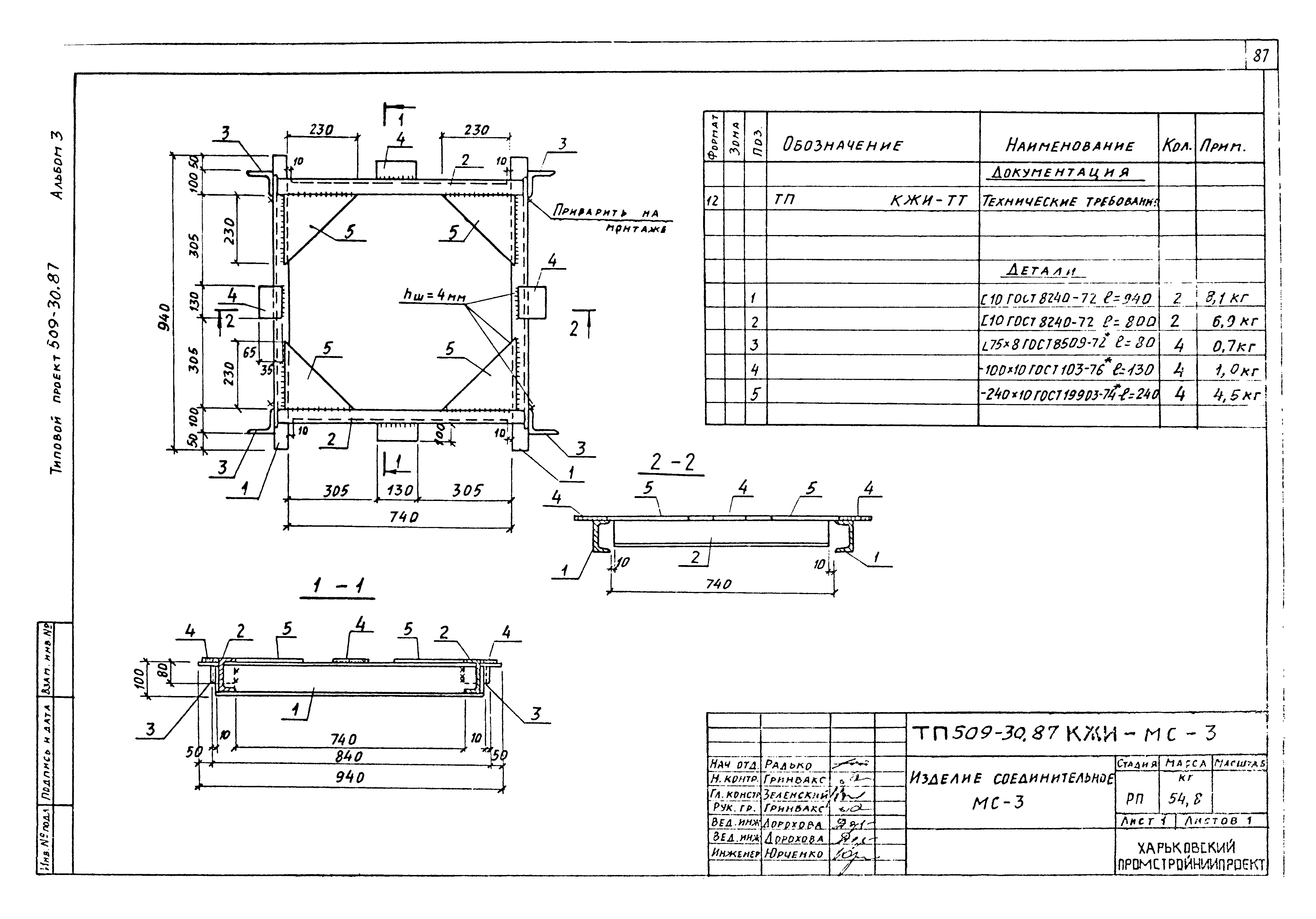
Скачать Типовой проект 509-30.87 Альбом 3. Сборные железобетонные элементы и металлические изделияДата актуализации: 01.01.2021
|
| Обозначение: | Типовой проект 509-30.87 |
| Обозначение англ: | 509-30.87 |
| Статус: | не определен законодательством |
| Название рус.: | Альбом 3. Сборные железобетонные элементы и металлические изделия |
| Дата добавления в базу: | 01.10.2014 |
| Дата актуализации: | 01.01.2021 |
| Дата введения: | 24.11.1986 |
| Дата окончания срока действия: | 30.06.2003 |
| Разработан: | Харьковский Промстройниипроект |
| Утверждён: | 08.08.1986 Госстрой СССР (А4-56) |


































































































