Скачать Типовой проект 902-1-176.91 Альбом 3. Архитектурные решения. Конструкции железобетонные. Конструкции металлические (из ТП 902-1-170.91)Дата актуализации: 01.01.2021
|
| Обозначение: | Типовой проект 902-1-176.91 |
| Обозначение англ: | 902-1-176.91 |
| Статус: | не определен законодательством |
| Название рус.: | Альбом 3. Архитектурные решения. Конструкции железобетонные. Конструкции металлические (из ТП 902-1-170.91) |
| Дата добавления в базу: | 01.10.2014 |
| Дата актуализации: | 01.01.2021 |
| Дата введения: | 15.05.1991 |
| Дата окончания срока действия: | 30.06.2003 |
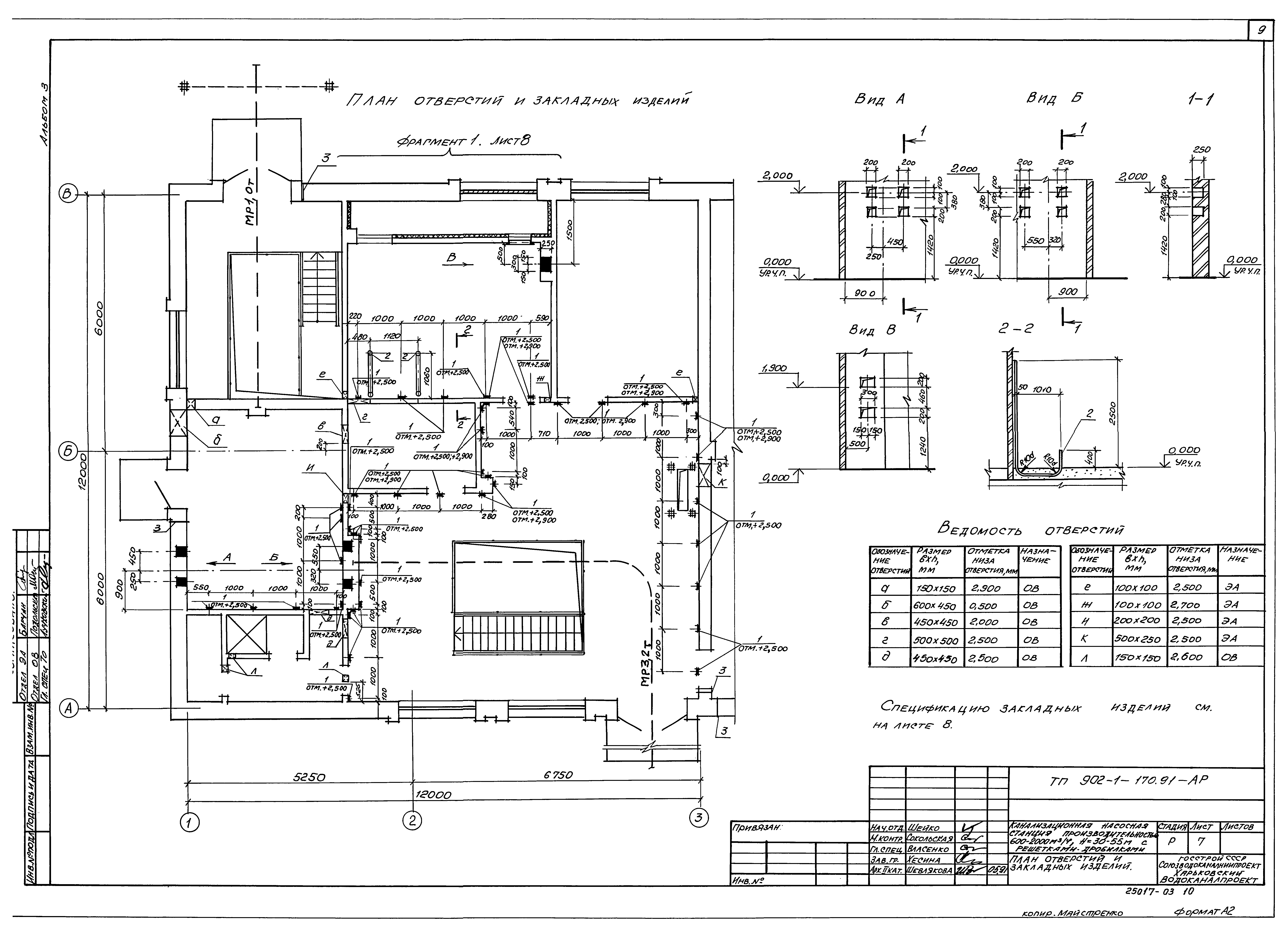
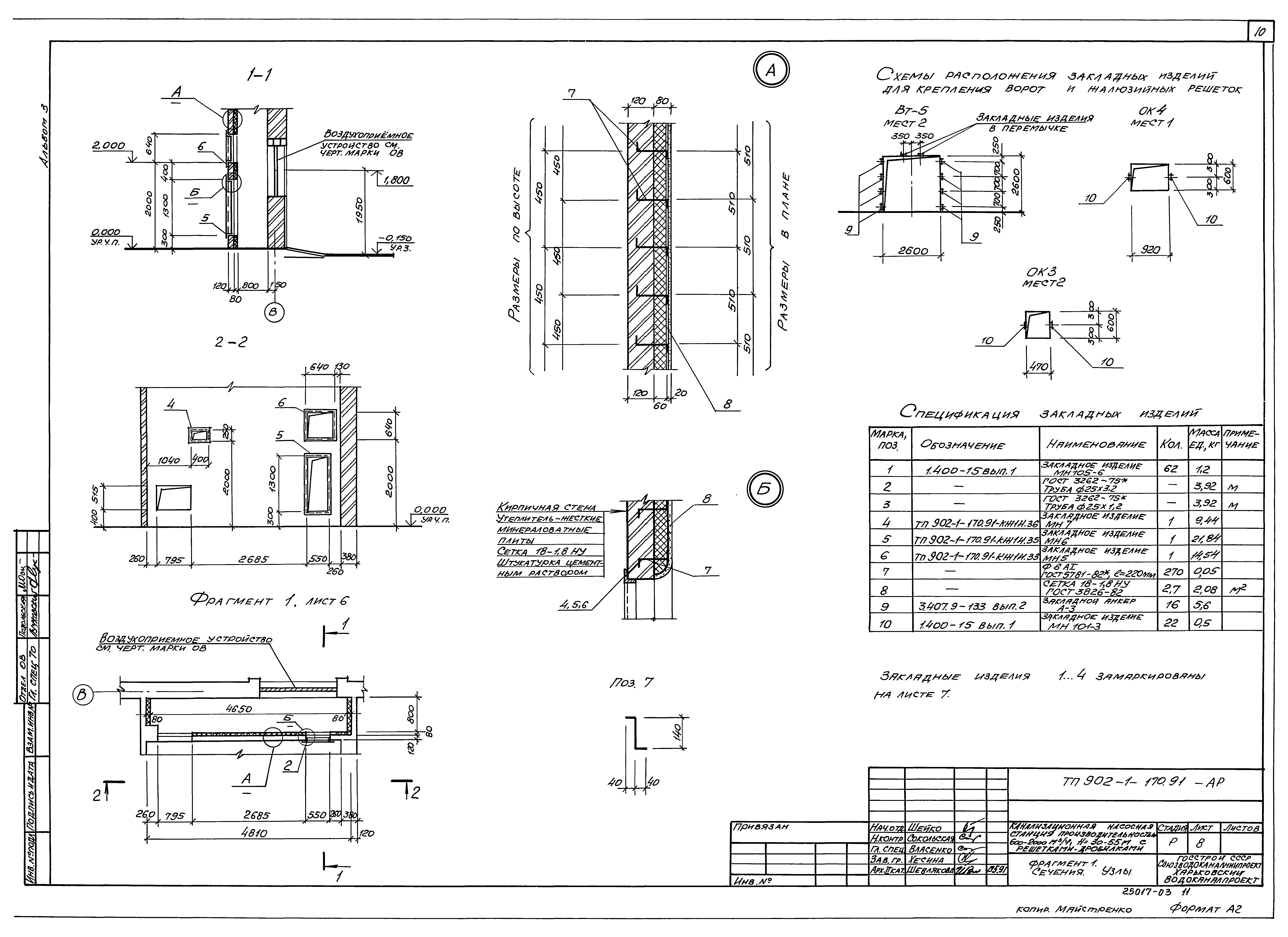
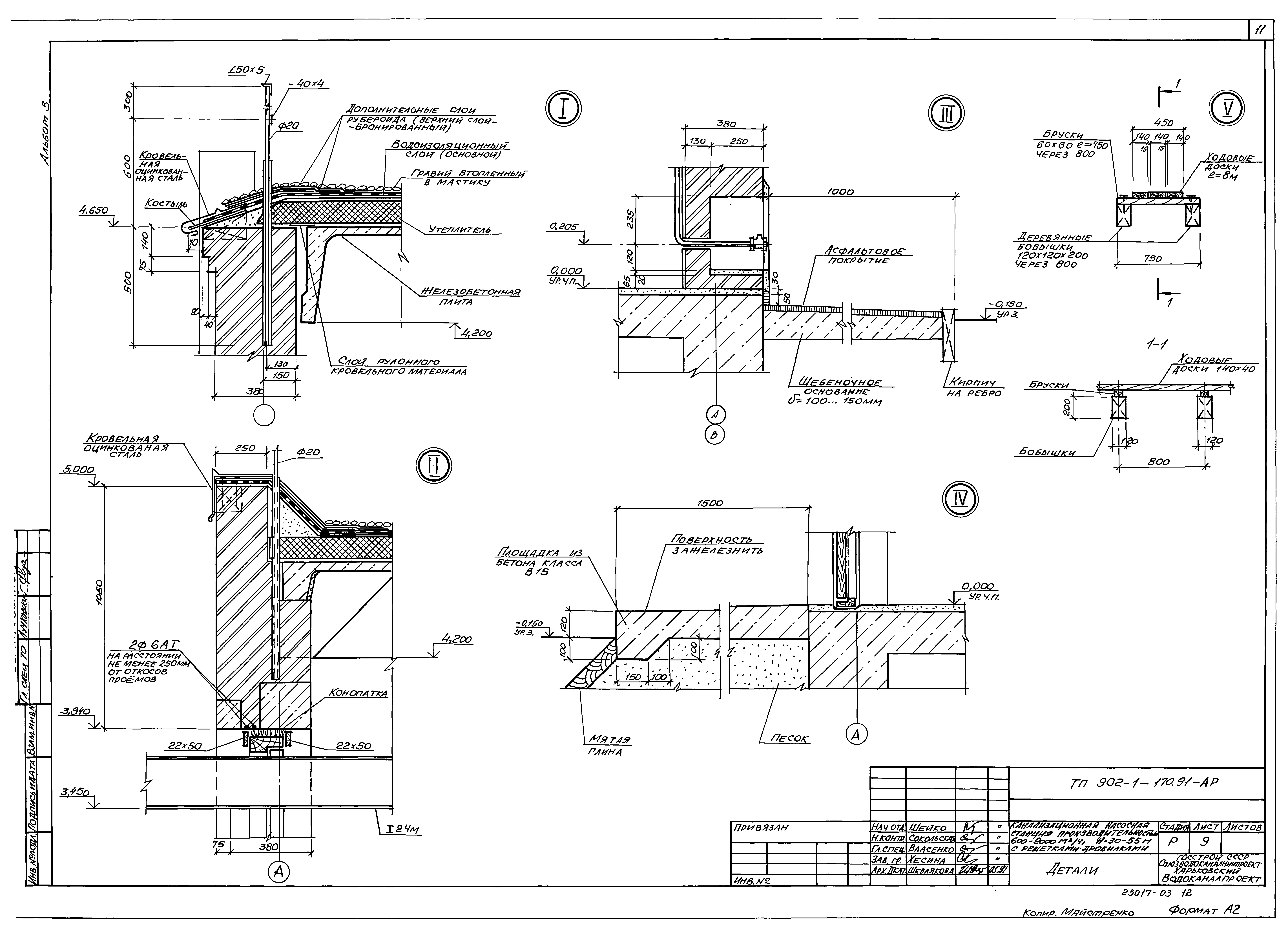
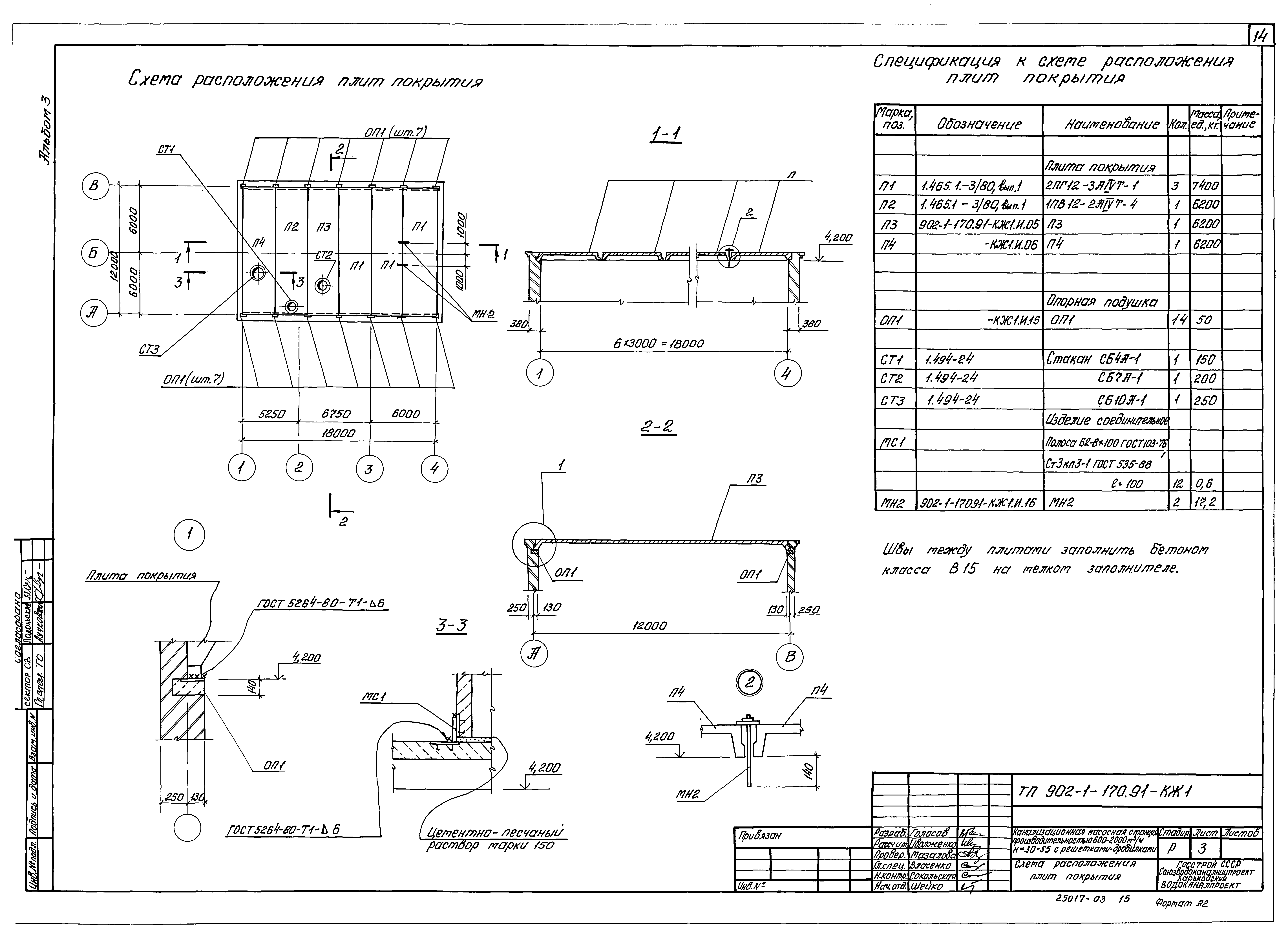
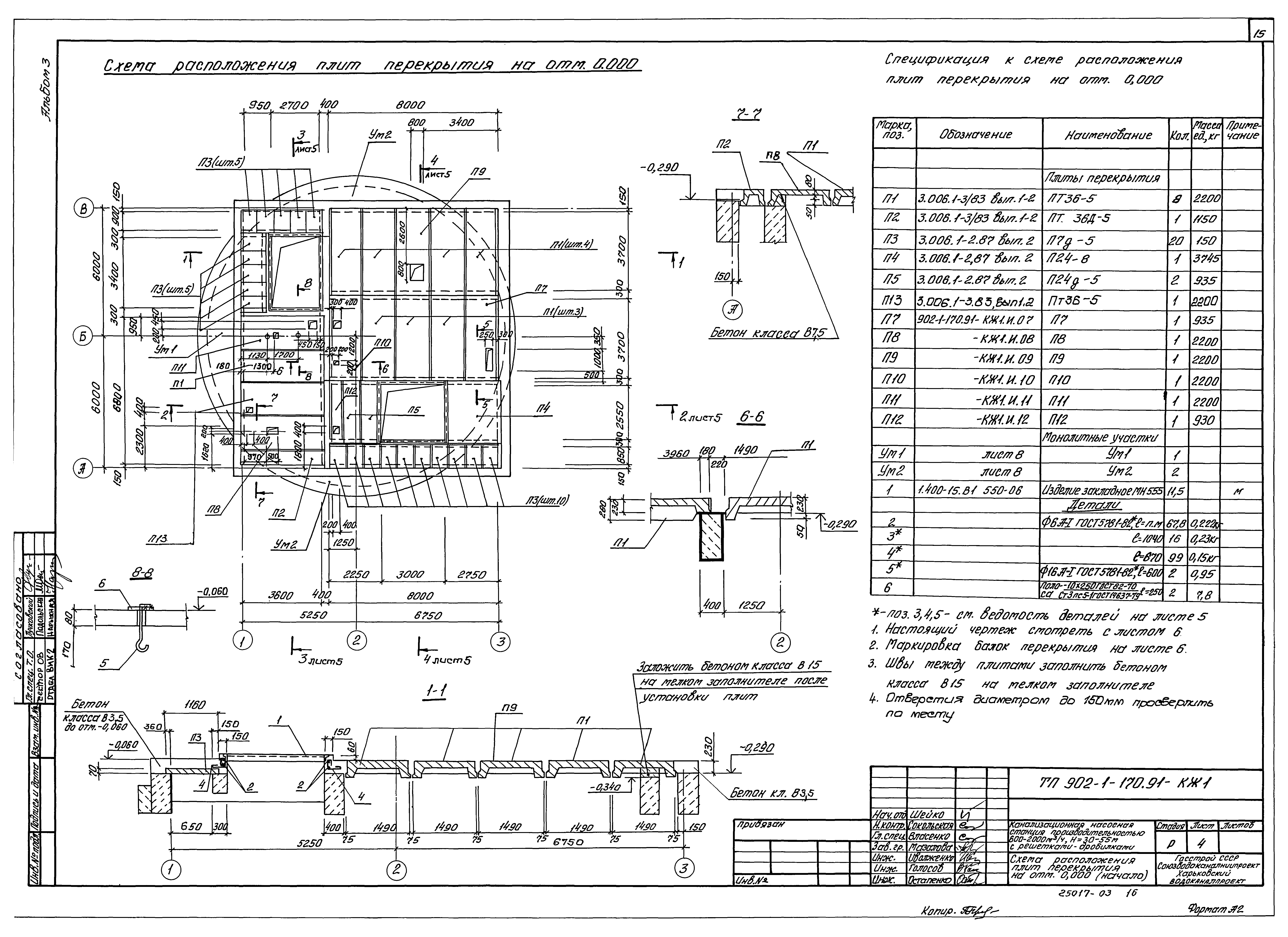
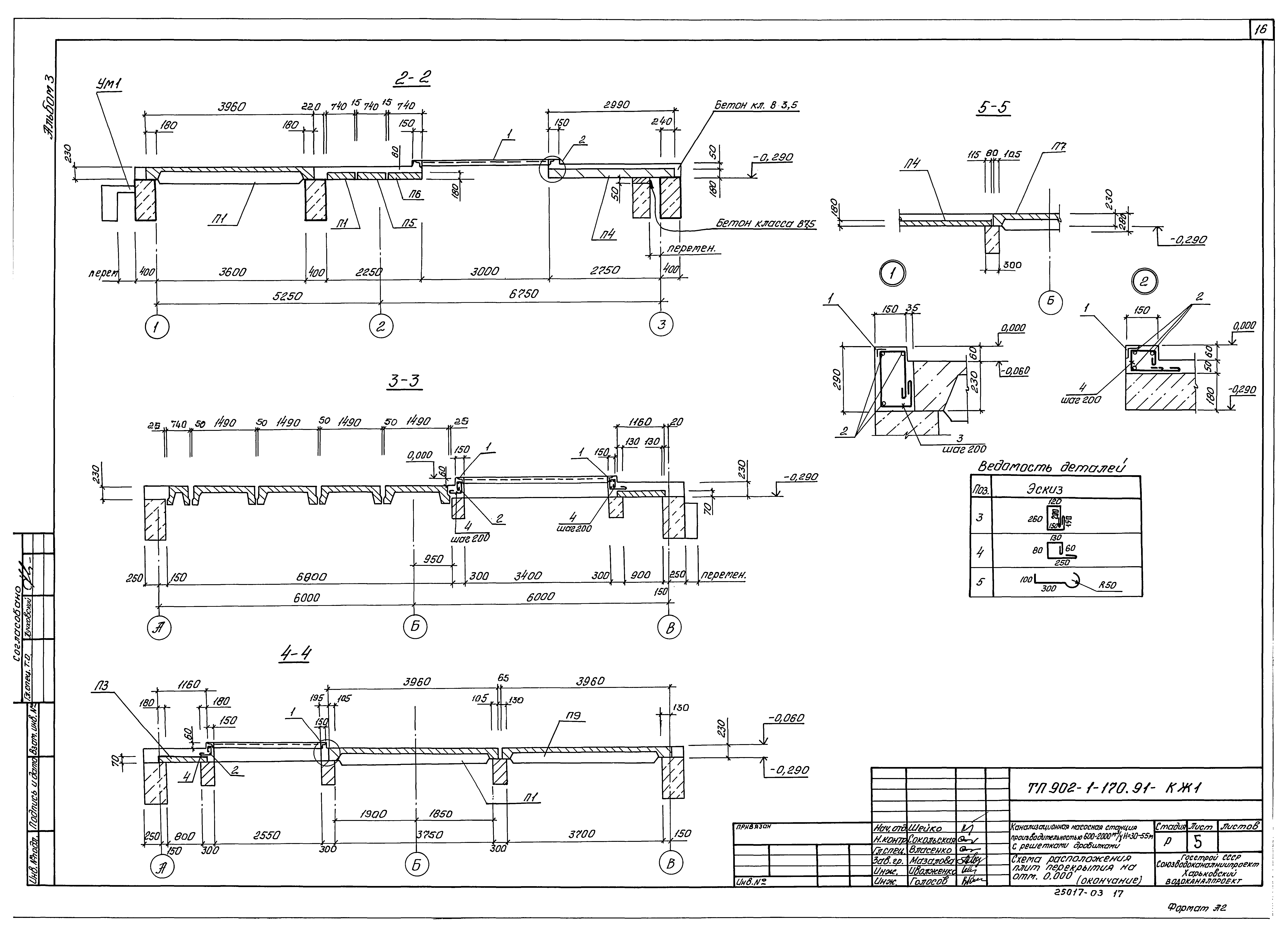
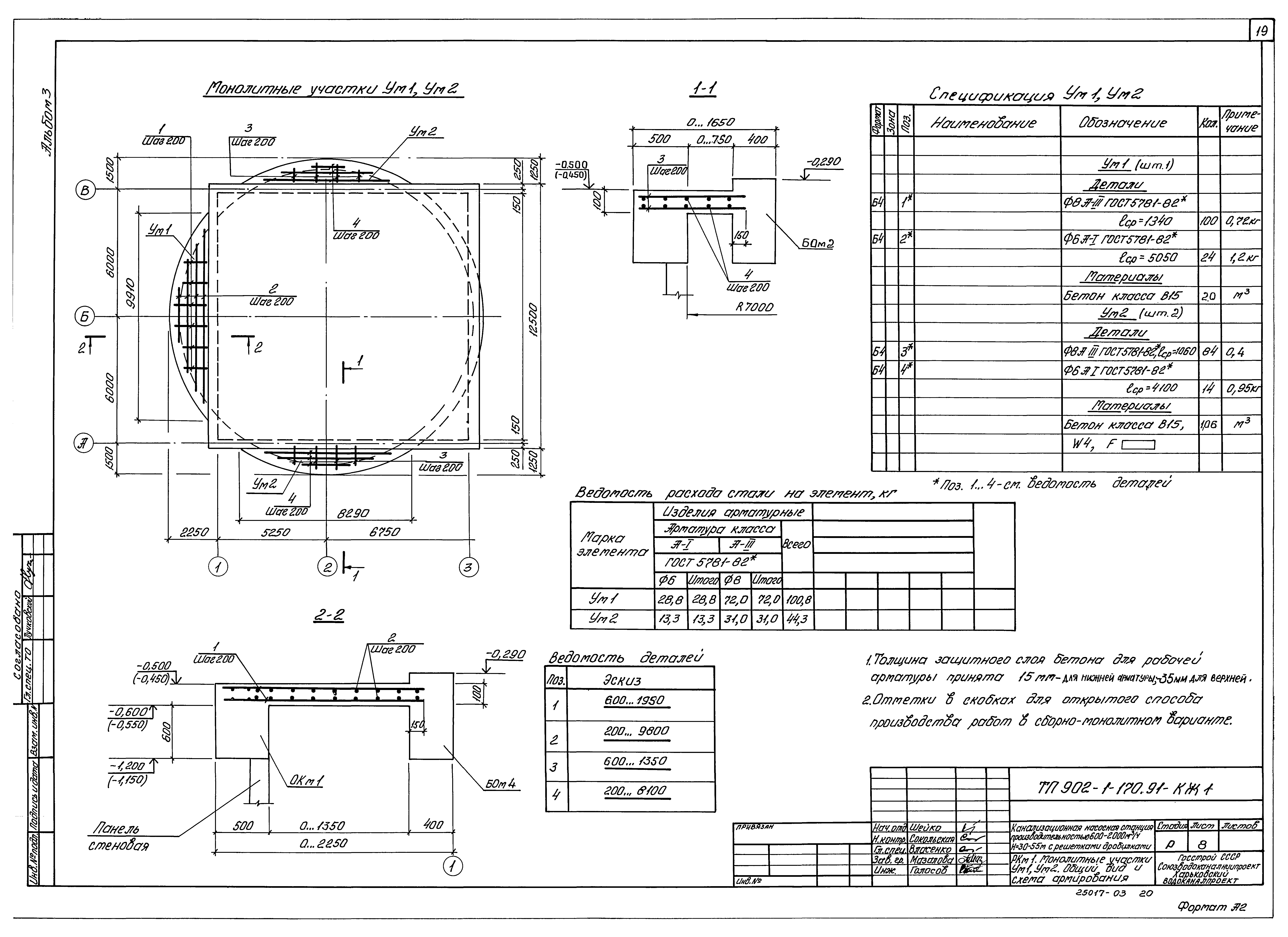
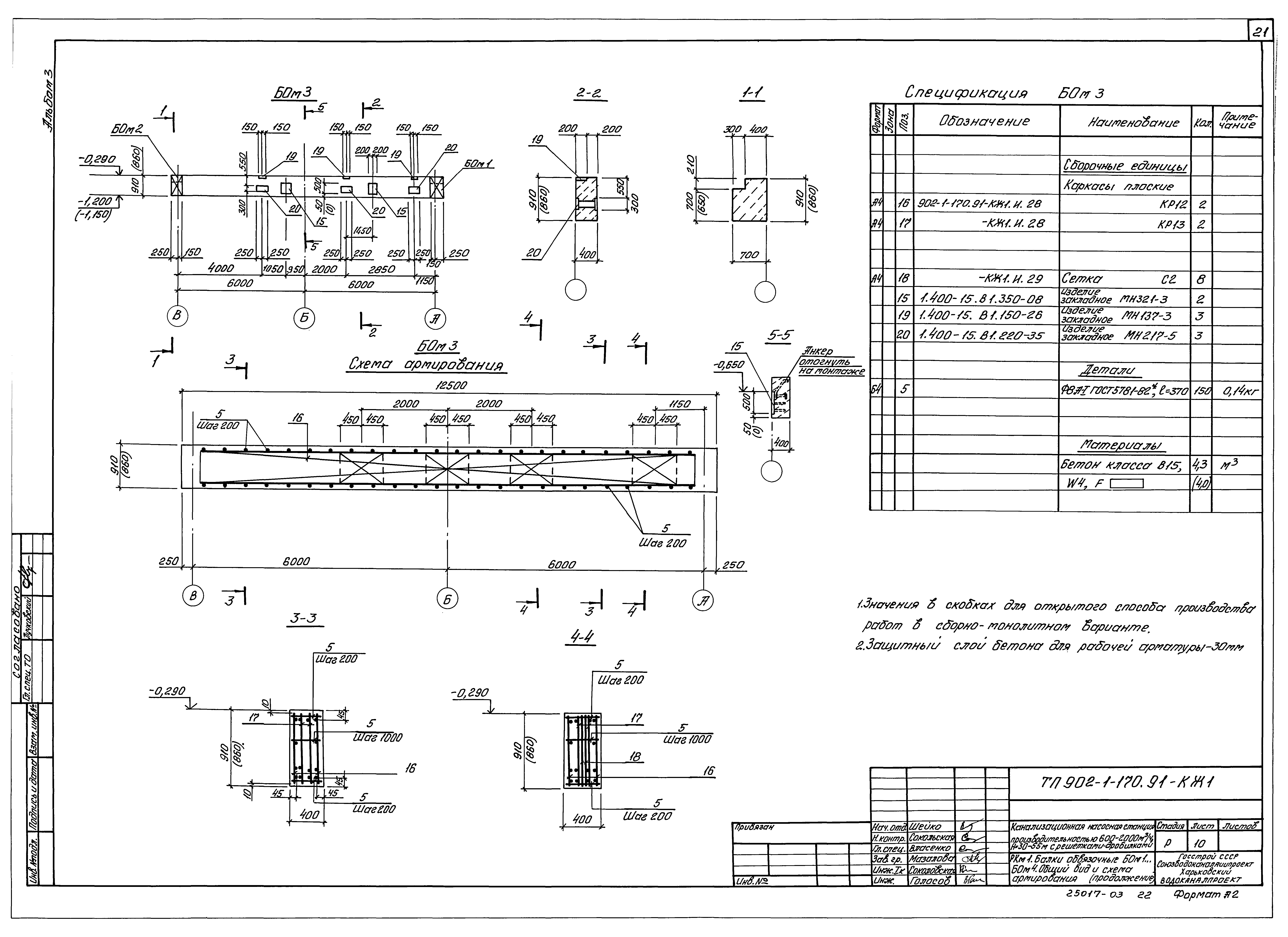
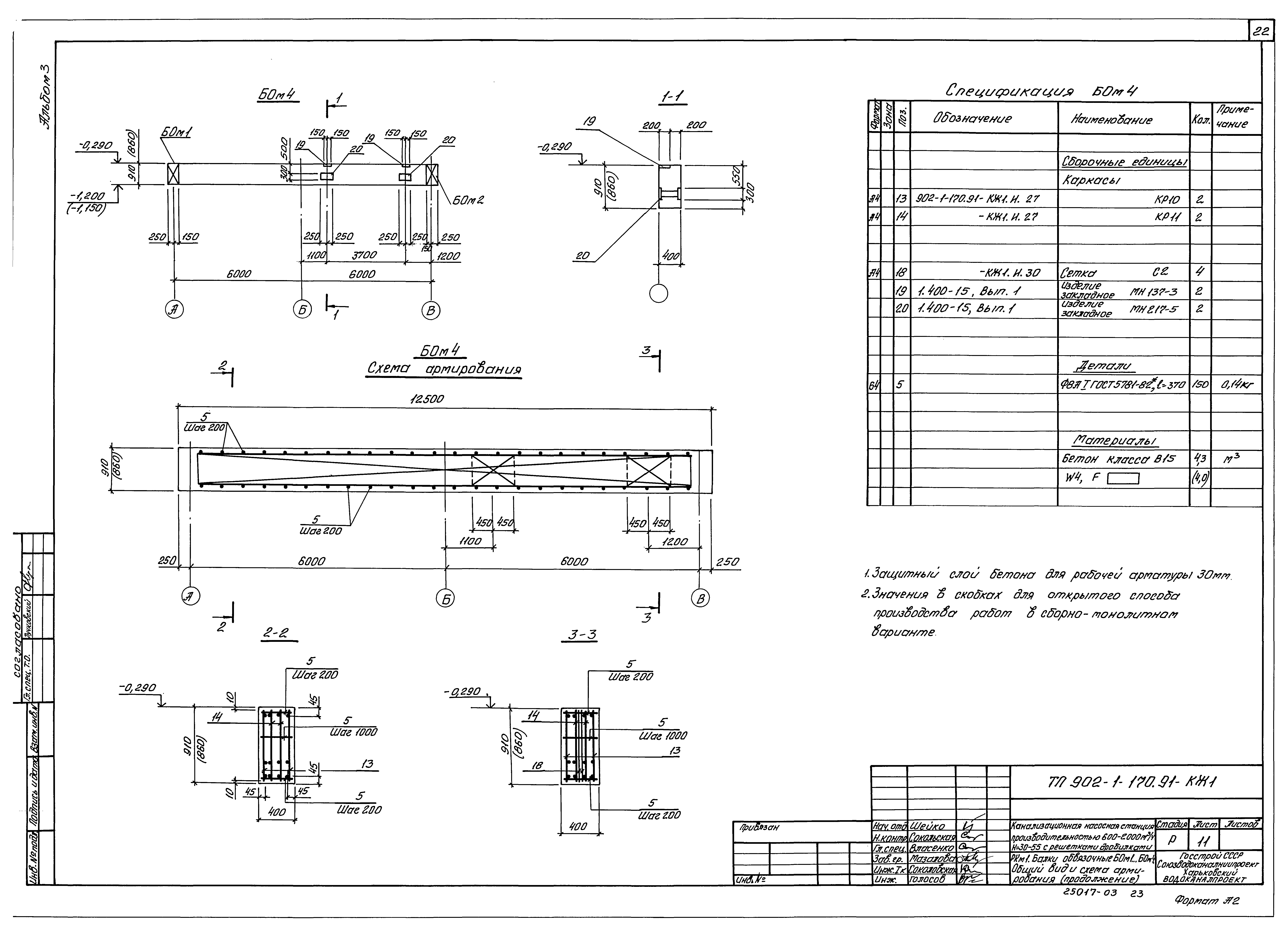
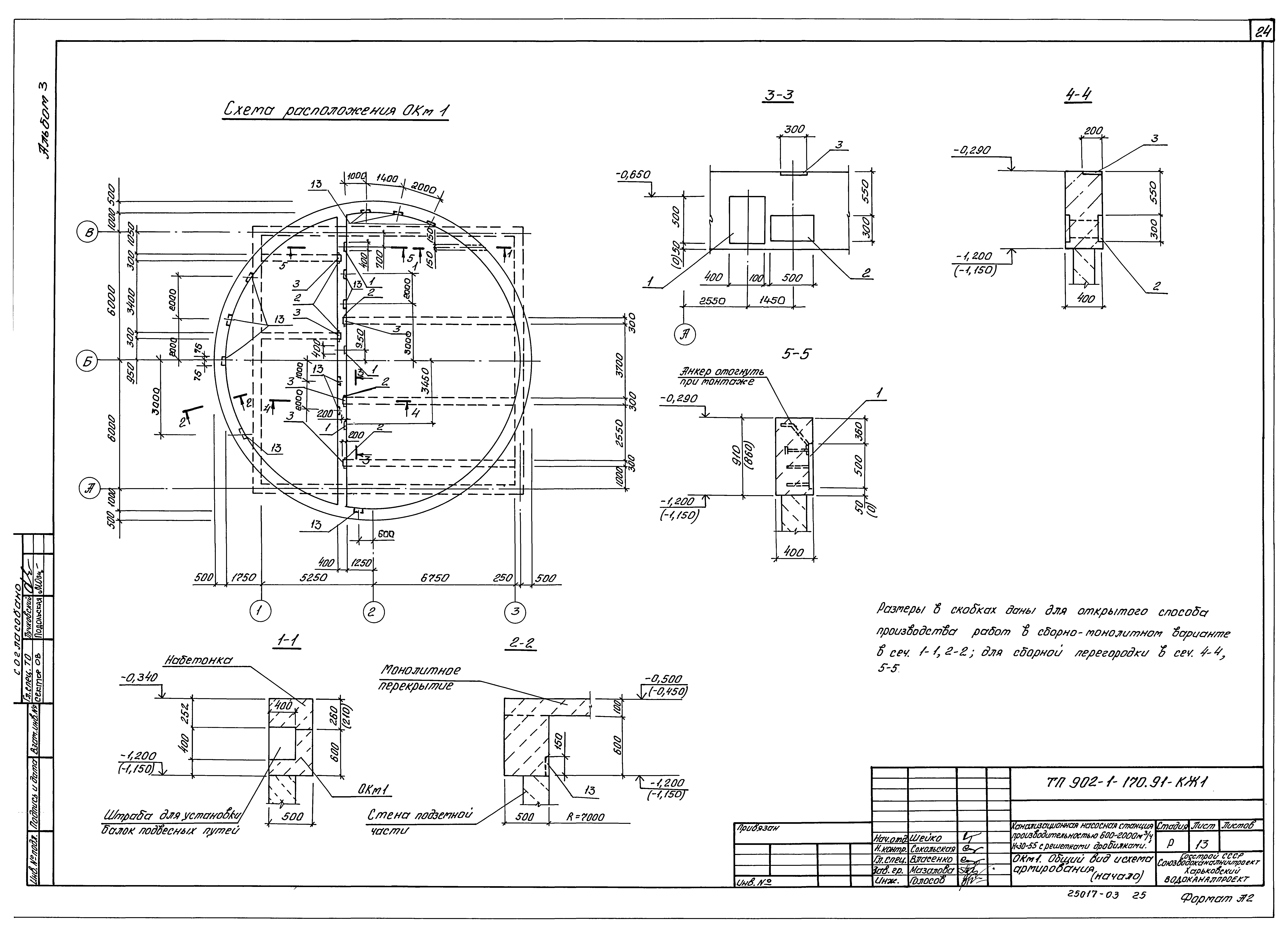
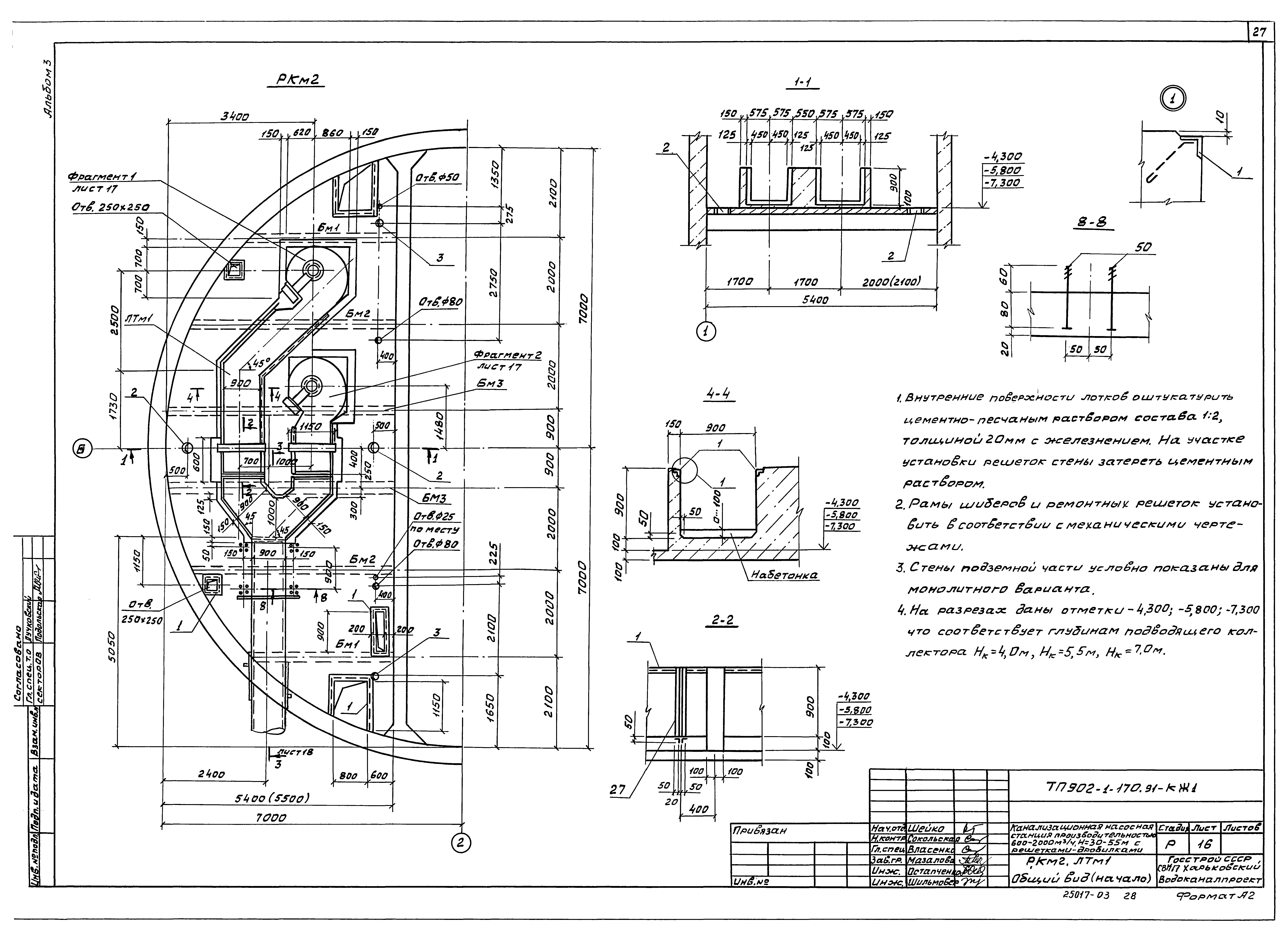
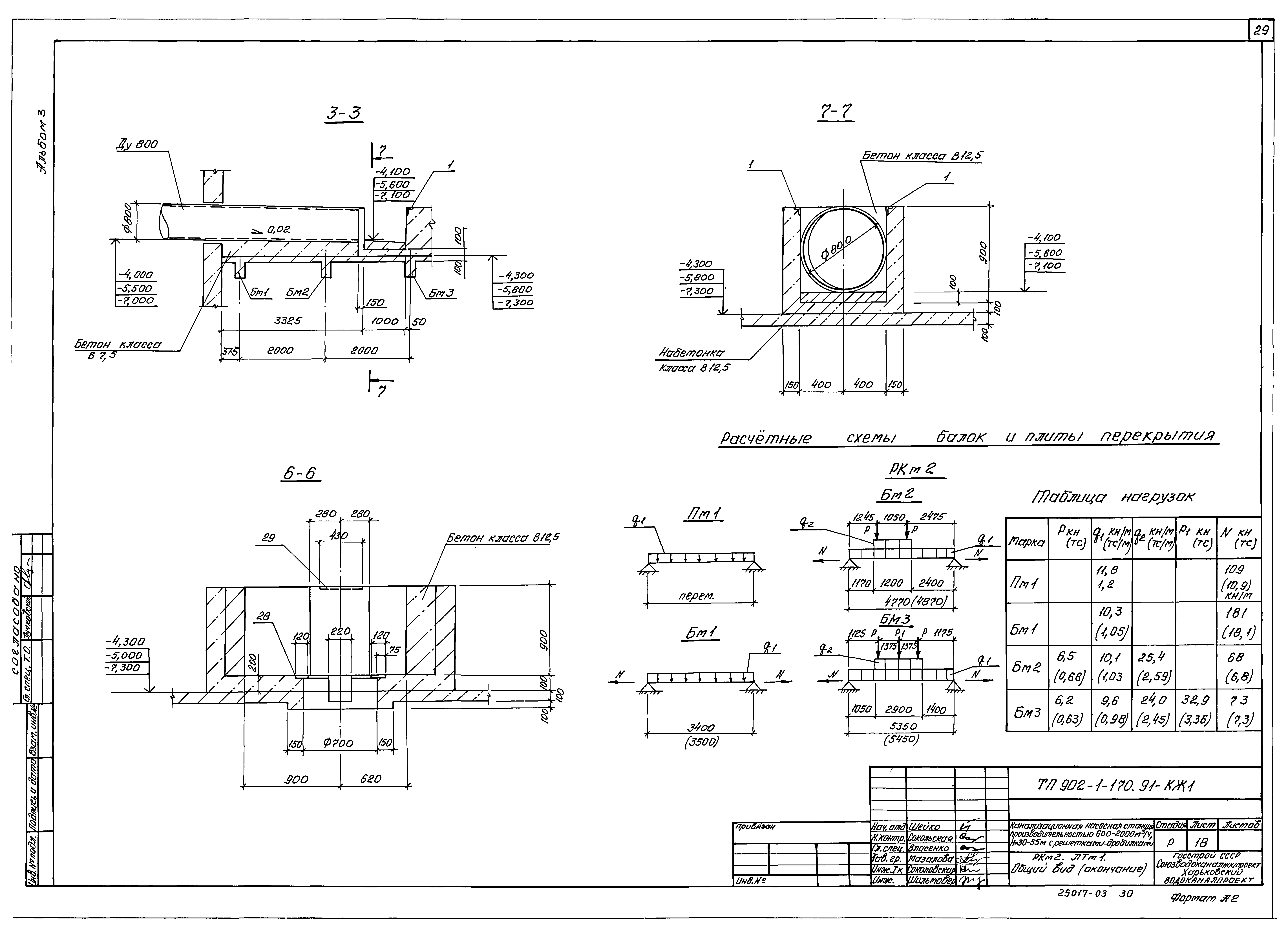
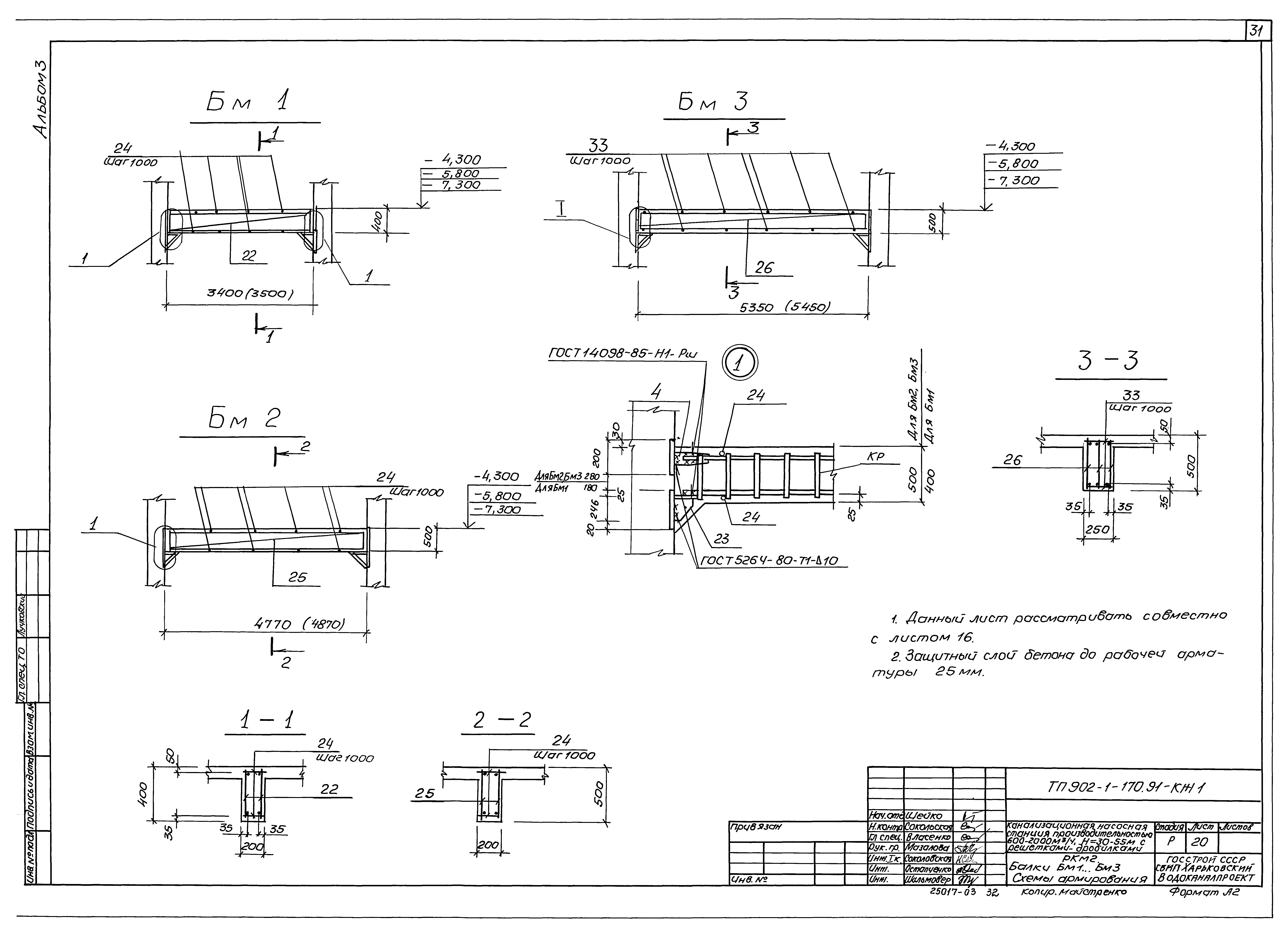
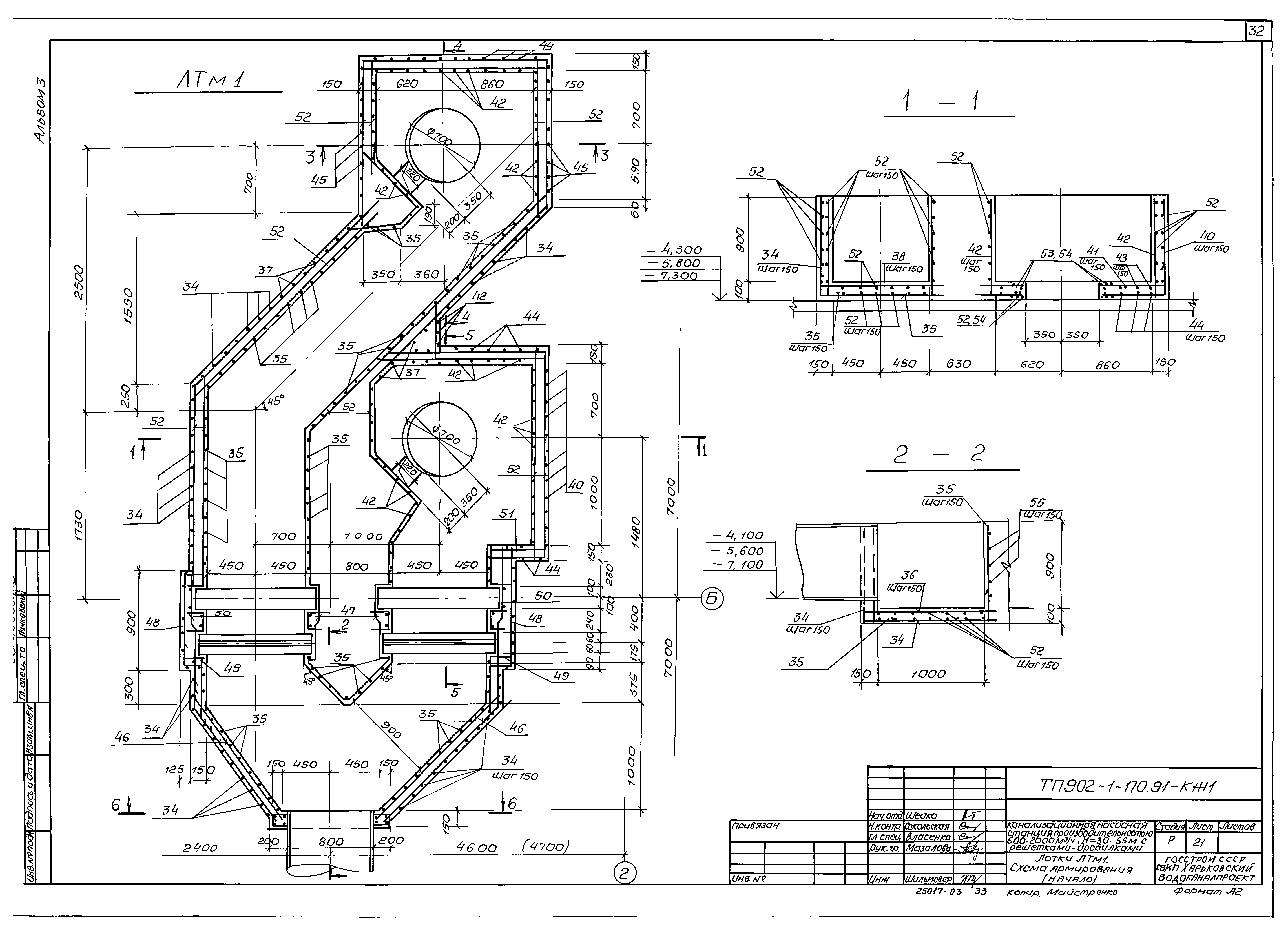
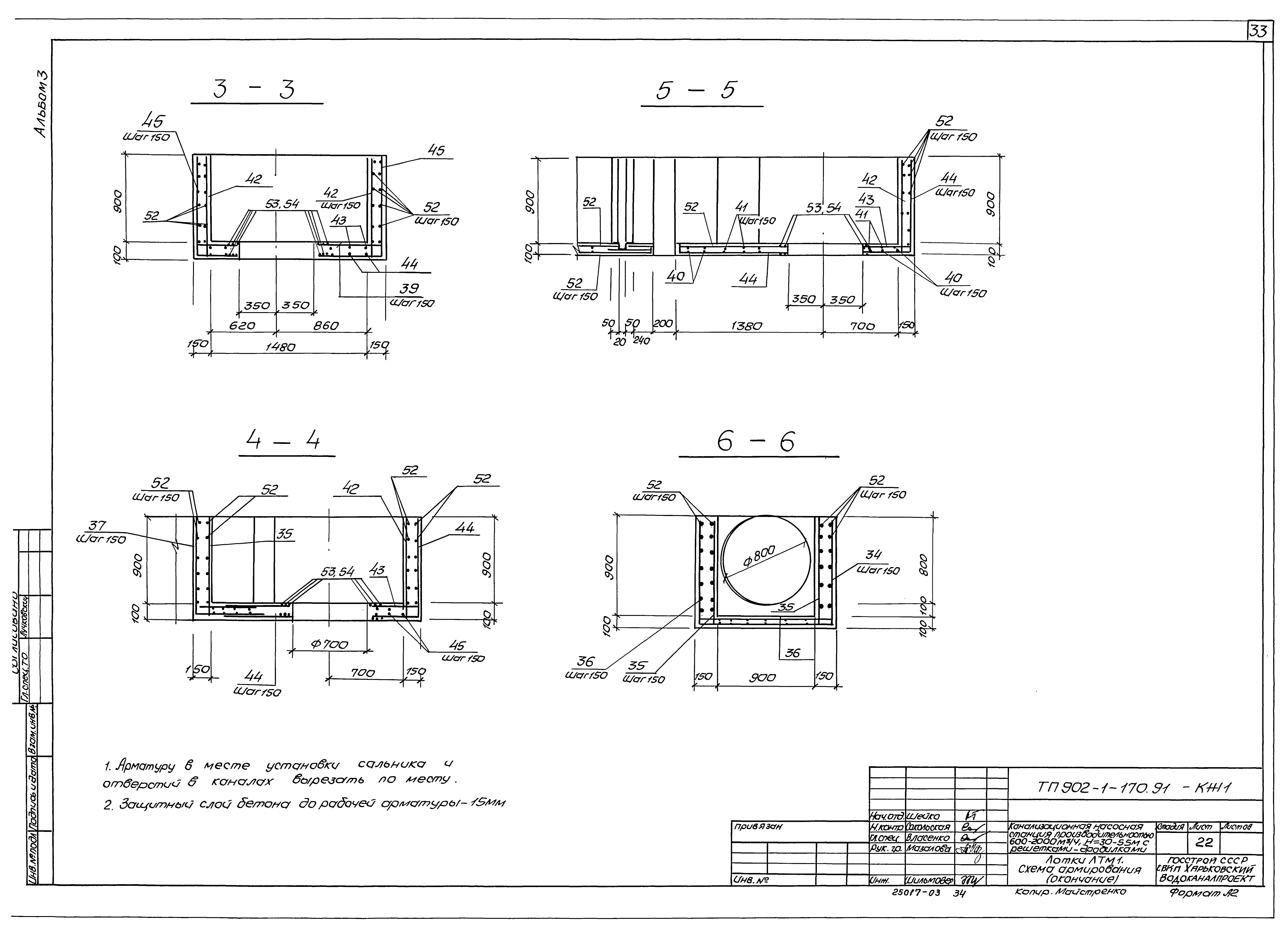
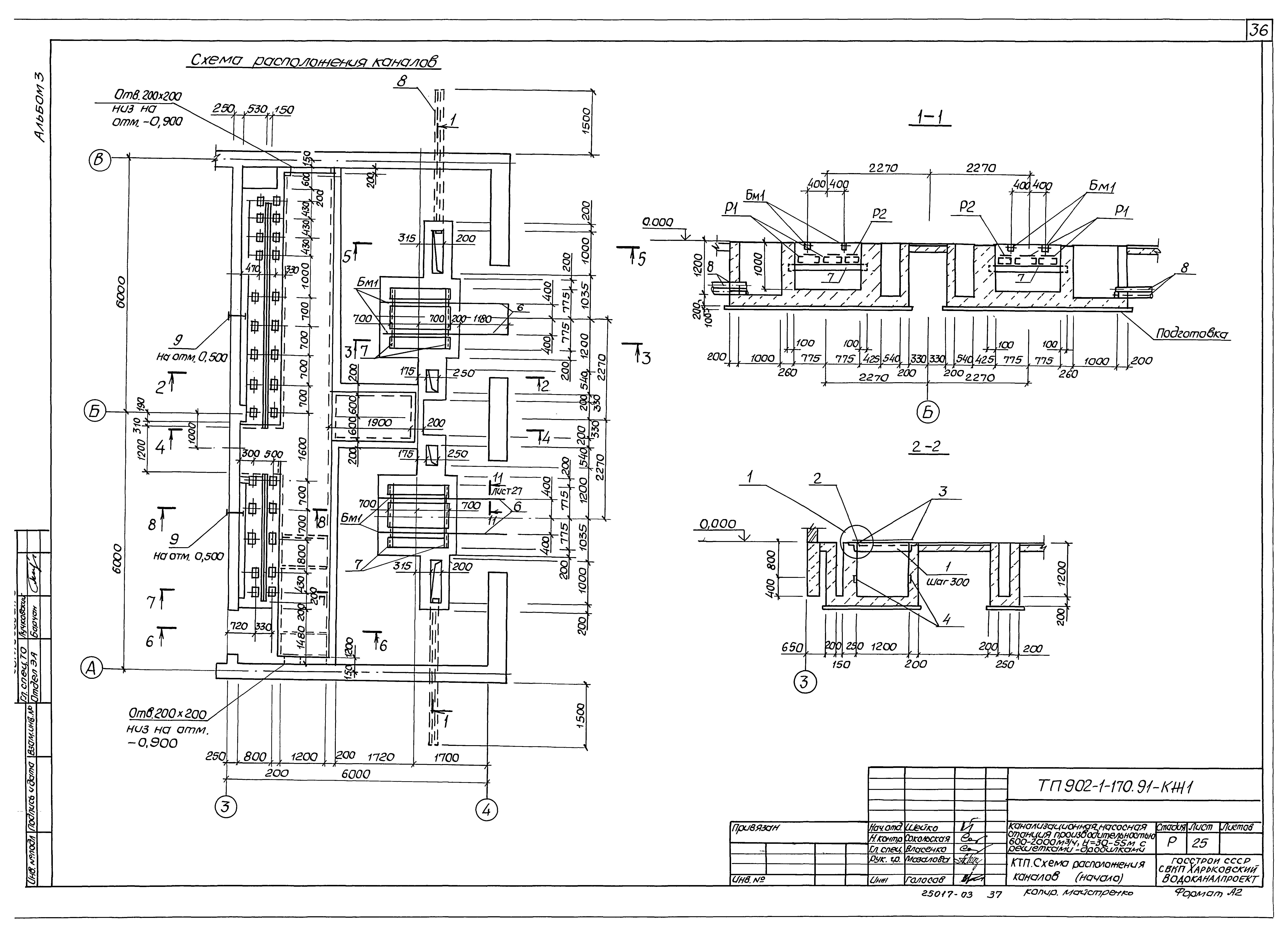
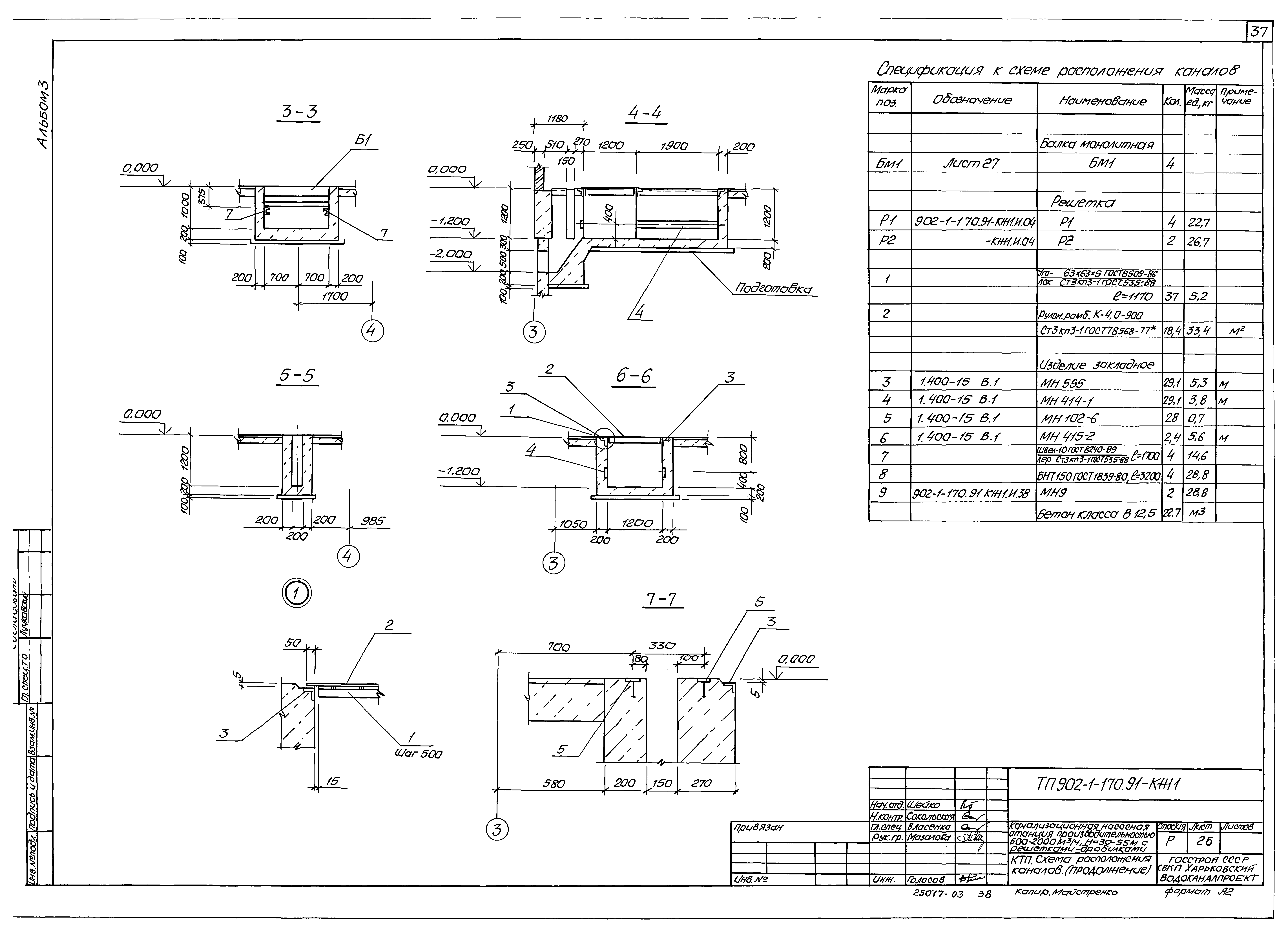
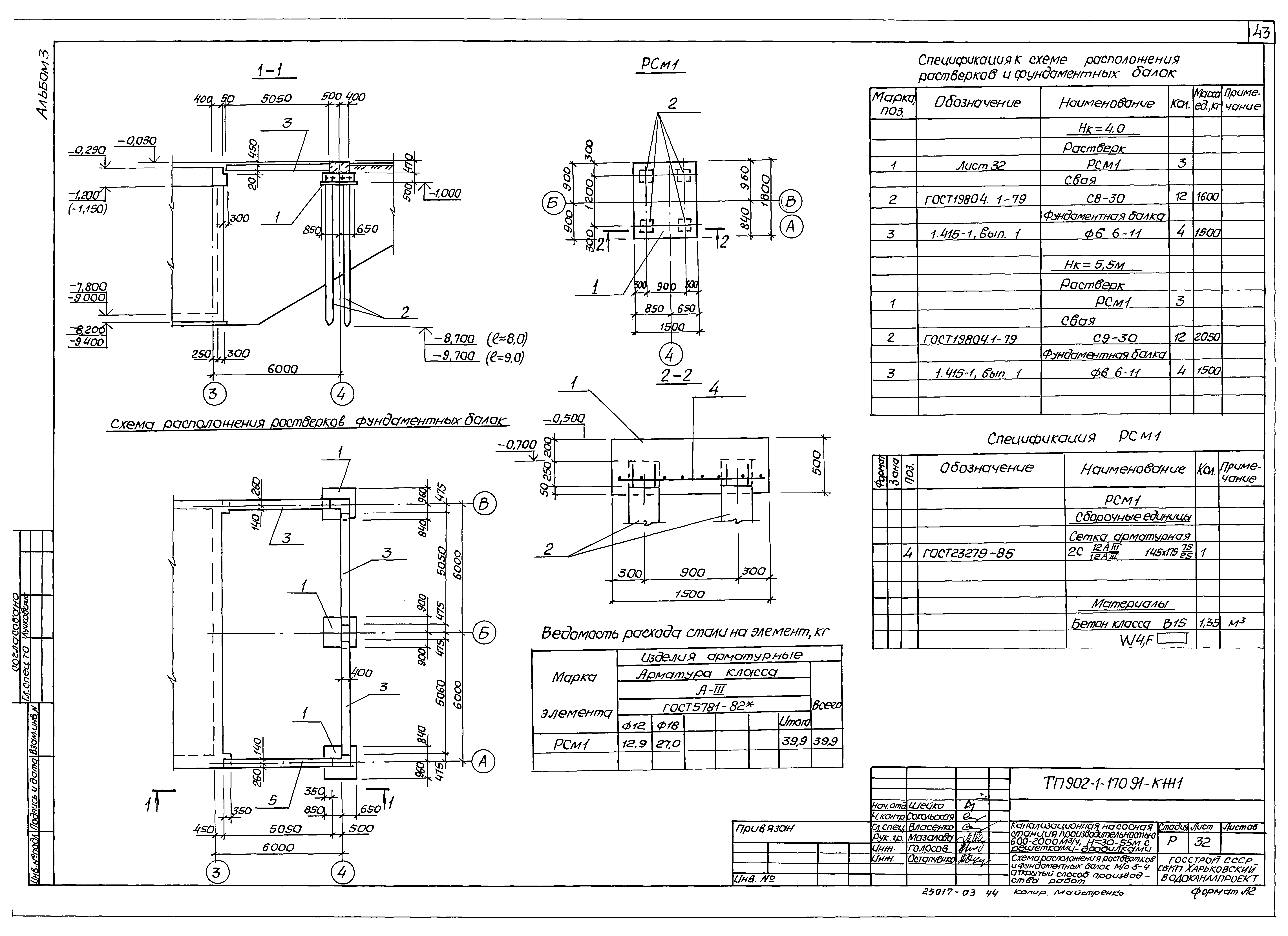
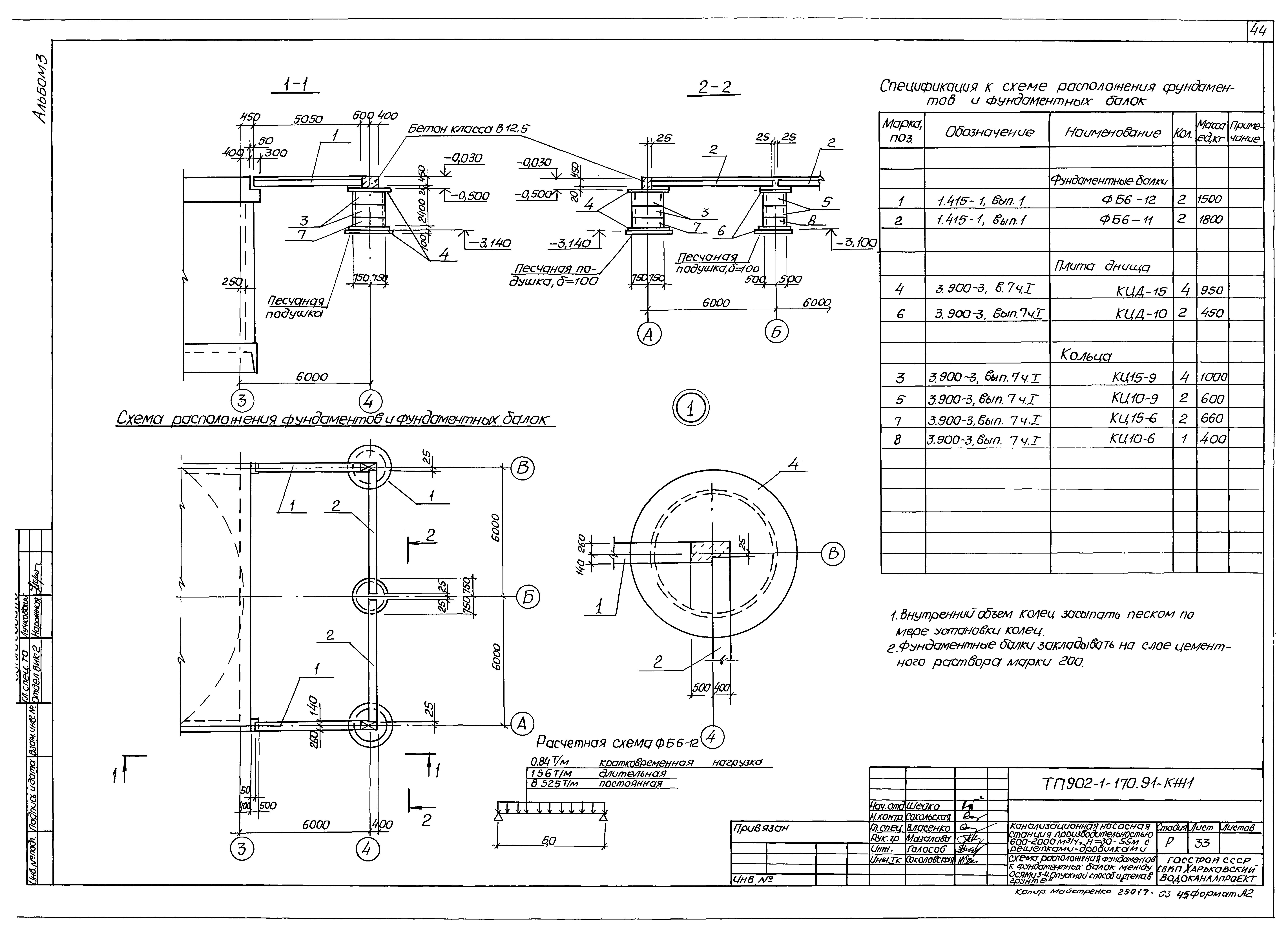
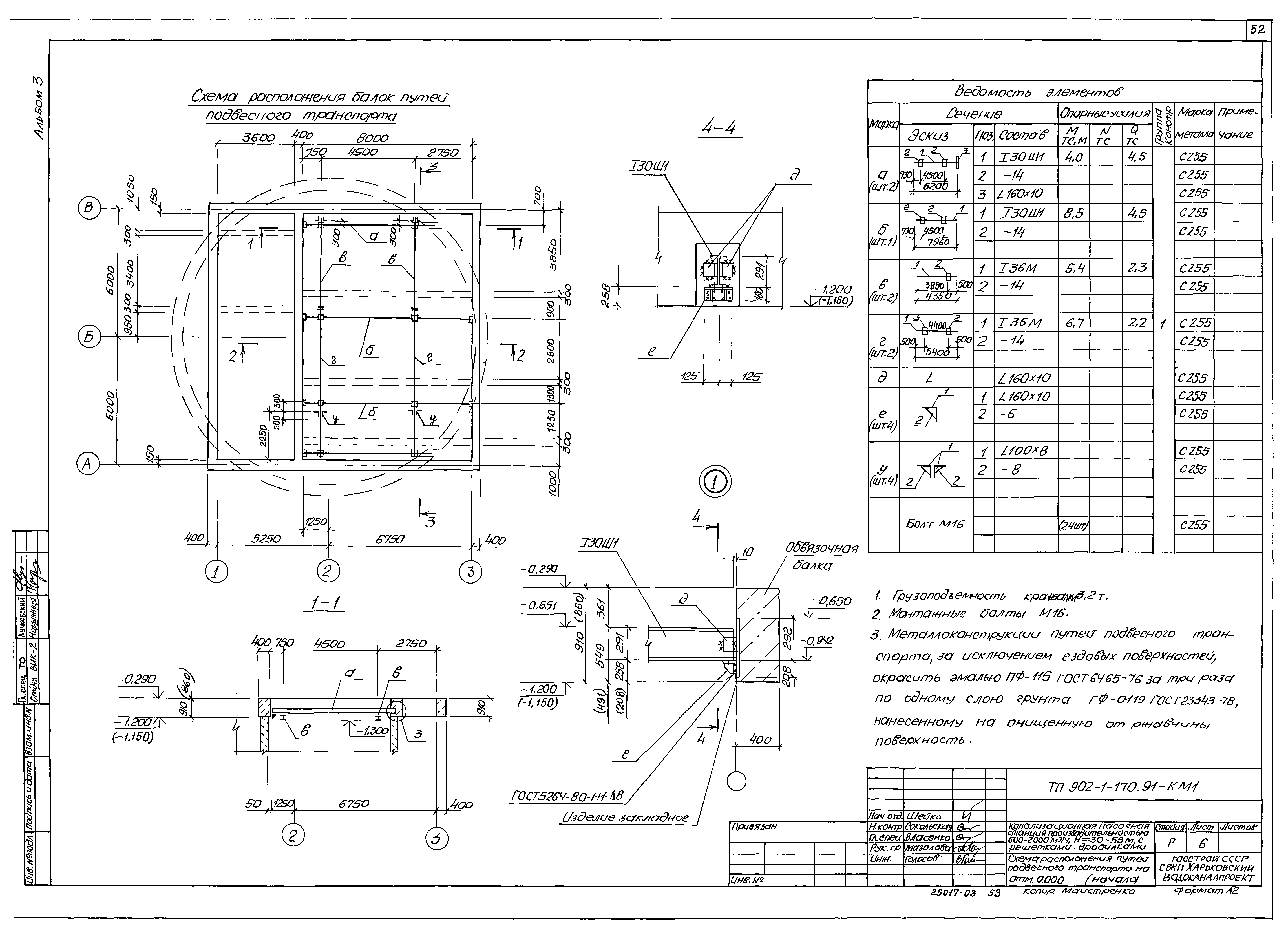
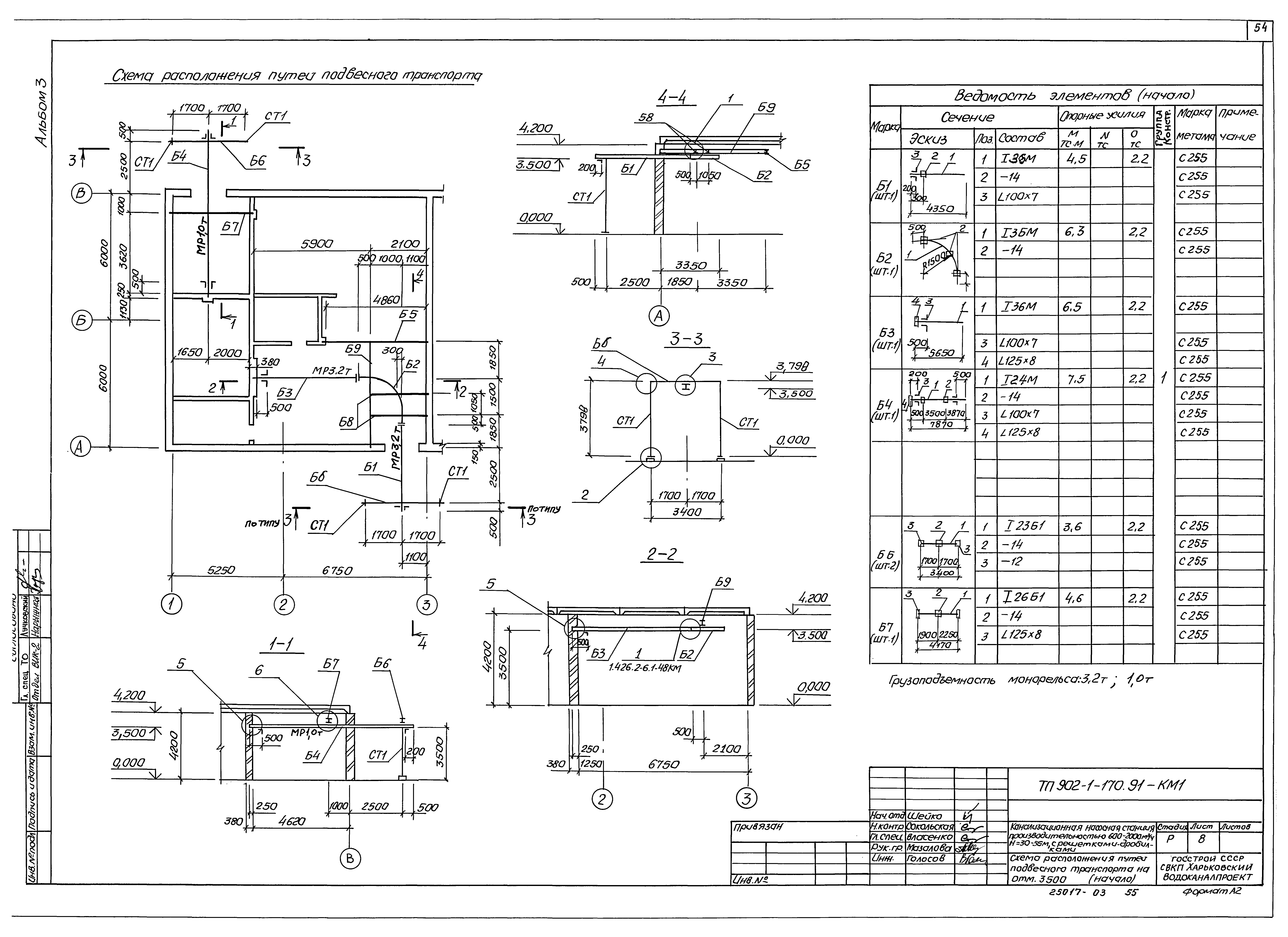
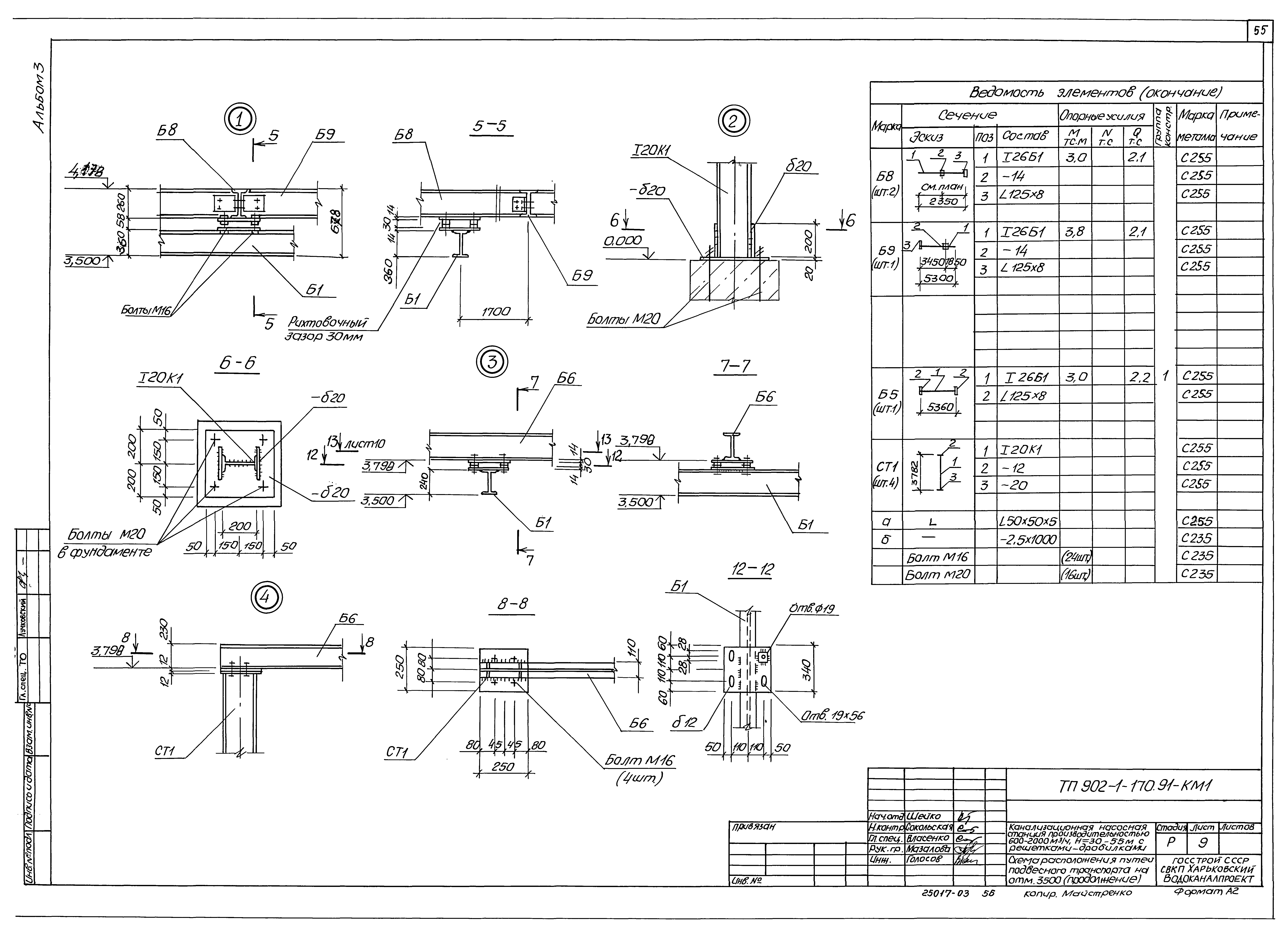
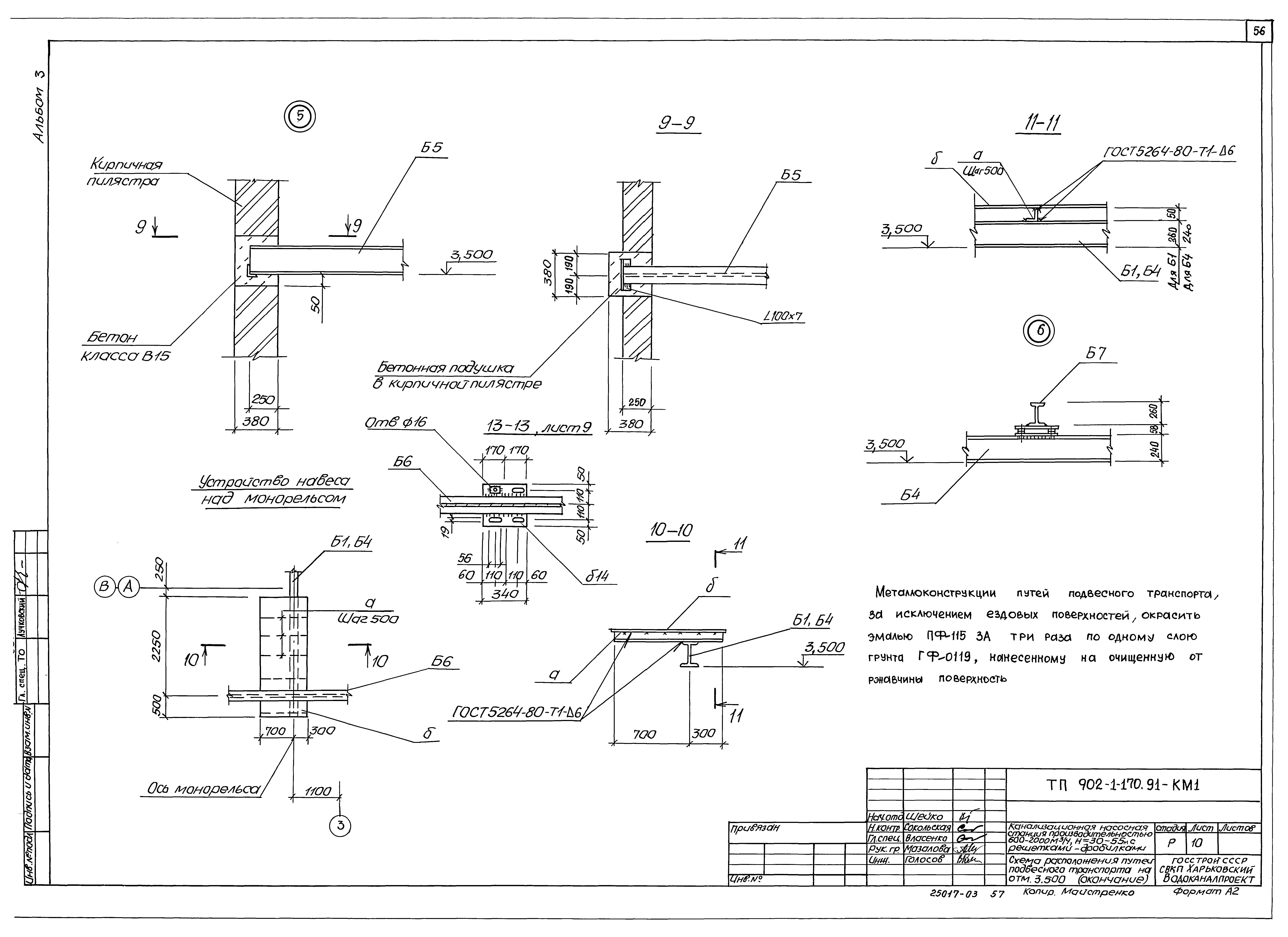
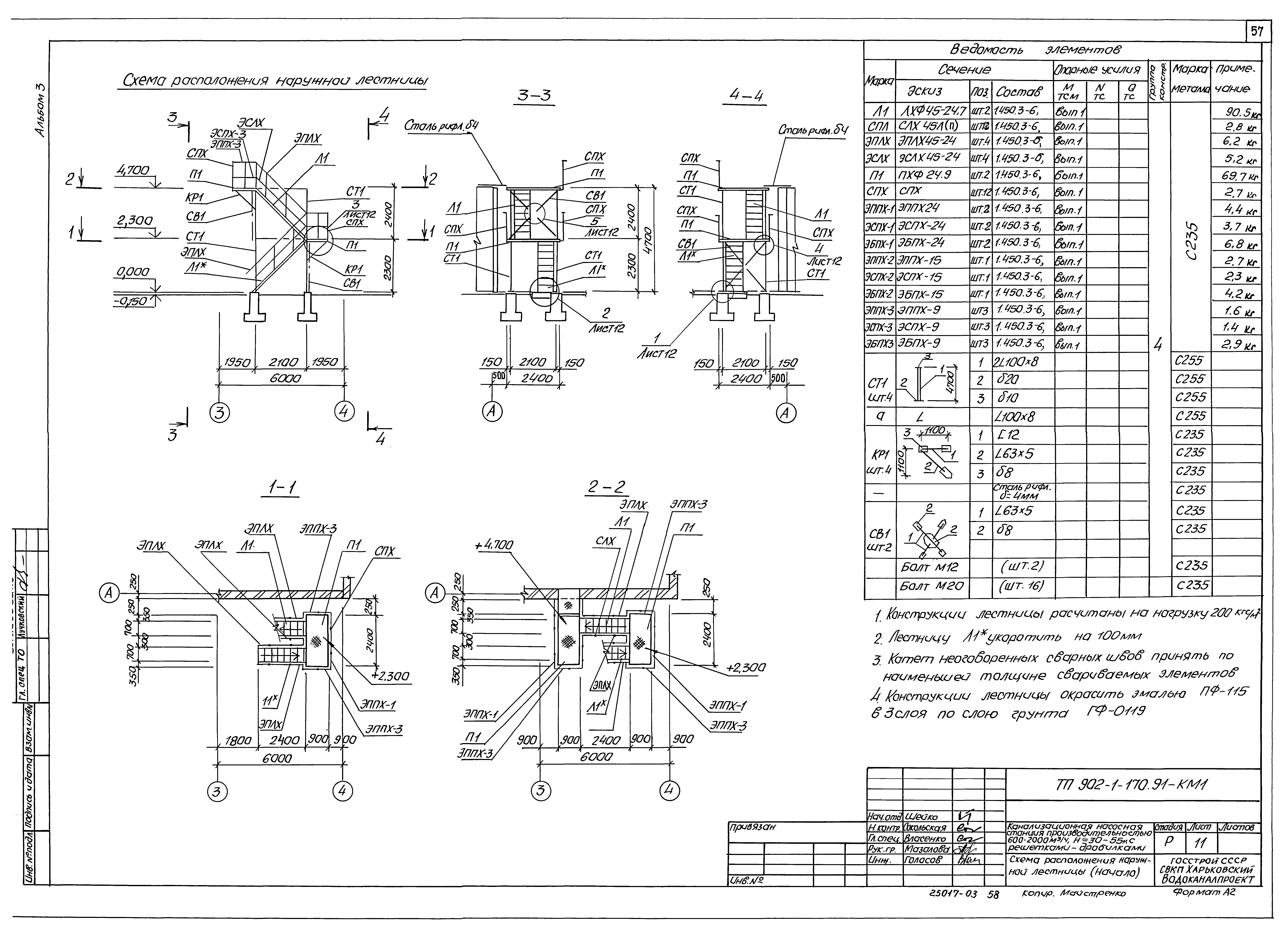
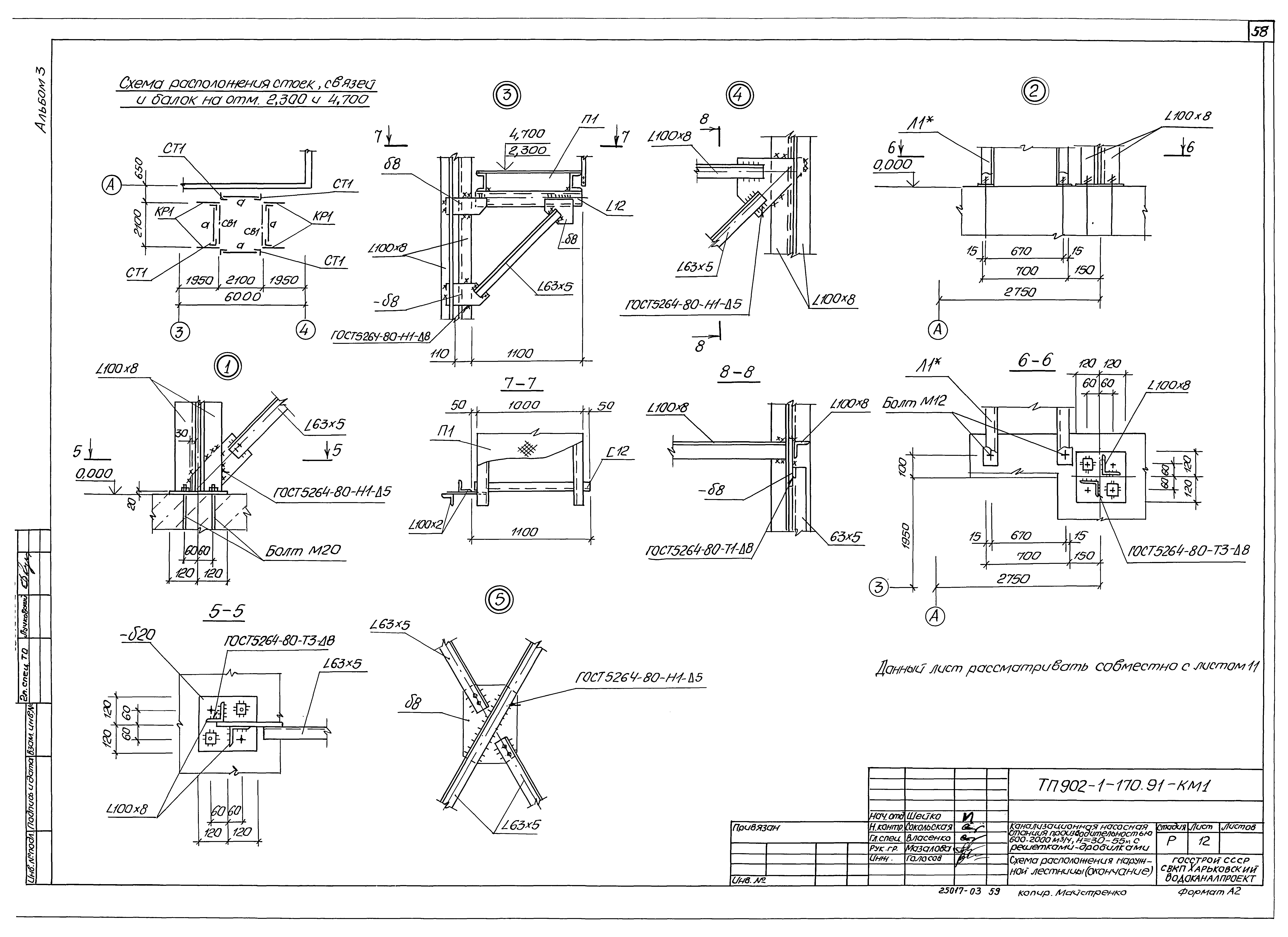
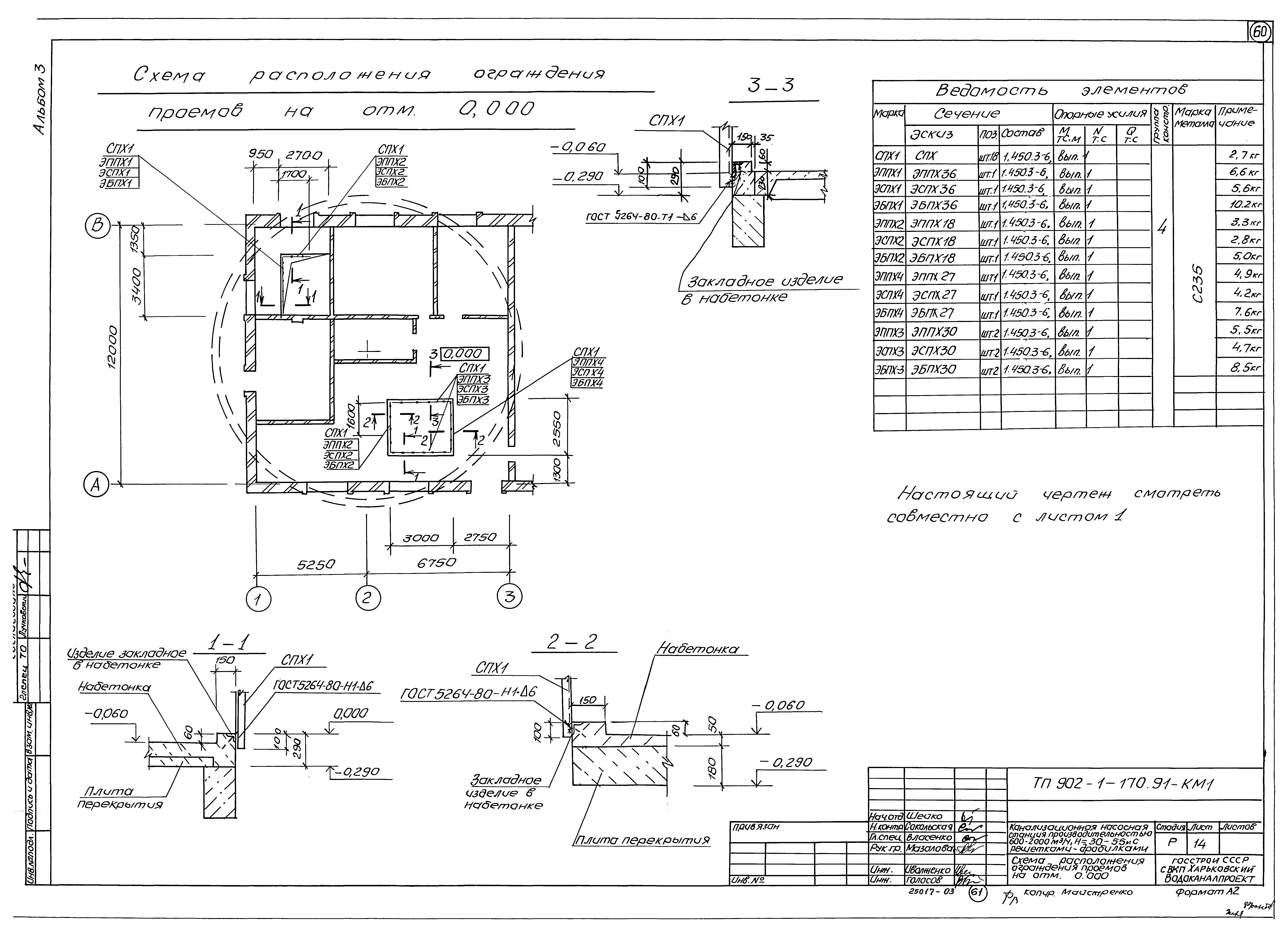
| Оглавление: | Содержание Чертежи основного комплекта марки АР Общие данные План на отм. 0.000 Разрезы 1-1, 2-2 Фасады. Схемы расположения элементов заполнения оконных проемов План кровли. Планы полов. Экспликация полов План отверстий и закладных отверстий Фрагмент 1. Сечения. Узлы Детали Чертежи основного комплекта марки КЖ1 Общие данные Схема расположения плит покрытия Схема расположения плит перекрытия на отм. 0.000 РКм1. Схема расположения балок перекрытия на отм. - 0.290 РКм1. Монолитные участки УМ1, УМ2. Общий вид и схема армирования РКм1. Балки обвязочные БОМ1…БОМ4. Общий вид и схема армирования ОКм1. Общий вид и схема армирования РКм2. ЛТм1. Общий вид РКм2. Плита Пм1. Схемы армирования РКм2. Балки Бм1…Бм3. Схемы армирования Лотки ЛТм1. Схемы армирования РКм2. ЛТм1. Спецификация КТП. Схема расположения каналов Схема расположения труб для укладки электрокабеля Схема расположения фундаментов под оборудование и опор Схема расположения ростверков и фундаментных балок между осями 3 - 4. Открытый способ производства работ Схема расположения фундаментов и фундаментных балок между осями 3 - 4. Опускной способ и "стена в грунте" Схема расположения элементов заземления Детали гидроизоляции. Установка дренажного приямка Чертежи основного комплекта марки КМ1 Общие данные Схема расположения путей подвесного транспорта на отм. 0.000 Схема расположения путей подвесного транспорта на отм. 3.500 Схема расположения наружной лестницы Схема расположения ограждения кровли Схема расположения ограждения проемов |
| Разработан: | Харьковский Водоканалпроект |
| Утверждён: | 15.05.1991 СоюзводоканалНИИпроект (SoyuzvodokanalNIIproject 9) |




























































