Скачать Типовой проект 903-1-23/71 Альбом X/3. Тип 3. Котельная для централизованного теплоснабжения систем отопления и вентиляции с обработкой воды методом натрий-катионирования. Заказные спецификации на оборудование и арматуру (заказные)Дата актуализации: 01.01.2021
|
| Обозначение: | Типовой проект 903-1-23/71 |
| Обозначение англ: | 903-1-23/71 |
| Статус: | отменен |
| Название рус.: | Альбом X/3. Тип 3. Котельная для централизованного теплоснабжения систем отопления и вентиляции с обработкой воды методом натрий-катионирования. Заказные спецификации на оборудование и арматуру (заказные) |
| Дата добавления в базу: | 01.10.2014 |
| Дата актуализации: | 01.01.2021 |
| Дата введения: | 01.03.1973 |
| Дата окончания срока действия: | 01.03.1983 |
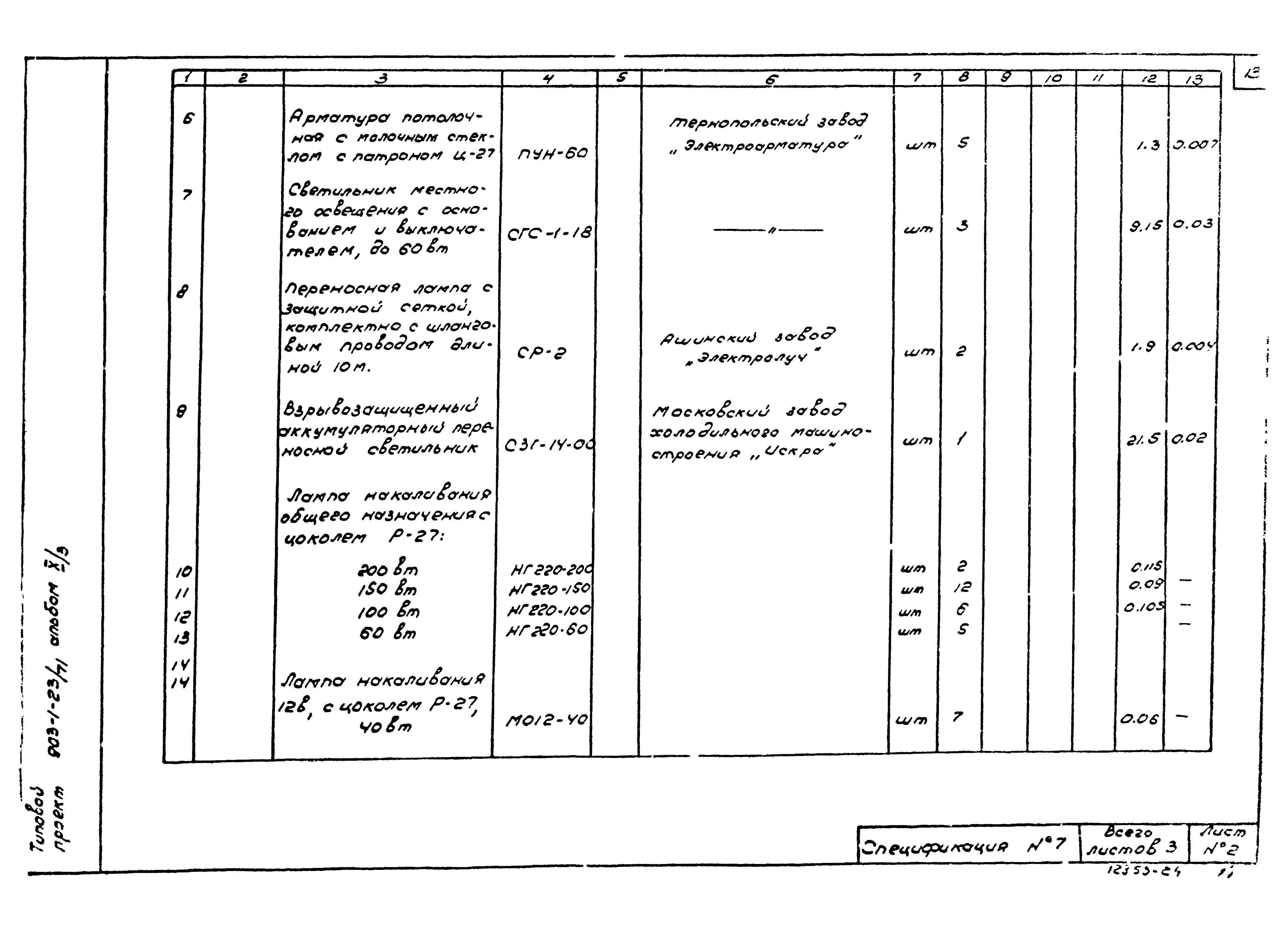
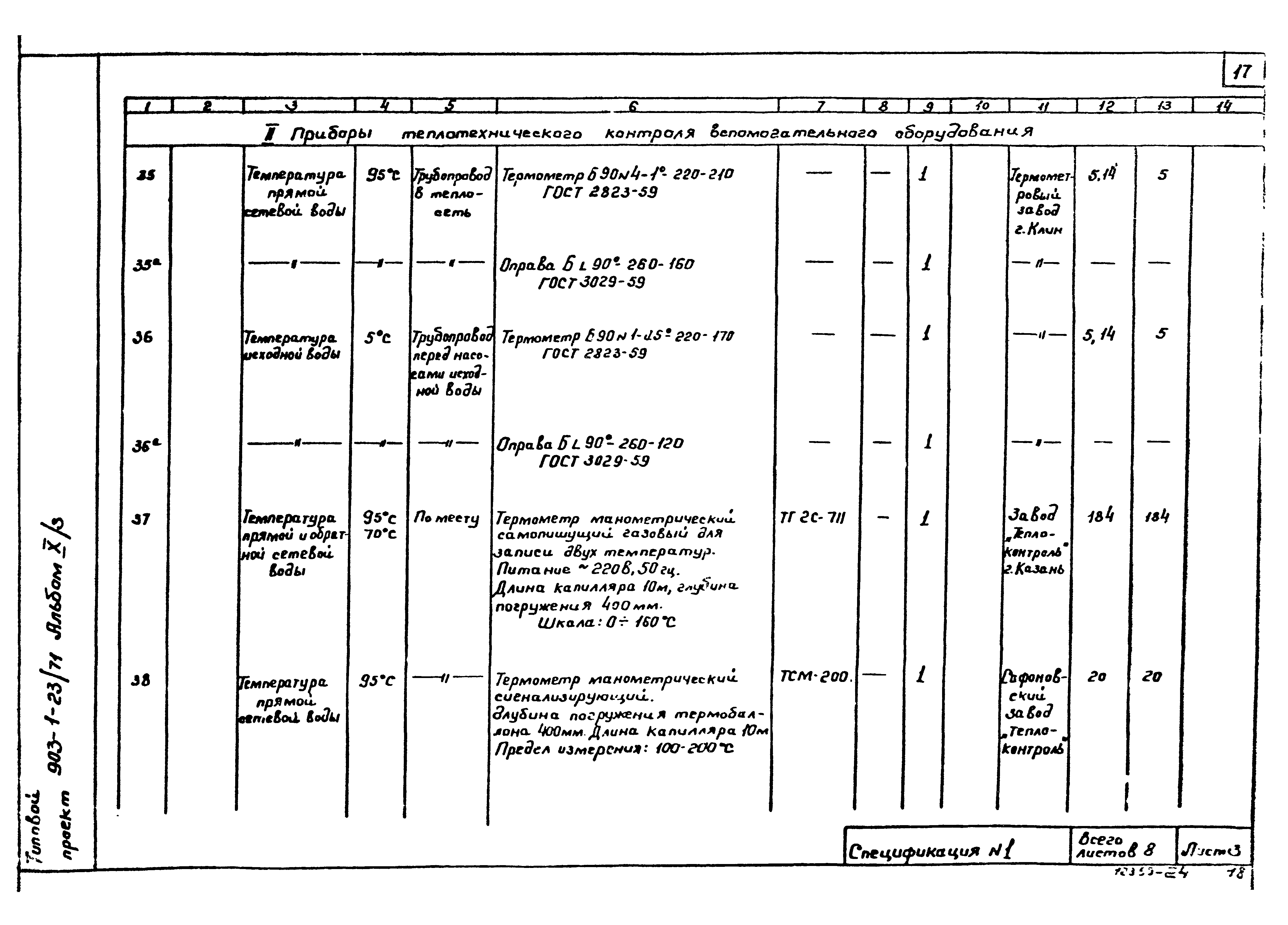
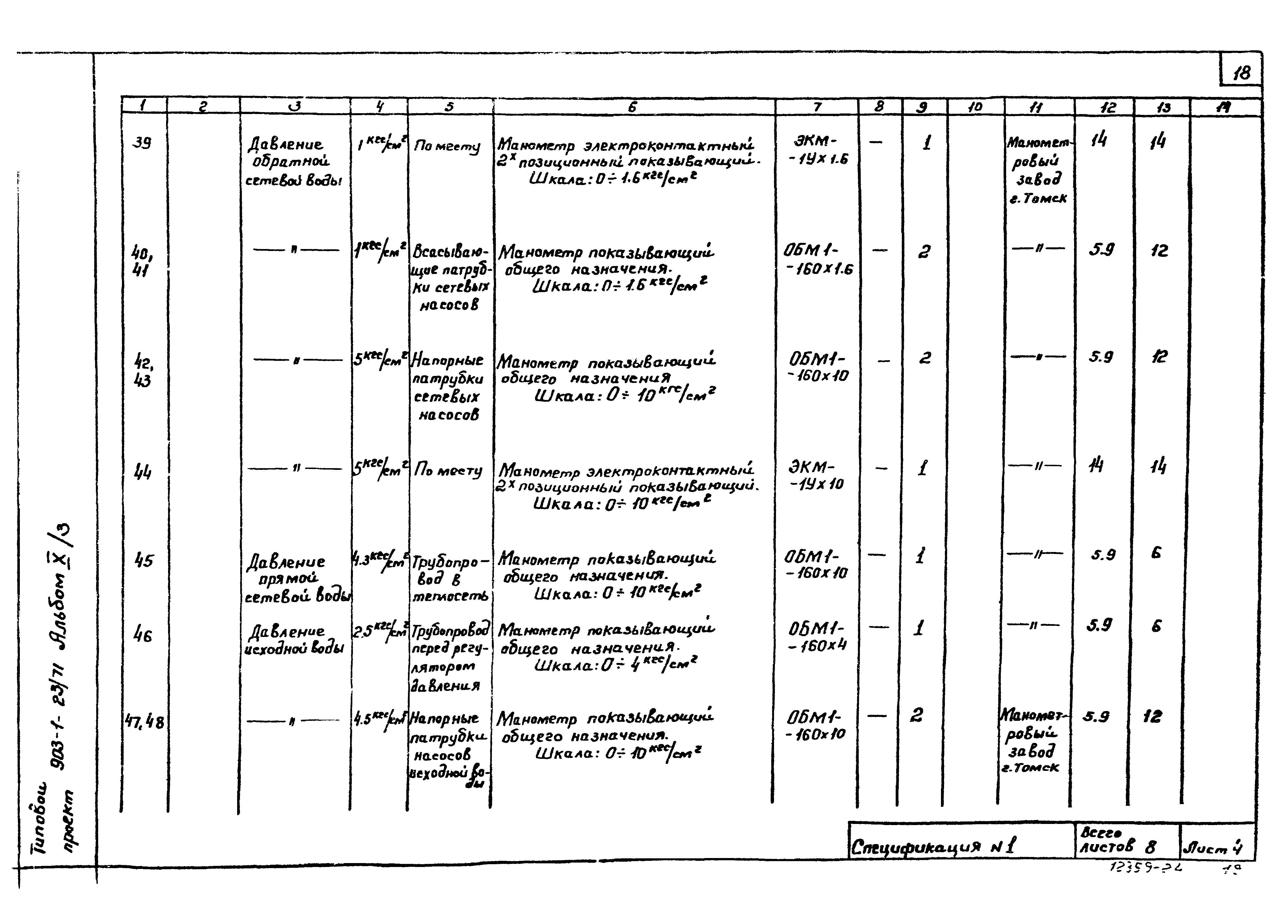
| Оглавление: | Котельная Заказная спецификация на общезаводское оборудование Заказная спецификация на оборудование, не изготавливаемое промышленностью Заказная спецификация на промышленную трубопроводную арматуру Водоподготовка Заказная спецификация на оборудование, не изготавливаемое промышленностью Заказная спецификация на промышленную трубопроводную арматуру Электроснабжение Заказная спецификация на силовое электрооборудование и материалы Заказная спецификация на электроосвещение Контроль и регулирование Заказная спецификация приборов и средств автоматизации Заказная спецификация электроаппаратуры Заказная спецификация щитов Заказная спецификация трубопроводной арматуры Заказная спецификация кабелей Заказная спецификация основных монтажных материалов |
| Разработан: | ГПИ Сантехпроект Госстроя СССР |
| Утверждён: | 15.02.1973 Главпромстройпроект Госстроя СССР (7) |
| Заменяет собой: |
|





























