Скачать Типовой проект 903-1-23/71 Альбом X/5. Тип 3. Котельная для централизованного теплоснабжения систем отопления и вентиляции с обработкой воды методом натрий-катионирования. Заказные спецификации на оборудование и арматуру установки централизованного горячего водоснабжения (заказные) (по требованию)Дата актуализации: 01.01.2021
|
| Обозначение: | Типовой проект 903-1-23/71 |
| Обозначение англ: | 903-1-23/71 |
| Статус: | отменен |
| Название рус.: | Альбом X/5. Тип 3. Котельная для централизованного теплоснабжения систем отопления и вентиляции с обработкой воды методом натрий-катионирования. Заказные спецификации на оборудование и арматуру установки централизованного горячего водоснабжения (заказные) (по требованию) |
| Дата добавления в базу: | 01.10.2014 |
| Дата актуализации: | 01.01.2021 |
| Дата введения: | 01.03.1973 |
| Дата окончания срока действия: | 01.03.1983 |
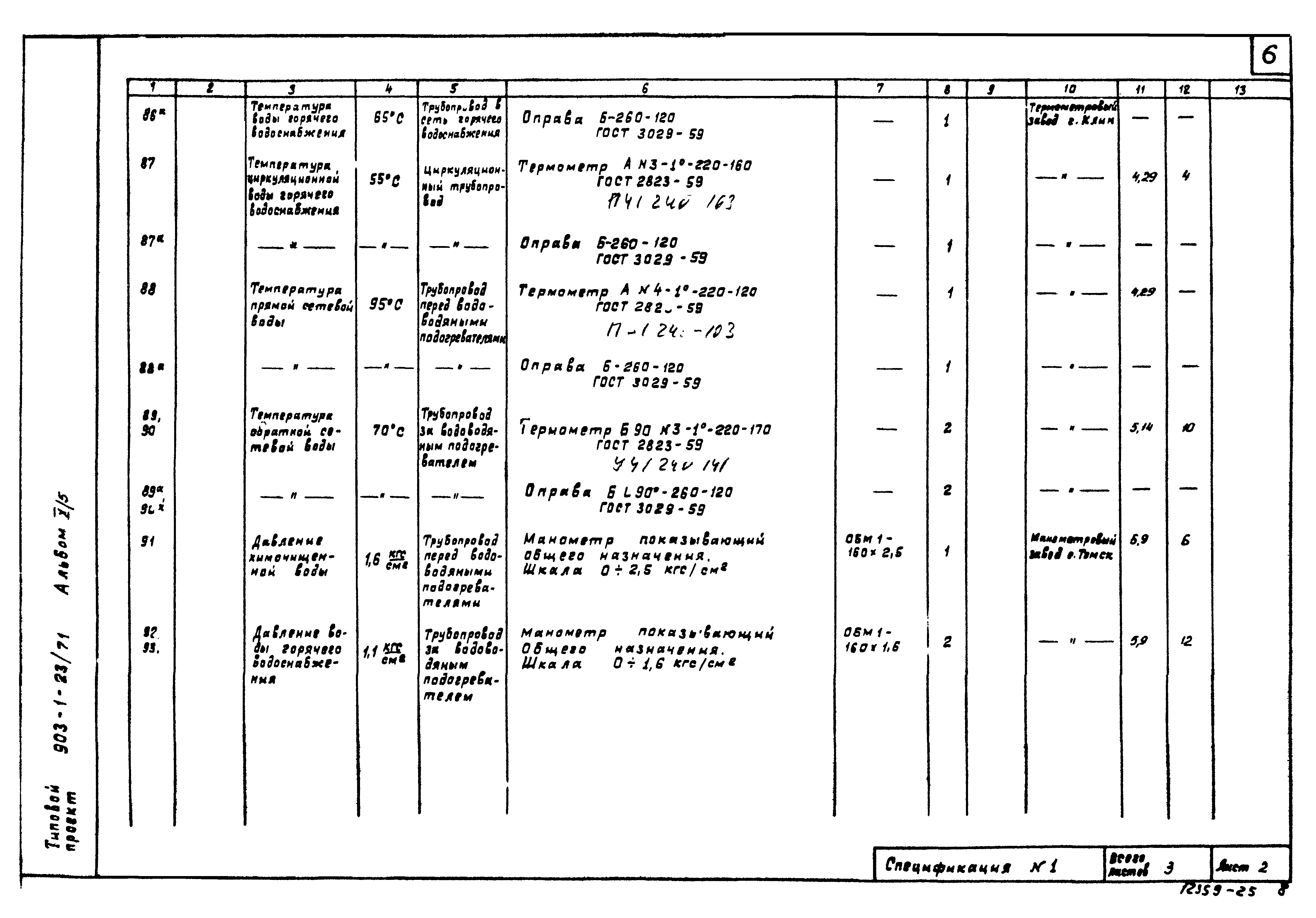
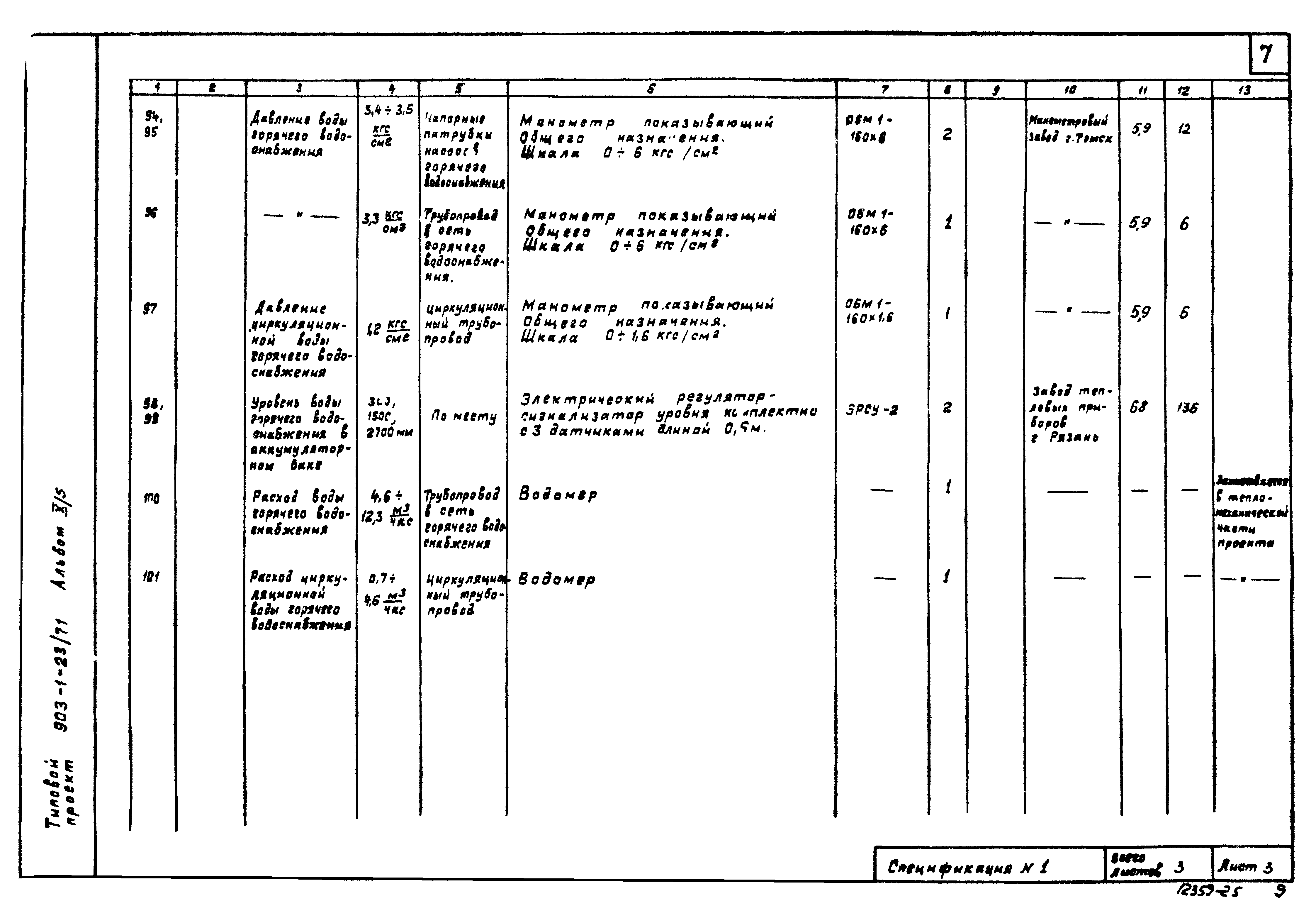
| Оглавление: | Заказная спецификация на общезаводское оборудование Заказная спецификация на оборудование, не изготавливаемое промышленностью Заказная спецификация на промышленную трубопроводную арматуру Заказная спецификация приборов и средств автоматизации № 1 Заказная спецификация электроаппаратуры № 2. Электроаппаратура, не поставляемая комплектная со щитом Заказная спецификация щитов № 3. Заказная спецификация трубопроводной арматуры № 4 Заказная спецификация кабелей и приводов № 5 Заказная спецификация основных монтажных материалов и изделий № 6 Заказная спецификация на электрооборудование и материалы электрооборудования и электроосвещения. Кабельная продукция |
| Разработан: | ГПИ Сантехпроект Госстроя СССР |
| Утверждён: | 15.02.1973 Главпромстройпроект Госстроя СССР (7) |
| Заменяет собой: |
|














