Скачать Эталон выполнения рабочих (монтажных) чертежей технологических трубопроводов отдельных цехов (установок)Дата актуализации: 01.01.2021
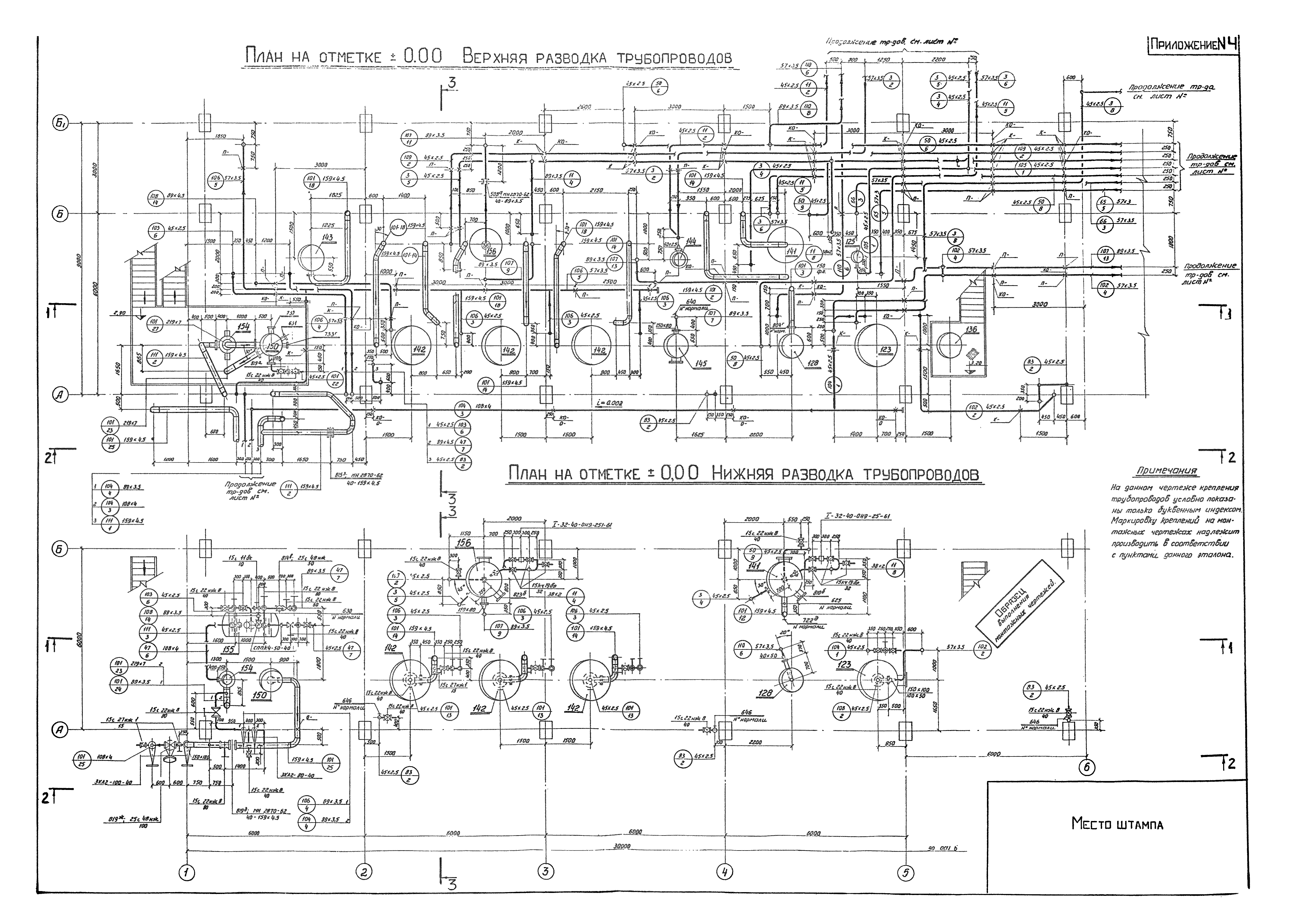
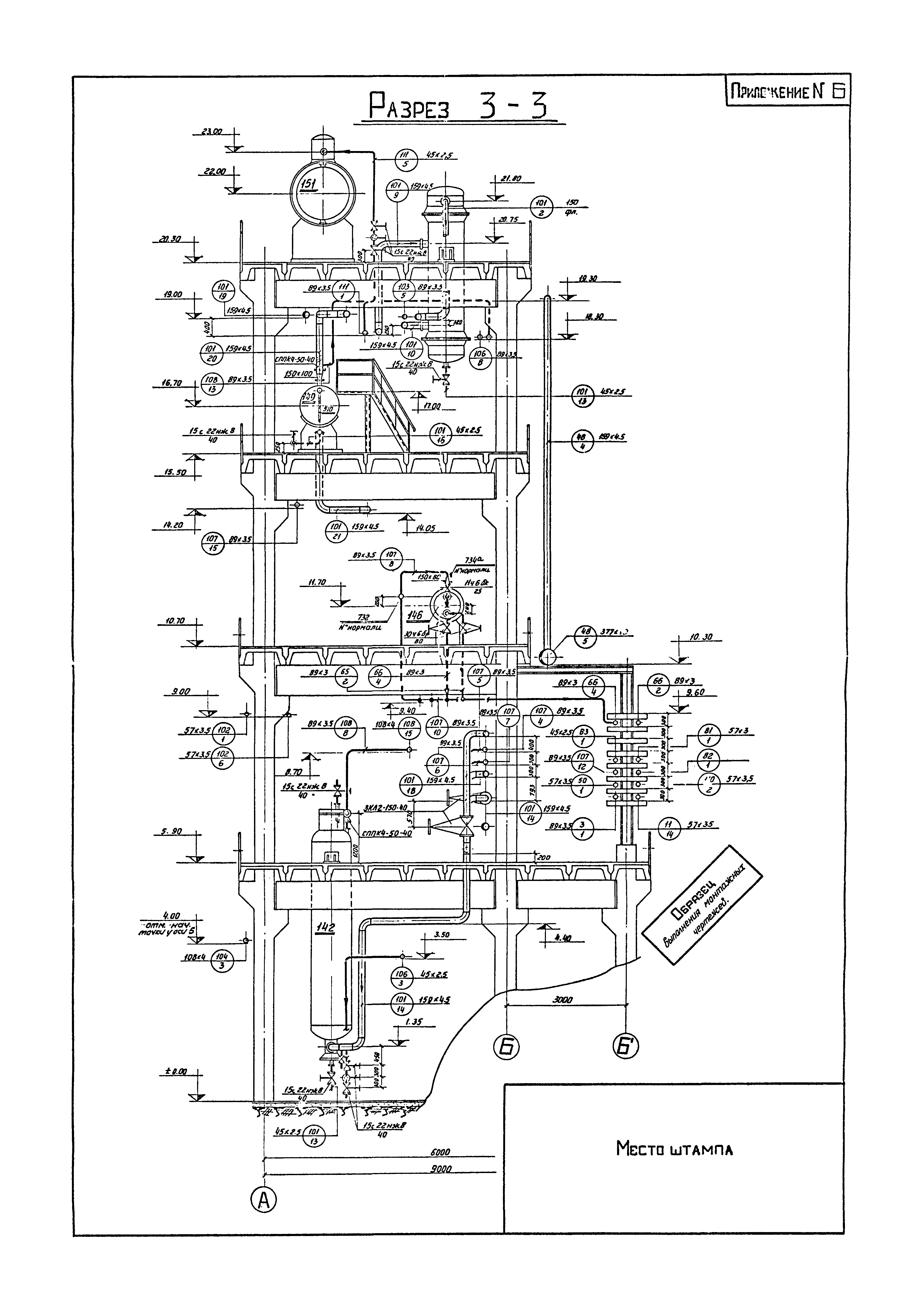
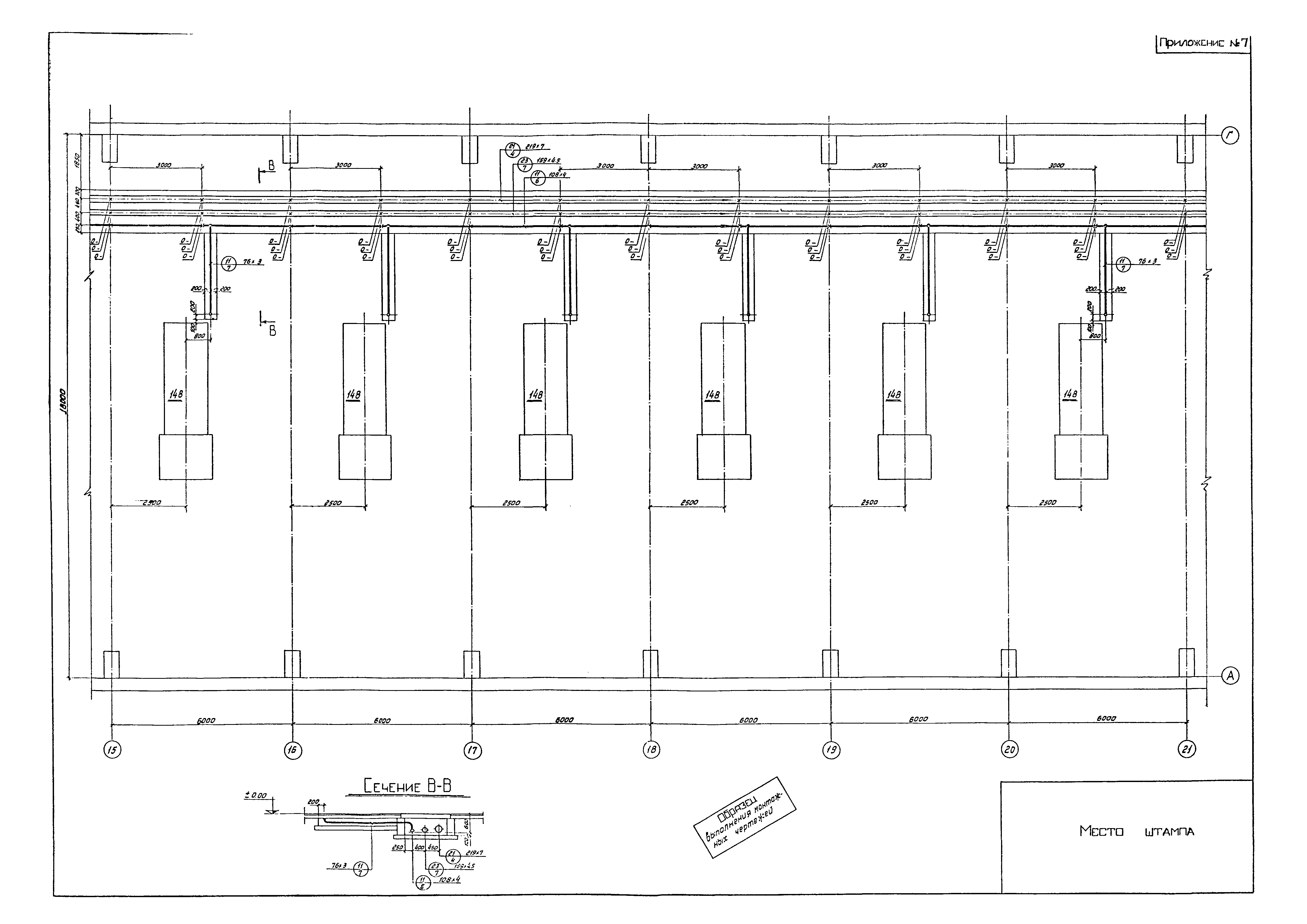
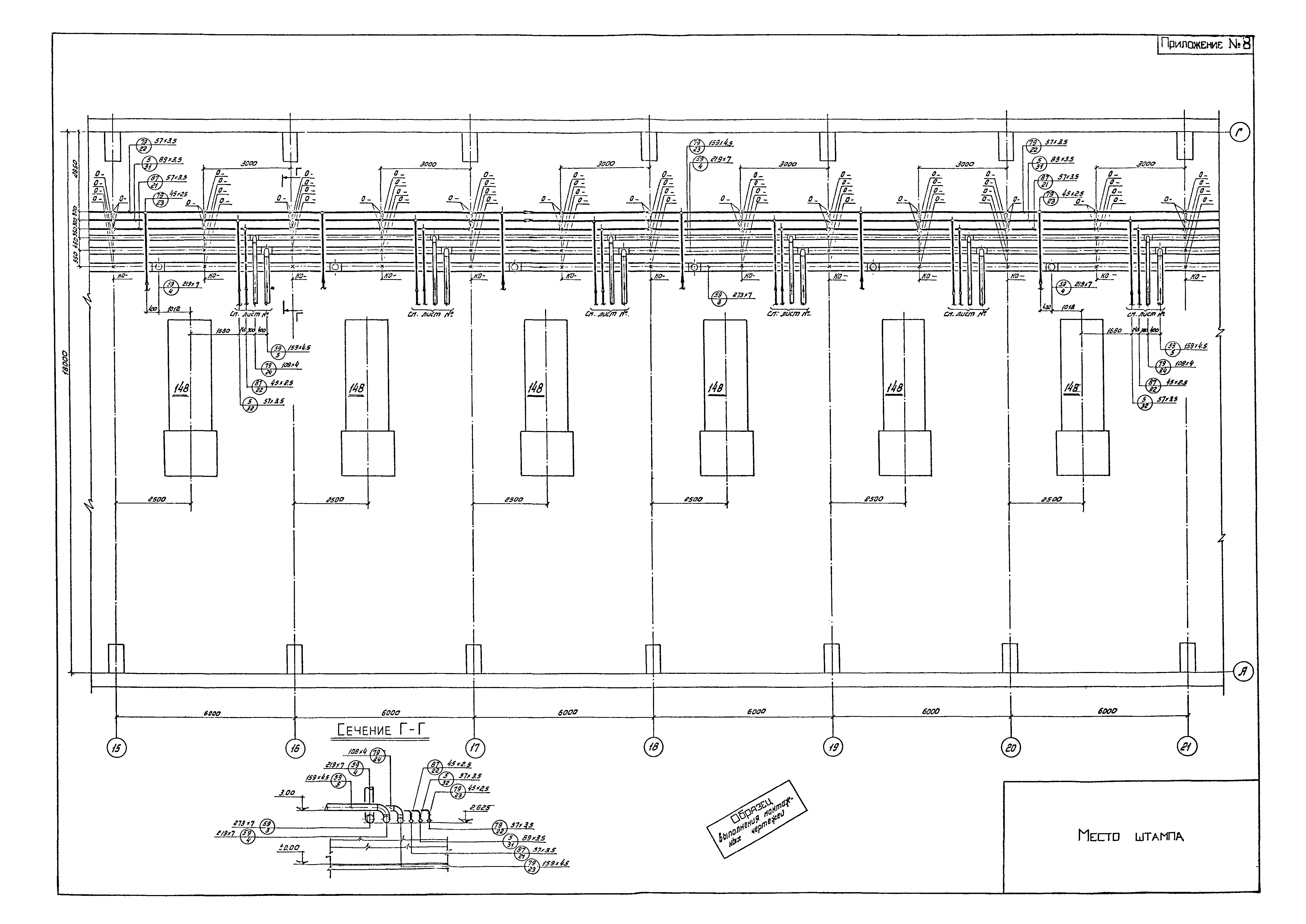
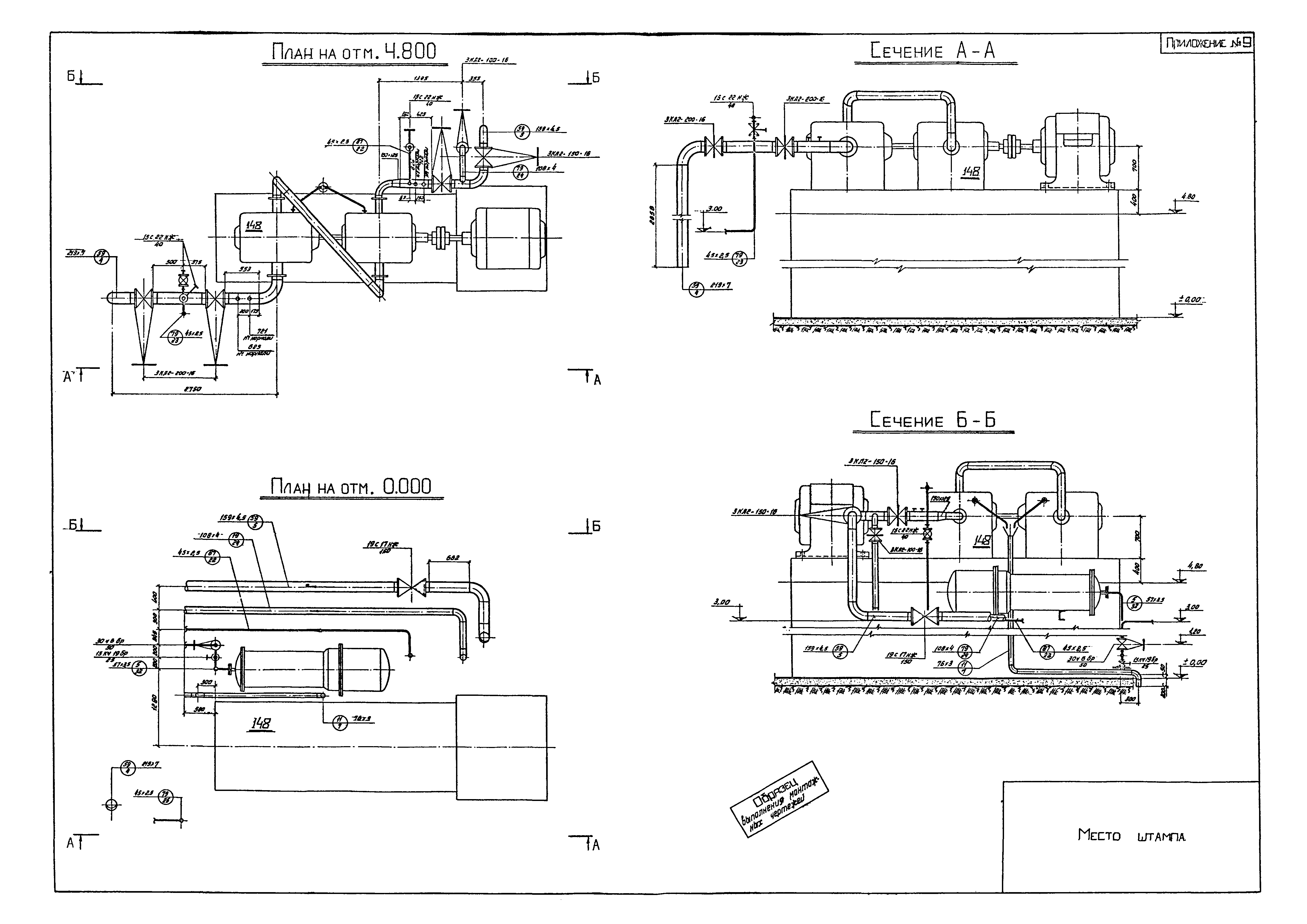
Эталон выполнения рабочих (монтажных) чертежей технологических трубопроводов отдельных цехов (установок)| Статус: | действует | | Название рус.: | Эталон выполнения рабочих (монтажных) чертежей технологических трубопроводов отдельных цехов (установок) | | Дата добавления в базу: | 01.10.2014 | | Дата актуализации: | 01.01.2021 | | Дата введения: | 01.07.1970 | | Область применения: | Эталон устанавливает состав, содержание и объем рабочих (монтажных) чертежей технологических трубопроводов при графическом методе проектирования, обеспечивающих возможность выполнения всех строительно-монтажных работ на площадке строительства и разработку деталировочных чертежей технологических трубопроводов, необходимых для изготовления и монтажа их индустриальными методами; единую систему выполнения рабочих (монтажных) чертежей технологических трубопроводов и единые условные обозначения деталей трубопроводов и арматуры | | Оглавление: | I Общие положения II Пояснительная записка к рабочим чертежам технологических трубопроводов III Маркировка технологических трубопроводов IV Монтажно-технологические схемы V План сооружений и вводы трубопроводов VI Монтажные чертежи трубопроводов VII Чертежи креплений трубопроводов VIII Ведомость трубопроводов по линиям IX Рекомендуемые условные обозначения трубопроводов и арматуры Приложение 1. Образец разбивки трубопроводов на линиях Приложение 2. Образец выполнения монтажно-технологической схемы Приложение 3. Образец выполнения плана сооружений (с разбивкой на блоки) и вводы трубопроводов Приложение 4. Образец выполнения монтажного чертежа трубопроводов, планы Приложение 5. Образец выполнения монтажных чертежей, разрез I-I Приложение 6. Образец выполнения монтажного чертежей на трубопроводов, разрез 3—3 Приложение 7. Образец выполнения монтажного чертежа трубопроводов, план на отм. 0,00-нижняя разводка трубопроводов Приложение 8. Образец выполнения монтажного чертежа трубопроводов, план на отм. 0,00-верхняя разводка трубопроводов Приложение 9. Образец выполнения монтажного чертежа трубопроводов, обвязочные трубопроводы компрессора Приложение 10. Образец выполнения креплений трубопроводов Приложение 11. Образец заполнения ведомости трубопроводов по линиям | | Разработан: | ВНИИмонтажспецстрой Главхиммонтаж Минмонтажспецстроя СССР
| | Утверждён: | Министерство нефтеперерабатывающей и нефтедобывающей промышленности СССР (USSR Ministry of the Petroleum Production and Refining Industries )
| | Издан: | ЦБНТИ (1971 г. )
|
                       
|