Скачать ТУ 400-30-3102-85 Клапан дымоудаления поэтажный. КДП 5Дата актуализации: 01.01.2021
|
| Обозначение: | ТУ 400-30-3102-85 |
| Обозначение англ: | TU 400-30-3102-85 |
| Статус: | не действует |
| Название рус.: | Клапан дымоудаления поэтажный. КДП 5 |
| Дата добавления в базу: | 01.11.2014 |
| Дата актуализации: | 01.01.2021 |
| Дата введения: | 10.03.1986 |
| Дата окончания срока действия: | 10.03.1991 |
| Область применения: | Технические условия распространяются на клапан дымоудаления поэтажный КДП 5 ,применяемый в системе противодымной защиты жилых зданий, предназначенный для открывания проема шахты дымоудаления на этаже возникновения пожара. |
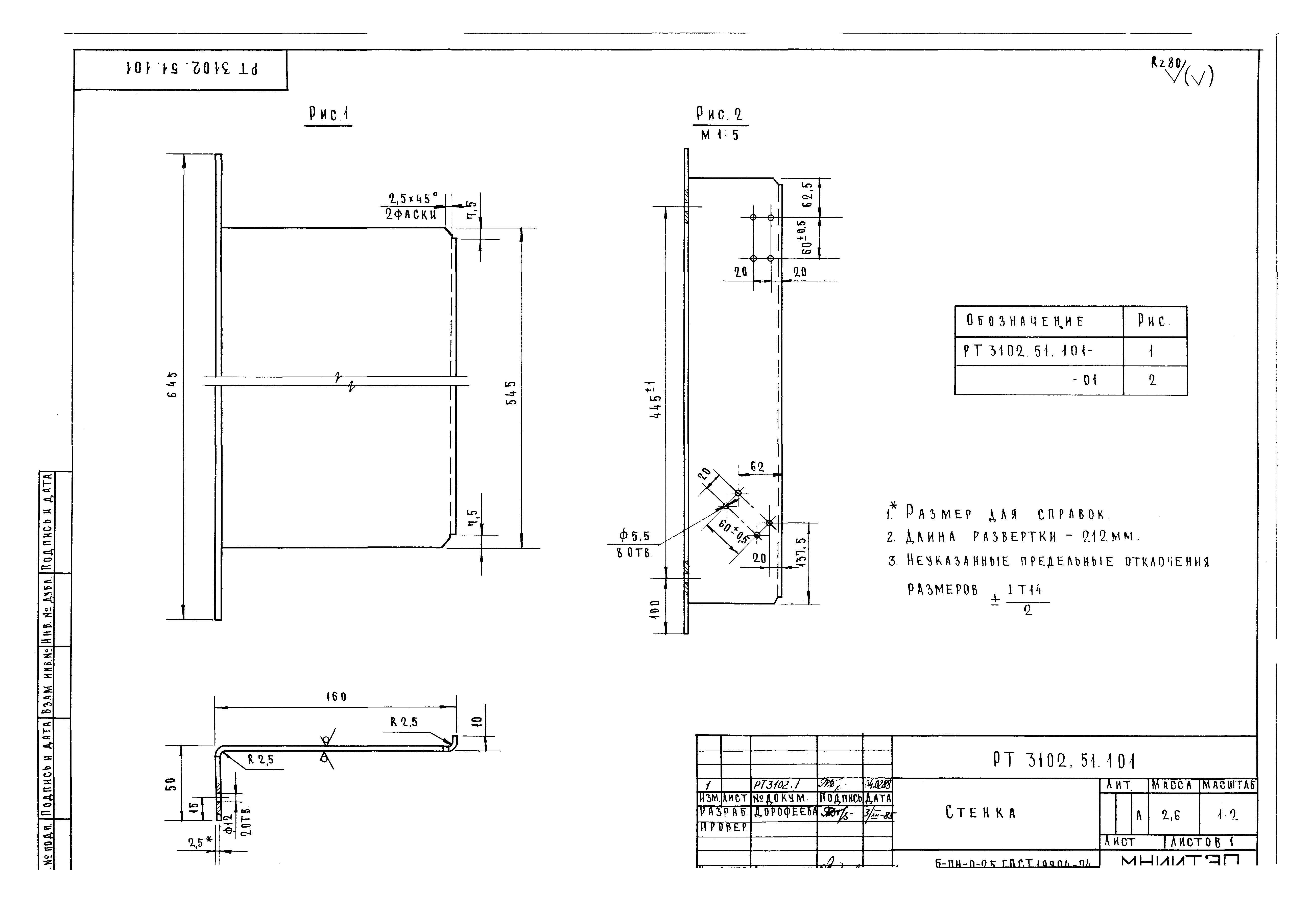
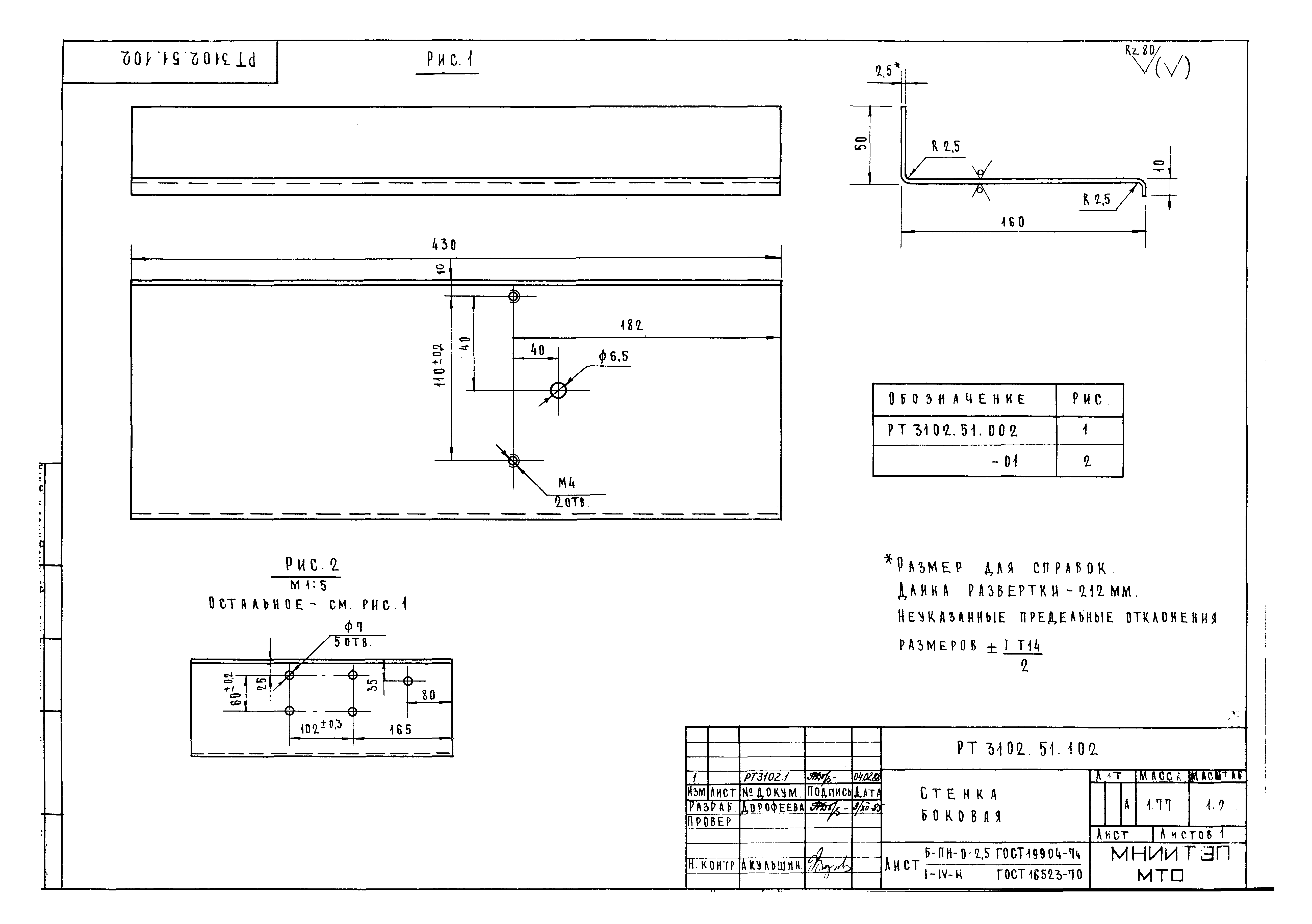
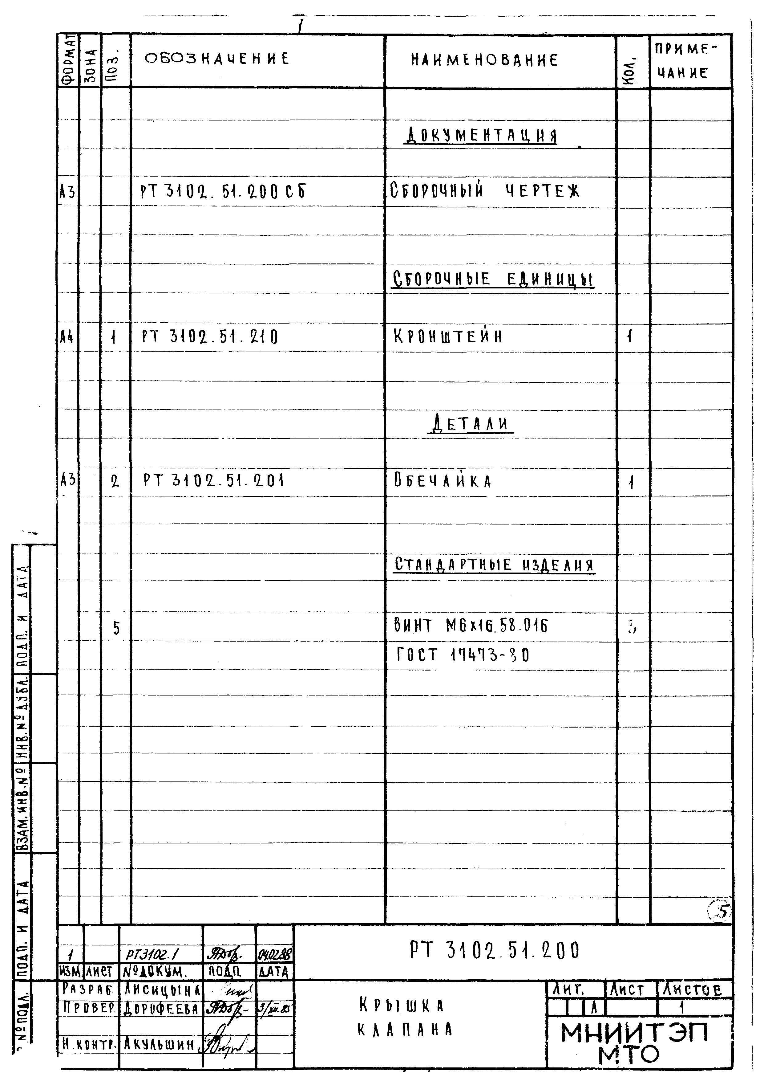
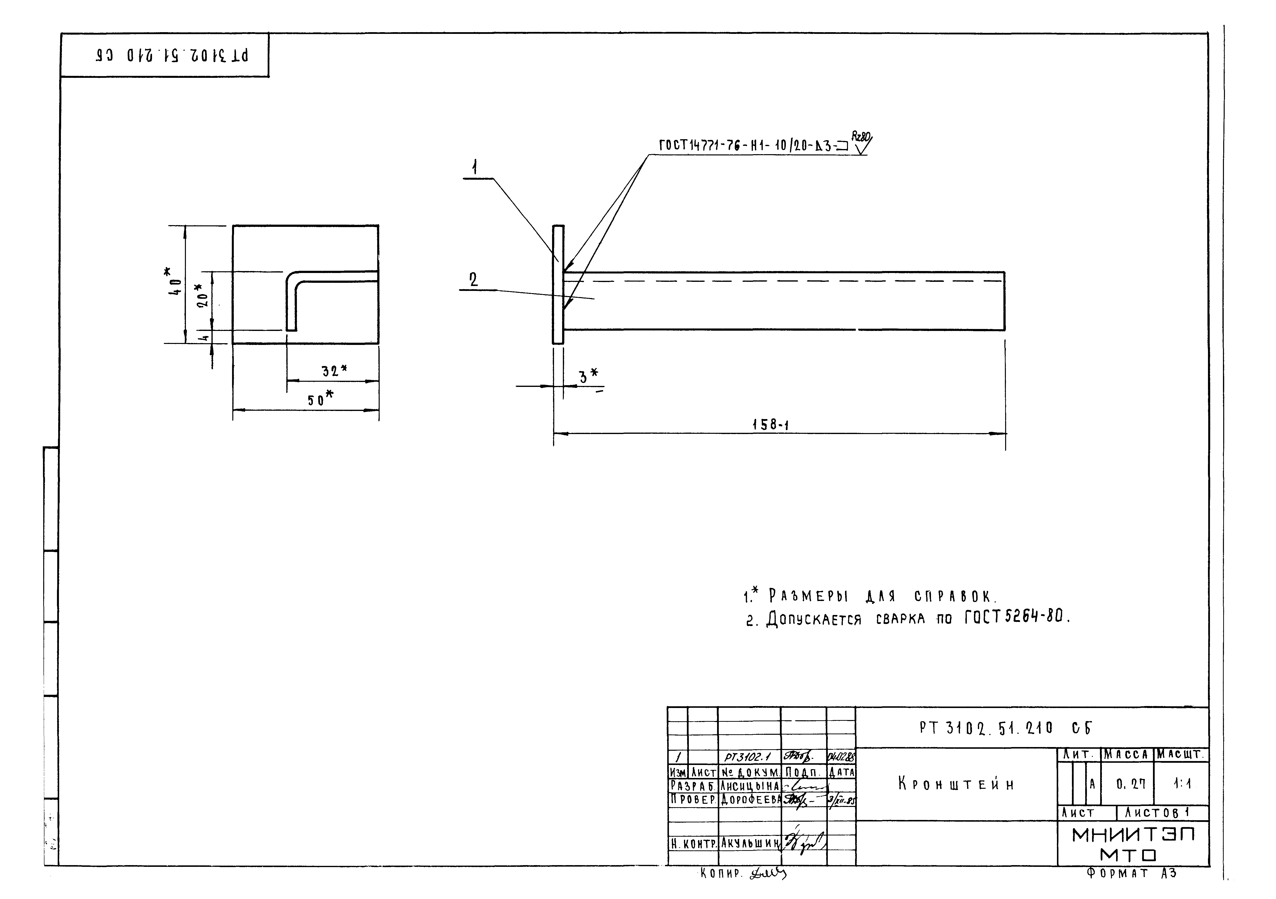
| Оглавление: | 1 Технические требования 1.2 Основные параметры и размеры 1.3 Характеристики 1.4 Комплектность 1.5 Маркировка 1.6 Упаковка 2 Требования безопасности 3 Правила приемки 4 Методы испытаний 5 Транспортирование и хранение 6 Указания по эксплуатации 7 Гарантии изготовителя Приложение 1 (справочное). Перечень документов, на которые даны ссылки в технических условиях Приложение 2 (обязательное). Общиц вид клапана Приложение 3 (справочное). Перечень оборудования и инструмента, необходимого для контроля клапана Рабочие чертежи |
| Разработан: | МПИИТЭП |
| Утверждён: | 15.07.1985 Техническое управление Главмосмонтажспецстроя |
| Принят: | 10.06.1985 Главмосстрой (Glavmosstroy ) 31.10.1985 ГУПО МВД СССР (GUPO, USSR Ministry of Internal Affairs 7/6/3635) 22.07.1985 Профсоюз работников строительства и промышленности строительных материалов (Labor Union of Construction and Building Materials Industry Workers ) 13.05.1985 ВНИИПО МВД СССР (VNIIPO, USSR Ministry of Internal Affairs ) 27.02.1985 Техническое управление ГлавАПУ г. Москвы 21.02.1985 МГПО Моспромэлектроконструкция 15.07.1985 Объединение Мосинжремонт |
| Заменяет собой: |
|
| Нормативные ссылки: |


























































































