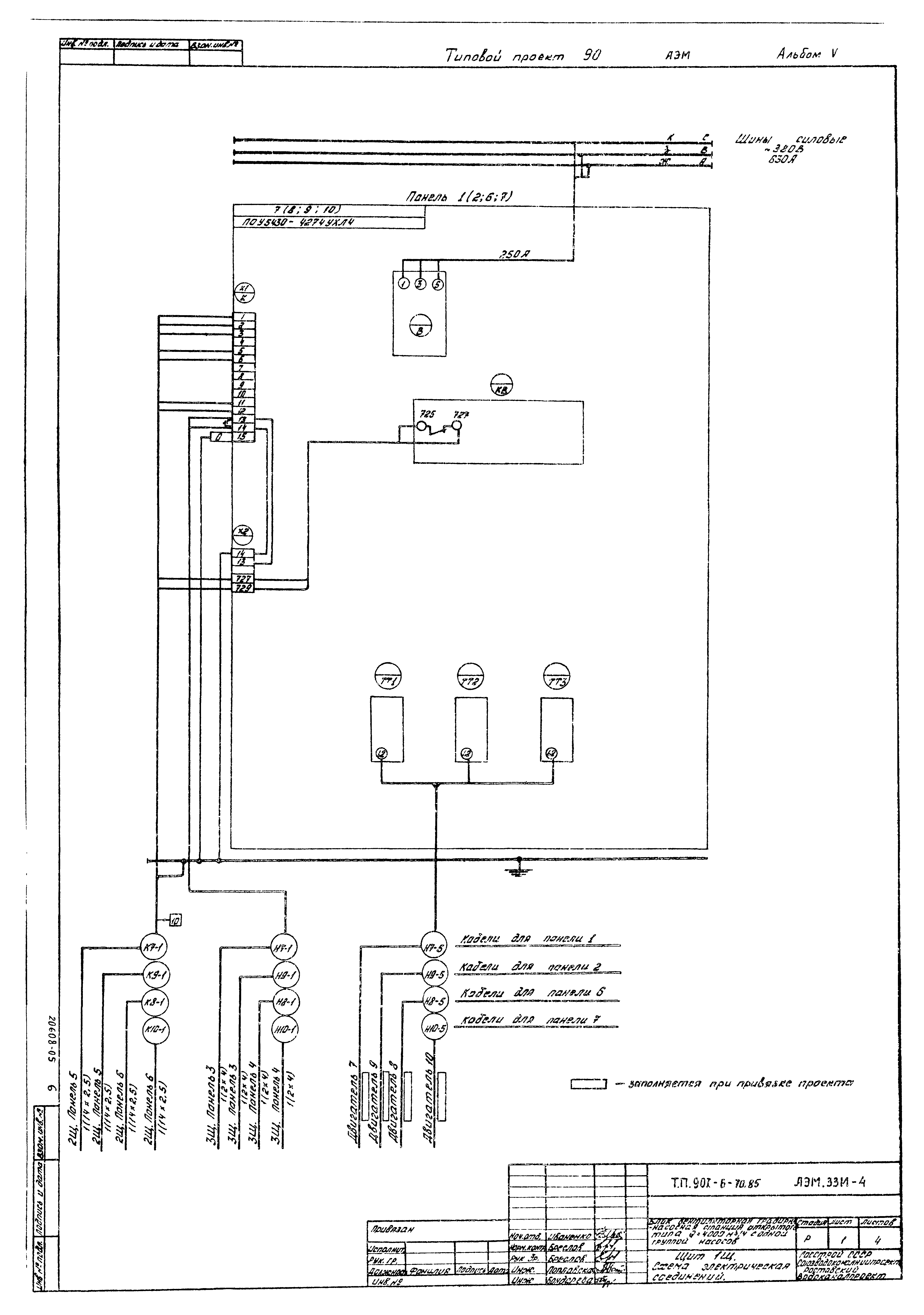
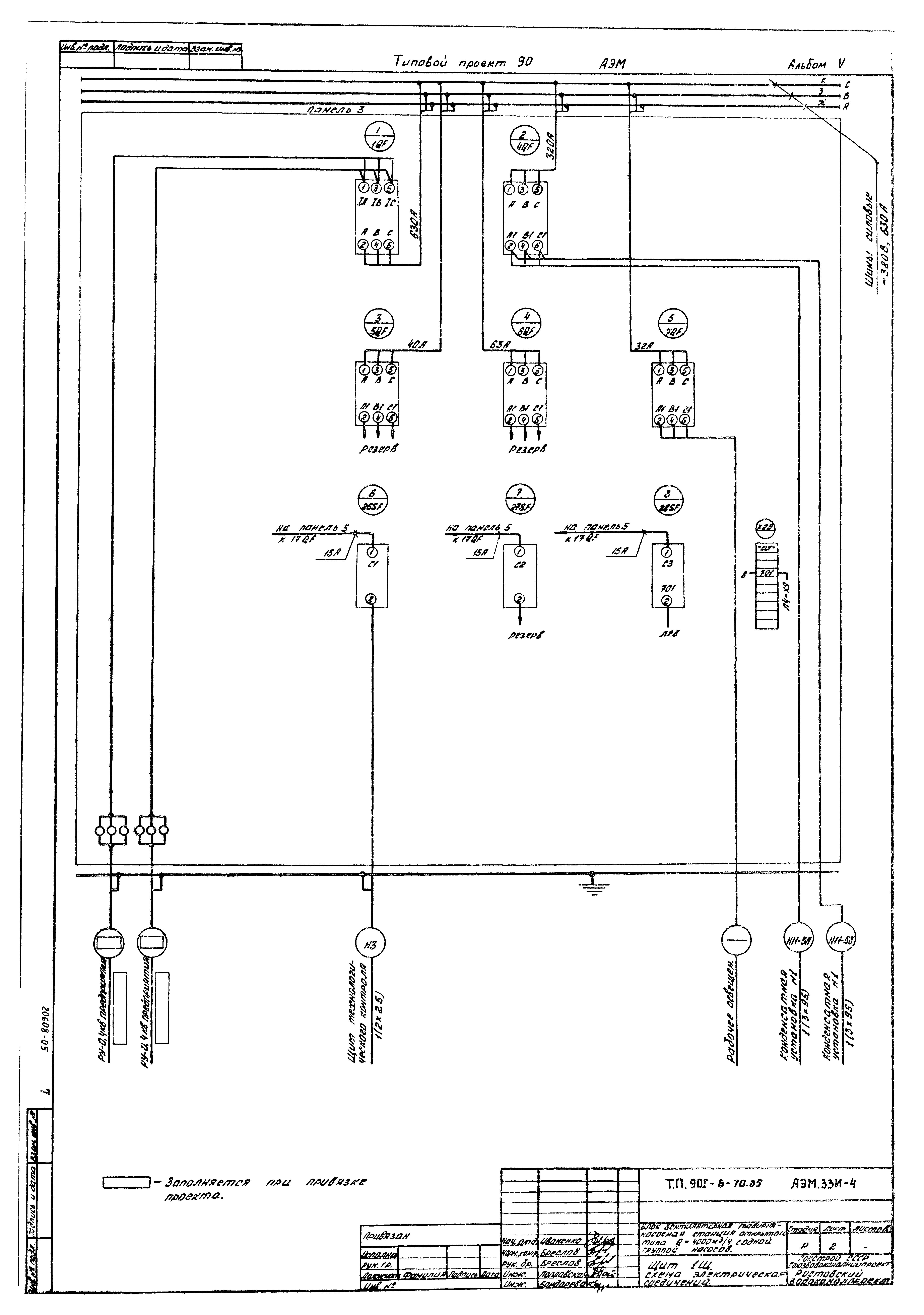
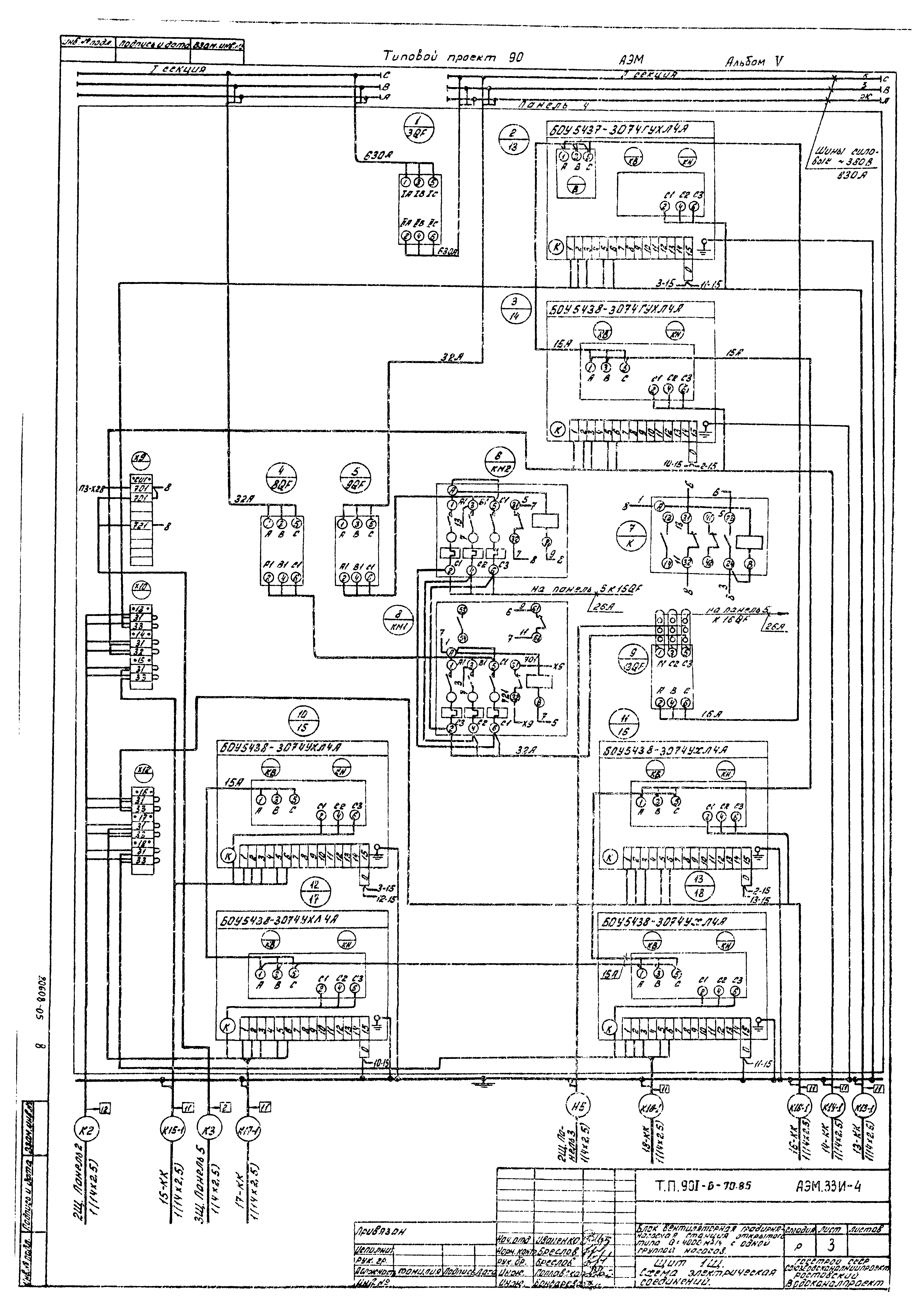
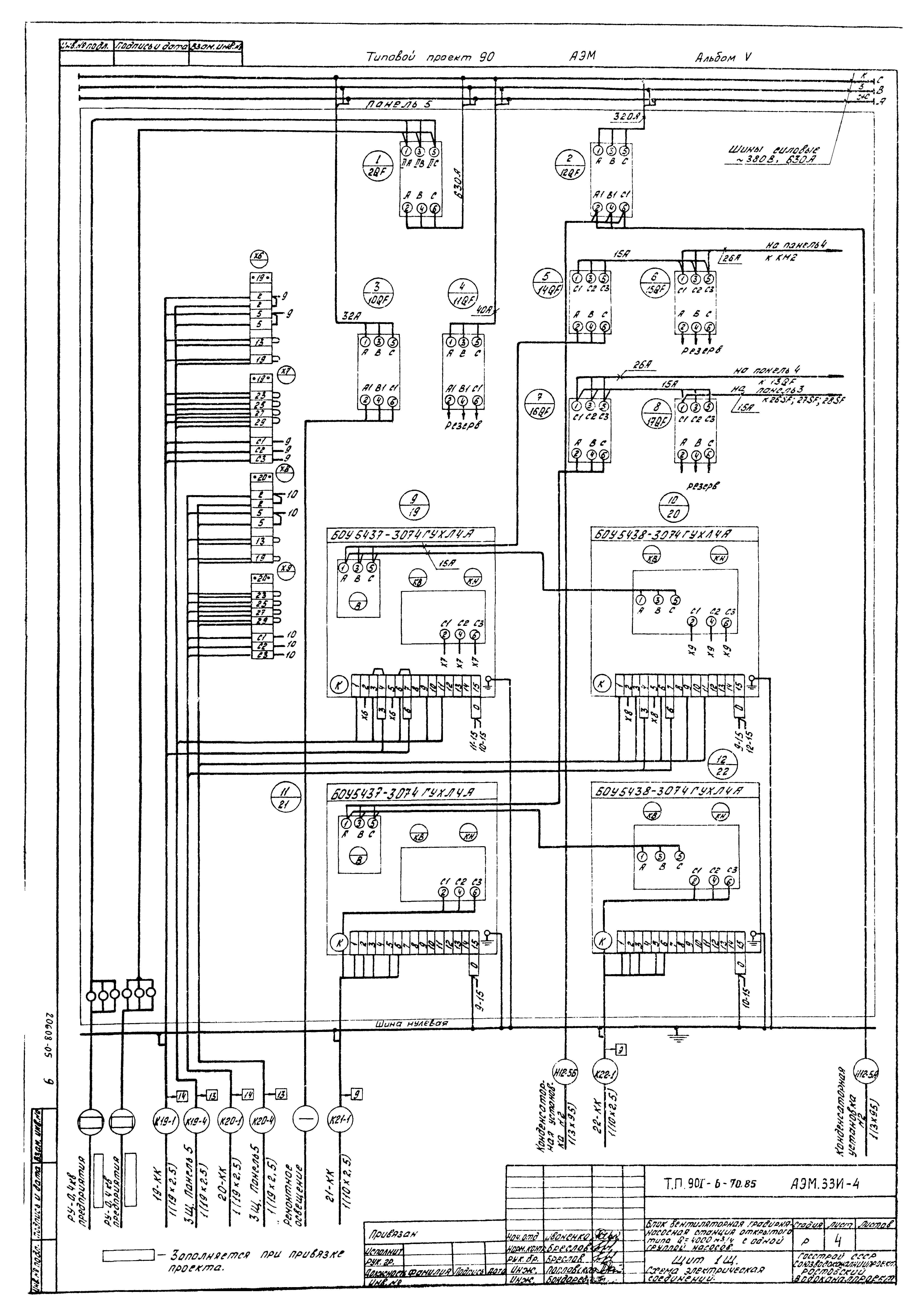
Скачать Типовой проект 901-6-70.85 Альбом V. Задание заводу-изготовителю на крупноблочное оборудованиеДата актуализации: 01.01.2021
|
| Обозначение: | Типовой проект 901-6-70.85 |
| Обозначение англ: | 901-6-70.85 |
| Статус: | не действует |
| Название рус.: | Альбом V. Задание заводу-изготовителю на крупноблочное оборудование |
| Дата добавления в базу: | 01.10.2014 |
| Дата актуализации: | 01.01.2021 |
| Дата введения: | 01.09.1985 |
| Дата окончания срока действия: | 01.01.1991 |
| Разработан: | Союзводоканалпроект Ростовский Водоканалпроект |
| Утверждён: | 31.01.1984 Госстрой СССР (ВА-2) |
| Издан: | ЦИТП Госстроя СССР (CITP, Gosstroy (USSR) 1986 г. ) |




























