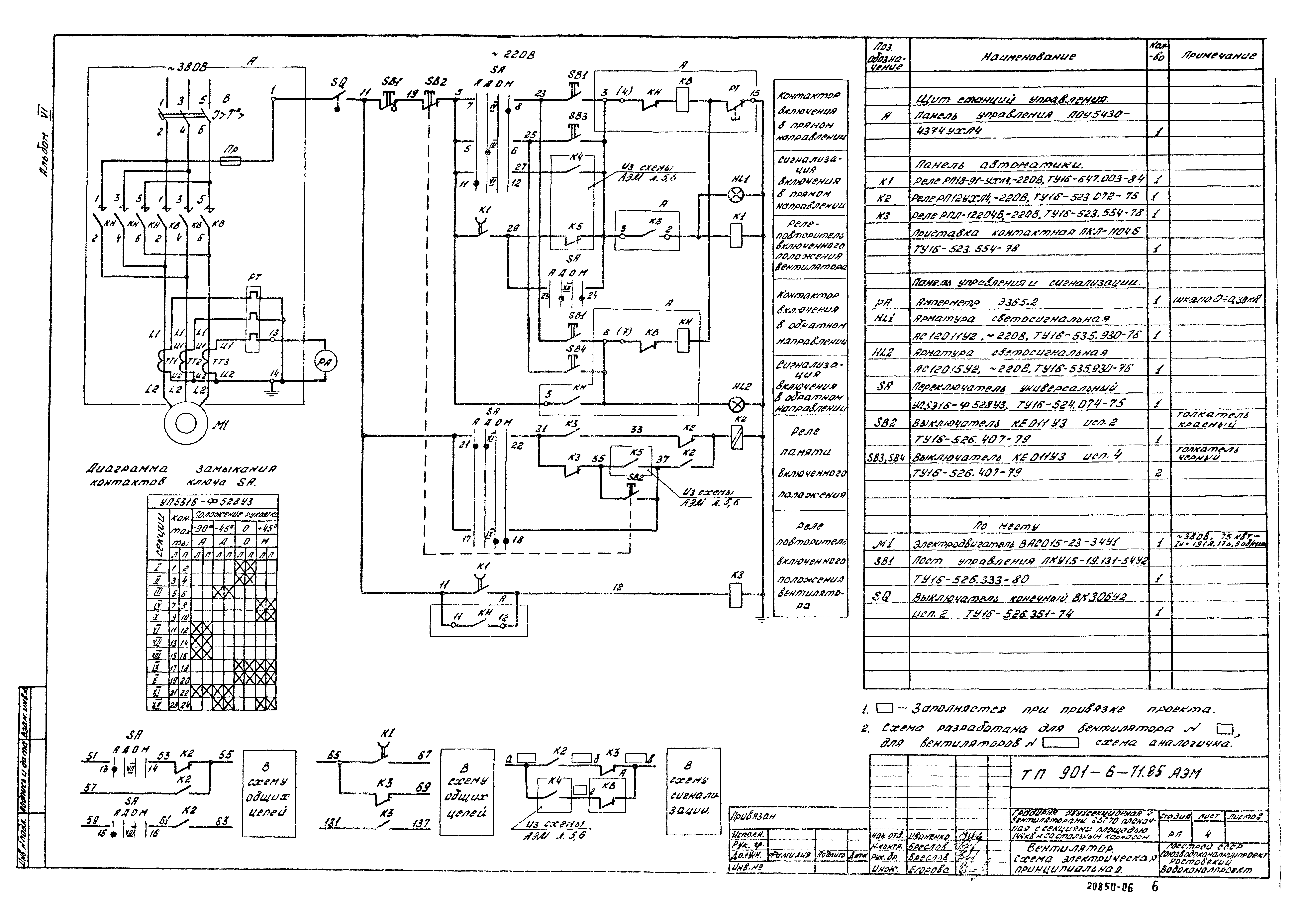
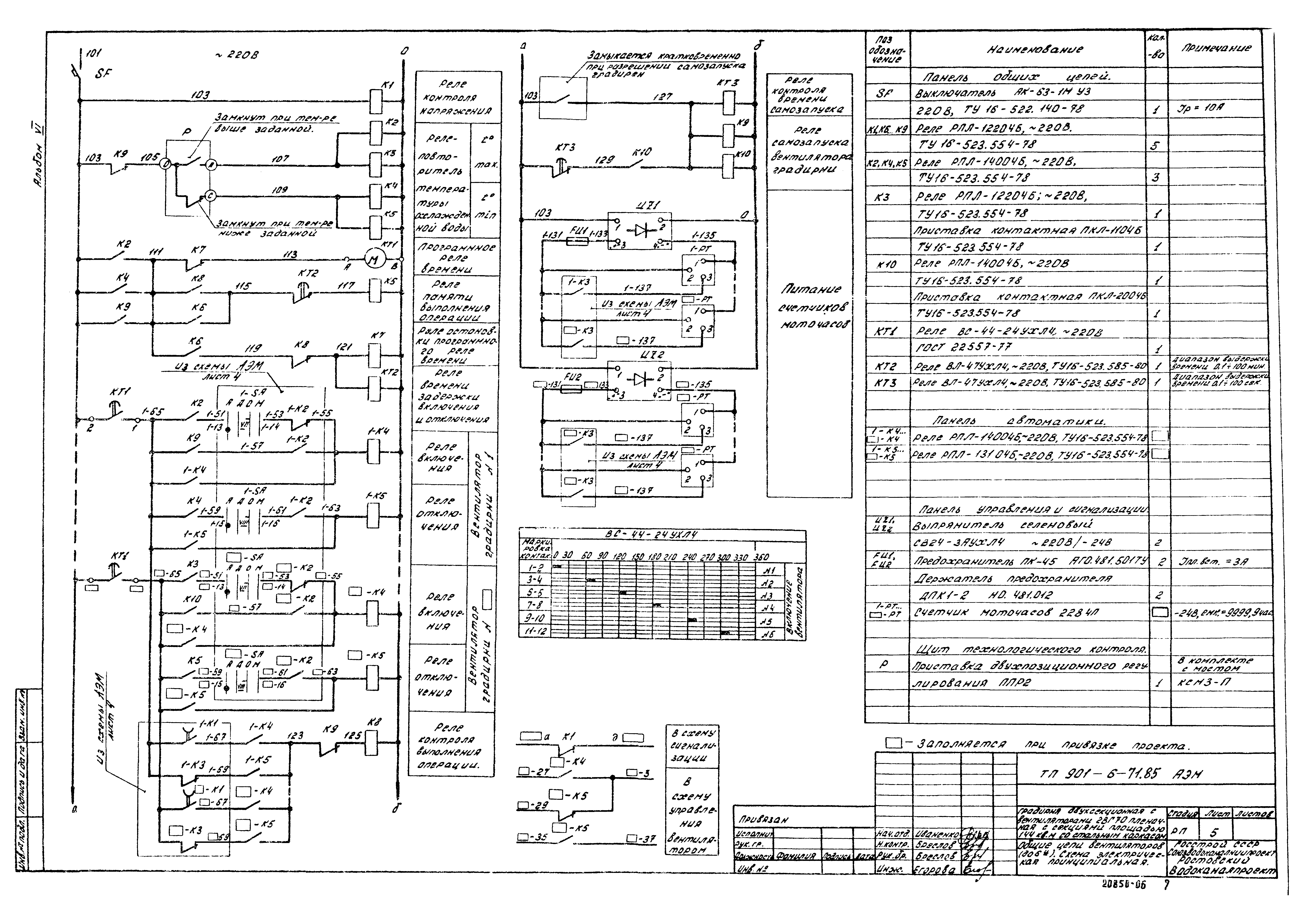
Скачать Типовой проект 901-6-71.85 Альбом VI. Электрооборудование. Автоматизация. Электрическое освещениеДата актуализации: 01.01.2021
|
| Обозначение: | Типовой проект 901-6-71.85 |
| Обозначение англ: | 901-6-71.85 |
| Статус: | отменен |
| Название рус.: | Альбом VI. Электрооборудование. Автоматизация. Электрическое освещение |
| Дата добавления в базу: | 01.10.2014 |
| Дата актуализации: | 01.01.2021 |
| Дата введения: | 04.11.1985 |
| Дата окончания срока действия: | 01.07.1996 |
| Разработан: | Союзводоканалпроект ЦНИИпроектстальконструкция Ростовский Водоканалпроект |
| Утверждён: | 01.08.1985 Госстрой СССР (А4-32) |
| Издан: | ЦИТП Госстроя СССР (CITP, Gosstroy (USSR) 1989 г. ) |












