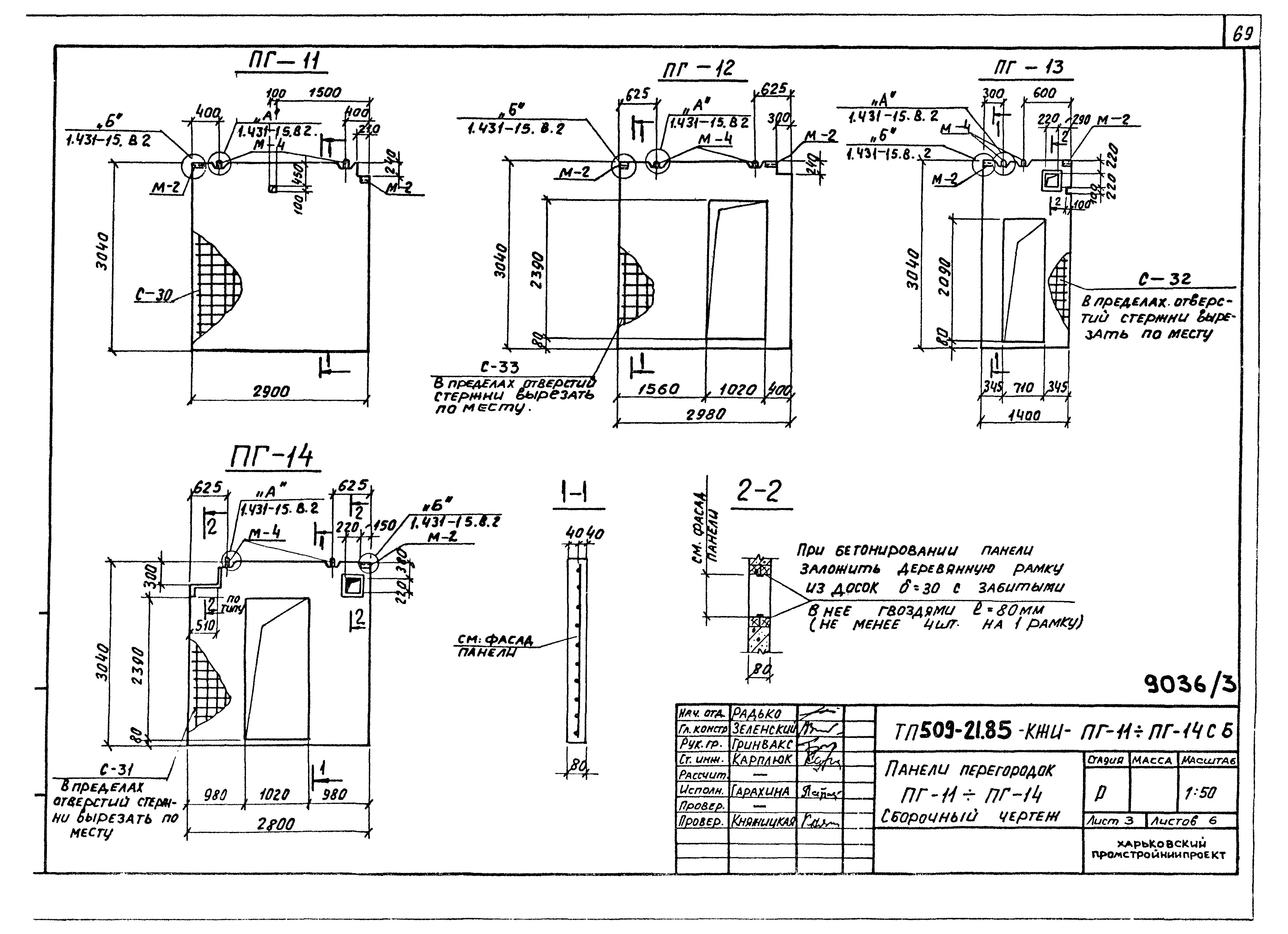
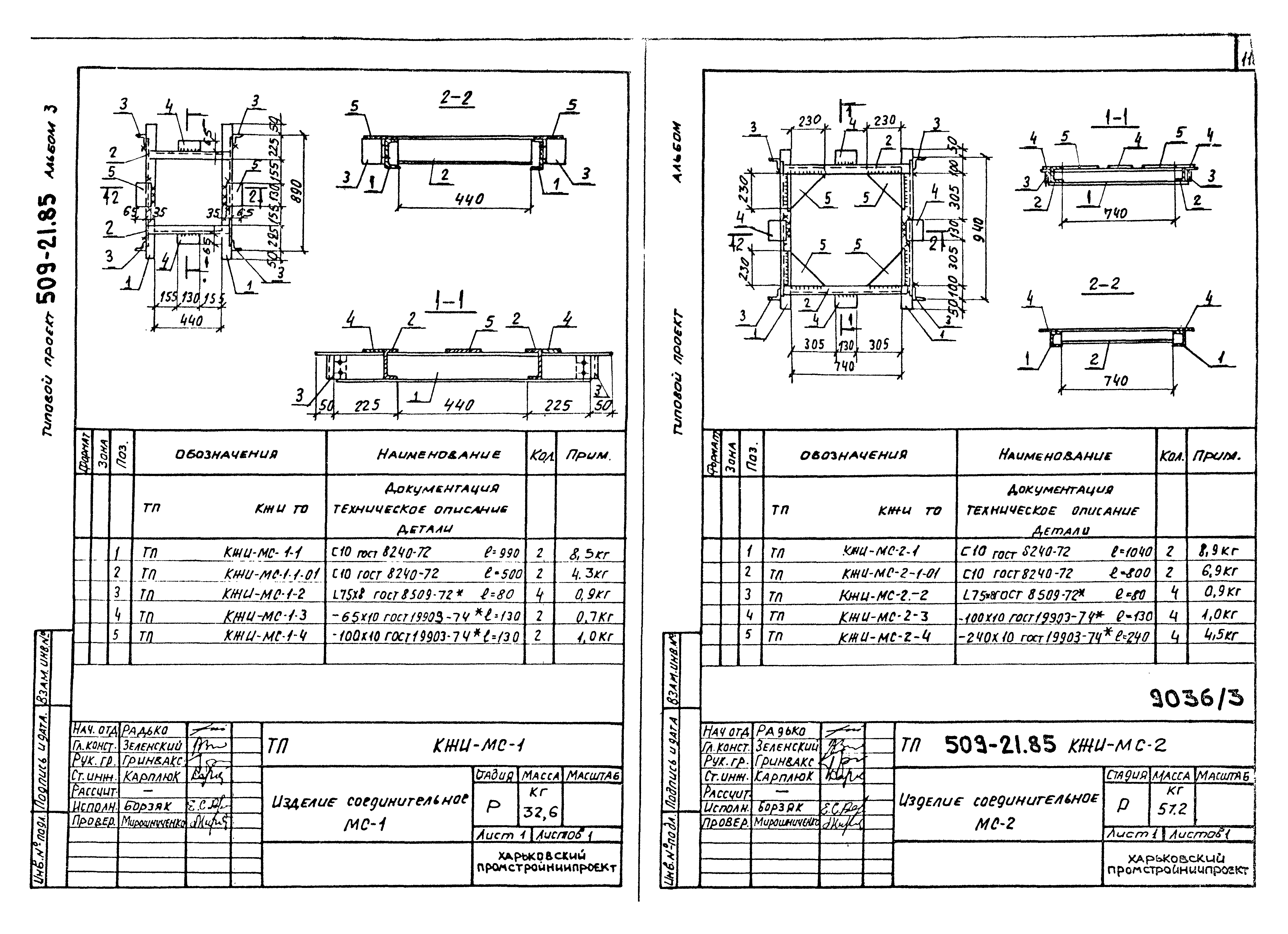
Скачать Типовой проект 509-21.85 Альбом 3. Сборные железобетонные элементы и металлические изделияДата актуализации: 01.01.2021
|
| Обозначение: | Типовой проект 509-21.85 |
| Обозначение англ: | 509-21.85 |
| Статус: | не определен законодательством |
| Название рус.: | Альбом 3. Сборные железобетонные элементы и металлические изделия |
| Дата добавления в базу: | 01.10.2014 |
| Дата актуализации: | 01.01.2021 |
| Дата введения: | 23.01.1985 |
| Дата окончания срока действия: | 30.06.2003 |
| Разработан: | ГПИ Харьковский Промтранспроект ПромстройНИИпроект г. Харьков |
| Утверждён: | 10.01.1985 Госстрой СССР (1) |
| Заменяет собой: |
|






























































































































