Скачать Типовой проект 902-1-47 Альбом II. Архитектурно-строительные решения

Дата актуализации: 01.01.2021

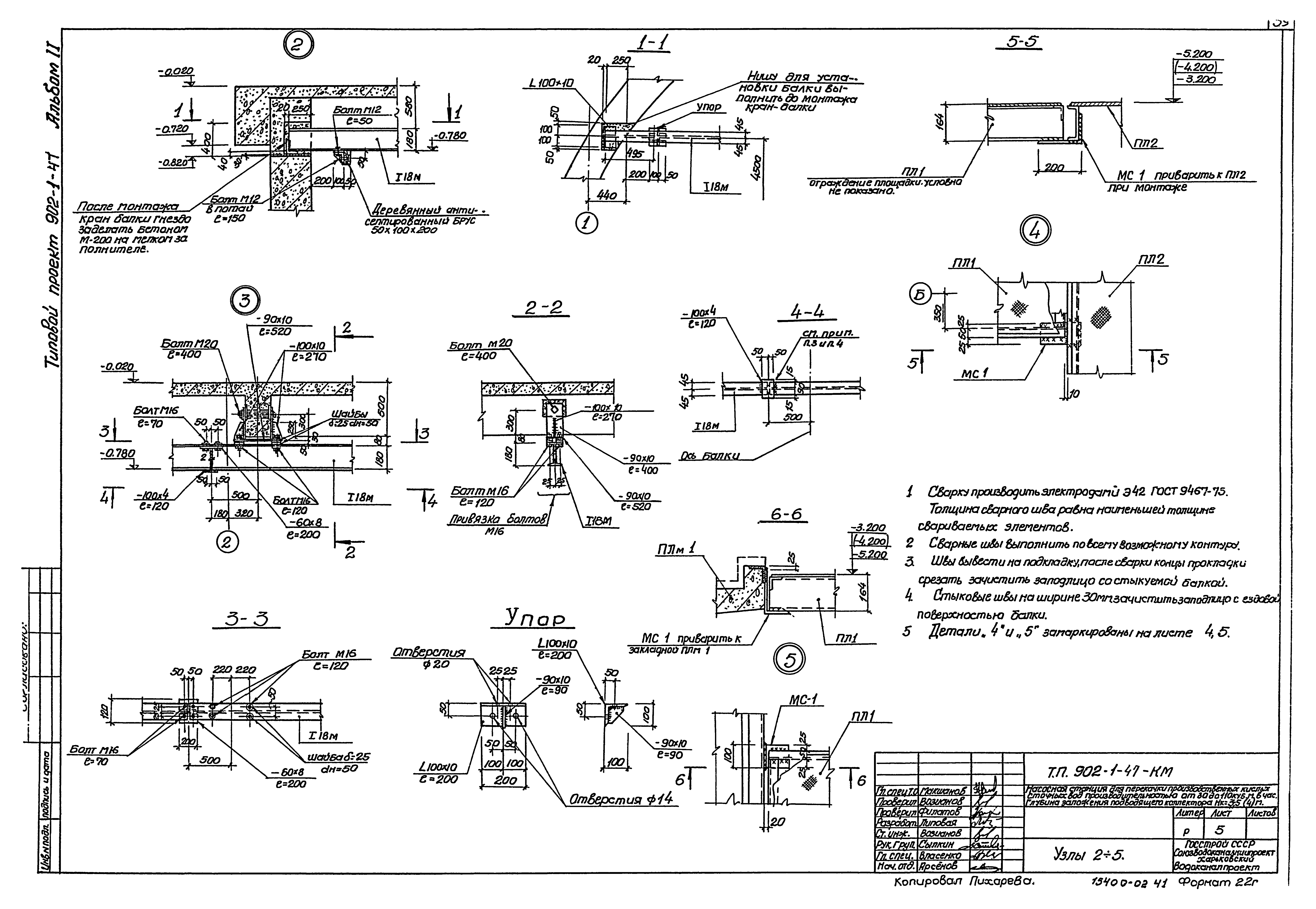
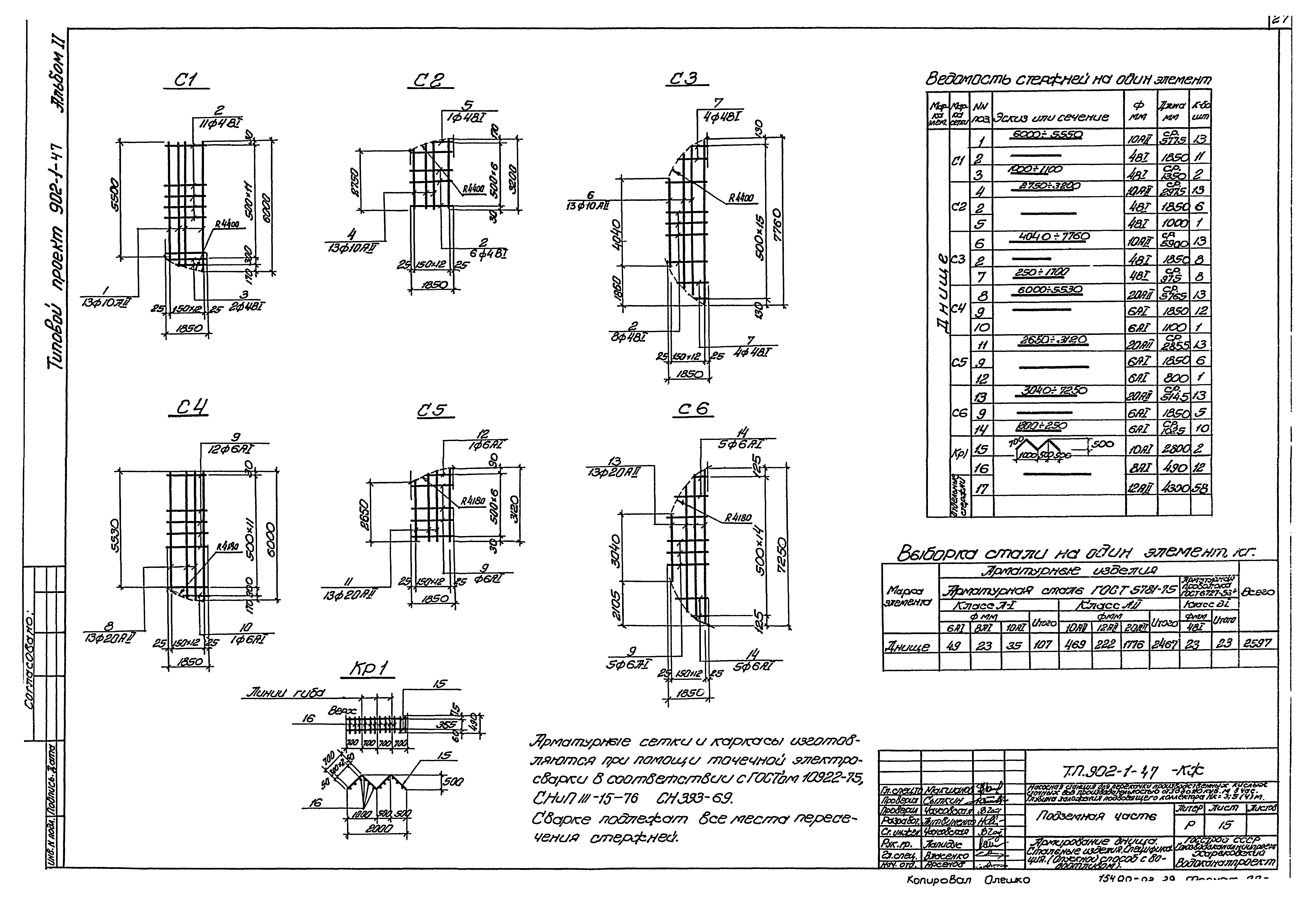
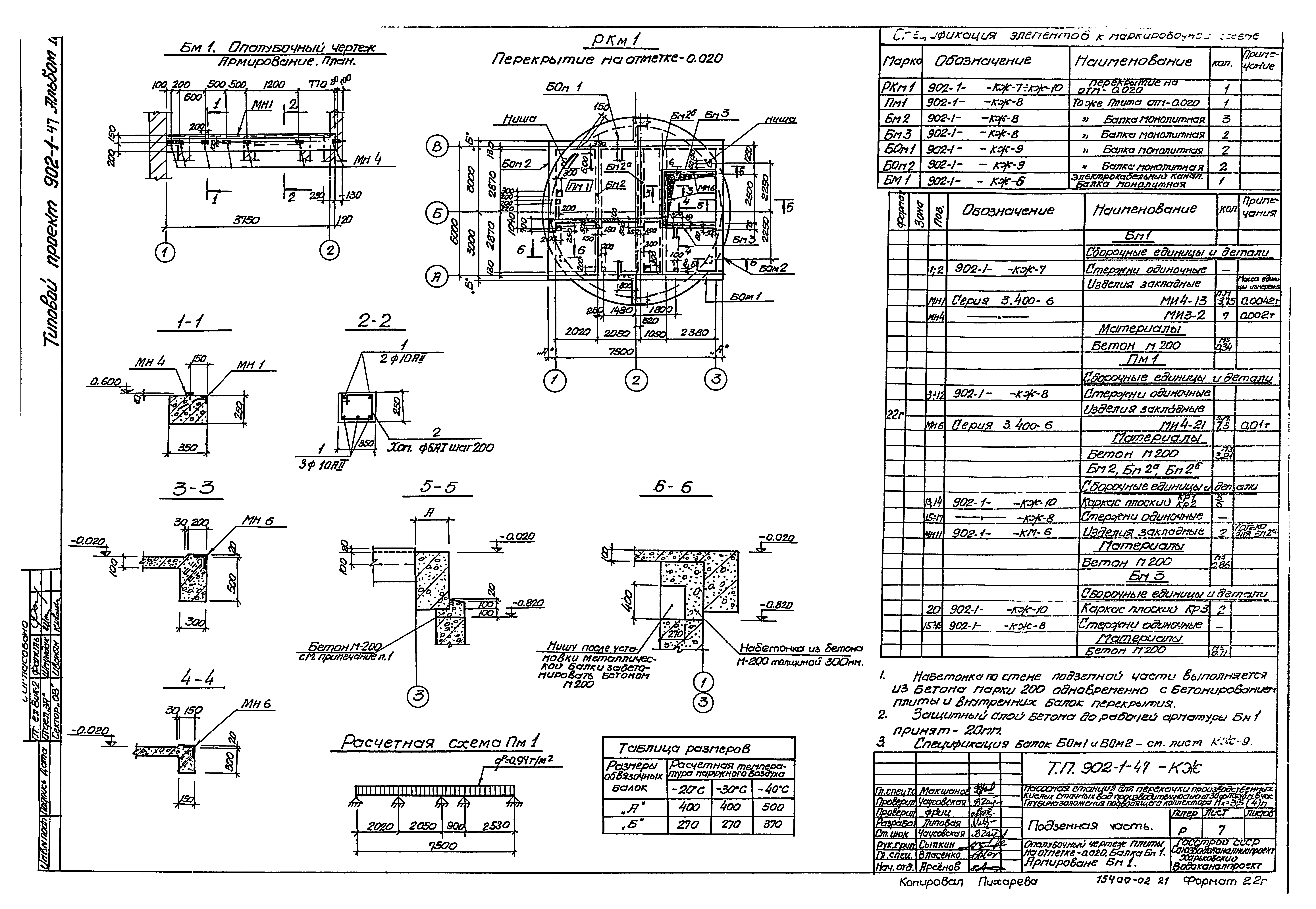
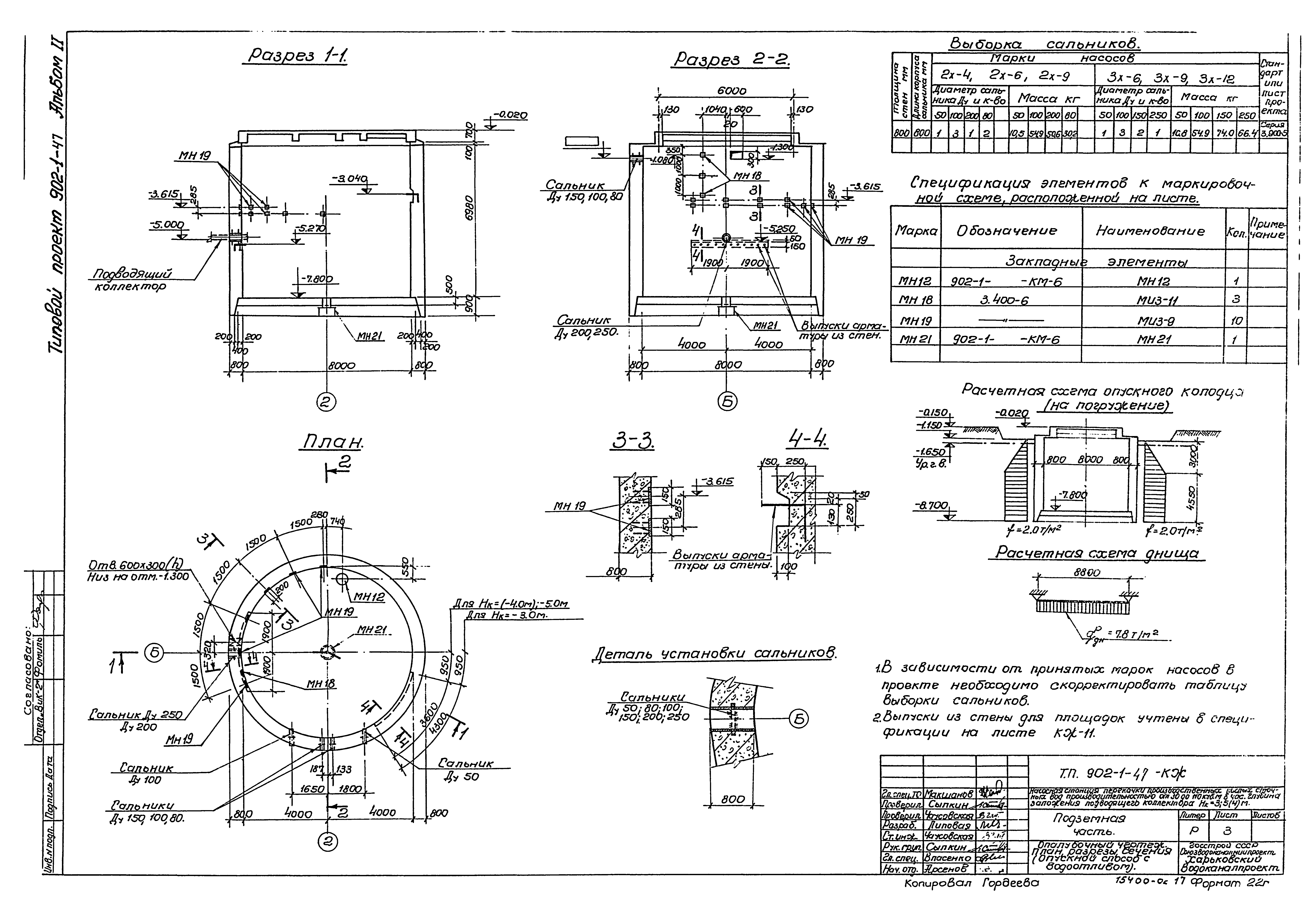
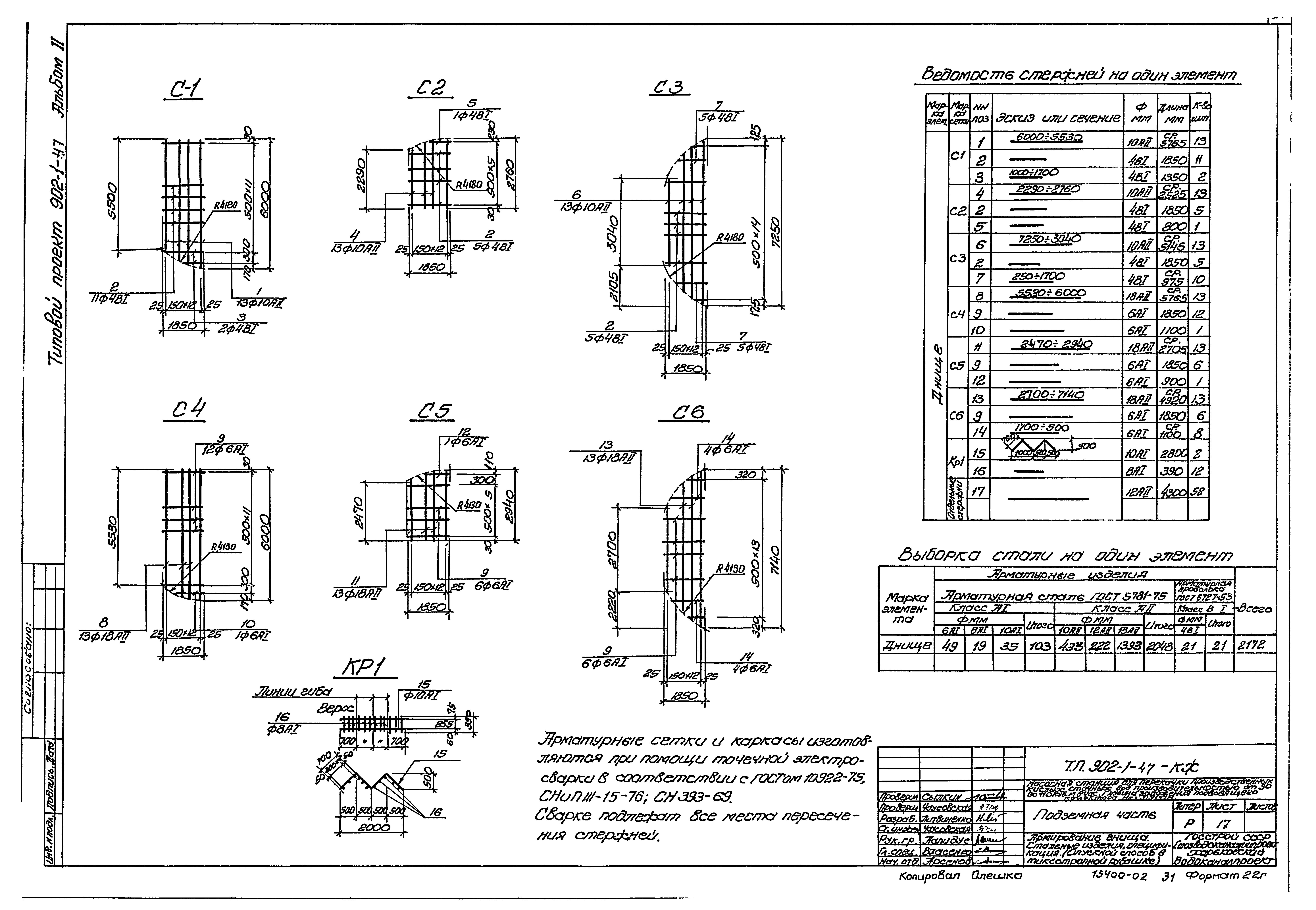
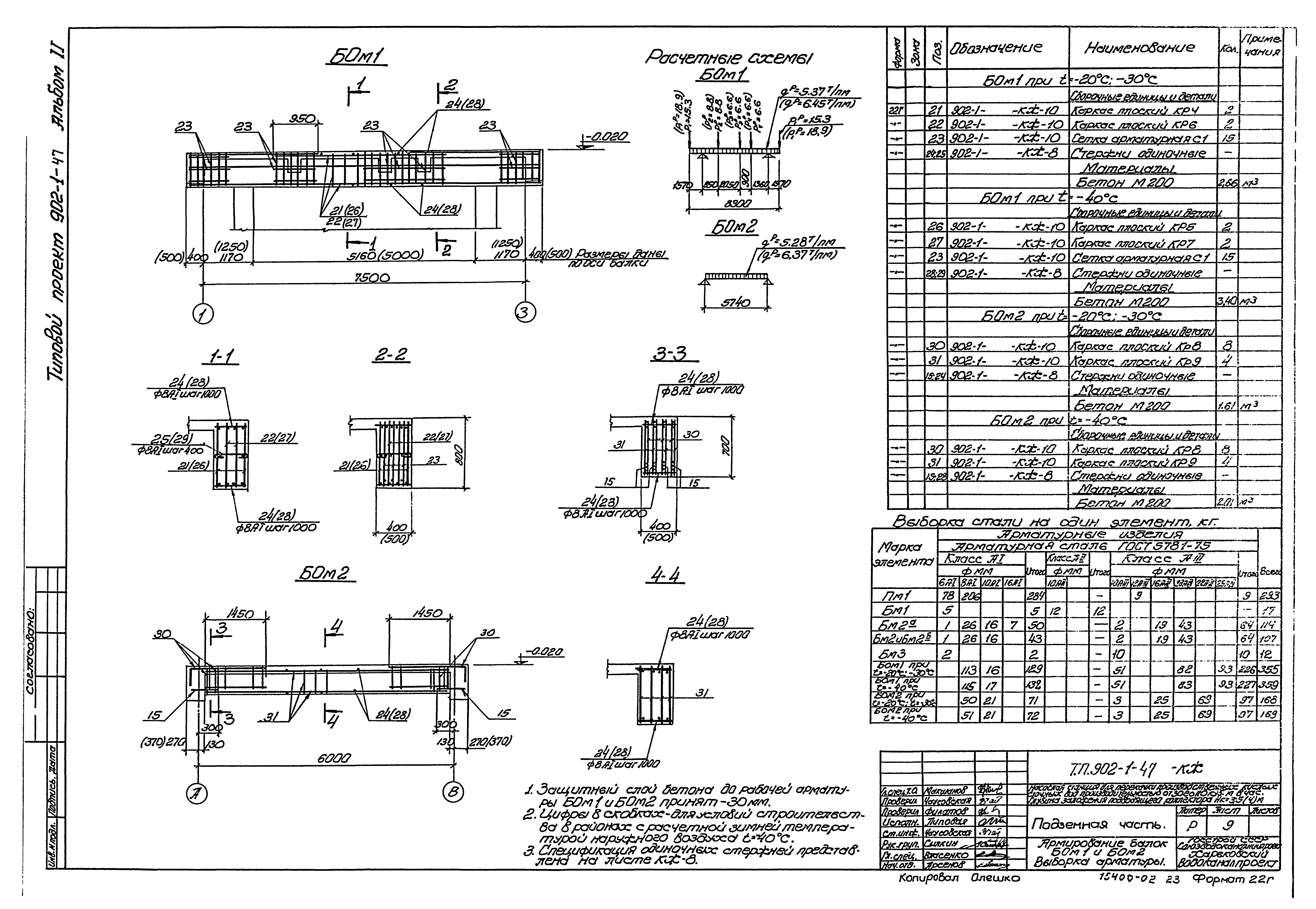
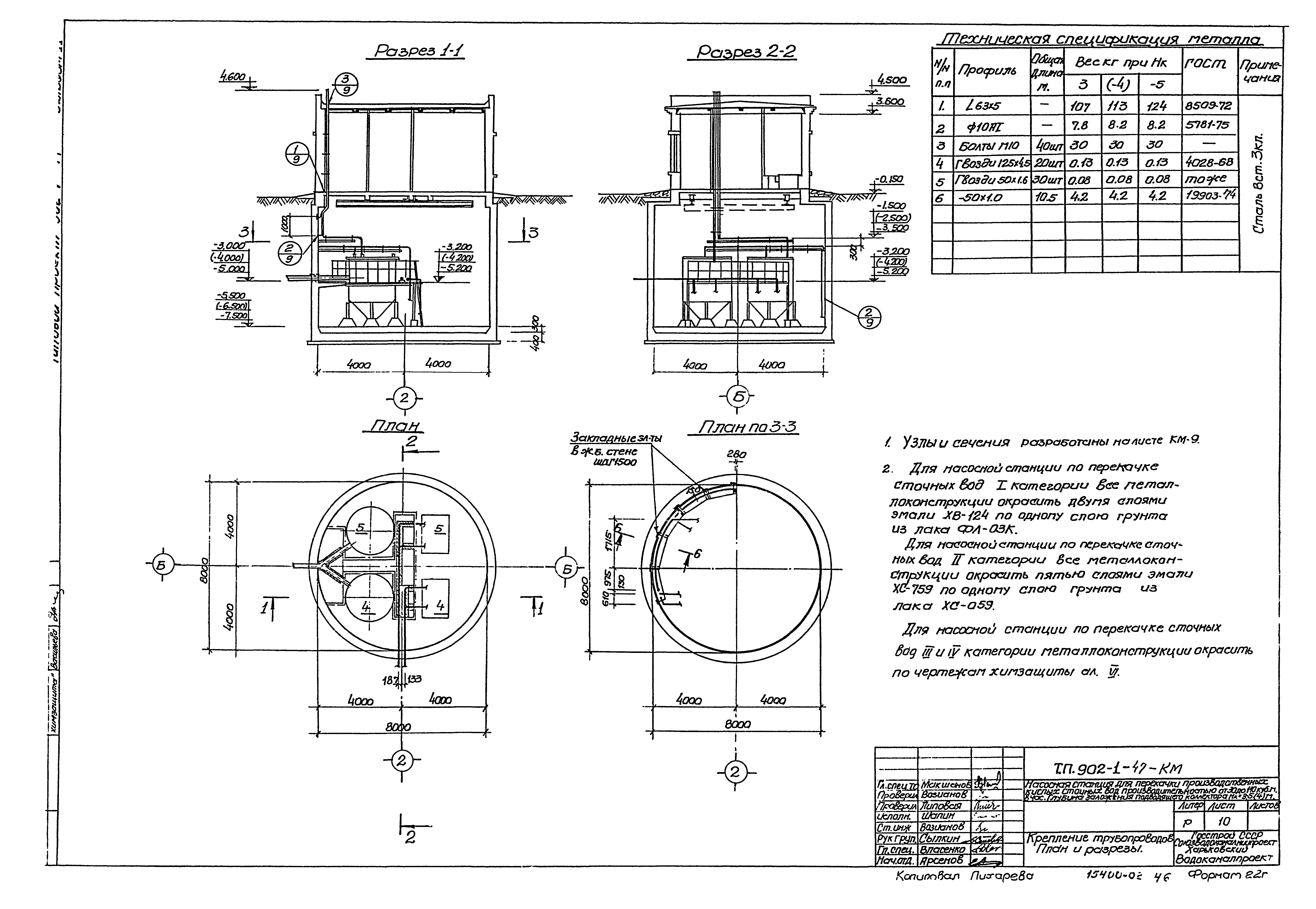
Типовой проект 902-1-47

Альбом II. Архитектурно-строительные решения

Обозначение: Типовой проект 902-1-47
Обозначение англ: 902-1-47
Статус:заменен
Название рус.:Альбом II. Архитектурно-строительные решения
Дата добавления в базу:01.11.2014
Дата актуализации:01.01.2021
Дата введения:25.05.1978
Дата окончания срока действия:01.03.1988
Разработан: Харьковский Водоканалпроект
Утверждён:29.07.1977 Главпромстройпроект Госстроя СССР (45)
Заменяет собой:
  • Типовой проект 902-1-7
Чем заменён:
  • Типовой проект 902-1-127.1.87 «Насосная станция для перекачки производственных кислых сточных вод производительностью от 30 до 140 куб. м/ч, глубиной заложения подводящего коллектора 5,0 м в монолитном исполнении опускным способом»
  • Типовой проект 902-1-127.2.87 «Насосная станция для перекачки производственных кислых сточных вод производительностью от 30 до 140 куб. м/ч, глубиной заложения подводящего коллектора 5,0 м в сборно-монолитном исполнении открытым способом»
  • Типовой проект 902-1-126.87 «Насосная станция для перекачки производственных кислых сточных вод производительностью от 30 до 140 куб. м/ч, глубиной заложения подводящего коллектора 4,0 м в монолитном исполнении открытым способом»
  • Типовой проект 902-1-125.87 «Насосная станция для перекачки производственных кислых сточных вод производительностью от 30 до 140 куб. м/ч, глубиной заложения подводящего коллектора 3,0 м в монолитном исполнении открытым способом»
Типовой проект 902-1-47Типовой проект 902-1-47Типовой проект 902-1-47Типовой проект 902-1-47Типовой проект 902-1-47Типовой проект 902-1-47Типовой проект 902-1-47Типовой проект 902-1-47Типовой проект 902-1-47Типовой проект 902-1-47Типовой проект 902-1-47Типовой проект 902-1-47Типовой проект 902-1-47Типовой проект 902-1-47Типовой проект 902-1-47Типовой проект 902-1-47Типовой проект 902-1-47Типовой проект 902-1-47Типовой проект 902-1-47Типовой проект 902-1-47Типовой проект 902-1-47Типовой проект 902-1-47Типовой проект 902-1-47Типовой проект 902-1-47Типовой проект 902-1-47Типовой проект 902-1-47Типовой проект 902-1-47Типовой проект 902-1-47Типовой проект 902-1-47Типовой проект 902-1-47Типовой проект 902-1-47Типовой проект 902-1-47Типовой проект 902-1-47Типовой проект 902-1-47Типовой проект 902-1-47Типовой проект 902-1-47Типовой проект 902-1-47Типовой проект 902-1-47Типовой проект 902-1-47Типовой проект 902-1-47Типовой проект 902-1-47Типовой проект 902-1-47Типовой проект 902-1-47Типовой проект 902-1-47Типовой проект 902-1-47Типовой проект 902-1-47Типовой проект 902-1-47