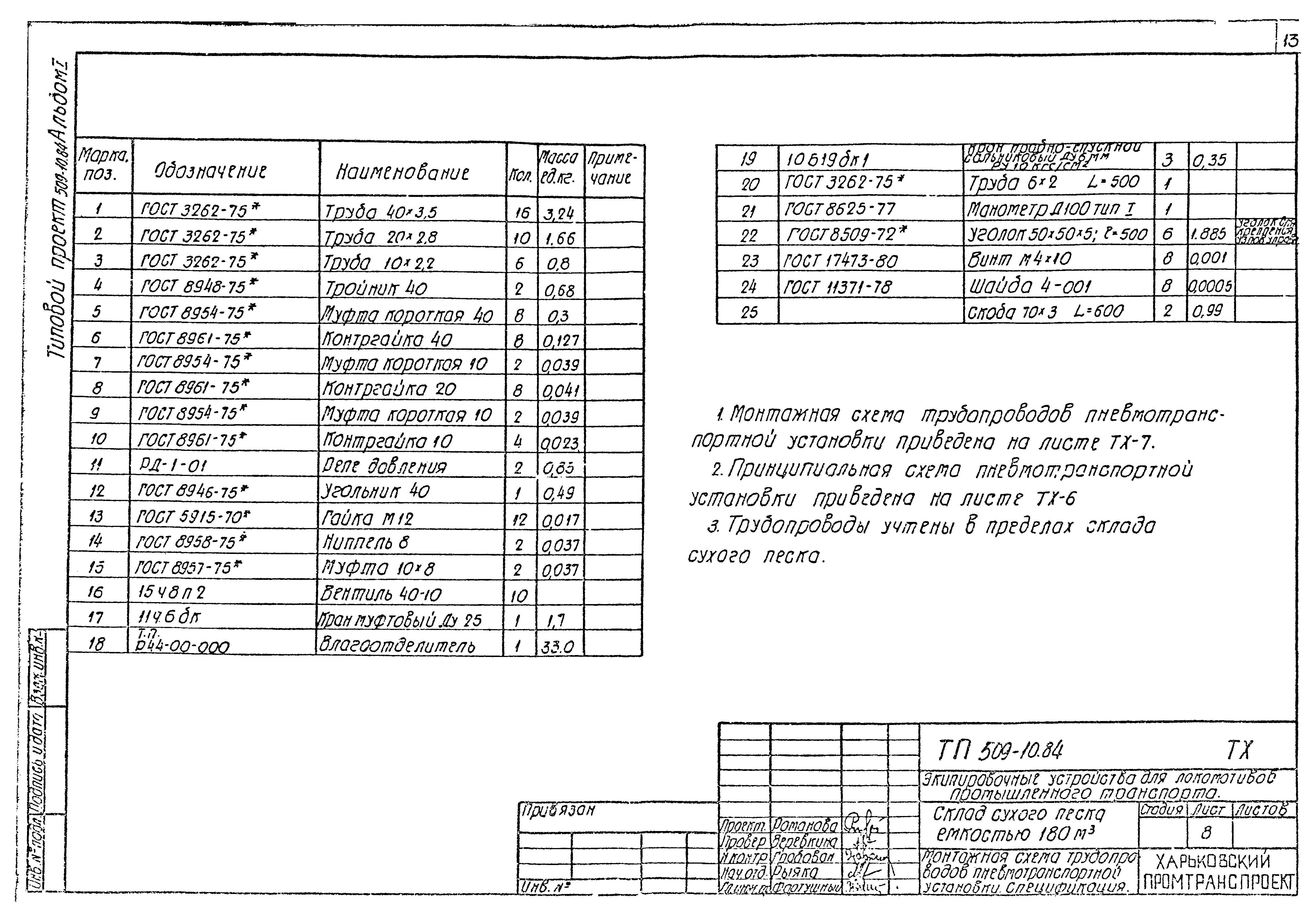
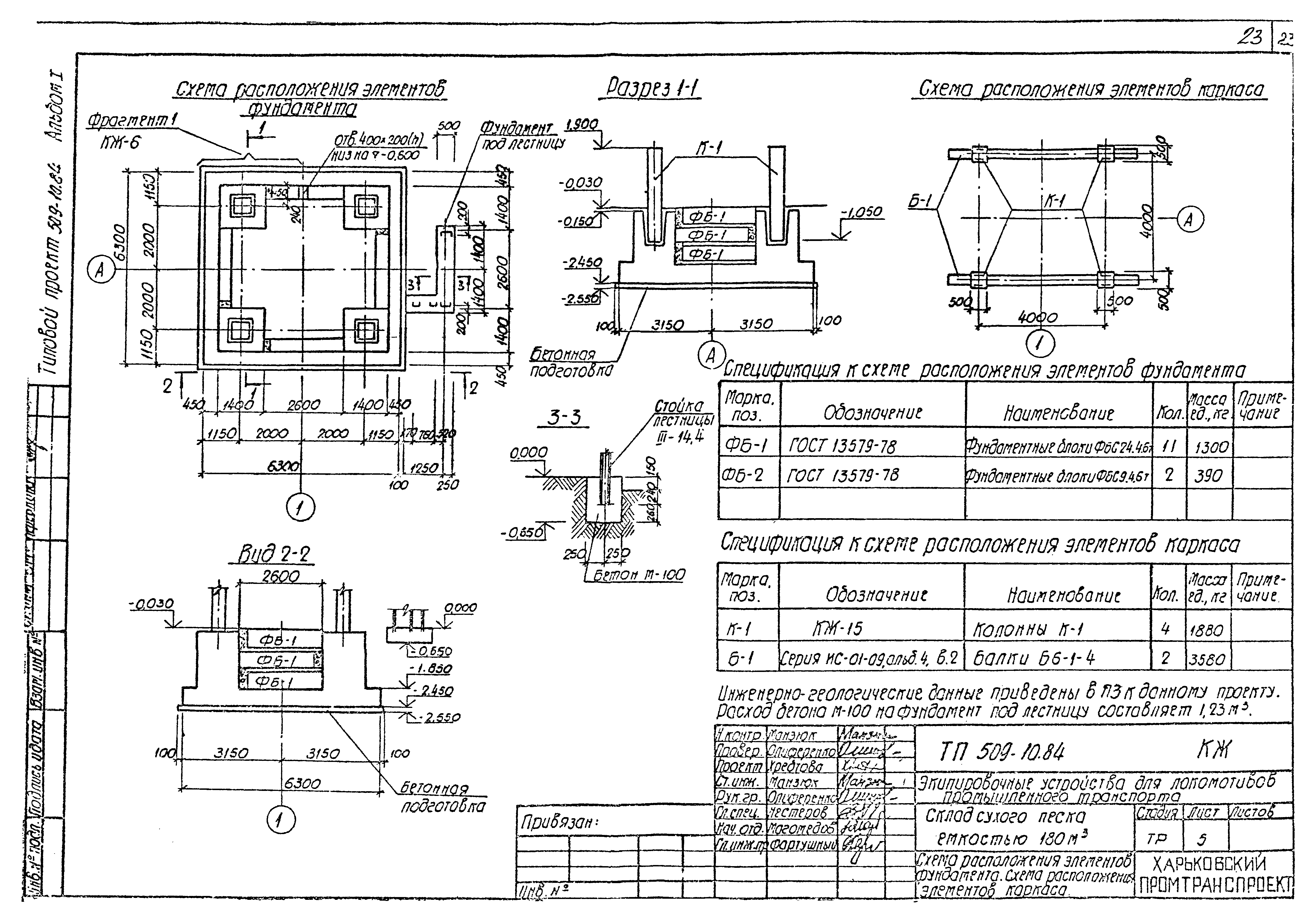
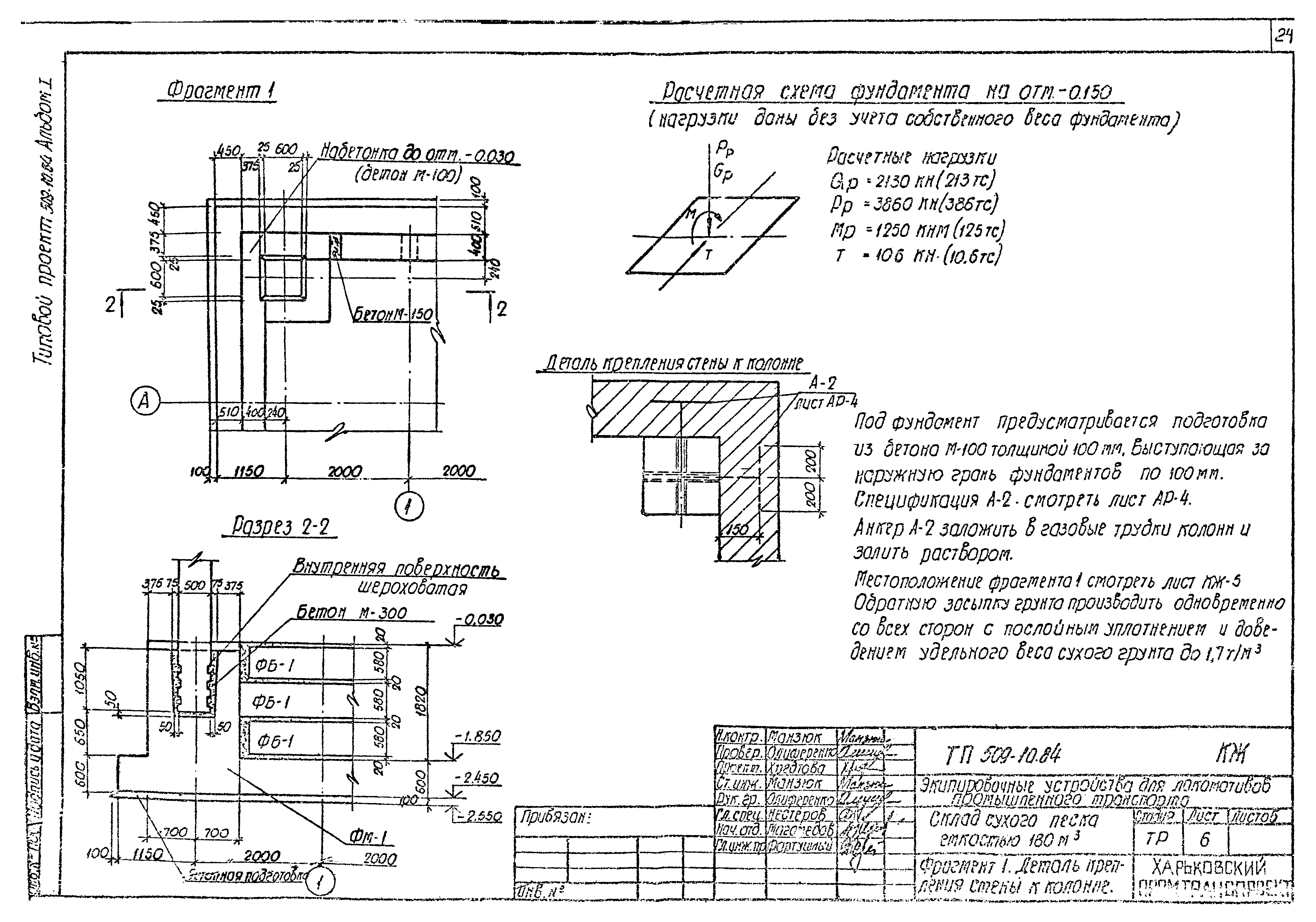
Скачать Типовой проект 509-10.84 Альбом I. Общая пояснительная записка. Технологические чертежи. Архитектурно-строительные решения. Электротехнические чертежиДата актуализации: 01.01.2021
|
| Обозначение: | Типовой проект 509-10.84 |
| Обозначение англ: | 509-10.84 |
| Статус: | не определен законодательством |
| Название рус.: | Альбом I. Общая пояснительная записка. Технологические чертежи. Архитектурно-строительные решения. Электротехнические чертежи |
| Дата добавления в базу: | 01.11.2014 |
| Дата актуализации: | 01.01.2021 |
| Дата введения: | 12.07.1983 |
| Дата окончания срока действия: | 30.06.2003 |
| Разработан: | ГПИ Харьковский Промтранспроект |
| Утверждён: | 21.04.1983 Госстрой СССР (ВА-18) |
| Заменяет собой: |
|





















































