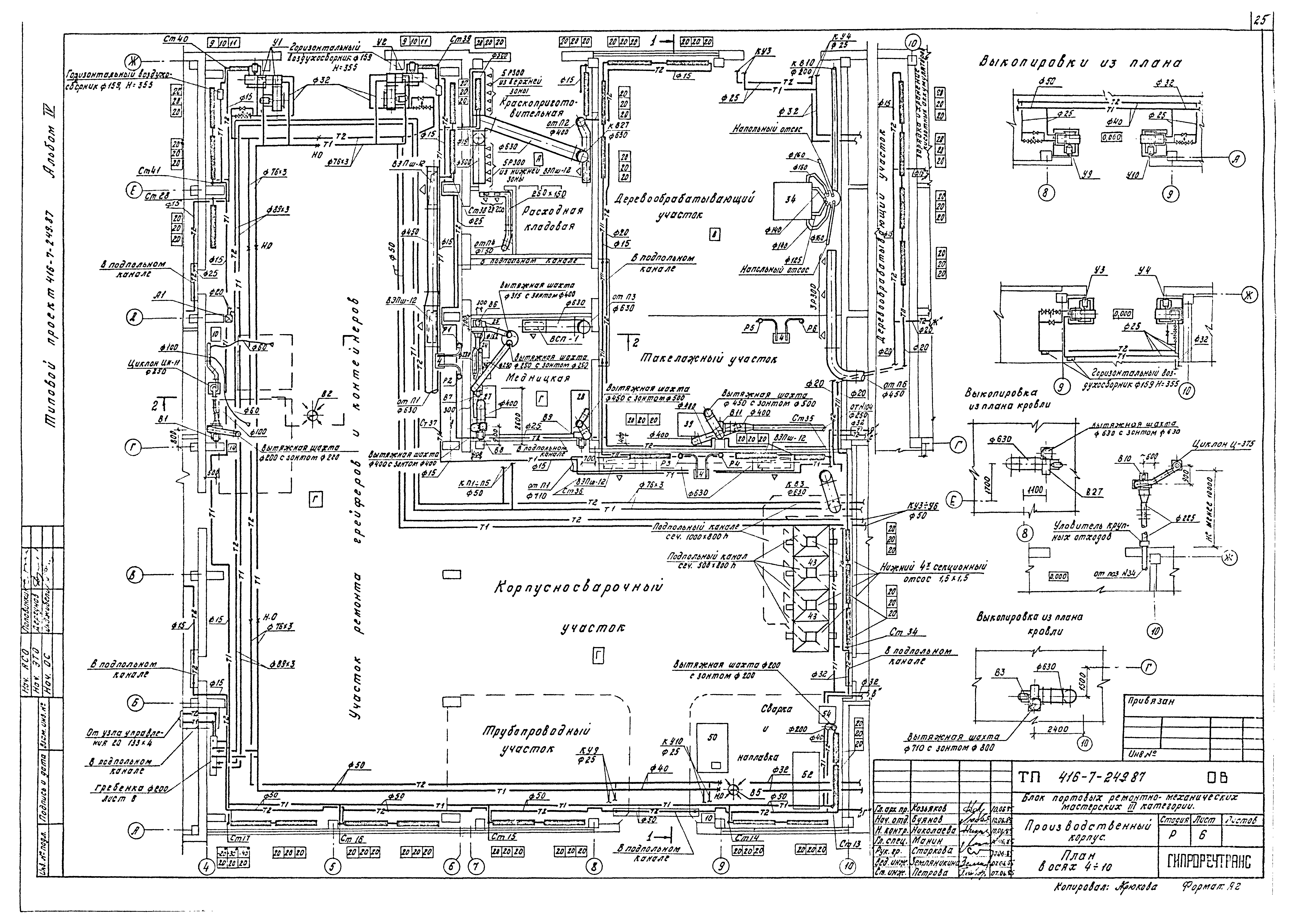
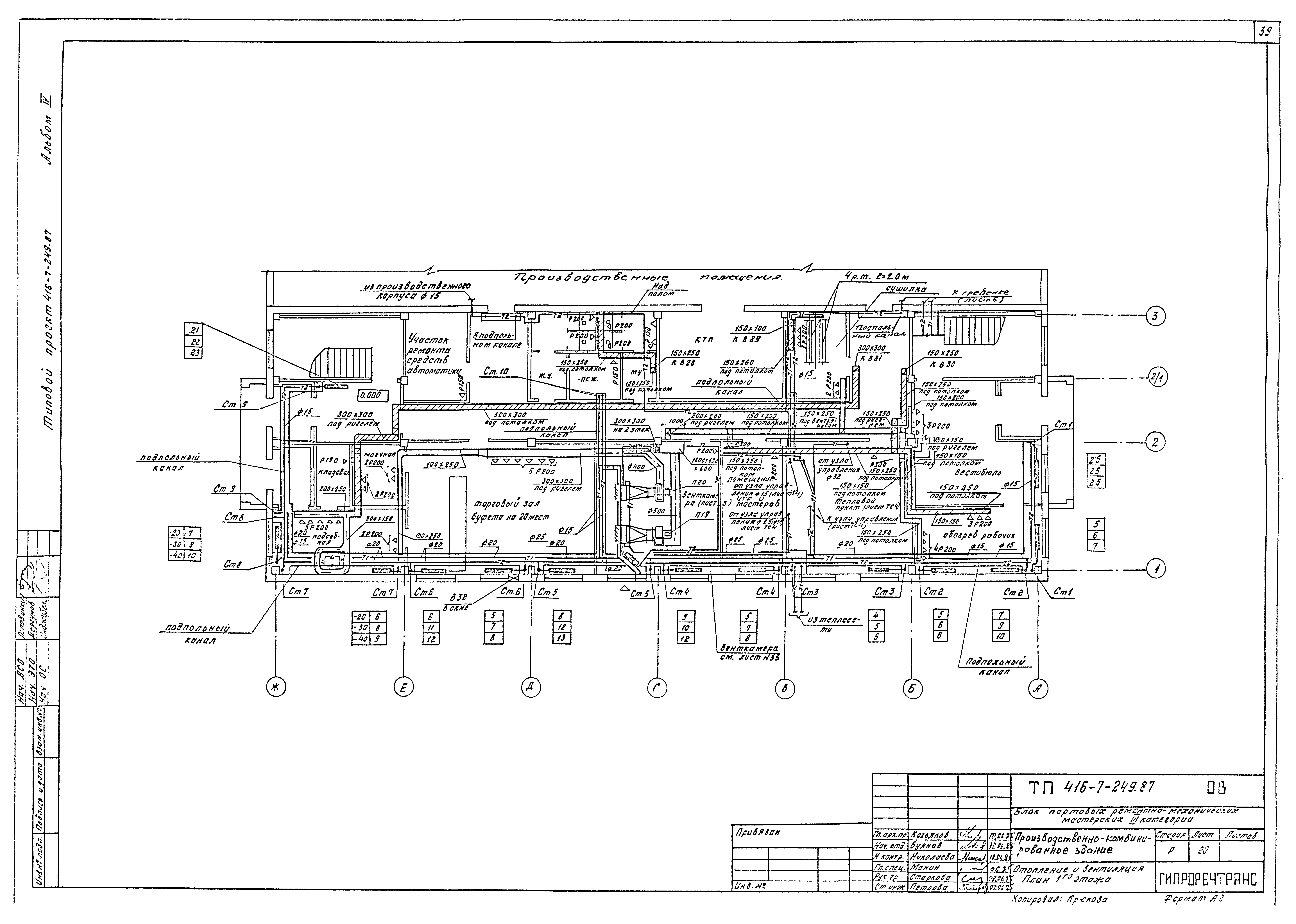
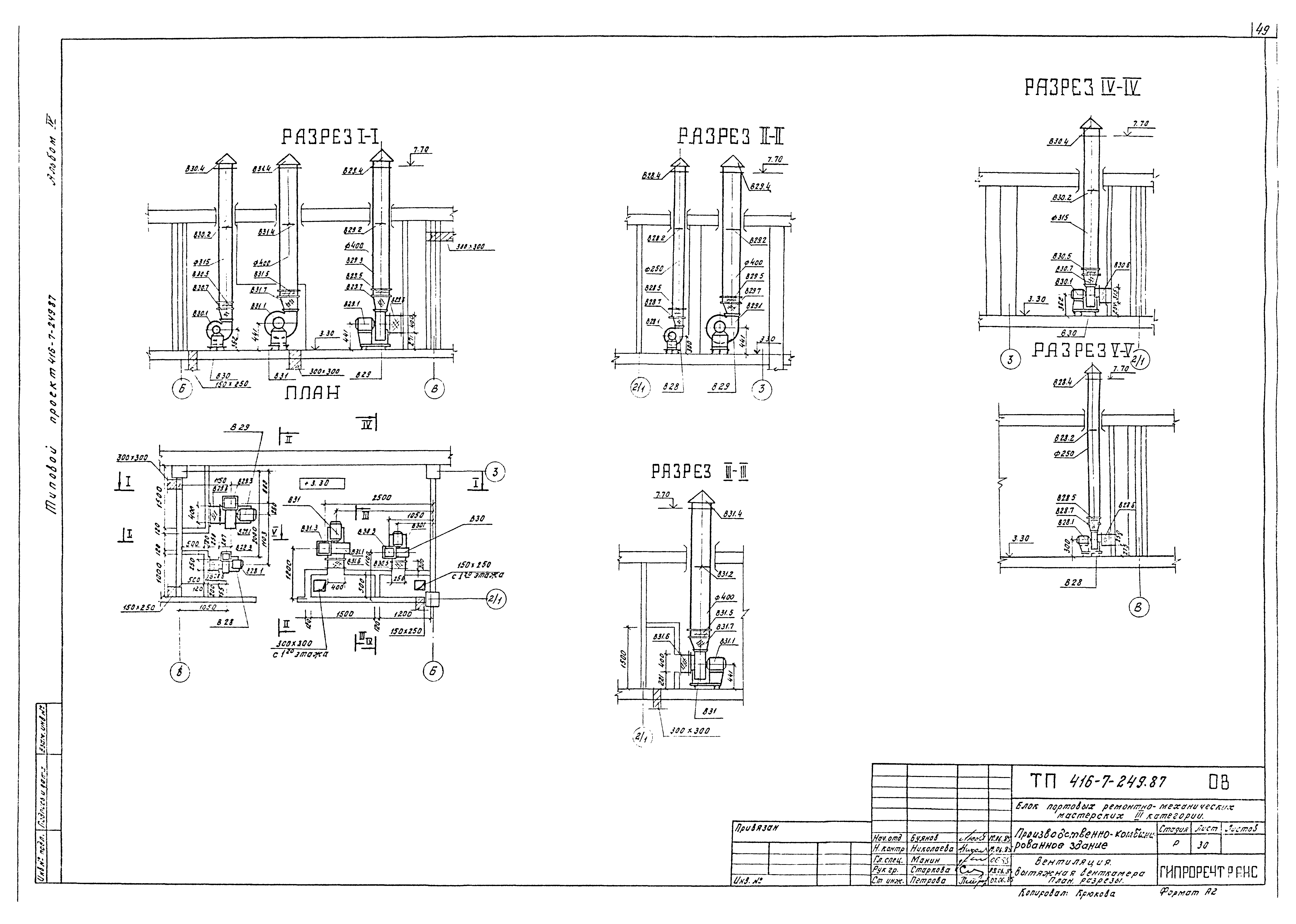
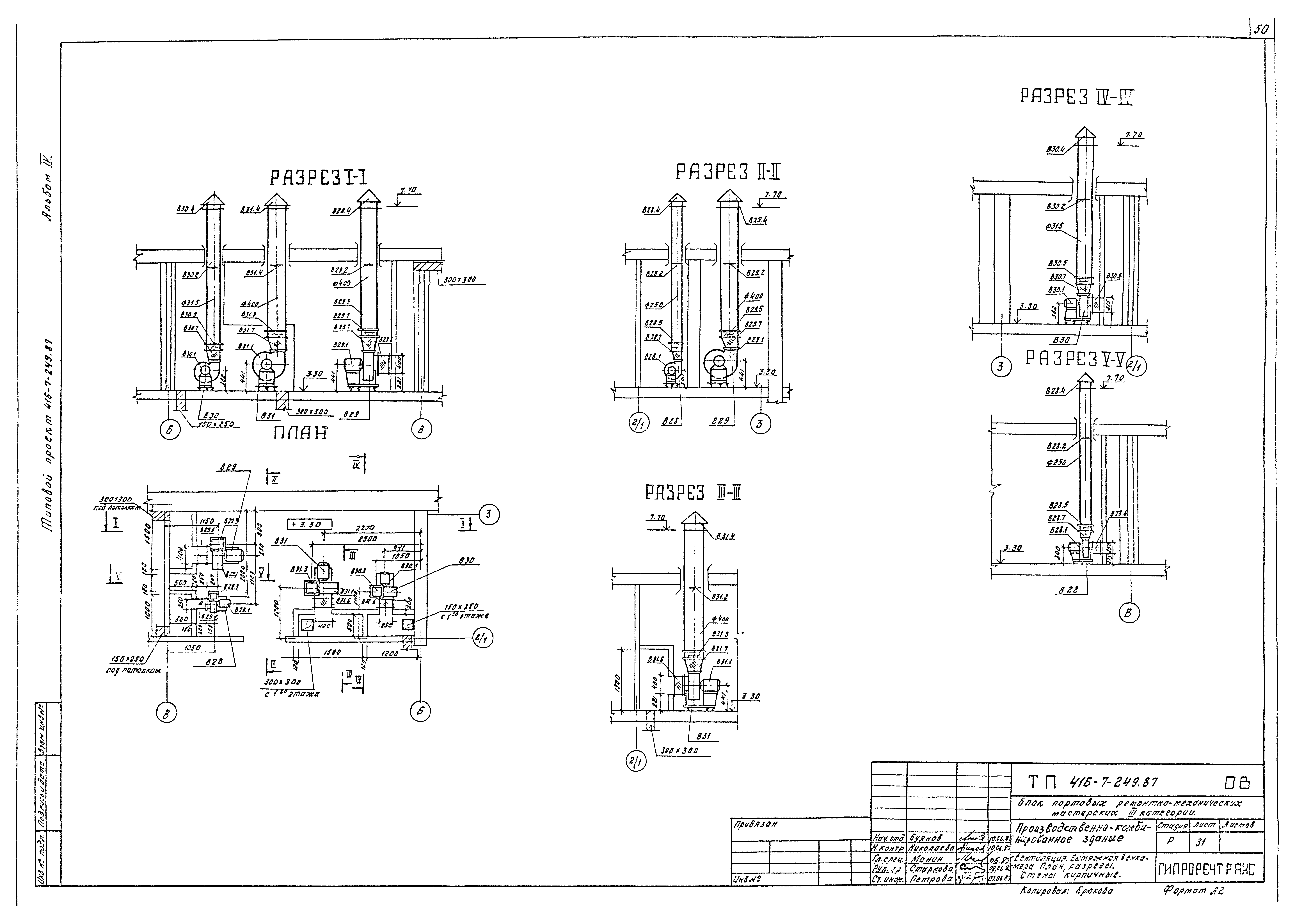
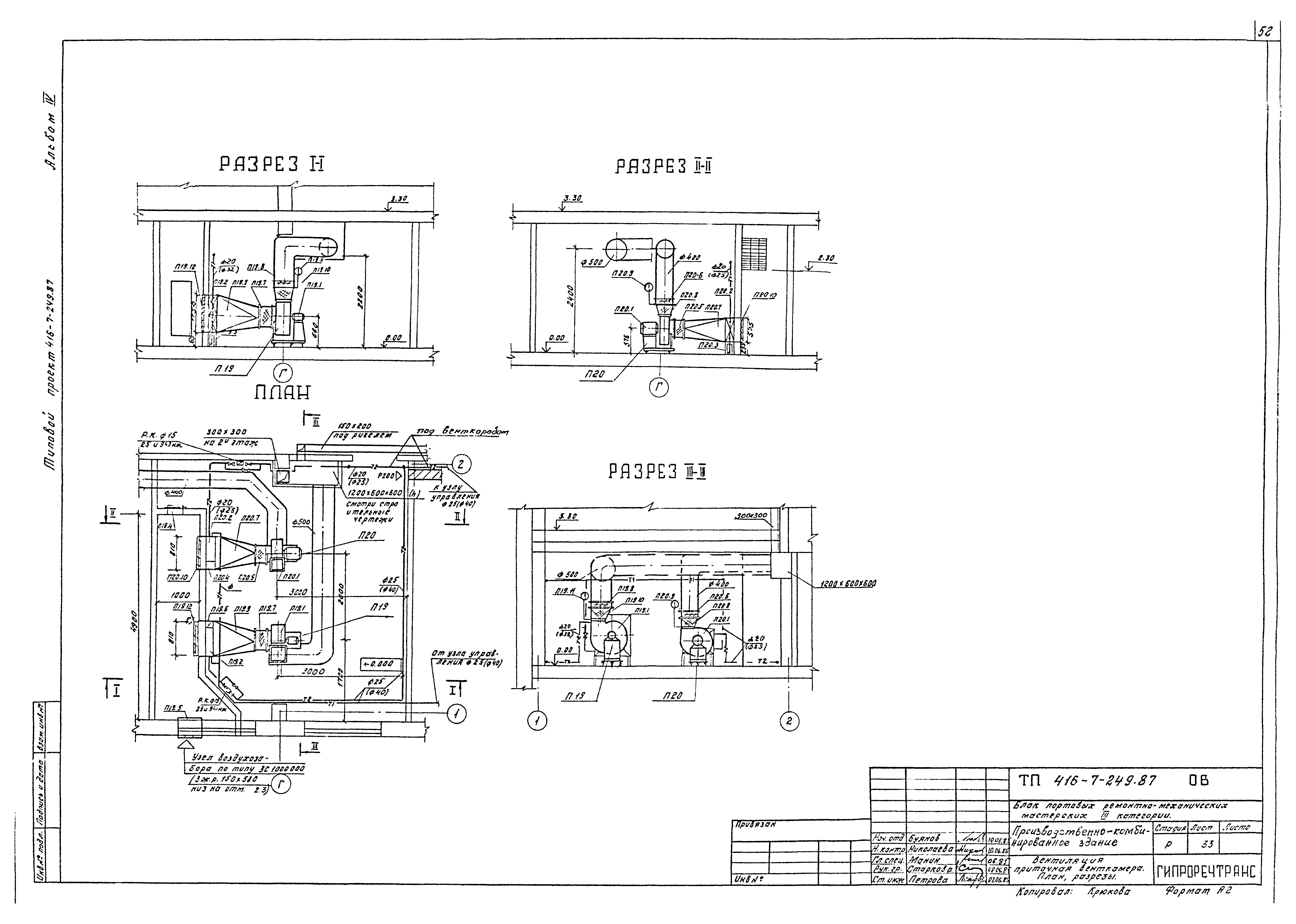
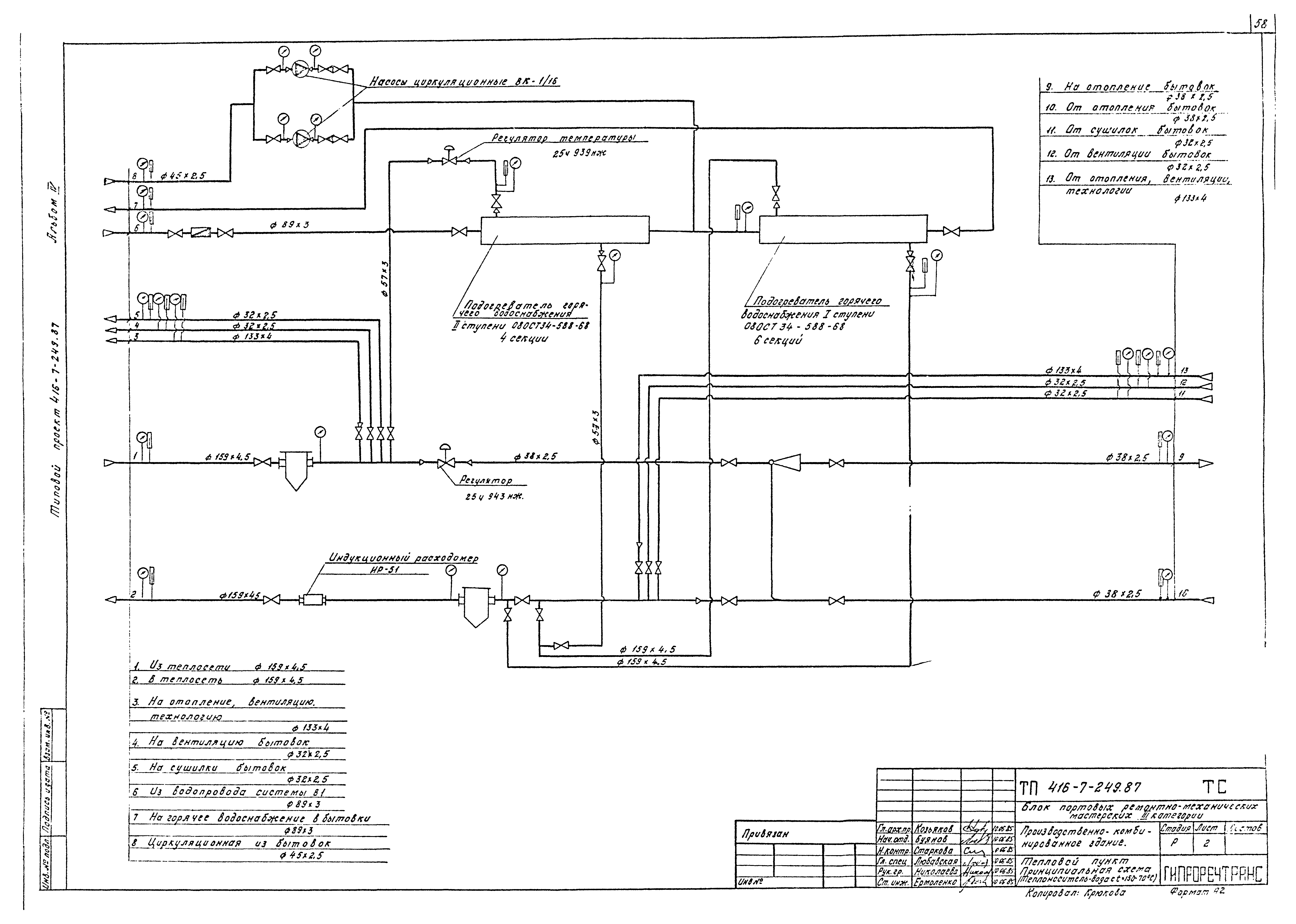
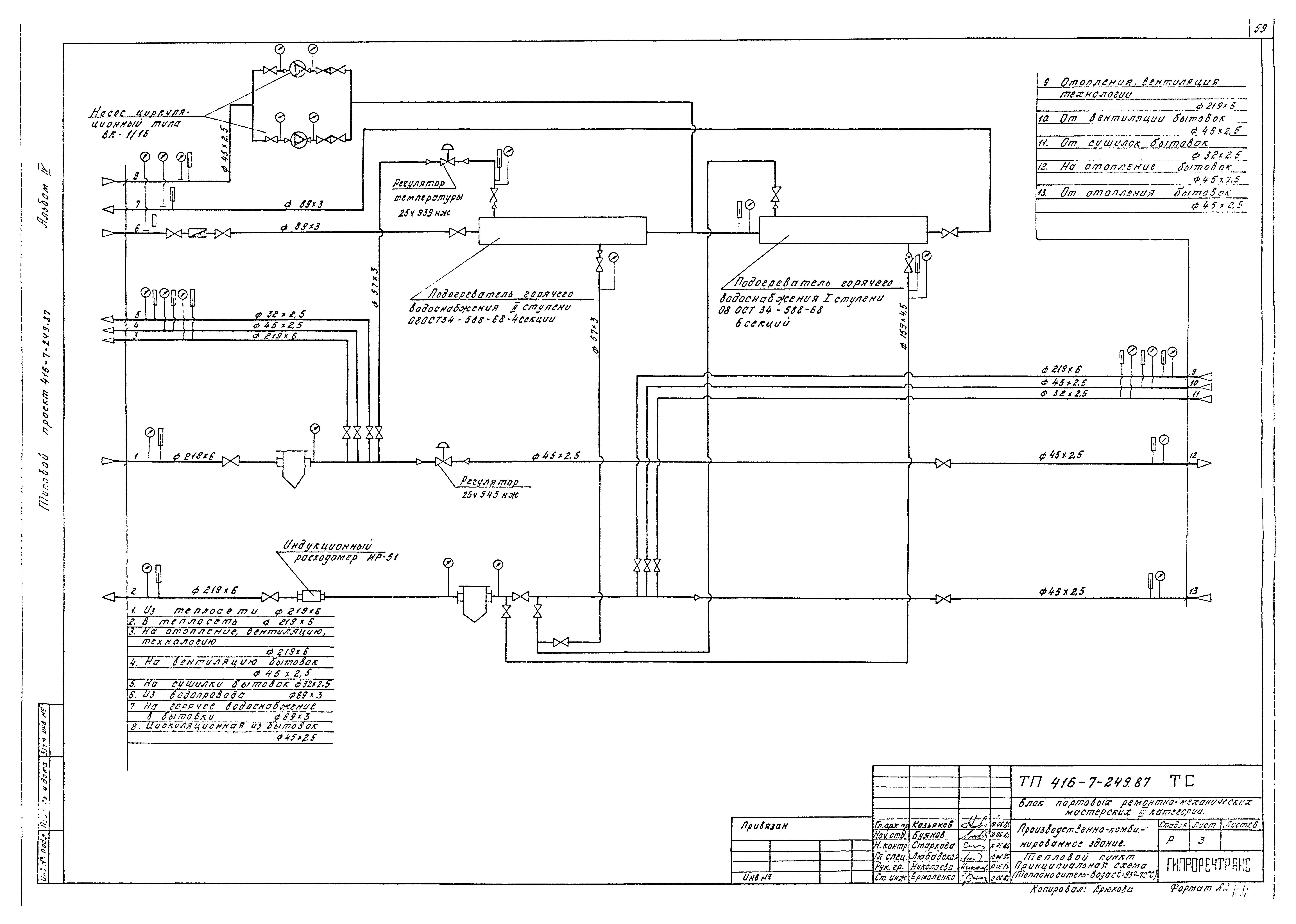
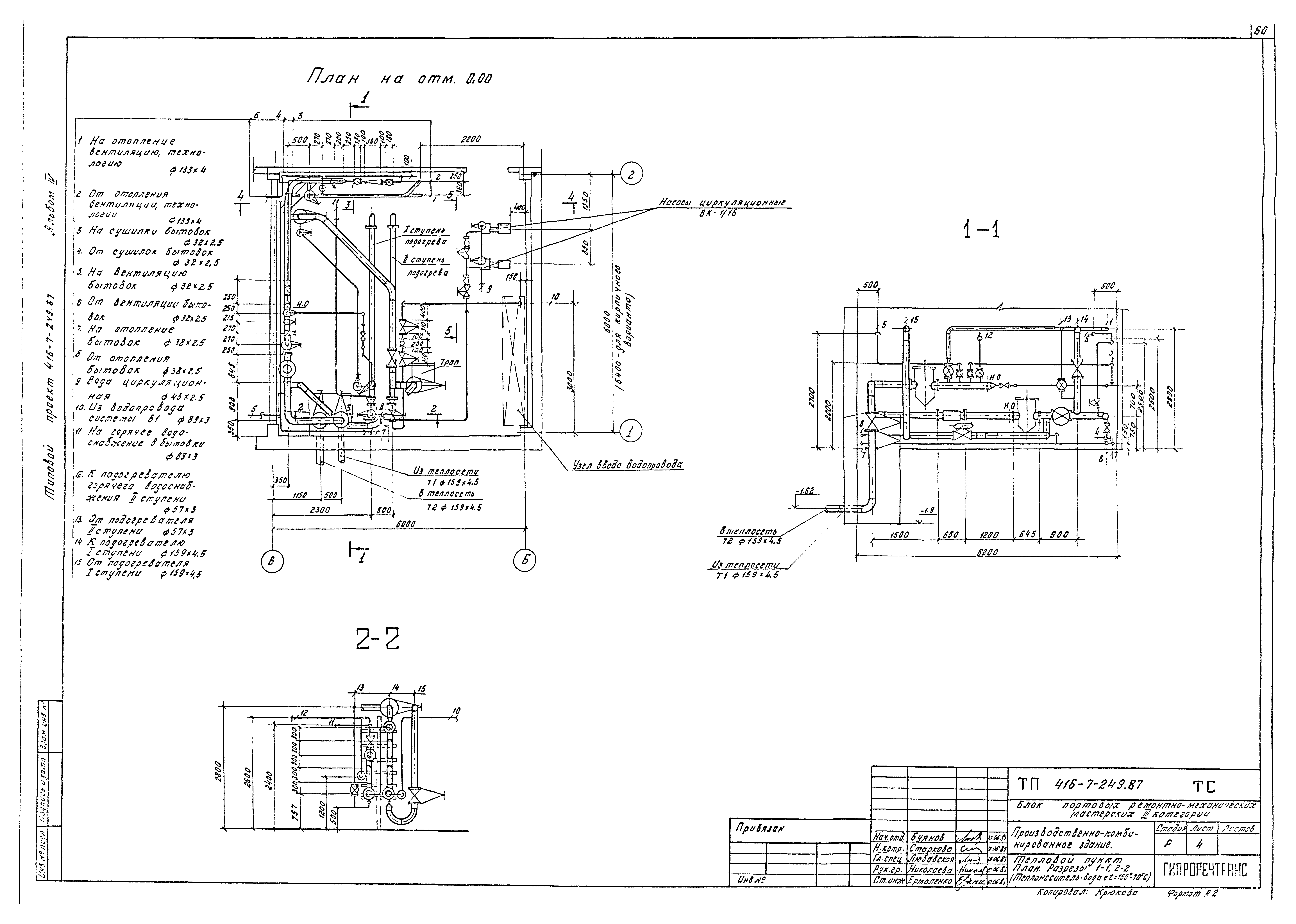
Скачать Типовой проект 416-7-249.87 Альбом IV. Внутренний водопровод и канализация. Отопление и вентиляция. Воздухоснабжение. ТеплоснабжениеДата актуализации: 01.01.2021
|
| Обозначение: | Типовой проект 416-7-249.87 |
| Обозначение англ: | 416-7-249.87 |
| Статус: | не определен законодательством |
| Название рус.: | Альбом IV. Внутренний водопровод и канализация. Отопление и вентиляция. Воздухоснабжение. Теплоснабжение |
| Дата добавления в базу: | 01.11.2014 |
| Дата актуализации: | 01.01.2021 |
| Дата введения: | 24.06.1986 |
| Дата окончания срока действия: | 30.06.2003 |
| Разработан: | Гипроречтранс |
| Утверждён: | 24.06.1986 Министерство речного флота РСФСР (53) |






































































