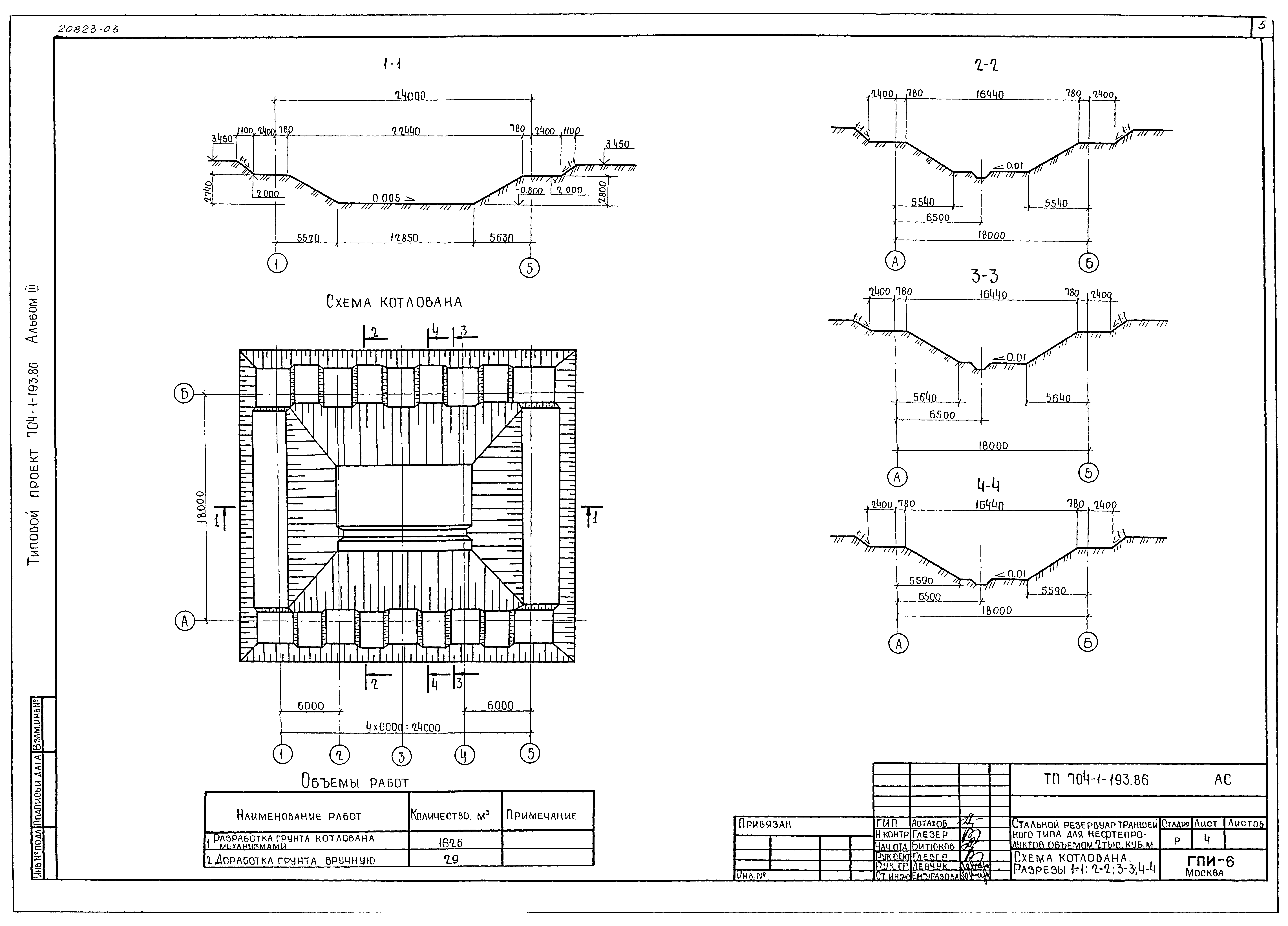
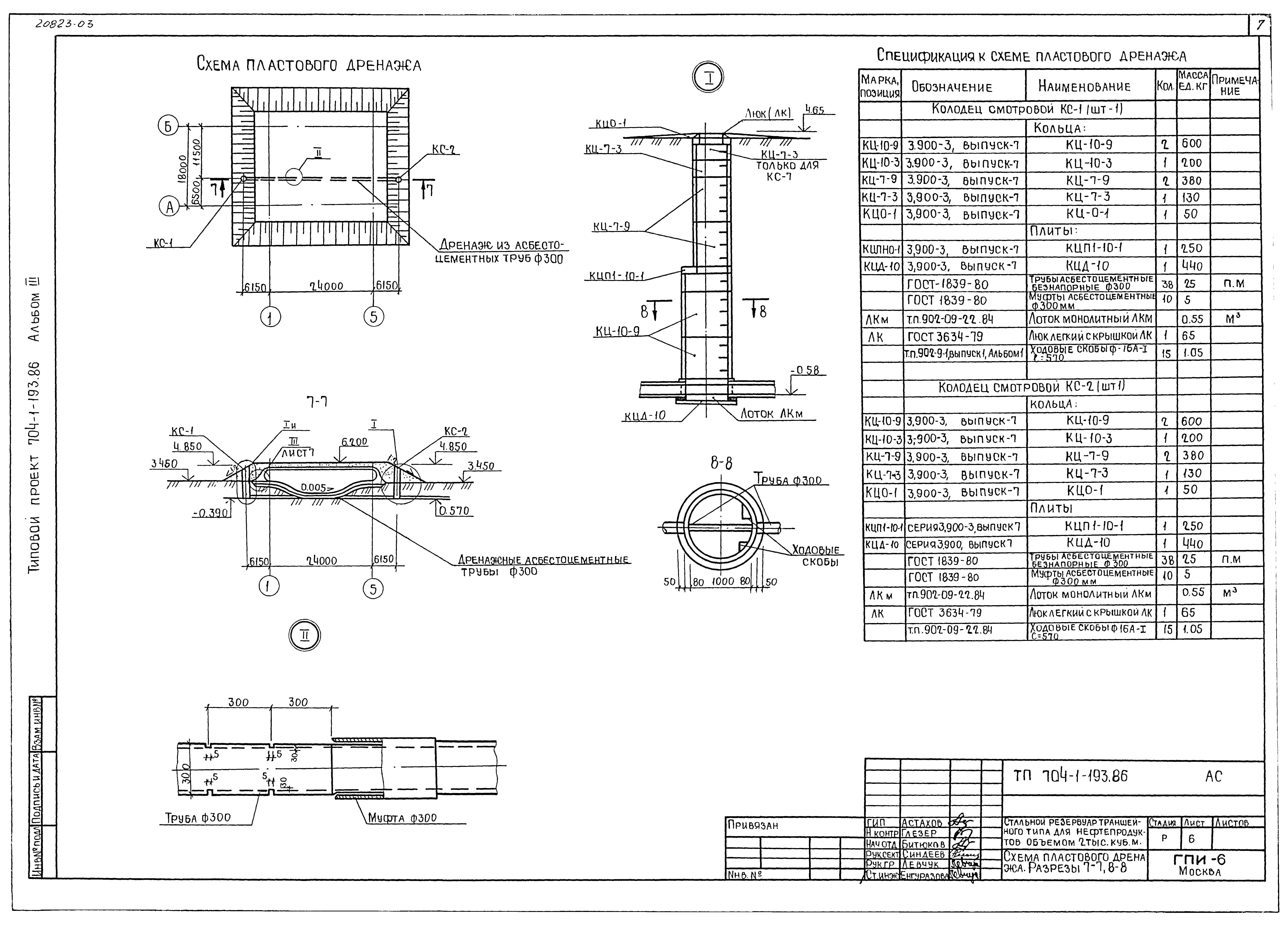
Скачать Типовой проект 704-1-193.86 Альбом III. Основание и фундаментыДата актуализации: 01.01.2021
|
| Обозначение: | Типовой проект 704-1-193.86 |
| Обозначение англ: | 704-1-193.86 |
| Статус: | не определен законодательством |
| Название рус.: | Альбом III. Основание и фундаменты |
| Дата добавления в базу: | 21.05.2015 |
| Дата актуализации: | 01.01.2021 |
| Дата введения: | 01.09.1985 |
| Дата окончания срока действия: | 30.06.2003 |
| Разработан: | Государственный Проектный Институт №6 |
| Утверждён: | 15.08.1985 Госкомрезерва СССР (160) |









