Скачать ГОСТ Р МЭК 60793-1-48-2014 Волокна оптические. Часть 1-48. Методы измерений и проведение испытаний. Поляризационная модовая дисперсияДата актуализации: 01.01.2021
|
| Обозначение: | ГОСТ Р МЭК 60793-1-48-2014 |
| Обозначение англ: | GOST R IEC 60793-1-48-2014 |
| Статус: | введен впервые |
| Название рус.: | Волокна оптические. Часть 1-48. Методы измерений и проведение испытаний. Поляризационная модовая дисперсия |
| Название англ.: | Optical fibres. Part 1-48. Measurement methods and test procedures. Polarization mode dispersion |
| Дата добавления в базу: | 12.02.2016 |
| Дата актуализации: | 01.01.2021 |
| Дата введения: | 01.01.2016 |
| Область применения: | В стандарте приведено три метода измерения поляризационной модовой дисперсии. Стандарт устанавливает единые требования для измерения поляризационной модовой дисперсии одномодового оптического волокна, таким образом содействуя проверке возможности коммерческого использования волокон и кабелей. |
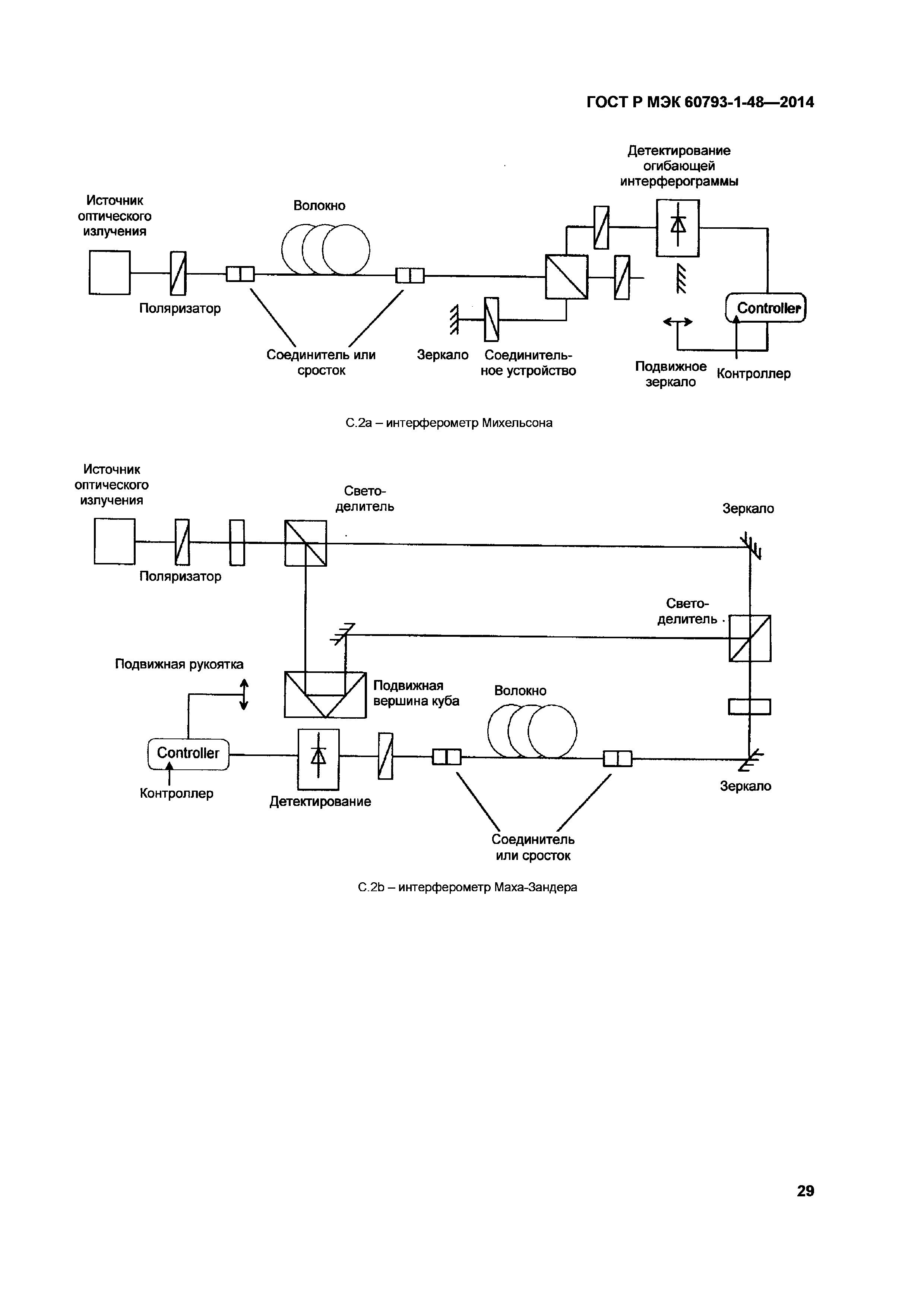
| Оглавление: | 1 Область применения 2 Нормативные ссылки 3 Термины и определения 4 Общие положения 5 Испытательное оборудование 6 Отбор и подготовка образцов 7 Проведение испытания 8 Расчет или представление результатов 9 Документация 10 Информация в технических условиях Приложение А (обязательное) Метод измерений с помощью неподвижного анализатора Приложение В (обязательное) Метод расчета Стокса Приложение С (обязательное) Интерферометрический метод Приложение D (справочное) Определение среднеквадратичного значения ширины спектра по огибающим интерферограммы Приложение Е (справочное) Словарь обозначений Приложение ДА (справочное) Сведения о соответствии ссылочных международных стандартов национальным стандартам Российской Федерации Библиография |
| Разработан: | ОАО ВНИИКП |
| Утверждён: | 18.09.2014 Федеральное агентство по техническому регулированию и метрологии (1117-ст) |
| Издан: | Стандартинформ (2015 г. ) |
| Нормативные ссылки: |



















































