Скачать Рекомендации по восстановлению и усилению полносборных зданий полимеррастворами

Дата актуализации: 01.01.2021

Рекомендации по восстановлению и усилению полносборных зданий полимеррастворами

Статус:справочные материалы, мп, тпр
Название рус.:Рекомендации по восстановлению и усилению полносборных зданий полимеррастворами
Дата добавления в базу:21.05.2015
Дата актуализации:01.01.2021
Область применения:В документе рассмотрены характерные повреждения полносборных зданий - крупнопанельных, крупноблочных, каркасных и каркасно-панельных, рекомендуются способы их устранения, а также восстановления конструкций полносборных зданий методом иньецирования полимеррастворов в трещины. Даны способы усиления отдельных элементов конструкций, стыков и повышения сейсмостойкости зданий в целом, приведены методы их расчета. Описана технология производства работ и дано необходимое оборудование. Изложена методика технического обследования полносборных зданий. Для инженерно-технических работников проектных и ремонтно-строительных организаций.
Оглавление:Введение
1. Общие положении
2. Область применения
3. Характерные повреждения полносборных зданий и рекомендуемые способы их устранения
4. Характеристика применяемых материалов
5. Составы клеев и полимеррастворов
6. Приготовление клеев и полимеррастворов
   Восстановление конструкций полносборных зданий методом инъецирования полимеррастворов
7. Технология производства работ по инъецированию трещин
   Усиление и повышение сейсмостойкости полносборных зданий полимеррастворами
8. Общие указания по проектированию и расчету
9. Крупнопанельные здания
10. Крупноблочные здания
11. Каркасные и каркасно-панельные здания
12. Технология производства работ по усилению конструкций полносборных зданий
13. Контроль качества производства работ по восстановлению и усилению полносборных зданий
14. Техника безопасности производства работ при восстановлении и усилении полносборных зданий полимеррастворами
Приложение 1. Примеры расчета
   Повышение сейсмостойкости крупнопанельного здания с помощью ПАШ
   Повышение сейсмостойкости крупнопанельного здания с помощью ПОС
   Усиление железобетонной балки
   Расчет устройства консоли
Приложение 2. Методика технического обследования полносборных зданий
Приложение 3. Способ определения условной вязкости полимерраствора вискозиметром ВП-3
Приложение 4. Коэффициенты условий работы клеевых соединений .
Приложение 5. Технико-экономические показатели
Приложение 6. Перечень необходимого оборудования, механизмов и инструментов
Приложение 7. Очистка стальных изделий от ржавчины пастой "Целлогель"
Приложение 8. Основные буквенные обозначения
Разработан: ТбилЗНИИЭП Госкомархитектуры
Утверждён: ТбилЗНИИЭП Госкомархитектуры
Издан: Издательство литературы по строительству (1990 г. )
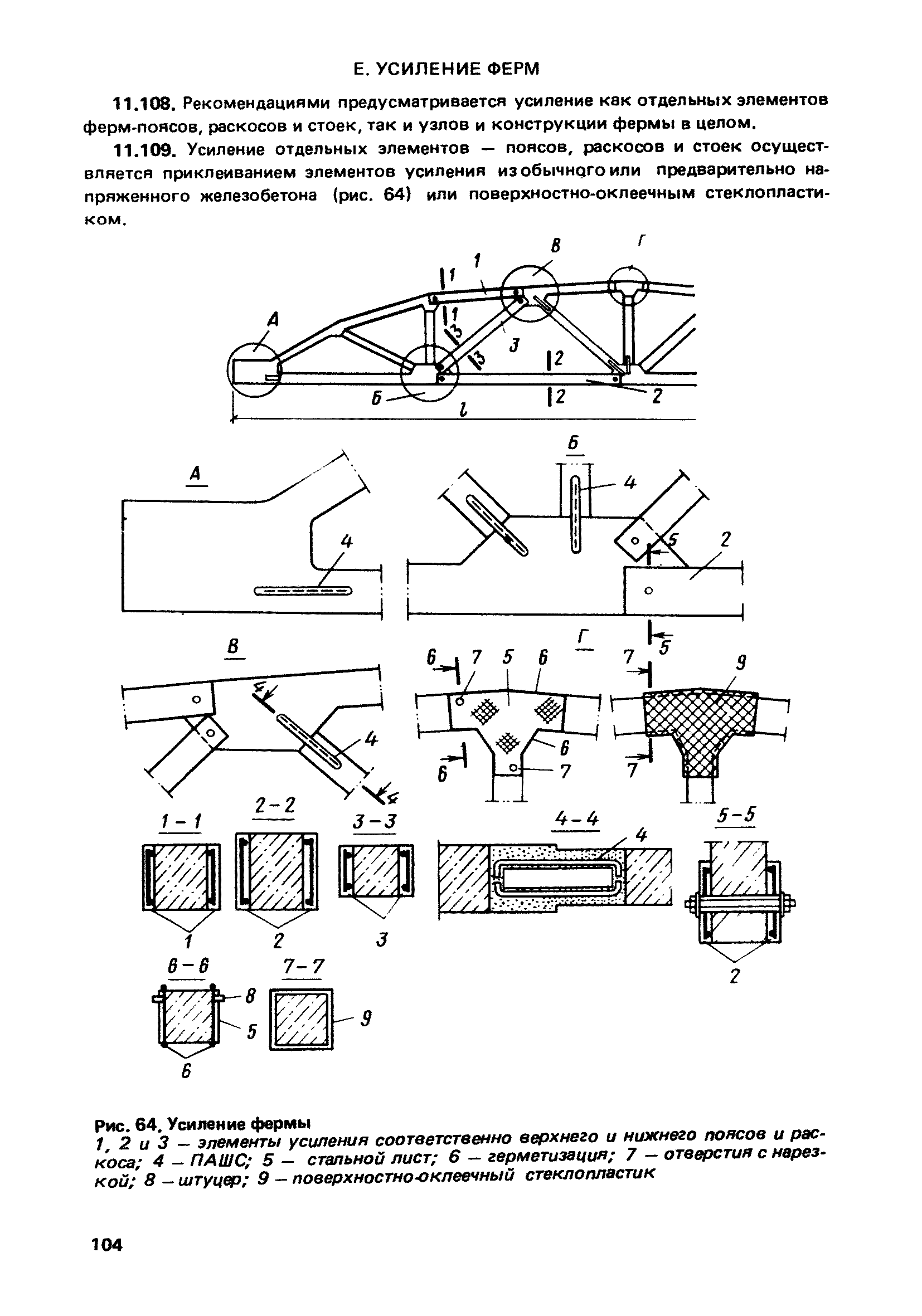
Нормативные ссылки: