Скачать Руководство по единым типовым требованиям к паркам воинских частей Вооруженных Сил Российской ФедерацииДата актуализации: 01.01.2021
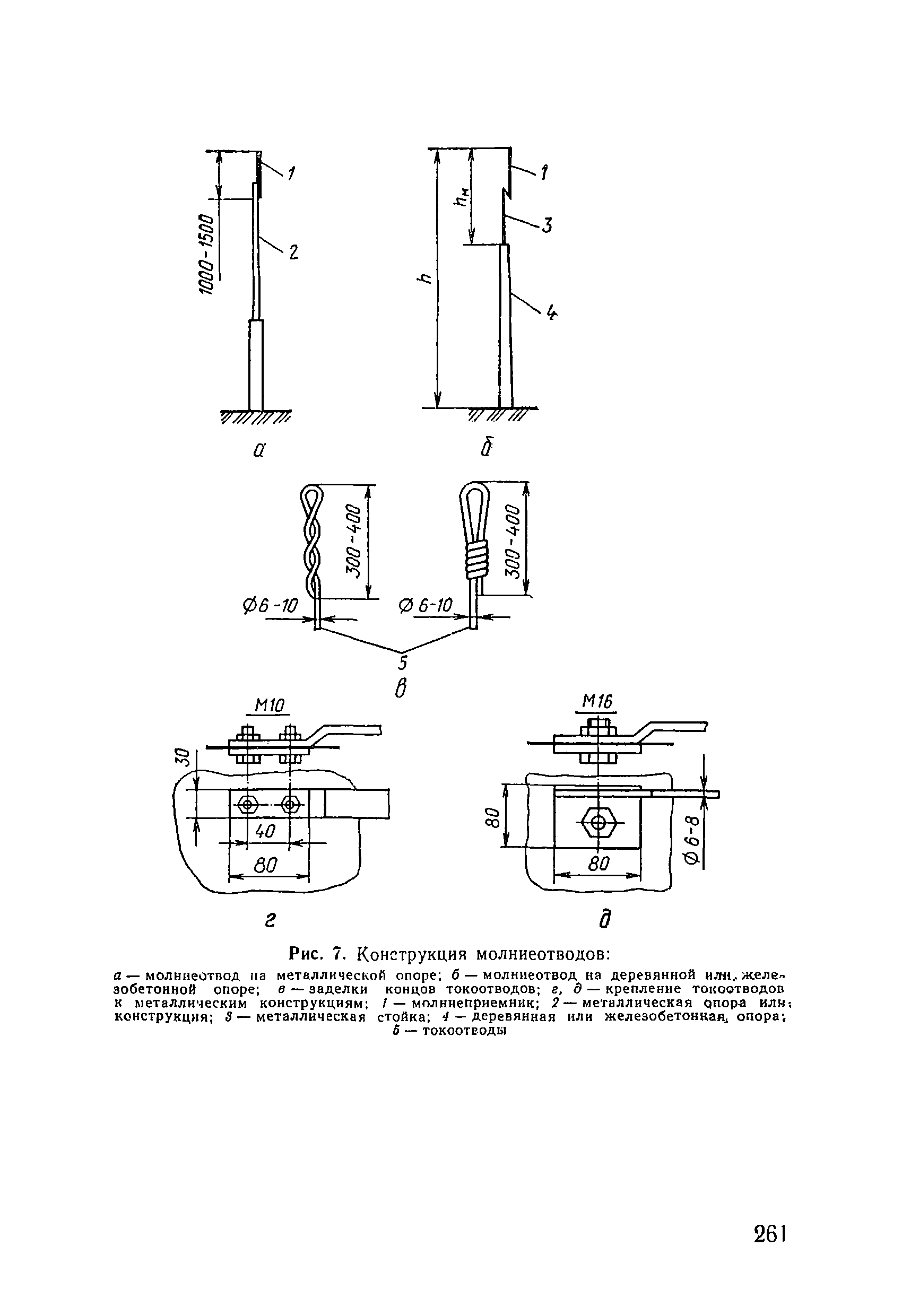
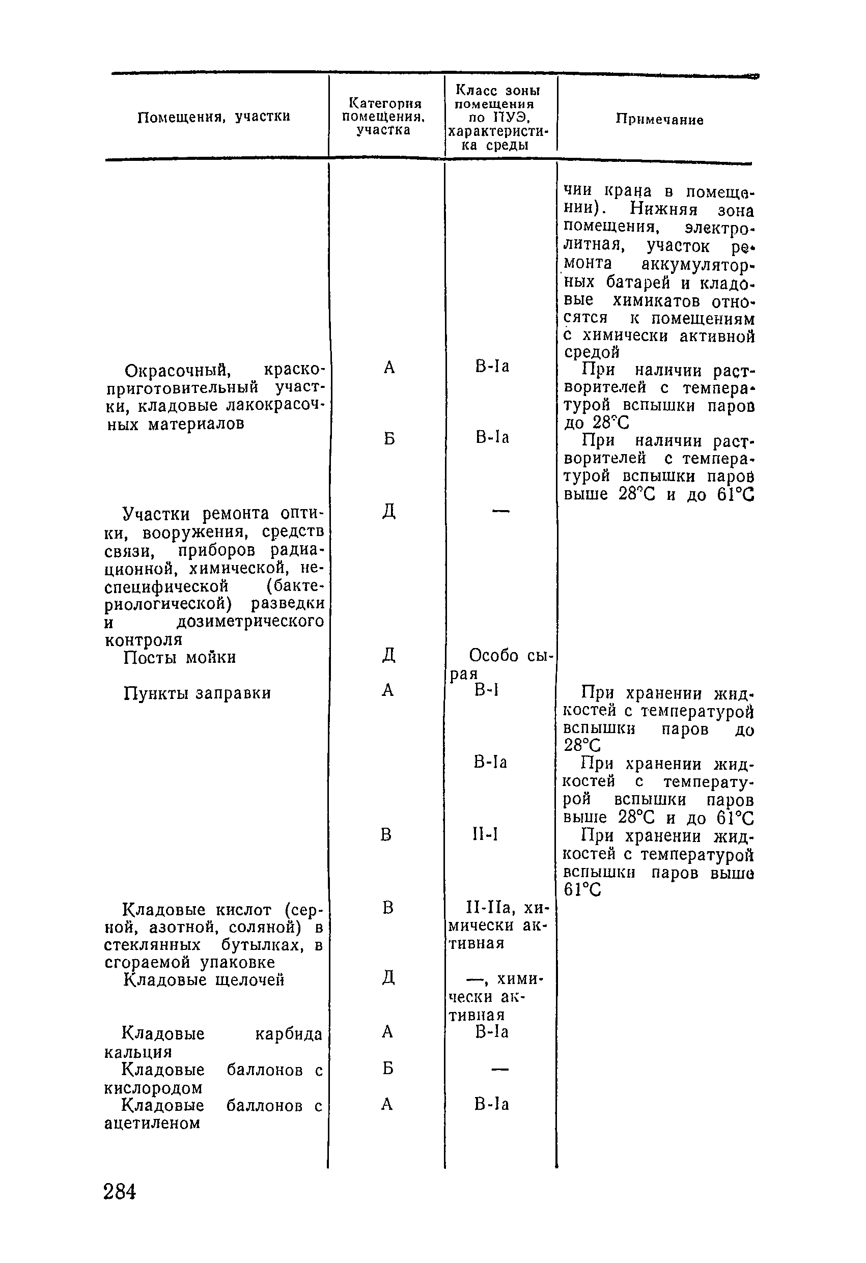
Руководство по единым типовым требованиям к паркам воинских частей Вооруженных Сил Российской Федерации| Статус: | справочные материалы, мп, тпр | | Название рус.: | Руководство по единым типовым требованиям к паркам воинских частей Вооруженных Сил Российской Федерации | | Дата добавления в базу: | 21.05.2015 | | Дата актуализации: | 01.01.2021 | | Область применения: | Руководство является основным документом при проектировании, планировке, строительстве и оборудовании новых, а также при реконструкции существующих парков воинских частей Вооруженных Сил Российской Федерации. В Руководстве изложены требования к устройству и оборудованию парков воинских частей, а также приведены образцы оформления схем генеральных планов и каталог типовых проектов зданий и сооружений парков воинских частей. Руководство разработано применительно к паркам общевойсковых воинских частей. Особенности устройства постоянных парков воинских частей видов Вооруженным Сил, родов войск и специальных войск приведены в главе IV. Содержащиеся Руководстве требования и рекомендации по оборудованию новых и развитию существующих постоянных парков воинских частей следует применять творчески, с учетом конкретного вида Вооруженных Сил, рода войск и специальных войск, специфики конструкции и эксплуатации вооружения и военной техники, района дислокации воинской части. | | Оглавление: | Глава 1. Устройство и оборудование парков воинских частей 1. Общие положения 2. Постоянные парки 3. Полевые парки Глава II. Элементы постоянного парка 1. Контрольно-технический пункт 2. Пункт предварительной очистки 3. Пункт заправки 4. Пункт чистки и мойки 6. Пункт (площадка) ежедневного технического обслуживания 6. Пункт технического обслуживания и ремонта 7. Места хранения (стоянки) вооружения и военной техники 8. Аккумуляторные 9. Стационарная водогрейка 10. Склады военно-технического имущества 11. Отапливаемое помещение для дежурных средств 12. Санитарно-бытовые помещения 13. Площадки 14. Место для отдыха (курения) Глава III. Дороги, проезды и проходы, ограждение и ворота, озеленение постоянного парка 1. Дороги, проезды и проходы 2. Ограждение и ворота 3. Озеленение Глава IV. Особенности устройства и оборудования постоянных парков видов Вооруженных Сил, родов войск и специальных войск 1. Общее устройство и оборудование 2. Контрольно-технический пункт 3. Пункт (площадка) ежедневного технического обслуживания 4. Пункт технического обслуживания и ремонта 5. Места хранения (стоянки) ВВТ 6. Аккумуляторные 7. Склады ВТИ Глава V. Молниезащита и защита постоянного парка от статического электричества 1. Молниезащита 2. Защита от статического электричества Глава VI. Противопожарная защита постоянных парков Приложение 1. Описание сетей инженерных коммуникаций постоянного парка Приложение 2. Таблицы, указателя, номерные знаки и щиты наглядной агитации Приложение 3. Графическое оформление генерального плана парка и содержание пояснительной записки Приложение 4. Образцы схем генеральных планов и каталог типовых проектов зданий и сооружений парков воинских частей Приложение 5. Образцы заполнения рабочих документов дежурного по парку Приложение 6. Примерный перечень оборудования стоянок вооружения и военной техники Приложение 7. Образцы специального оборудования Приложение 8. Образцы заполнения документов, хранящихся в комнате аккумуляторщиков Приложение 9. Примерная методика расчета водогрейки Приложение 10. Содержание проекта молниезащиты Приложение 11. Образцы документов, оформляемых при приеме и вводе в эксплуатацию молниезащитных устройств Приложение 12. Методы измерения сопротивления заземлителей и удельного сопротивления грунта Приложение 13. Журнал учета состояния устройств молниезащиты Приложение 14. Доска пожарного расчета Приложение 15. Деление помещений зданий и сооружений парка на категории и классы по взрывопожарной в пожарной опасности и степени огнестойкости Приложение 16. Описание автоматической охранно-пожарной сигнализации Приложение 17. Описание пожарного жетона Приложение 18. Меры пожарной безопасности при хранении кислот и при обращении с самовоспламеняющимися и самовозгорающимися веществами, жидкостями и газами | | Утверждён: | 08.06.1992 Министр обороны Российской Федерации (28)
| | Издан: | Военное издательство Министерства обороны СССР (1992 г. )
|
                                                                                                                                                                                                                                                                                                    
|