Скачать ОСТ 108.030.04-75 Котлы паровые стационарные. Устройства для отбора проб пара и воды. Типы, конструкция и размеры. Технические требованияДата актуализации: 01.01.2021
|
| Обозначение: | ОСТ 108.030.04-75 |
| Обозначение англ: | OST 108.030.04-75 |
| Статус: | не определен законодательством |
| Название рус.: | Котлы паровые стационарные. Устройства для отбора проб пара и воды. Типы, конструкция и размеры. Технические требования |
| Дата добавления в базу: | 21.05.2015 |
| Дата актуализации: | 01.01.2021 |
| Дата введения: | 01.07.1976 |
| Дата окончания срока действия: | 30.06.2003 |
| Область применения: | Стандарт распространяется на устройства для отбора проб пара и воды, предназначенные для периодического химического контроля за воднохимическим режимом барабанных котлов с естественной циркуляцией высокого, среднего и низкого давлений; прямоточных котлов, высоконапорных парогенераторов, котлов-утилизаторов, водогрейных котлов, и на схемы установки этих устройств в пределах котла. Устройство для отбора проб пара и воды и отдельные элементы оборудования пробопроводных линий могут быть использованы для периодического химического контроля в других точках пароводяного тракта станции. Стандарт не распространяется на устройства и схемы автоматического химического контроля, а также автоматического и аналитического химического контроля водного режима АЭС. |
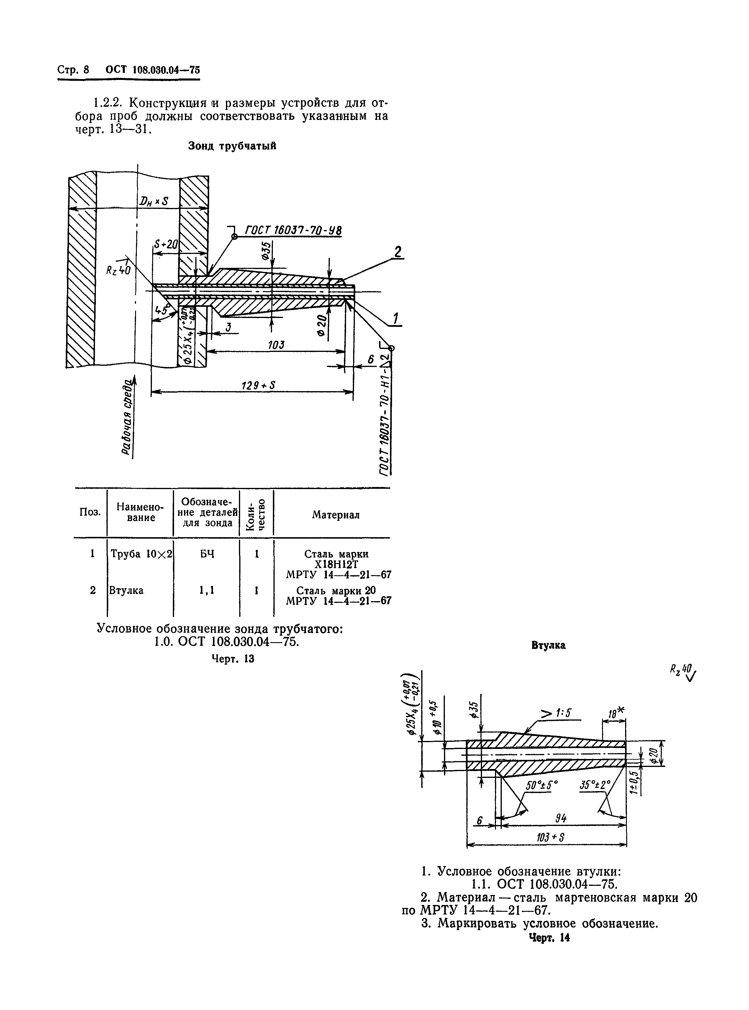
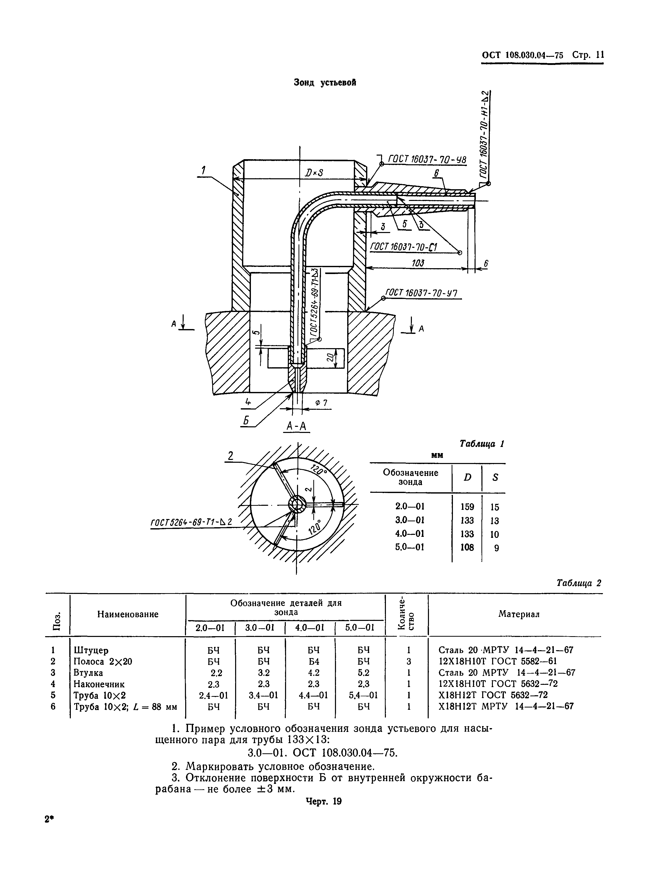
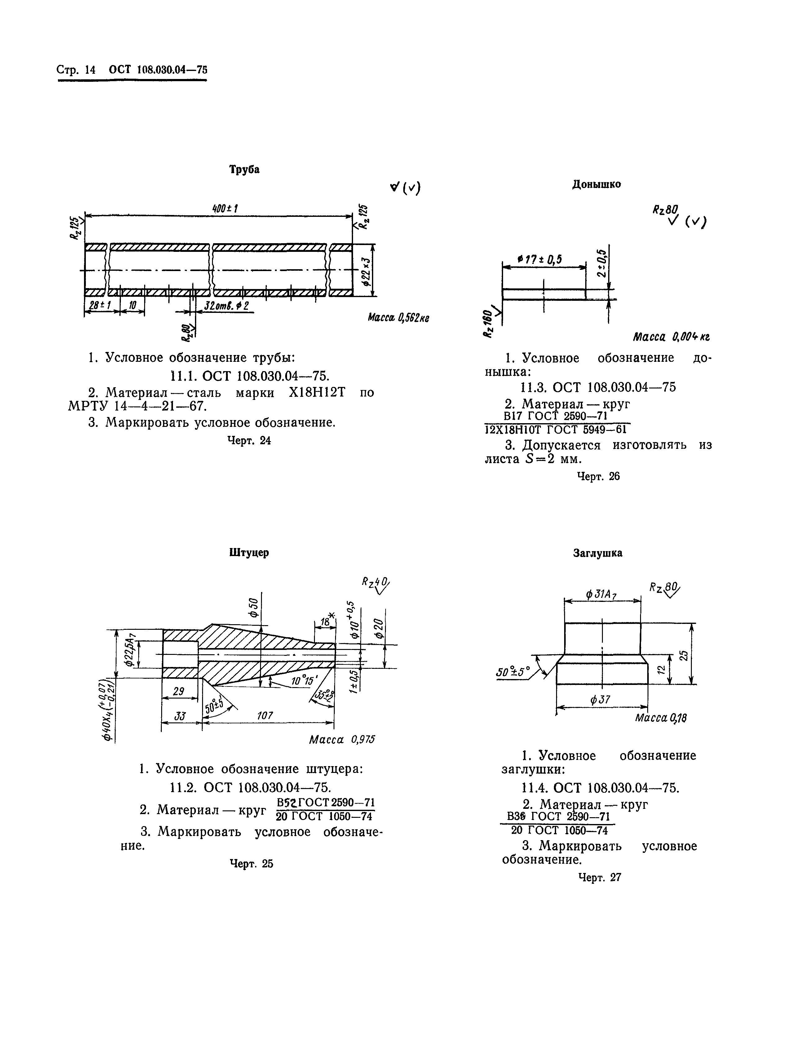
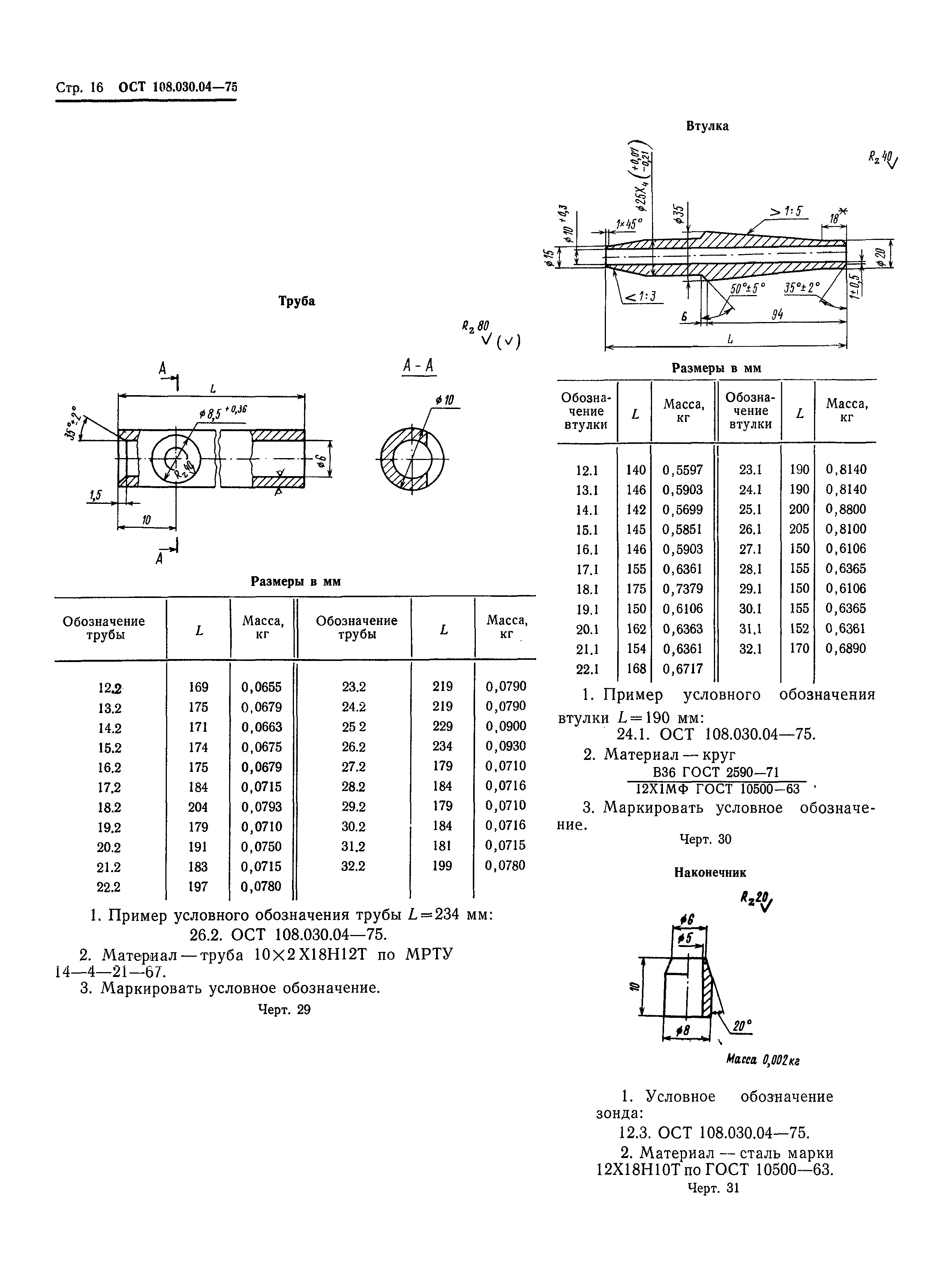
| Оглавление: | 1 Схемы отбора проб пара и воды и типы устройств для отбора 1.1 Типовые схемы отбора проб 1.2 Типы, конструкция устройств и указания по установке пробоотборников 1.3 Оборудование линий для отбора проб пара и воды 2 Технические требования Приложение (обязательное). Методика расчета зондов |
| Разработан: | НПО ЦКТИ им. И.И. Ползунова |
| Утверждён: | 16.10.1975 Министерство энергетического машиностроения (Ministry of Energy Machinery Manufacturing ПС-002/2226) |
| Заменяет собой: |
|
| Нормативные ссылки: |
|




























