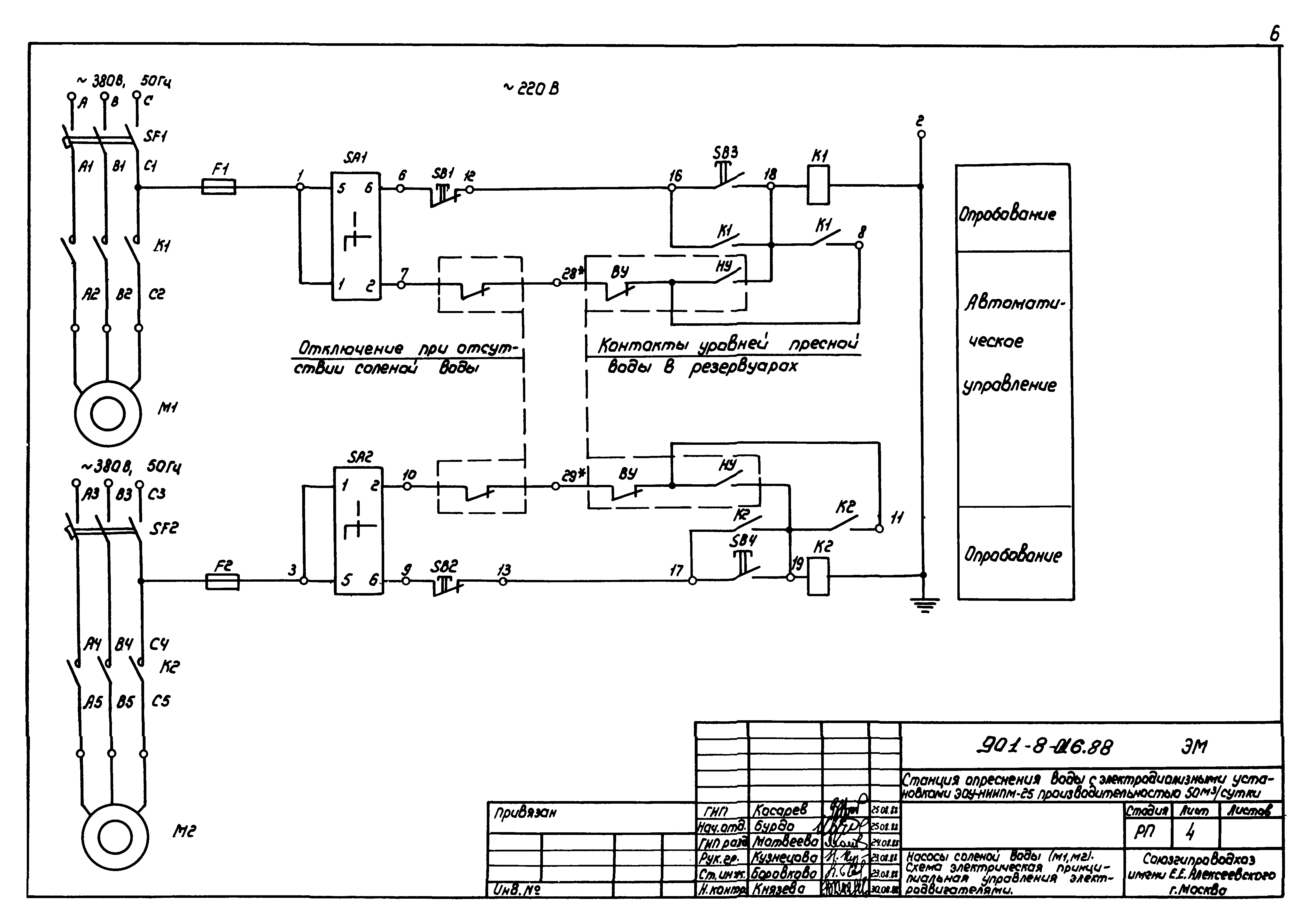
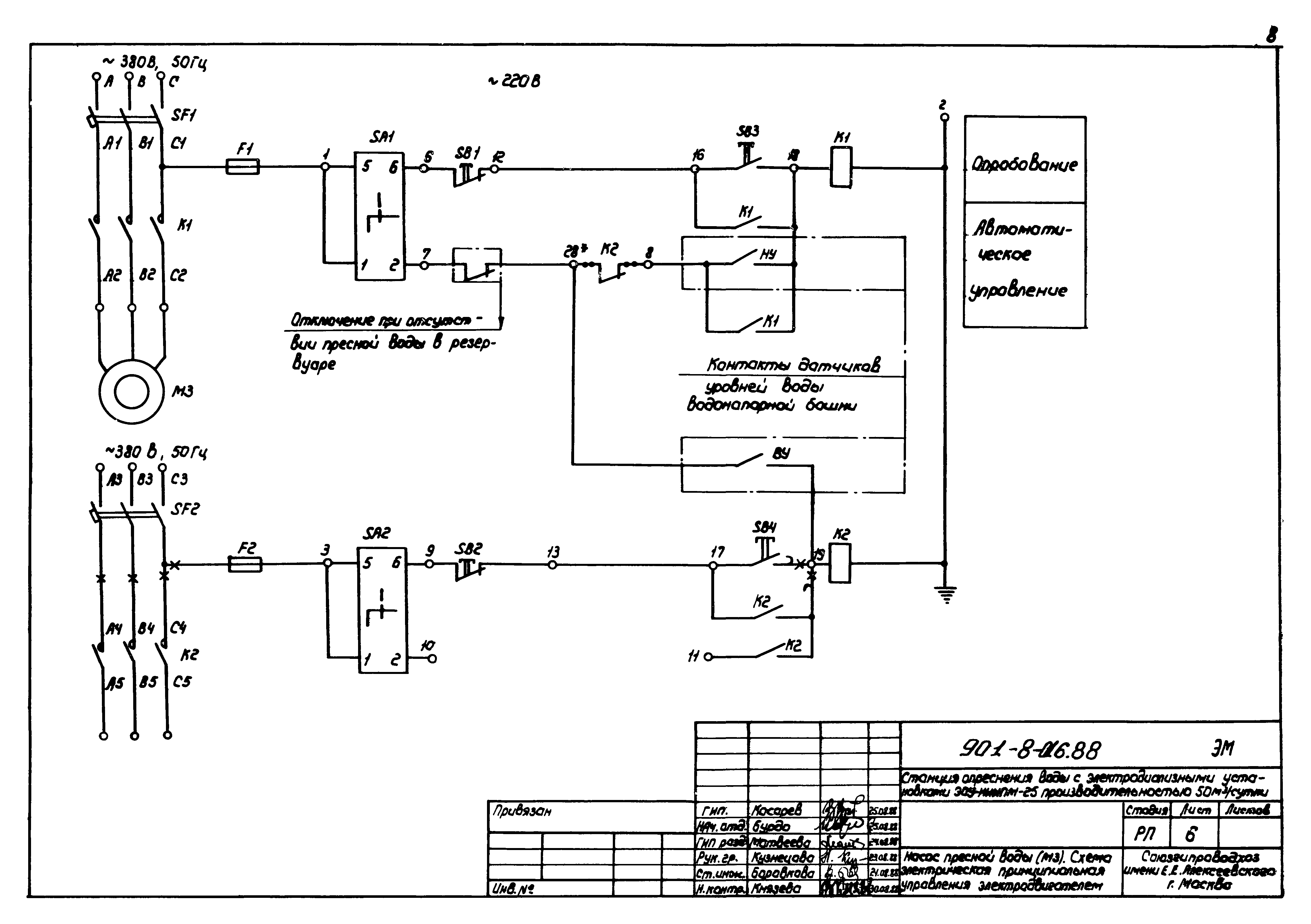
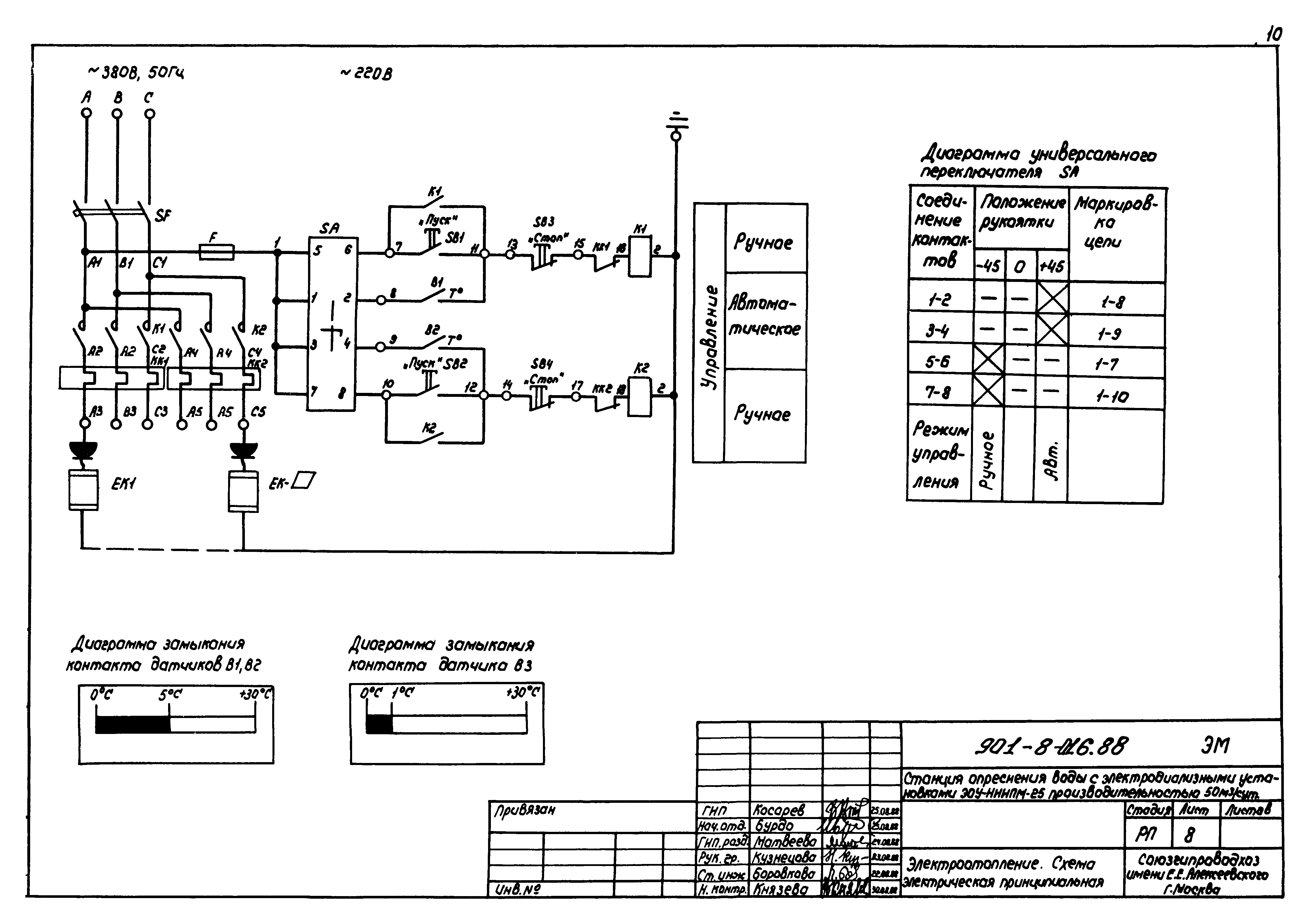
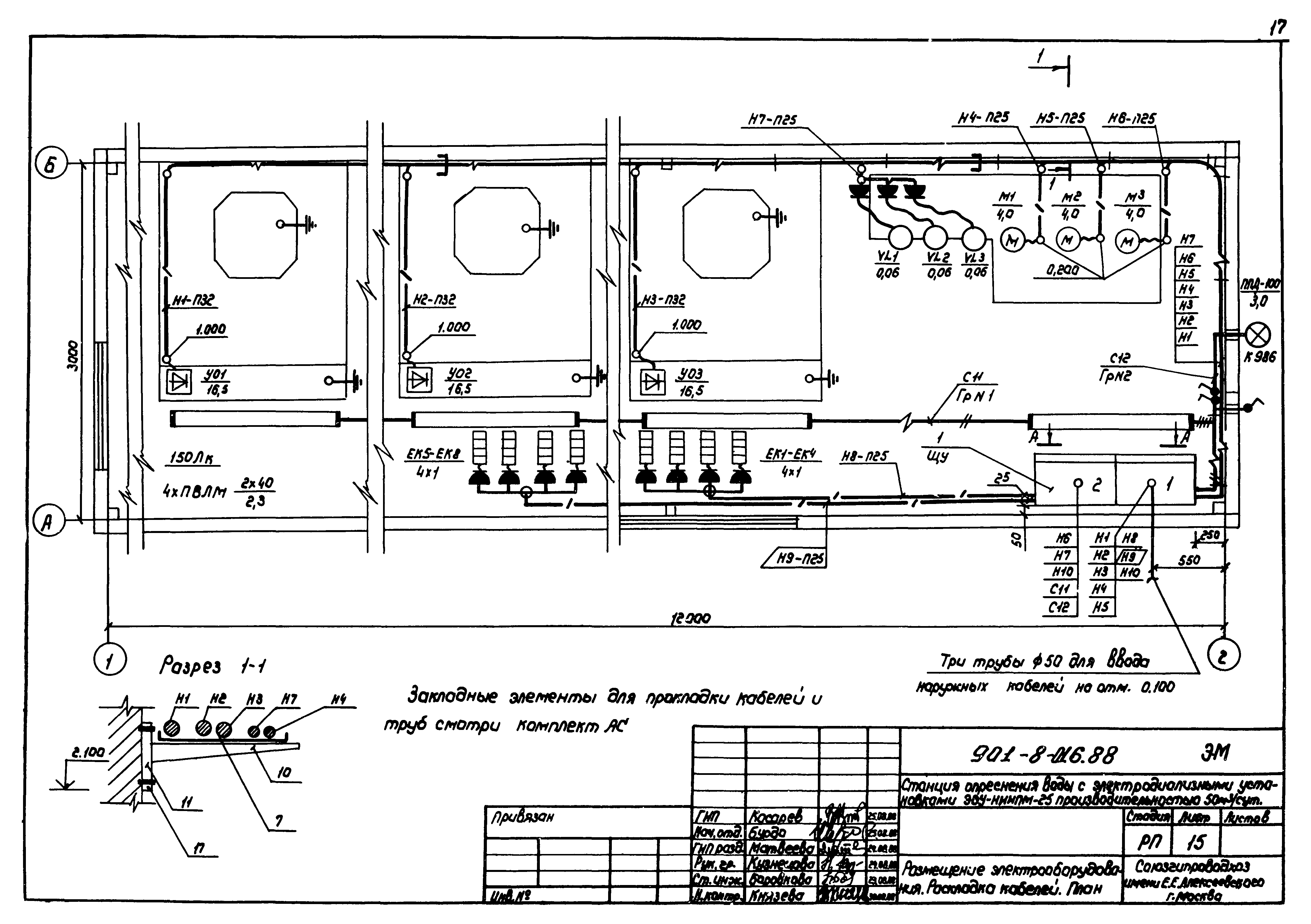
Скачать Типовые проектные решения 901-8-016.88 Альбом 3. Силовое электрооборудованиеДата актуализации: 01.01.2021 Типовые проектные решения 901-8-016.88
Альбом 3. Силовое электрооборудование| Обозначение: | Типовые проектные решения 901-8-016.88 | | Обозначение англ: | 901-8-016.88 | | Статус: | справочные материалы, мп, тпр | | Название рус.: | Альбом 3. Силовое электрооборудование | | Дата добавления в базу: | 21.05.2015 | | Дата актуализации: | 01.01.2021 | | Дата введения: | 10.10.1988 | | Разработан: | Союзгипроводхоз им. Е.Е. Алексеевского
| | Утверждён: | 10.10.1988 Минводхоз СССР (USSR Minvodkhoz 45)
|
                      
|