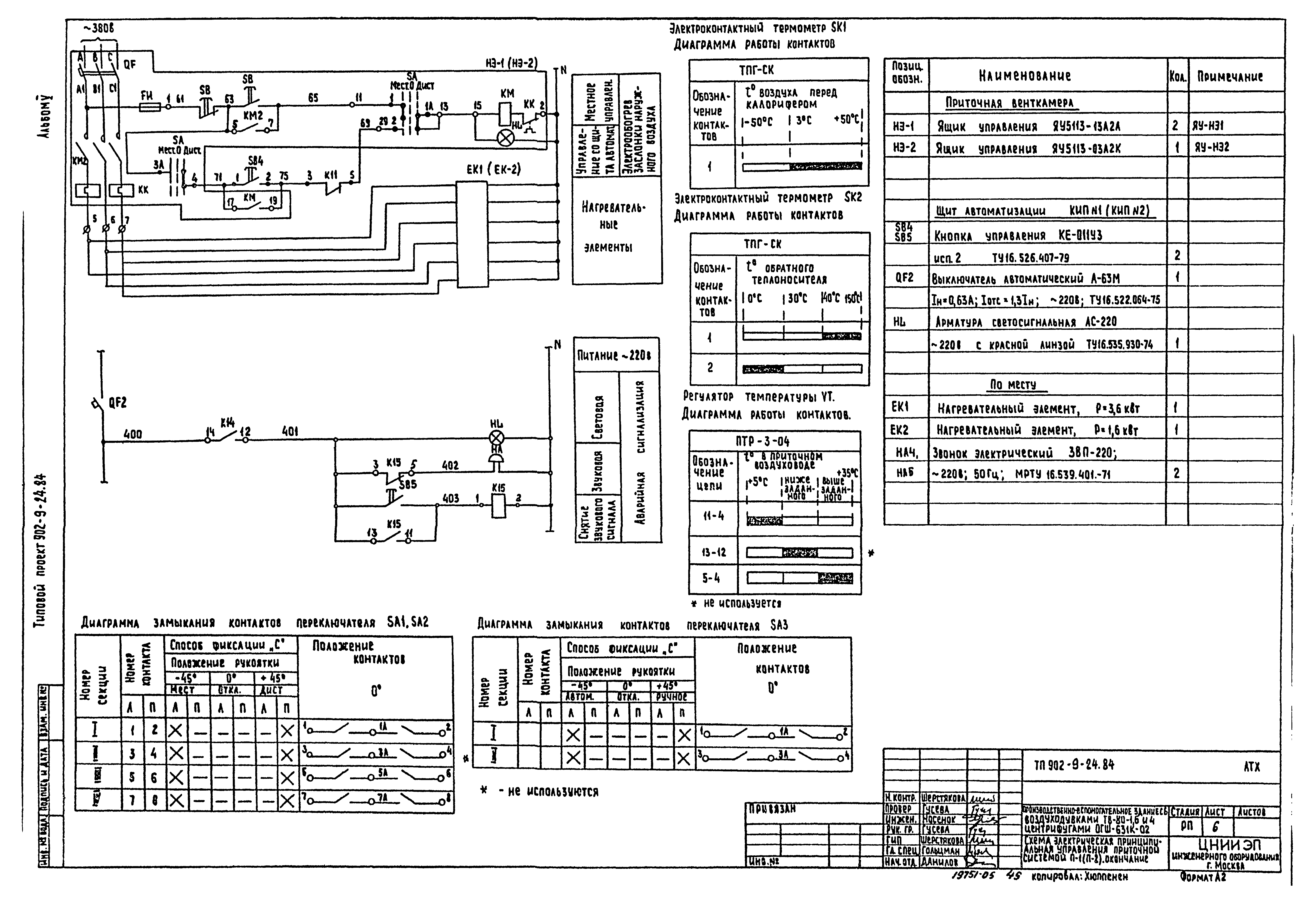
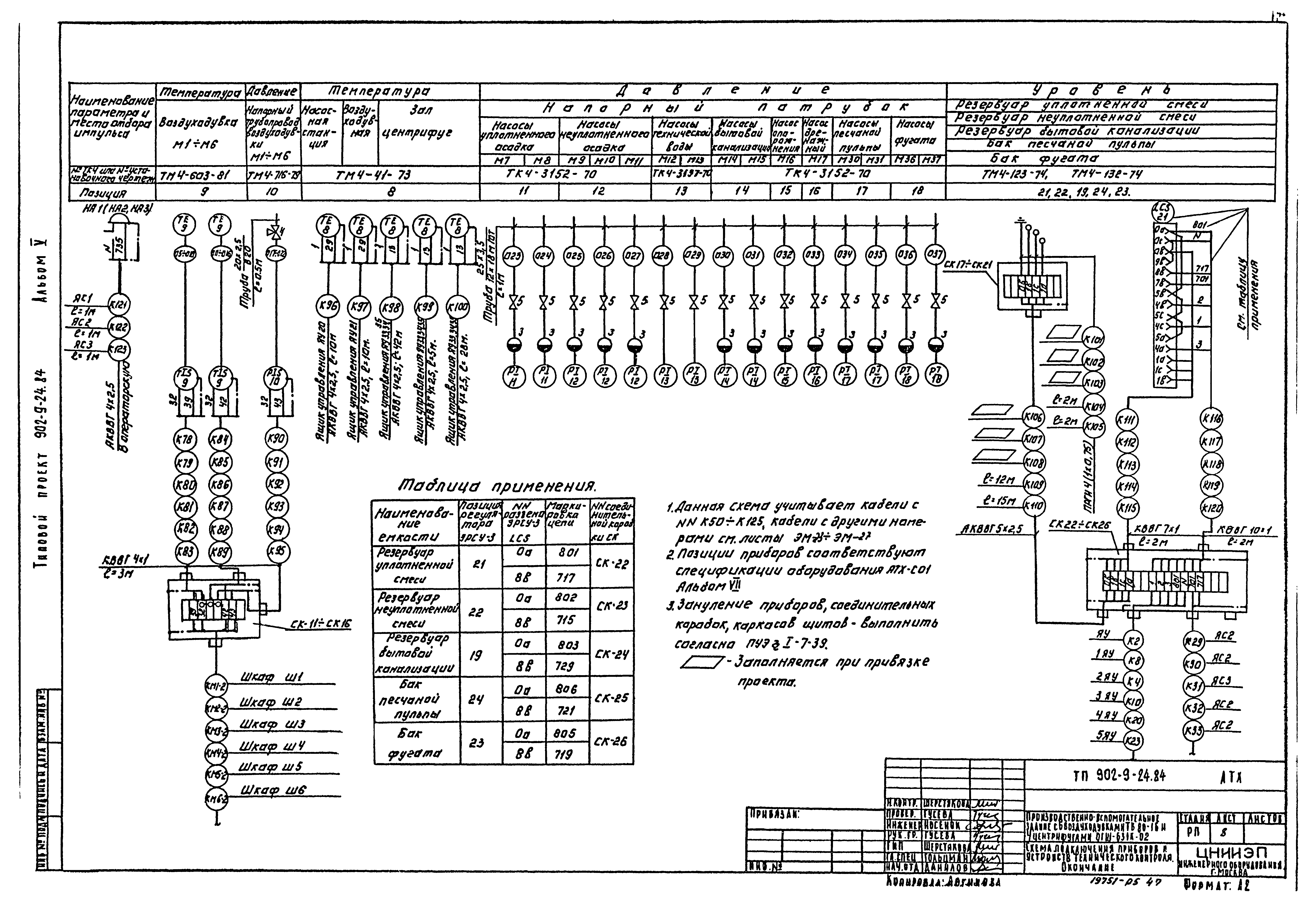
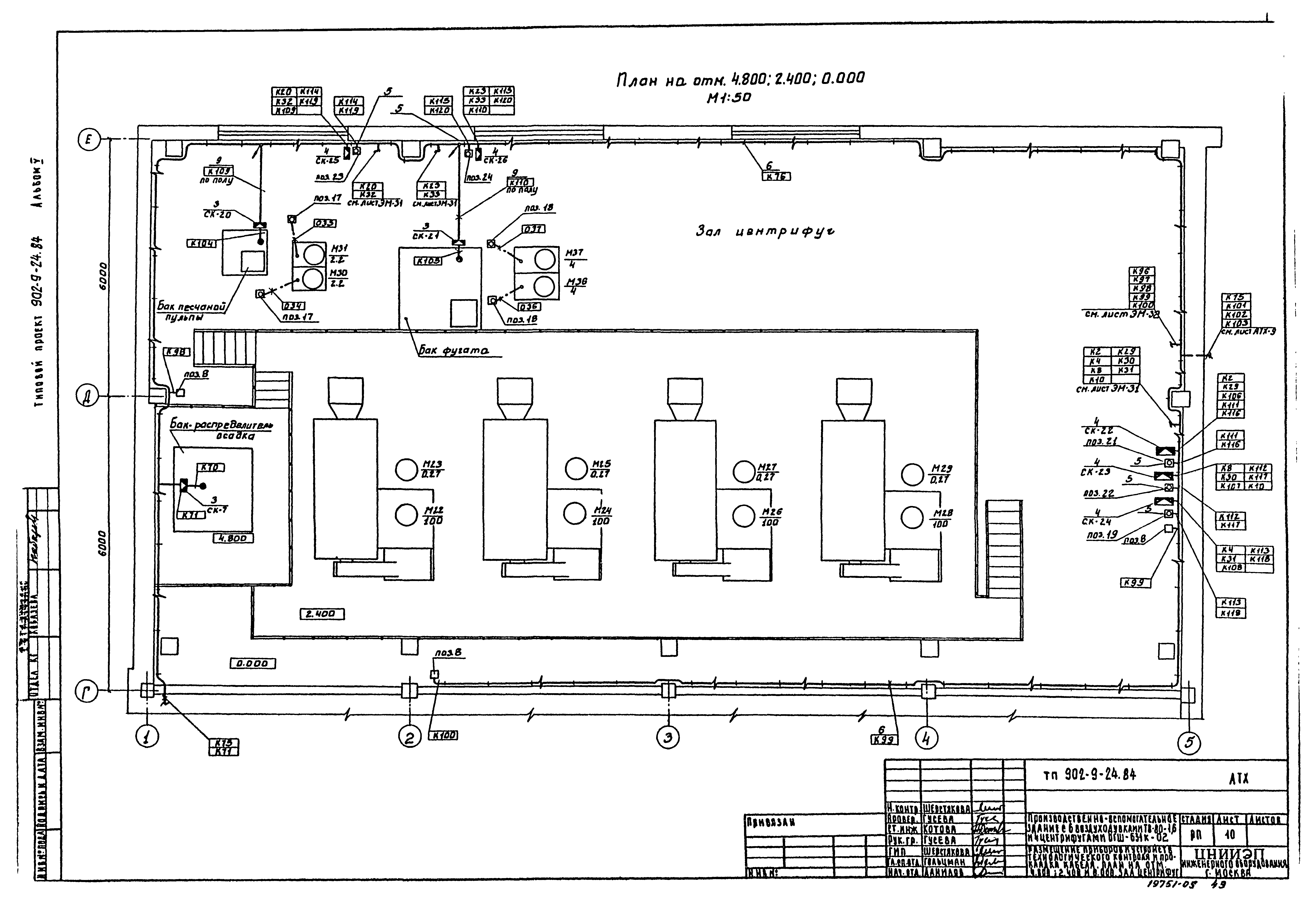
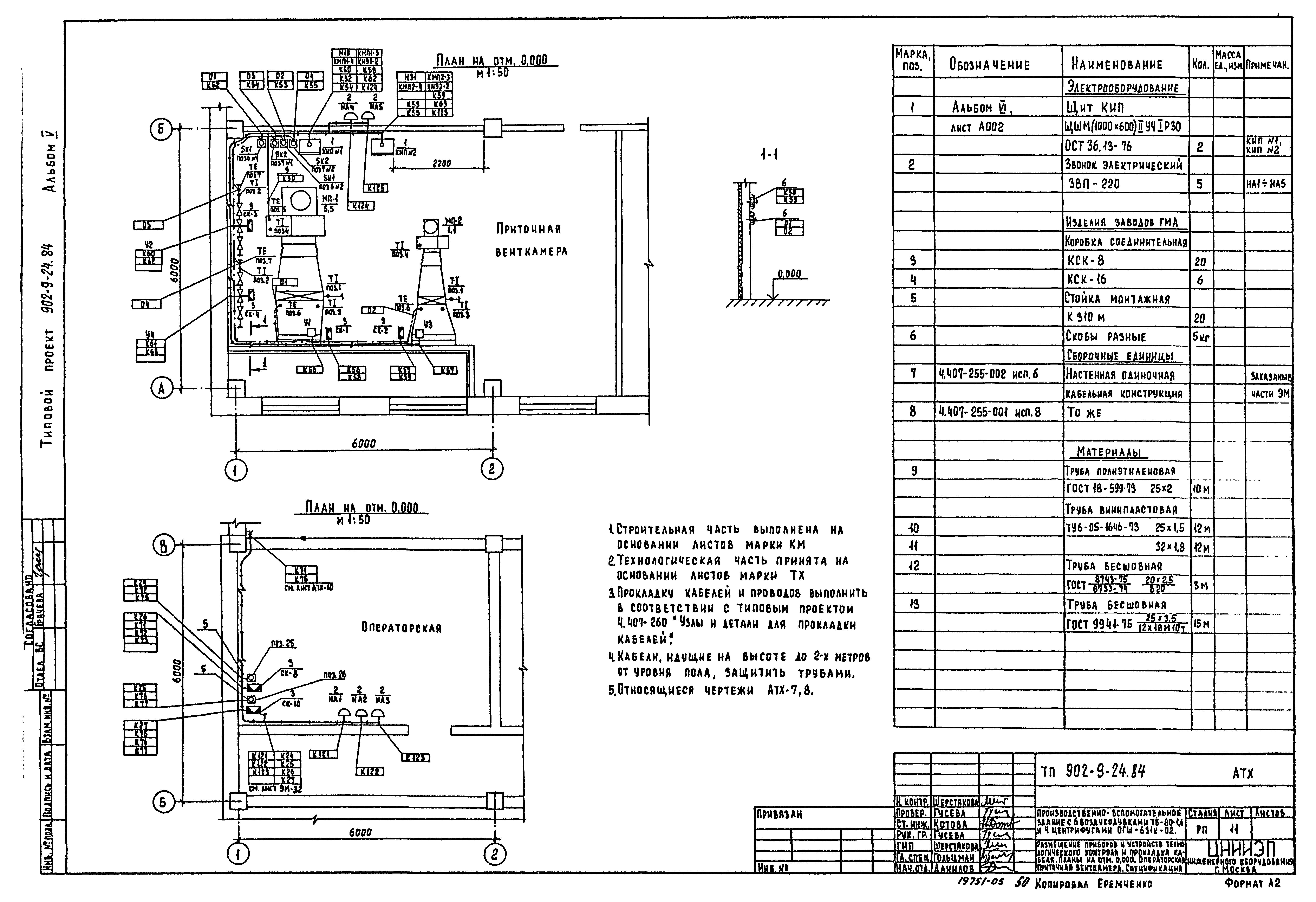
Скачать Типовой проект 902-9-24.84 Альбом V. Электротехническая часть. Чертежи монтажной зоны и заготовительного участкаДата актуализации: 01.01.2021
|
| Обозначение: | Типовой проект 902-9-24.84 |
| Обозначение англ: | 902-9-24.84 |
| Статус: | не определен законодательством |
| Название рус.: | Альбом V. Электротехническая часть. Чертежи монтажной зоны и заготовительного участка |
| Дата добавления в базу: | 21.05.2015 |
| Дата актуализации: | 01.01.2021 |
| Дата введения: | 04.06.1984 |
| Дата окончания срока действия: | 30.06.2003 |
| Разработан: | ЦНИИЭП |
| Утверждён: | 22.08.1983 Госгражданстрой (Gosgrazhdanstroy 245) |























































