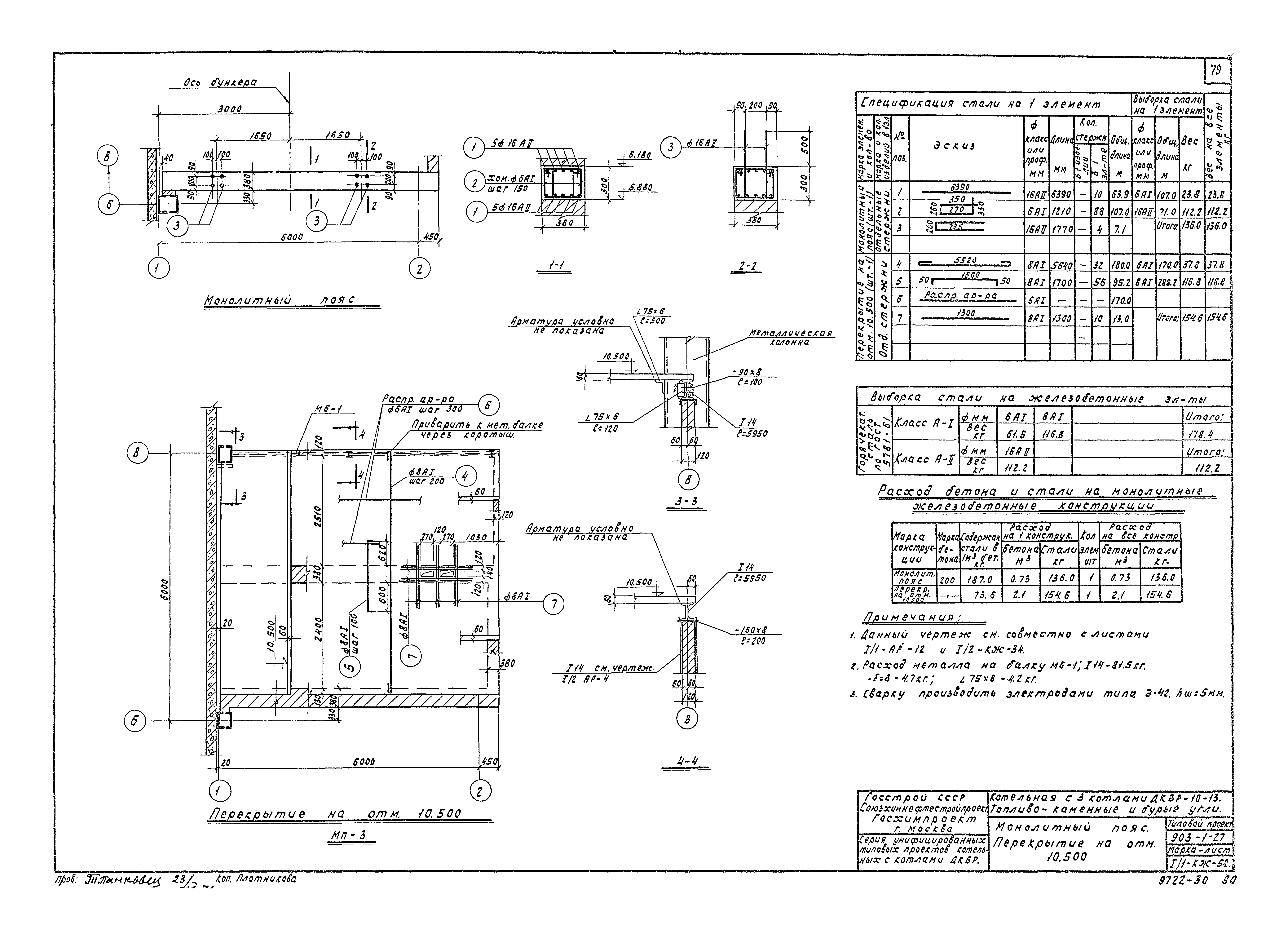
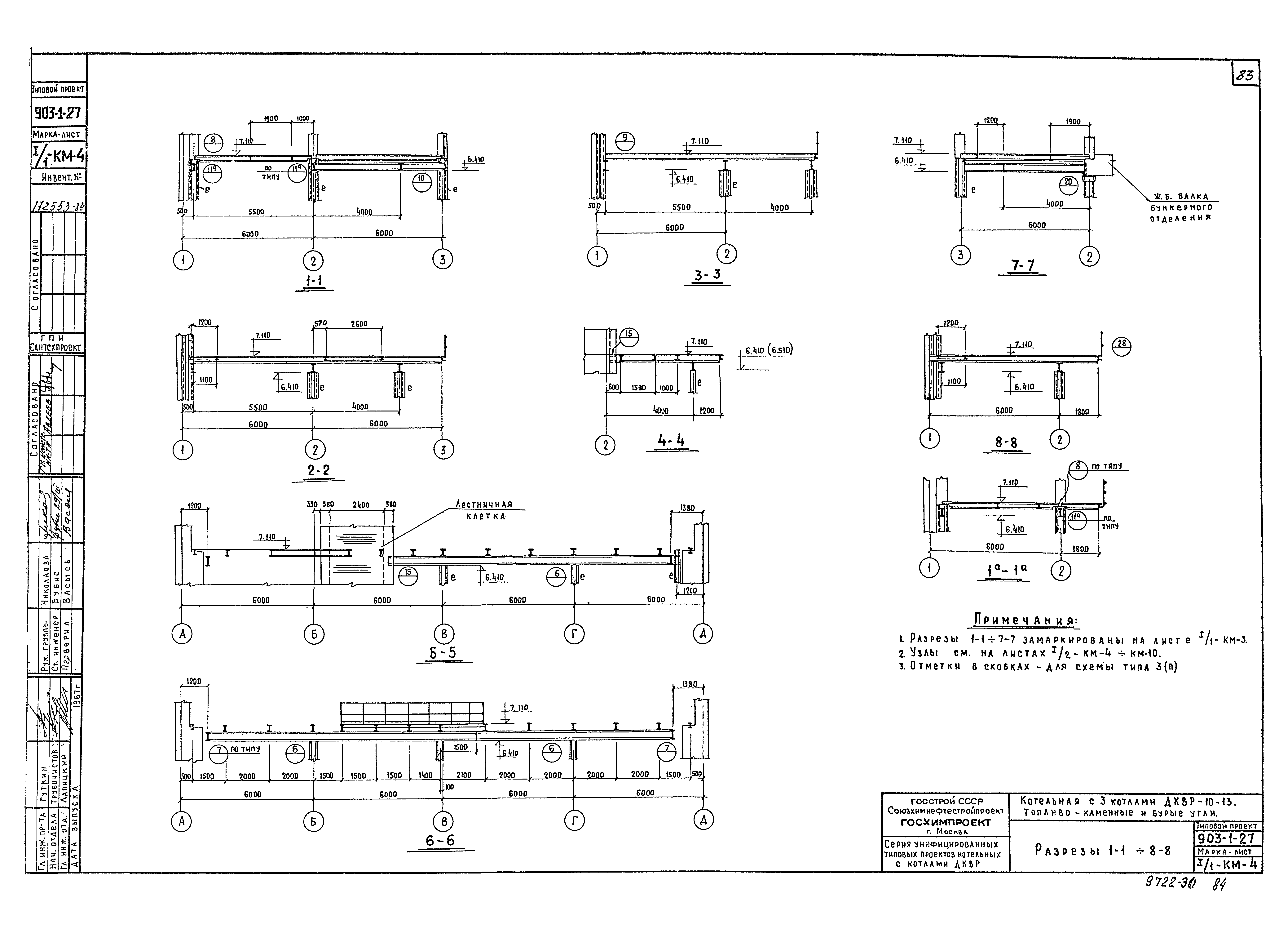
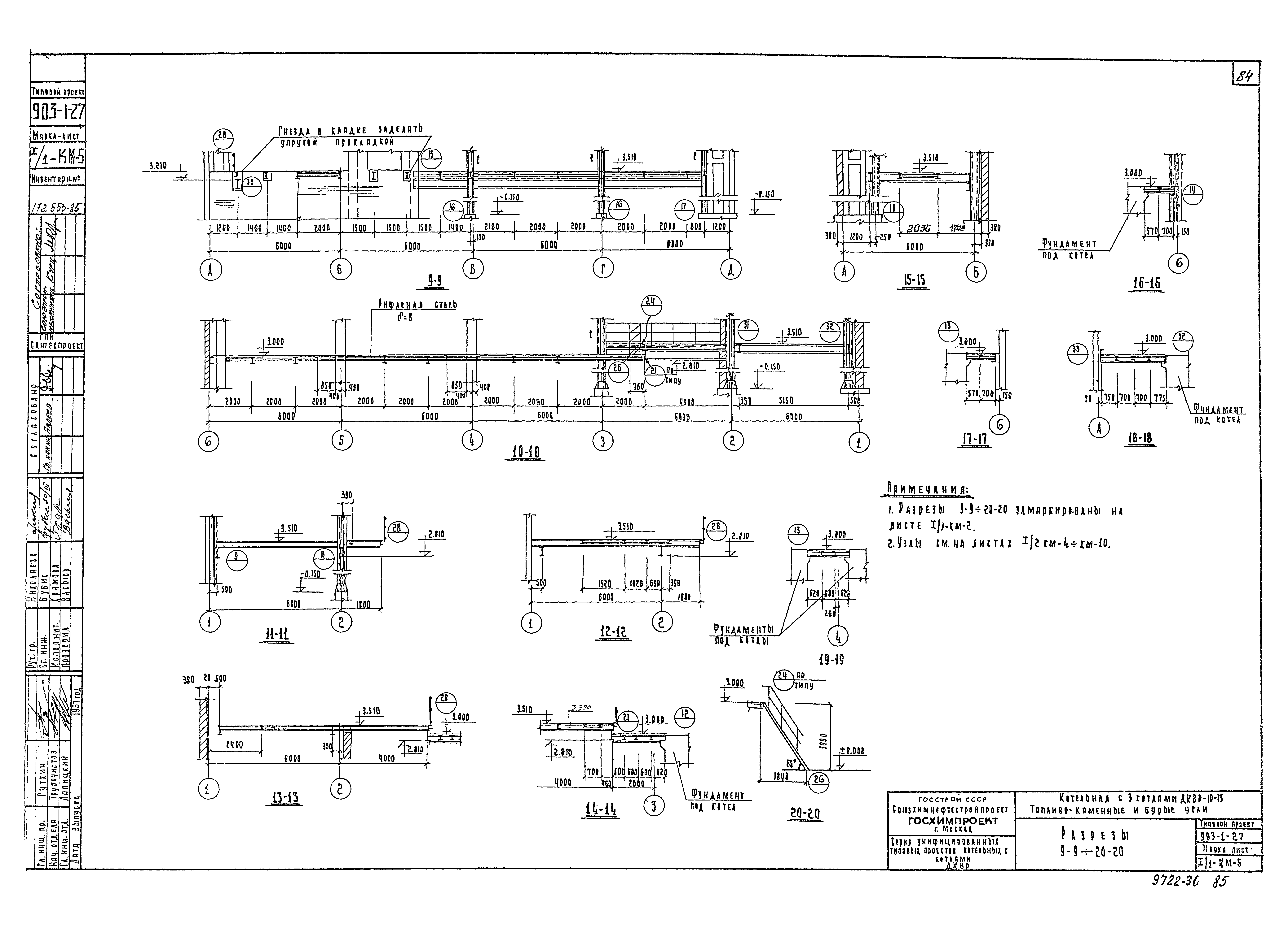
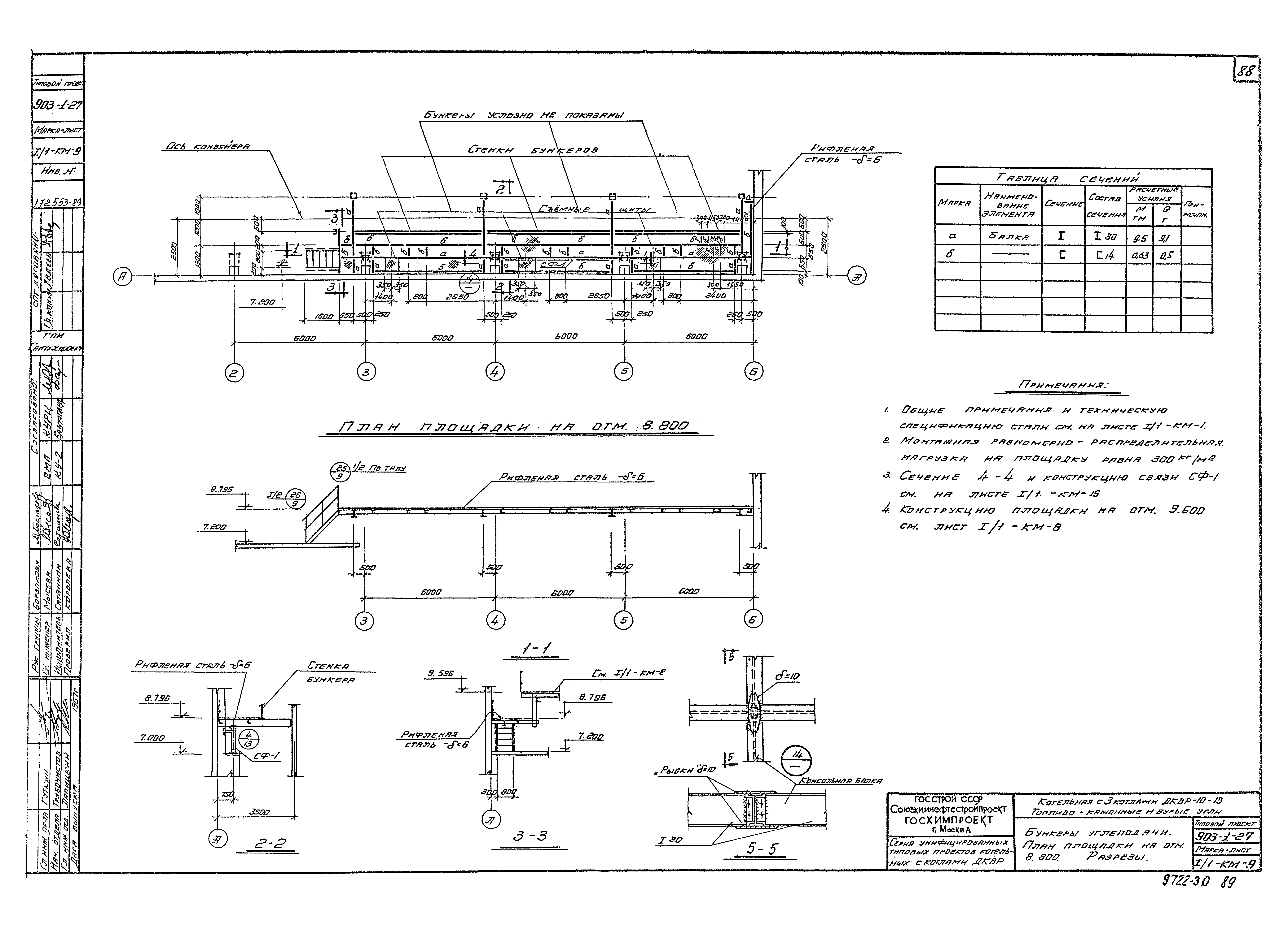
Скачать Типовой проект 903-1-27 Альбом 1/1-70. Архитектурно-строительная часть. Общие чертежи. Здание с панельными стенамиДата актуализации: 01.01.2021
|
| Обозначение: | Типовой проект 903-1-27 |
| Обозначение англ: | 903-1-27 |
| Статус: | заменен |
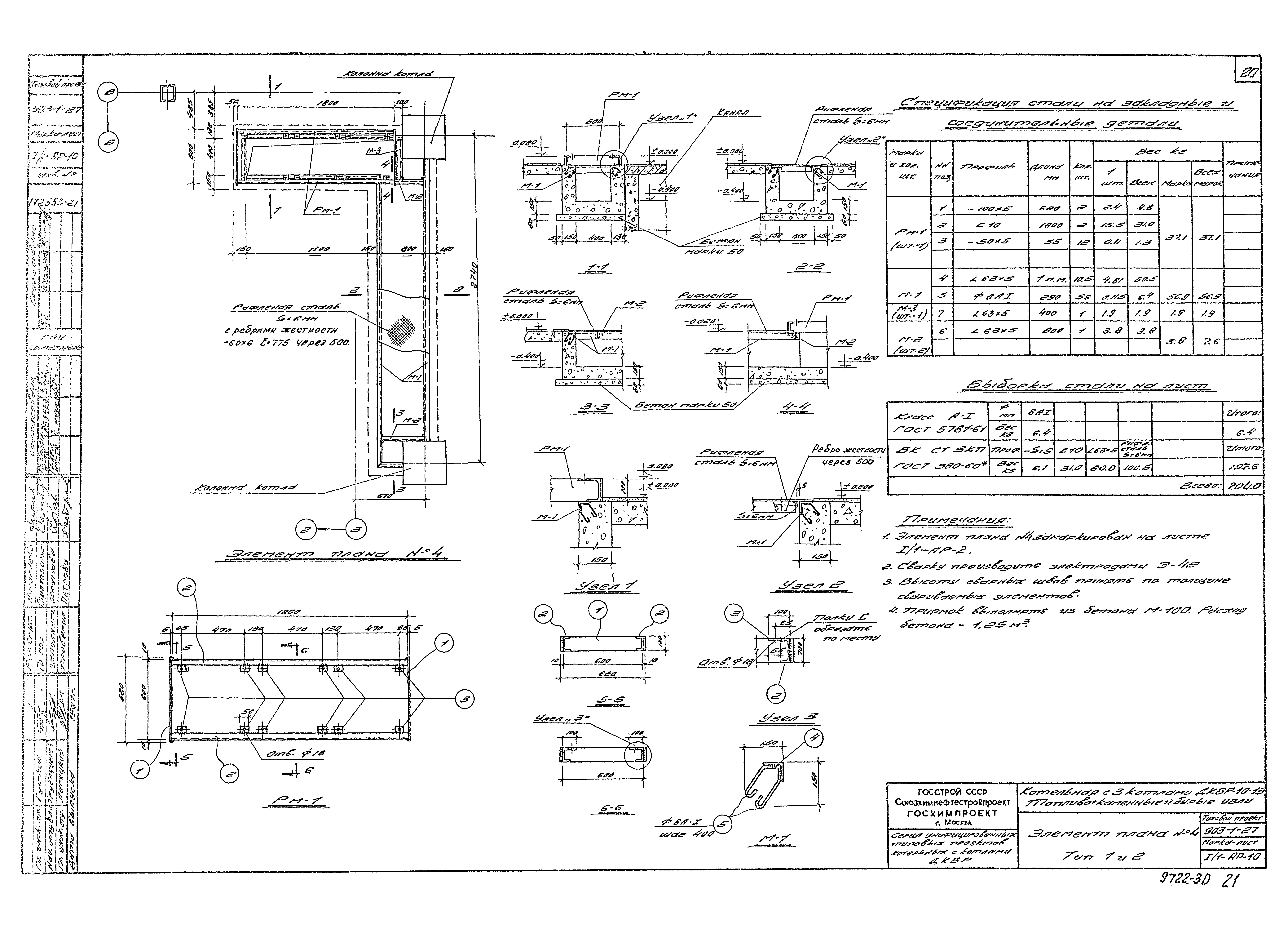
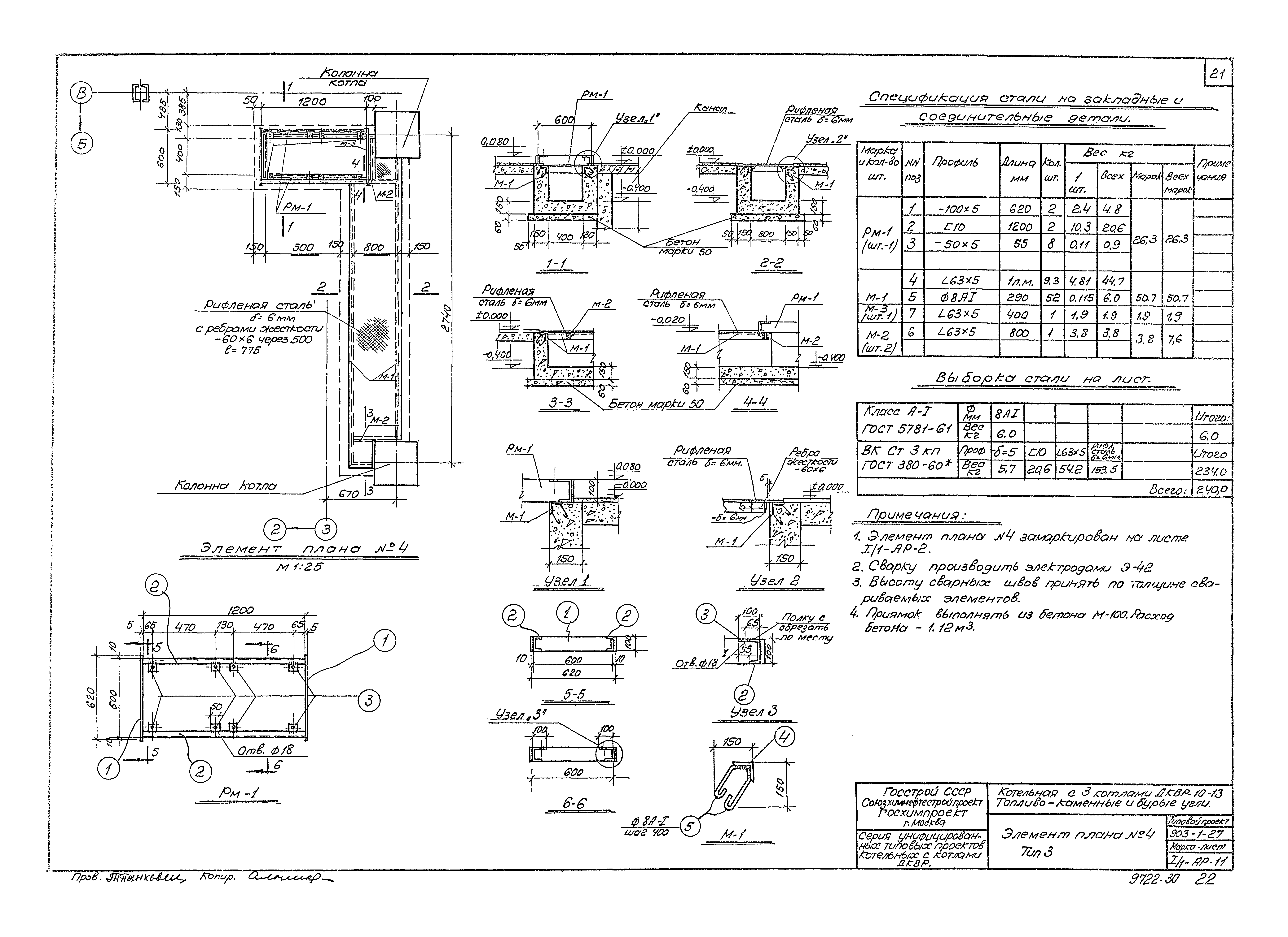
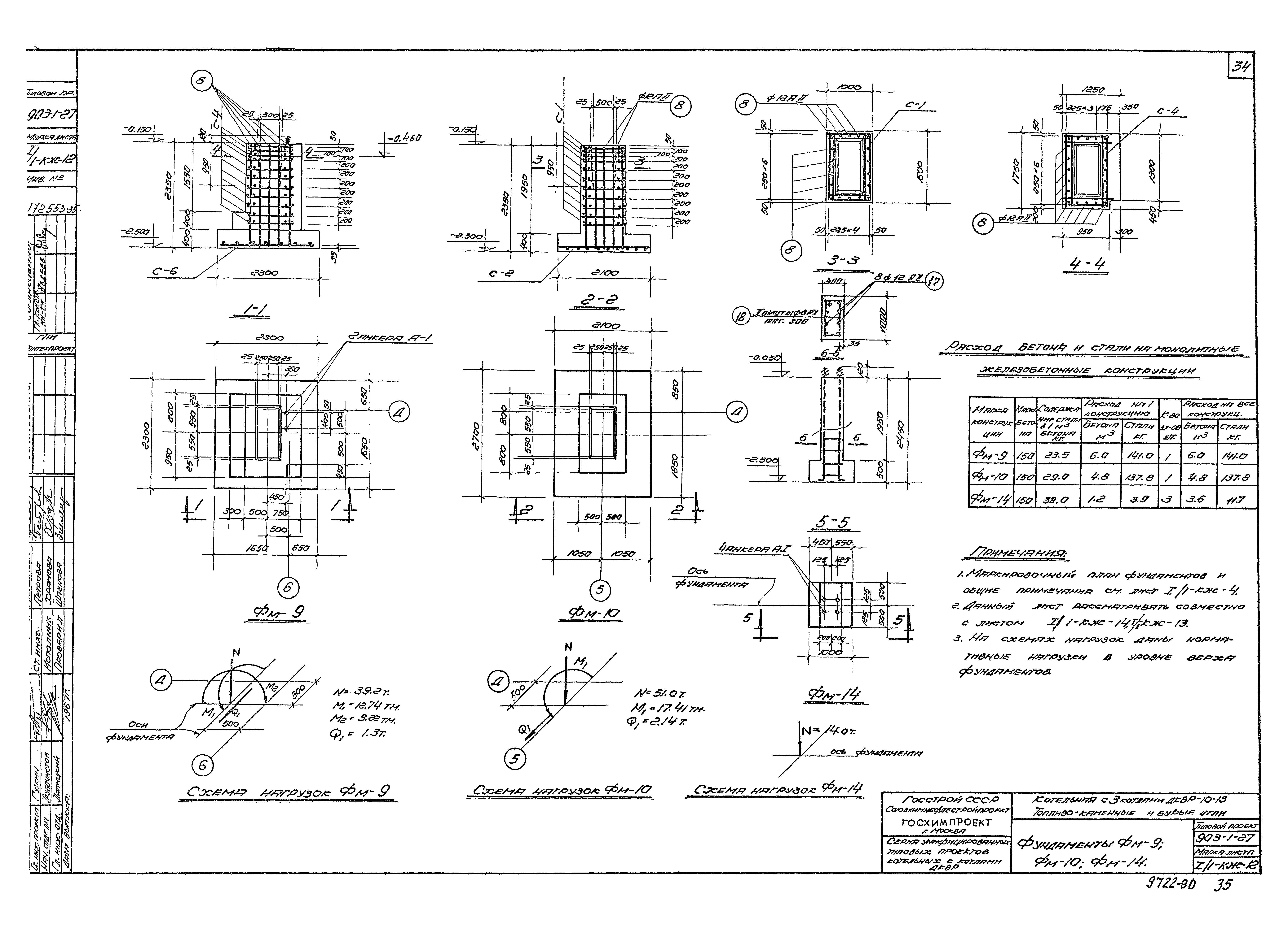
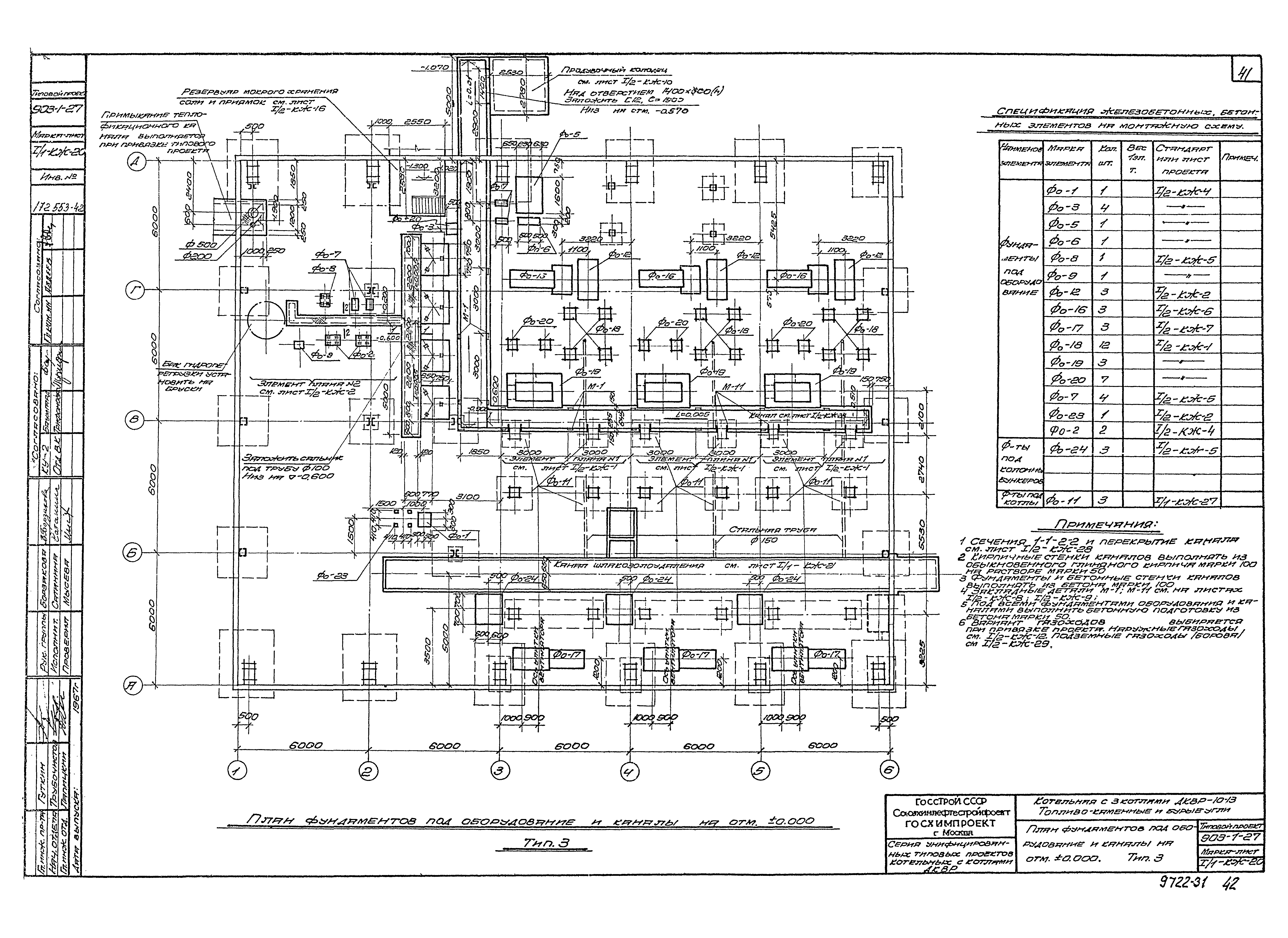
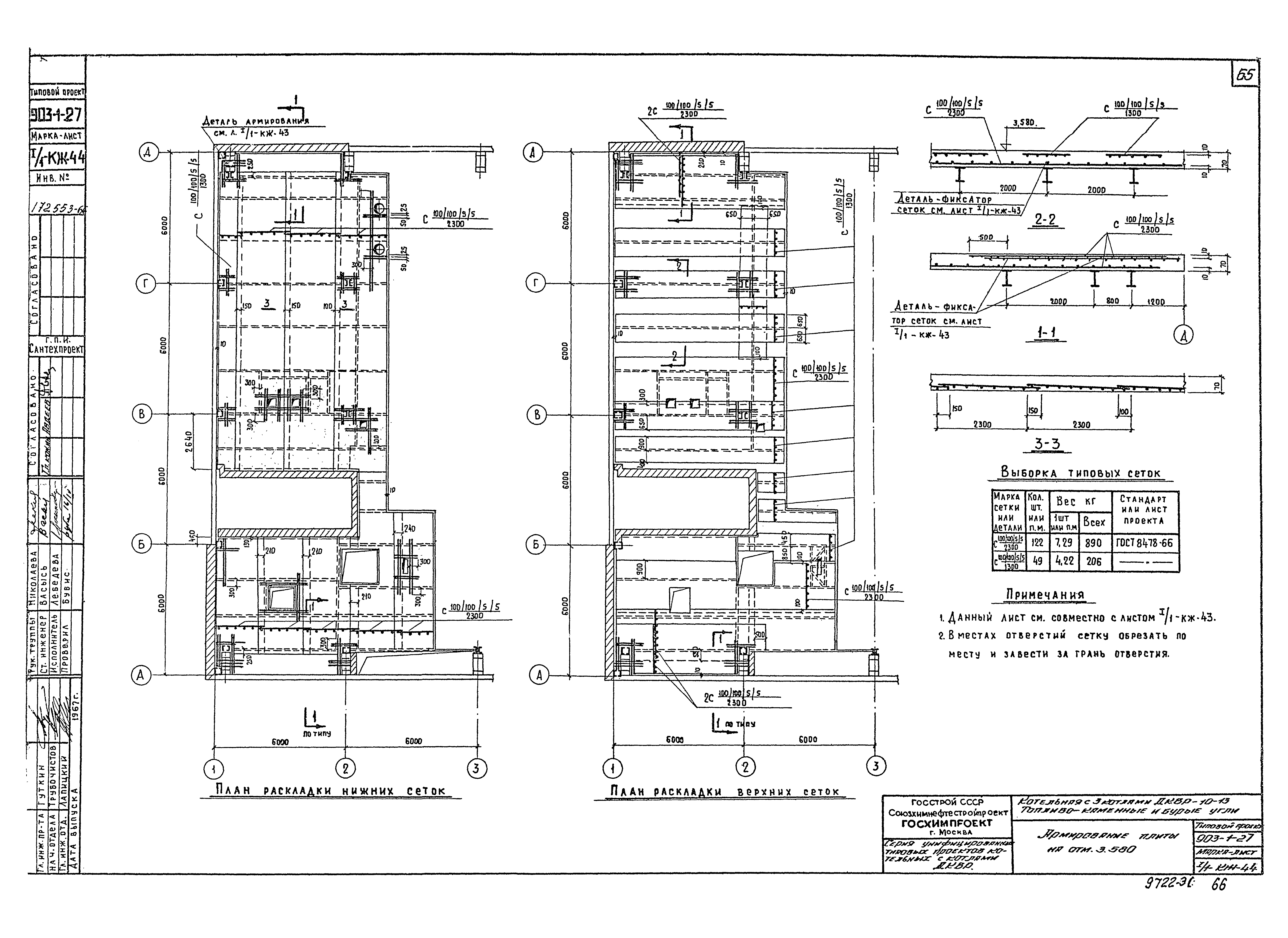
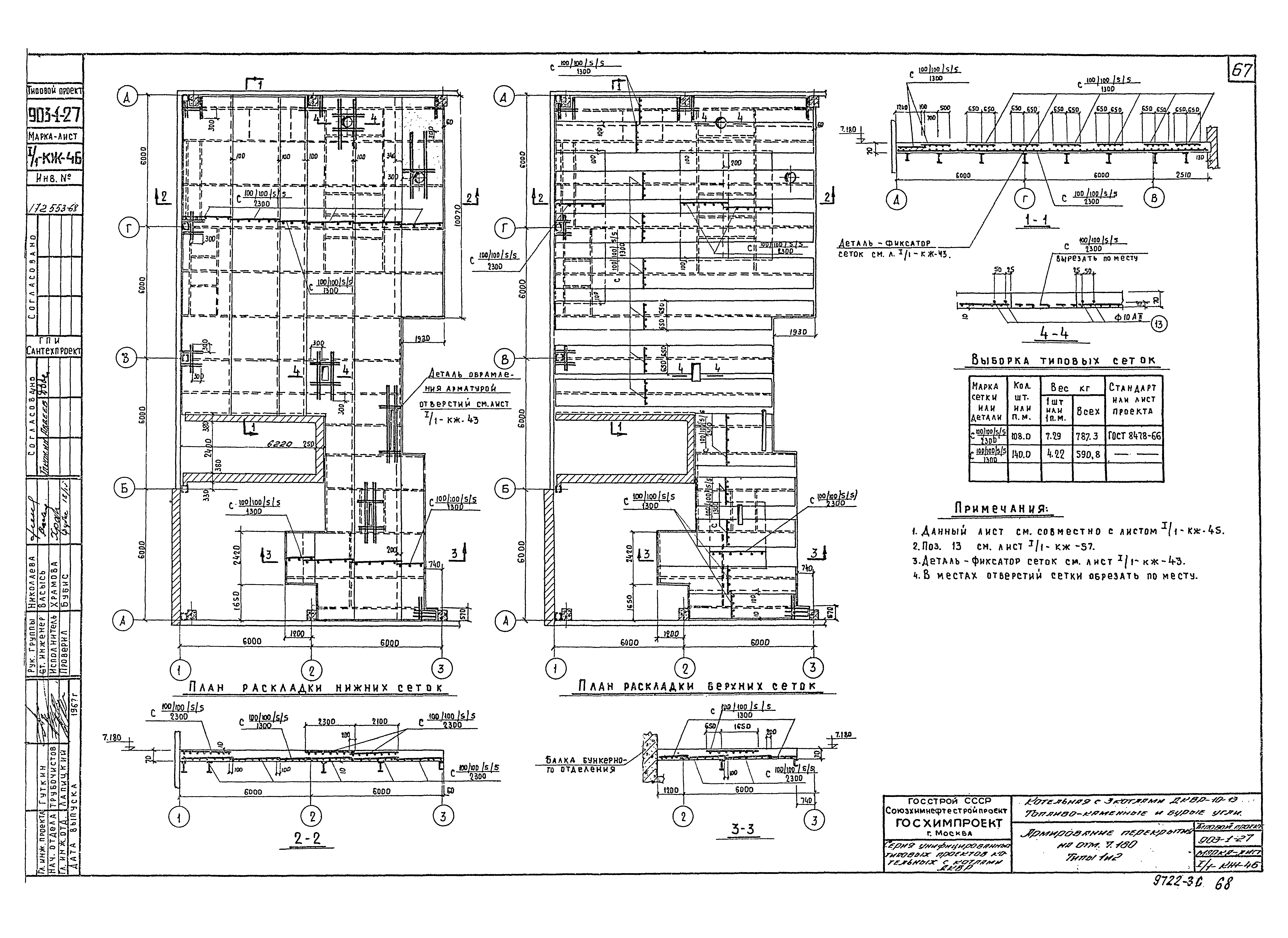
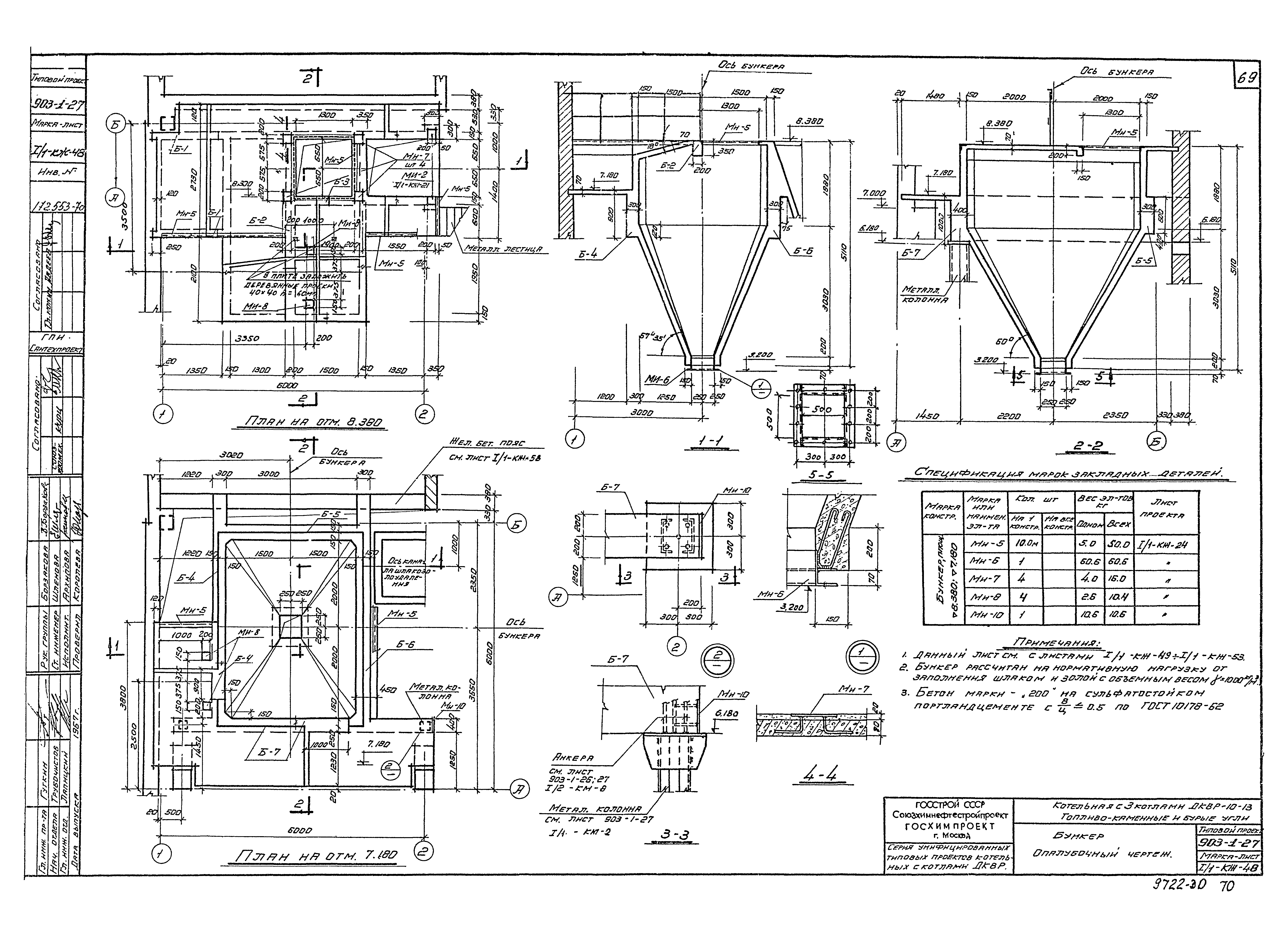
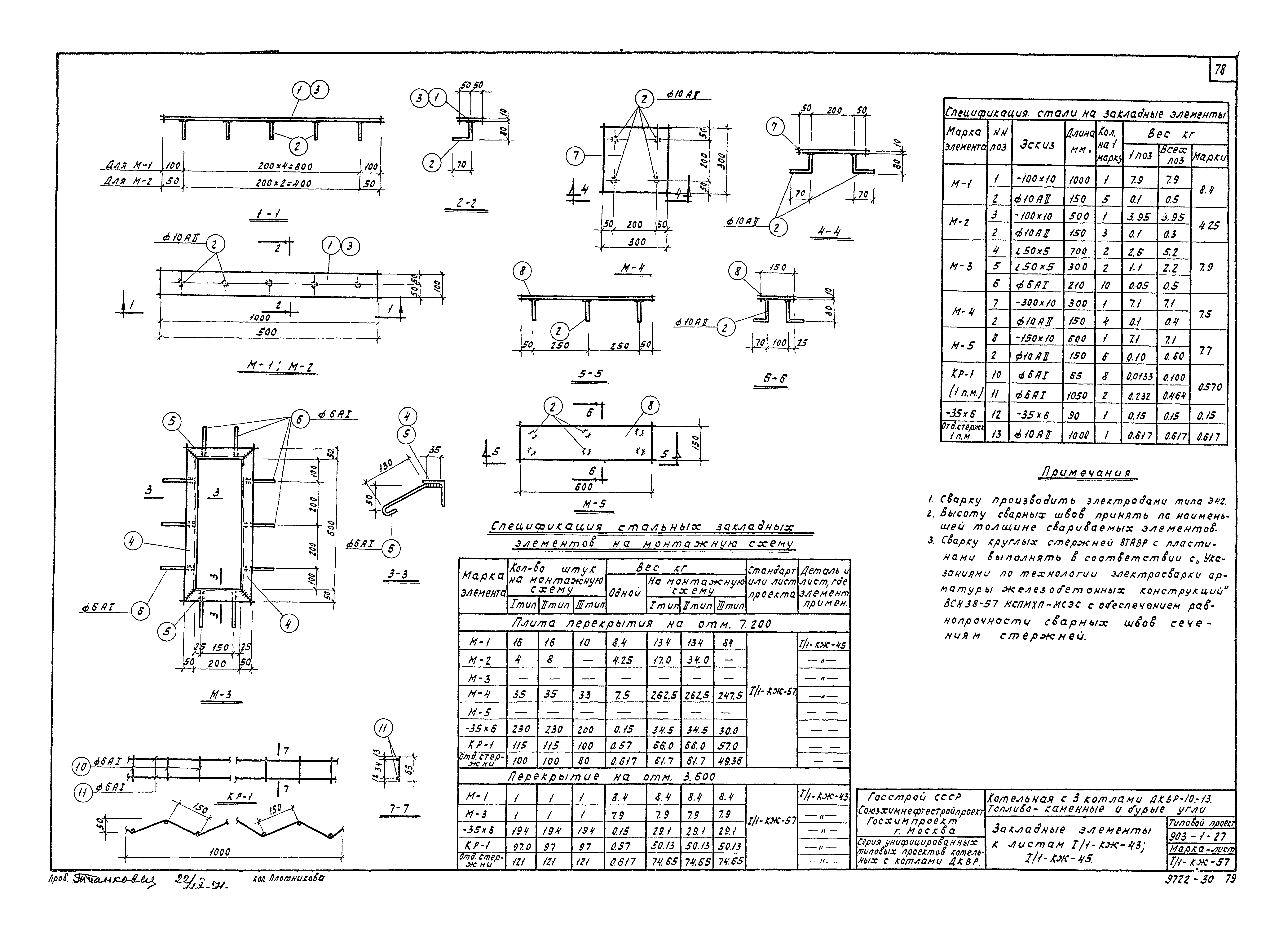
| Название рус.: | Альбом 1/1-70. Архитектурно-строительная часть. Общие чертежи. Здание с панельными стенами |
| Дата добавления в базу: | 21.05.2015 |
| Дата актуализации: | 01.01.2021 |
| Дата введения: | 14.08.1970 |
| Дата окончания срока действия: | 01.12.1973 |
| Разработан: | Госхимпроект Госстроя СССР Союзпроммеханизация Сантехпроект |
| Утверждён: | 14.08.1970 Сантехниипроект (126) |
| Чем заменён: |
|
































































































