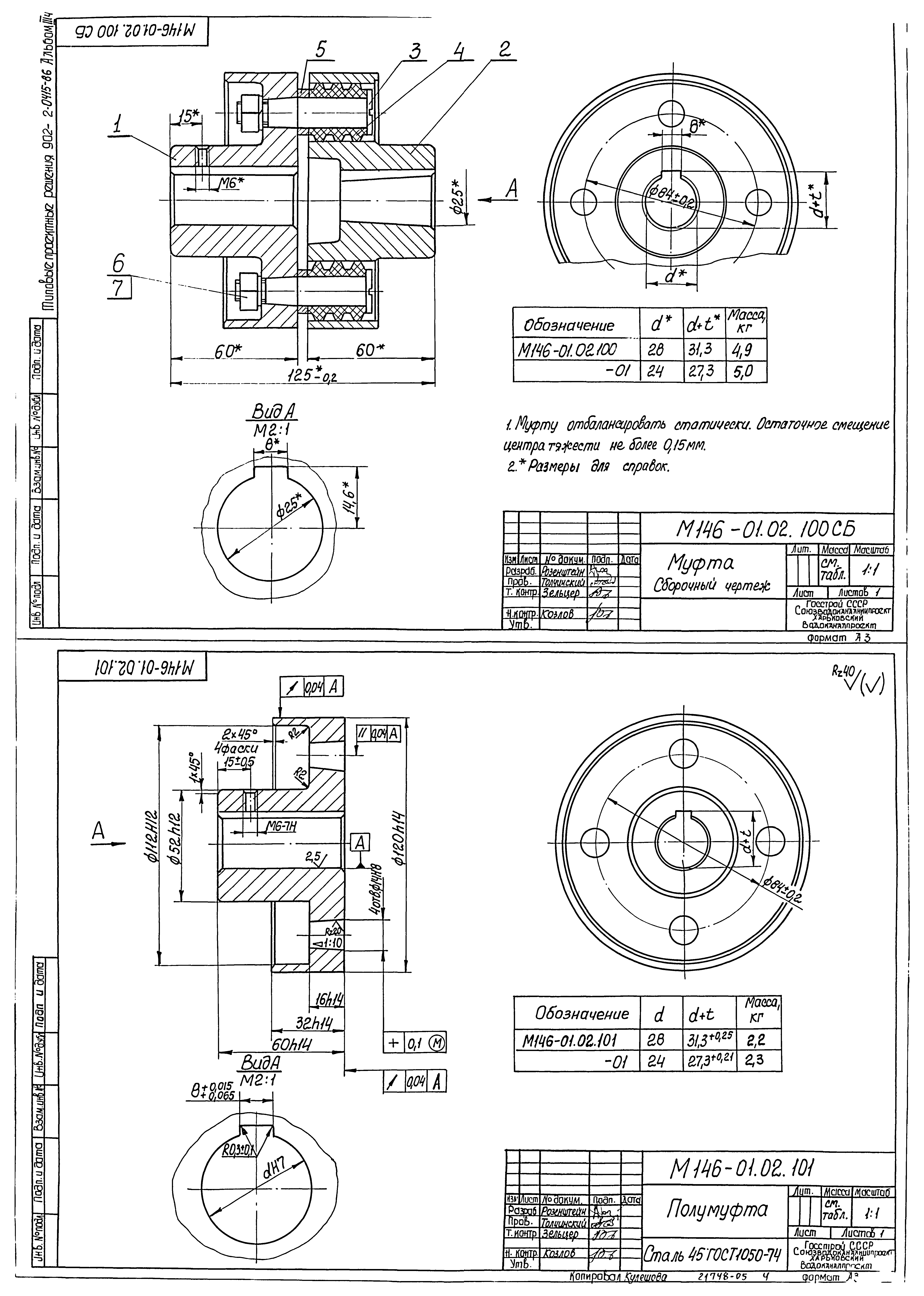
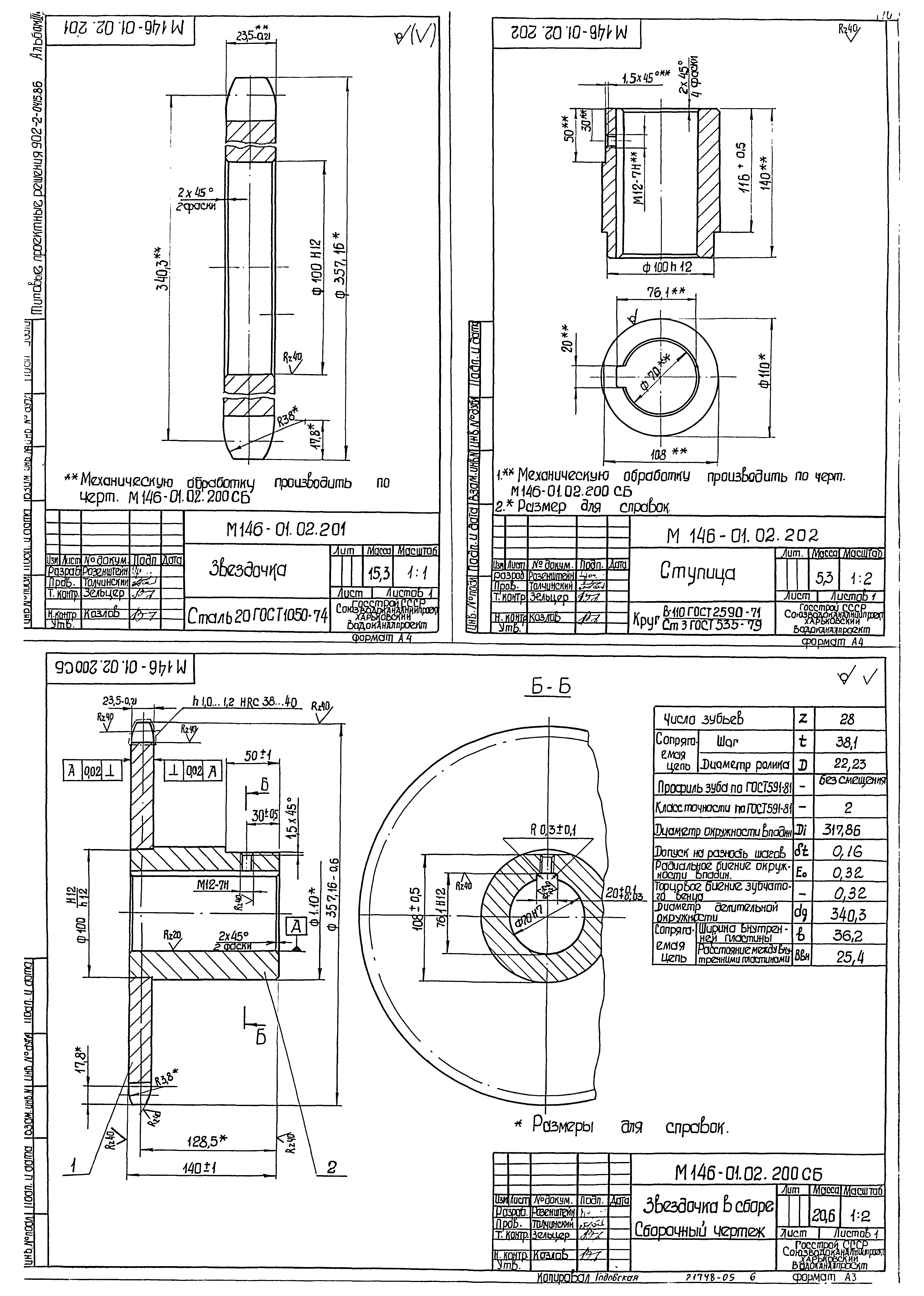
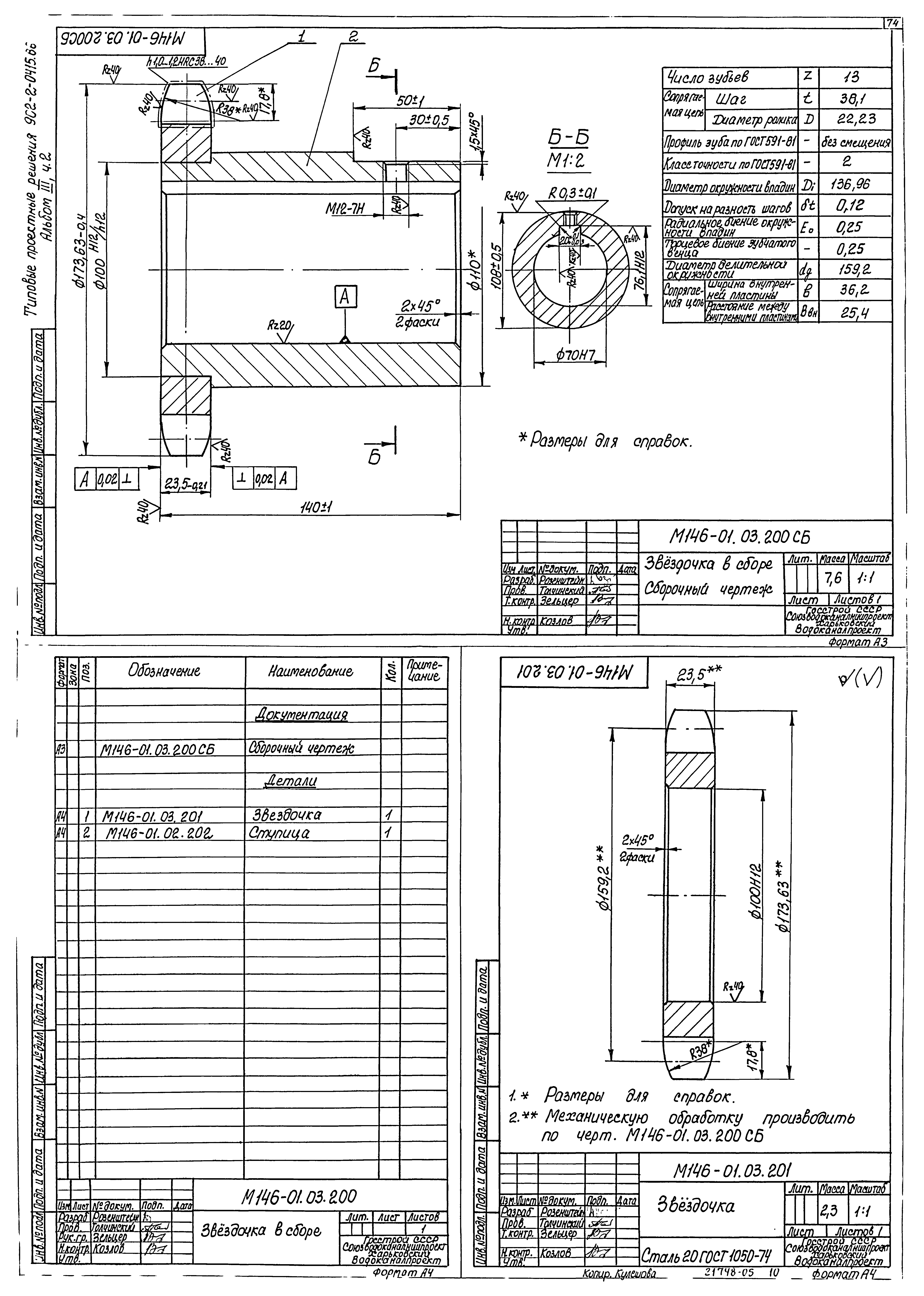
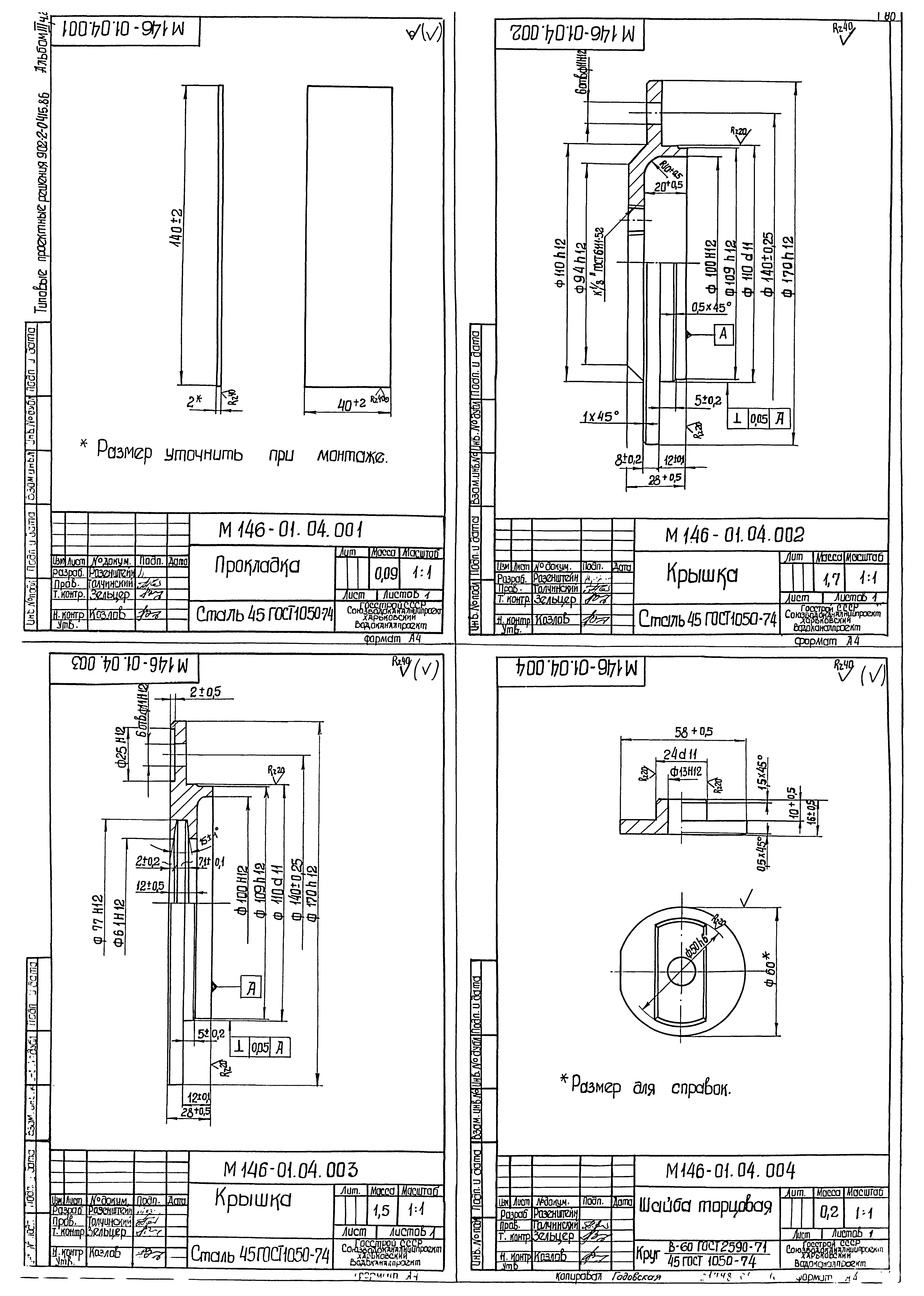
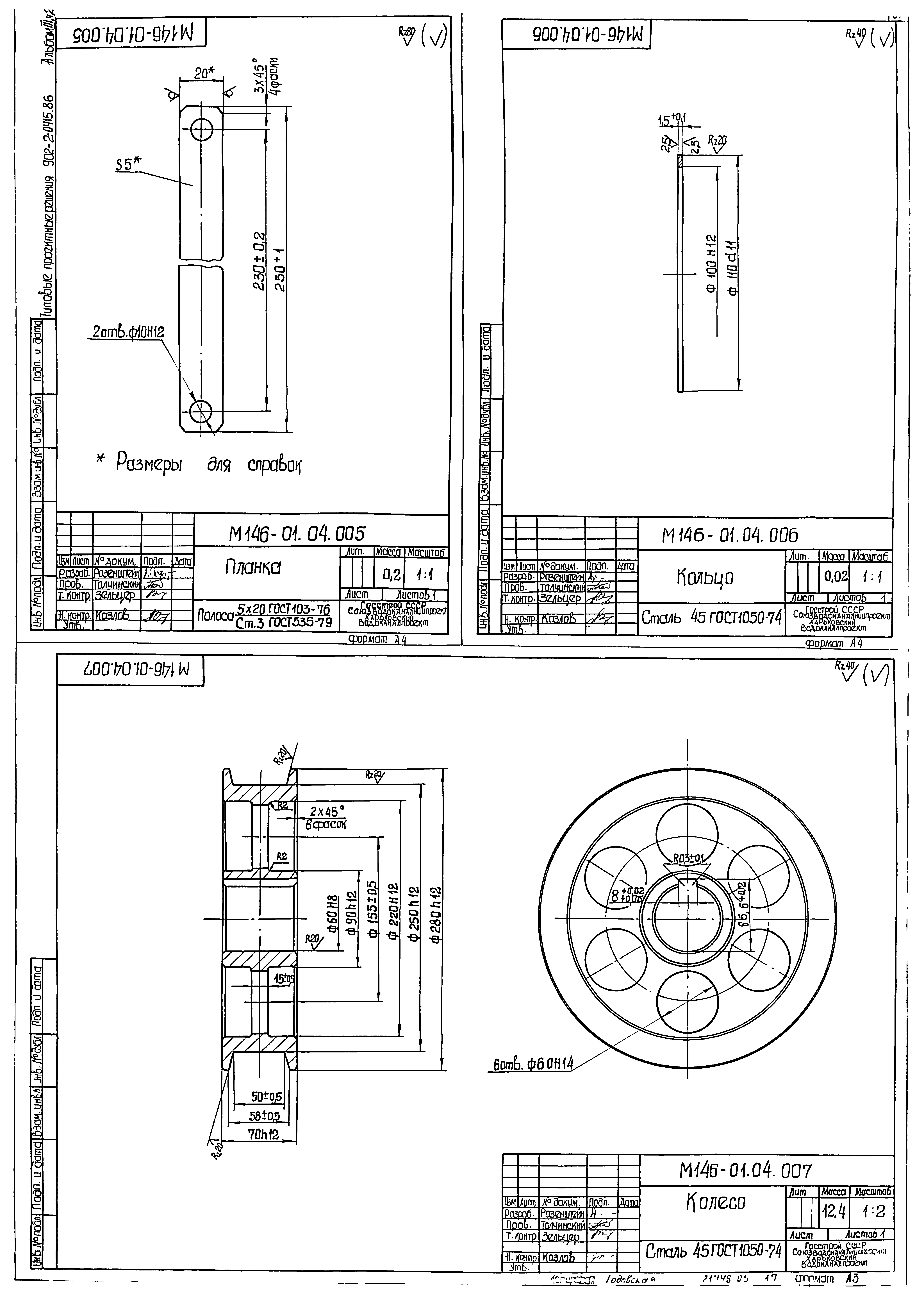
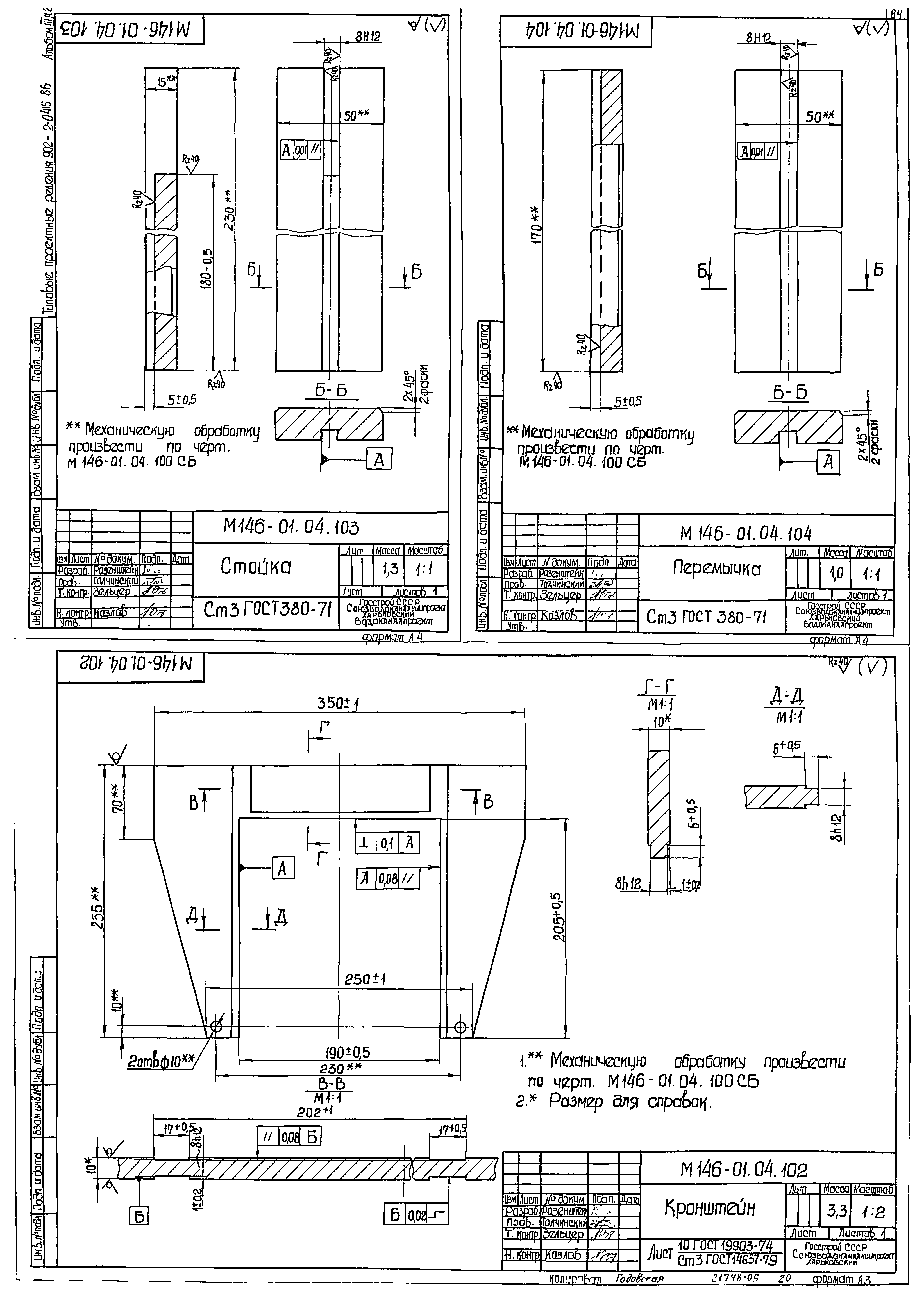
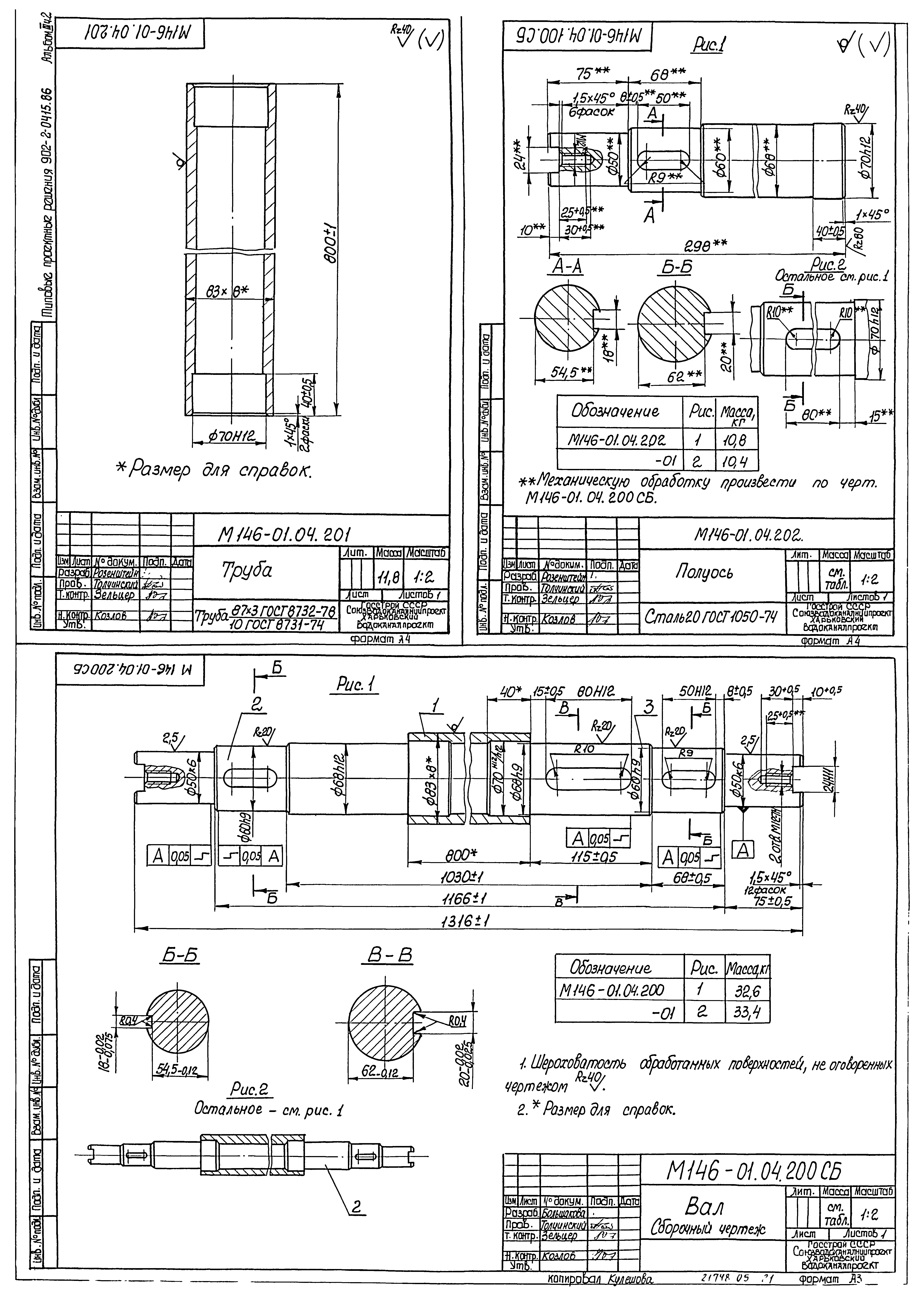
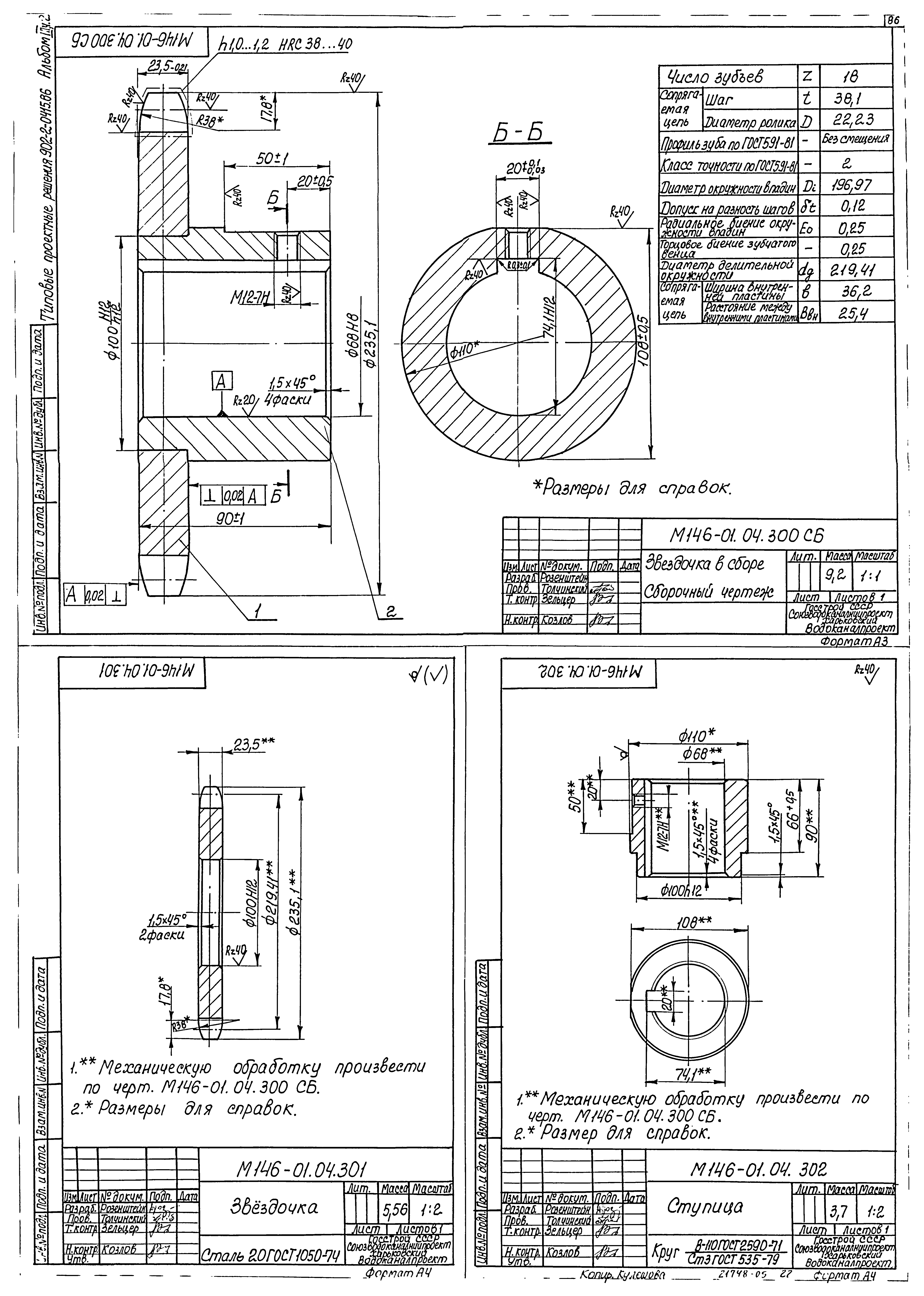
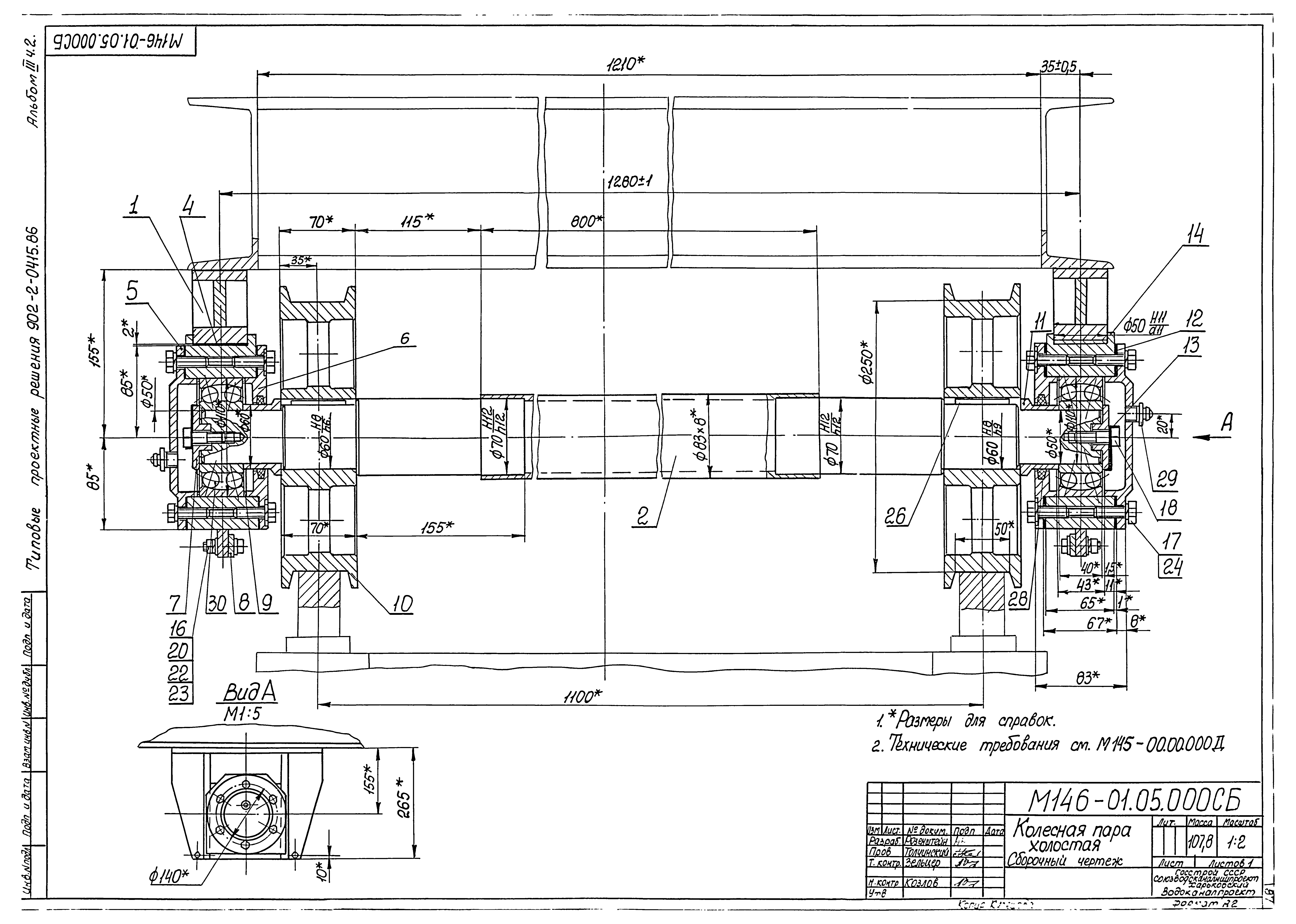
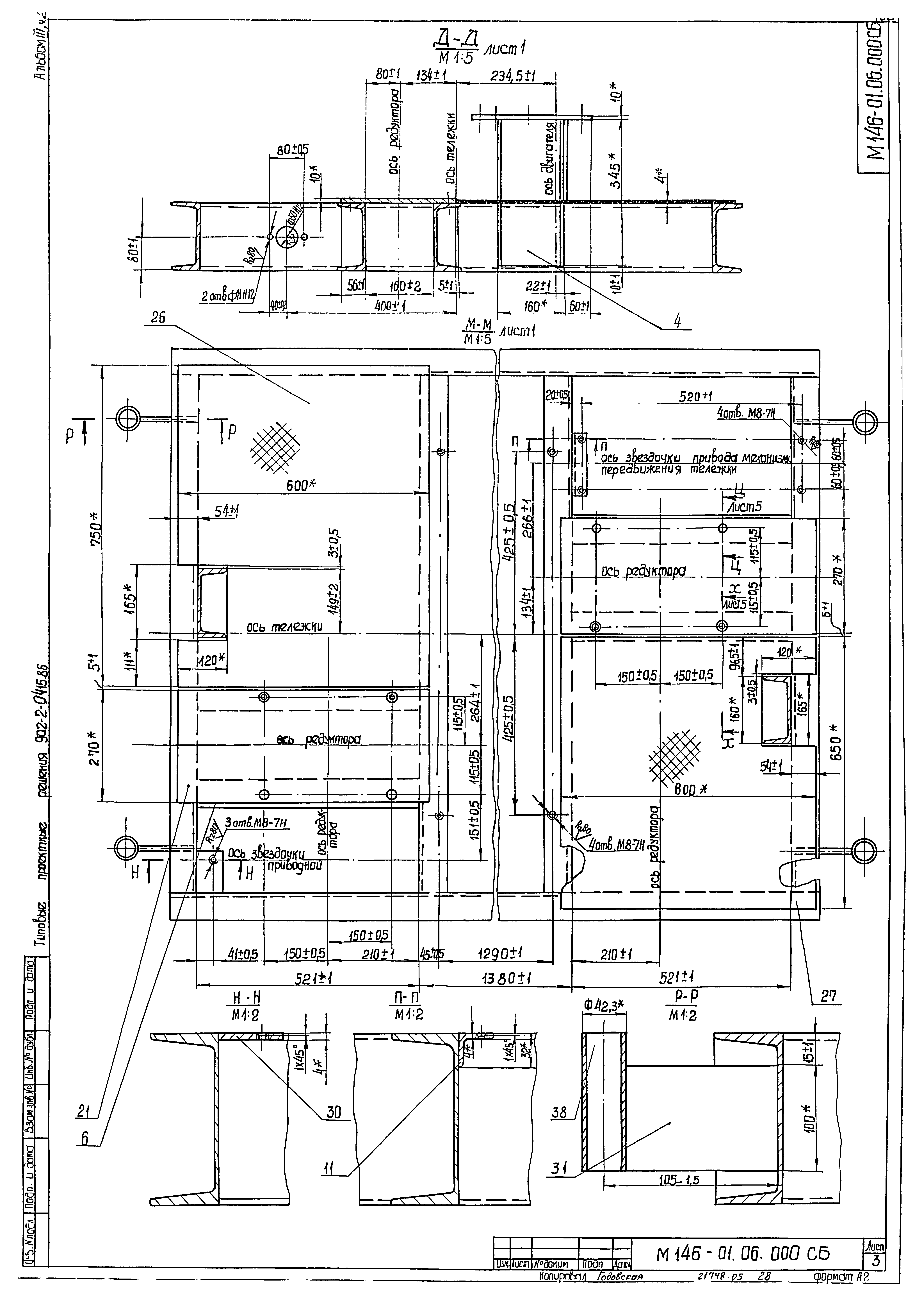
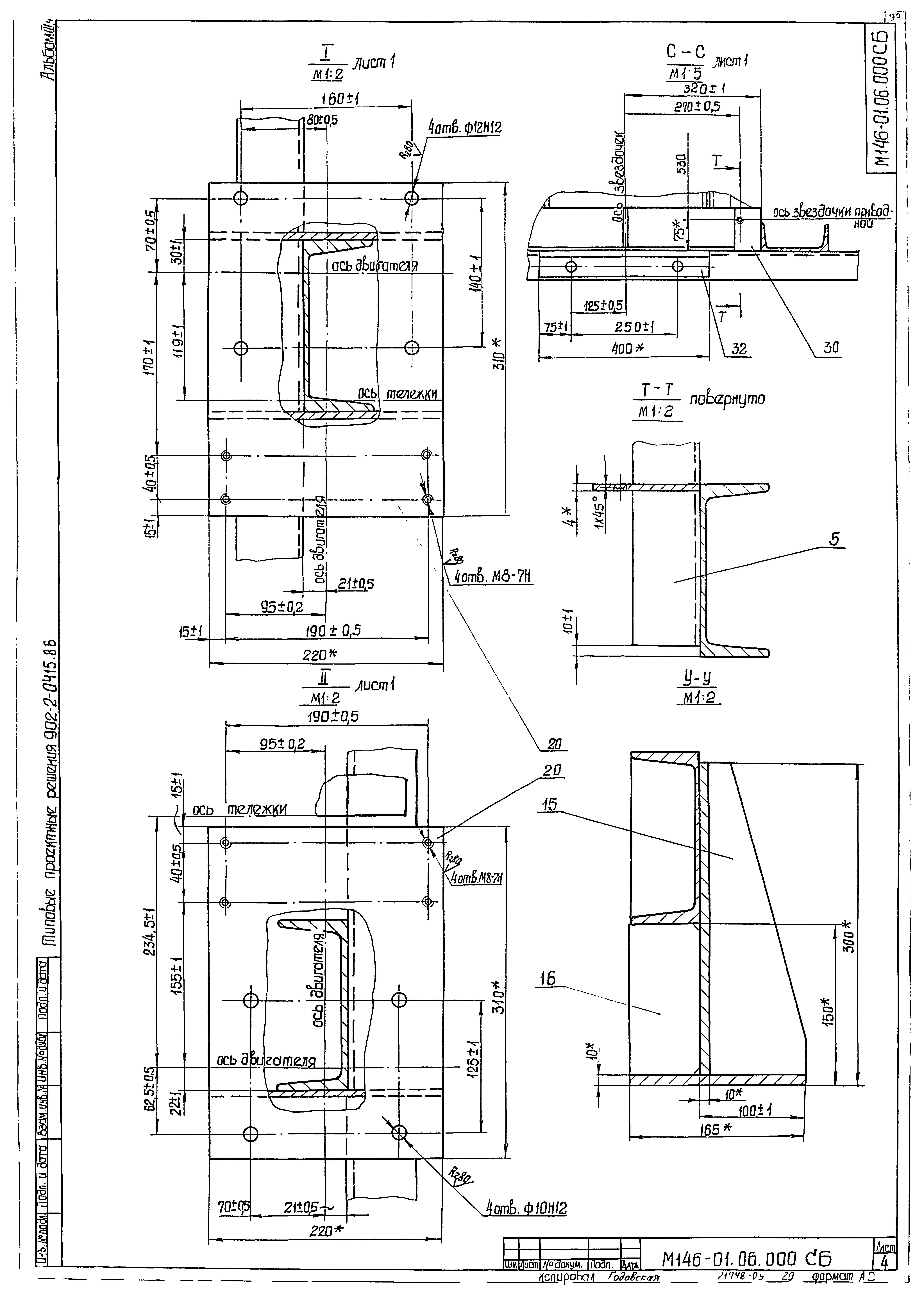
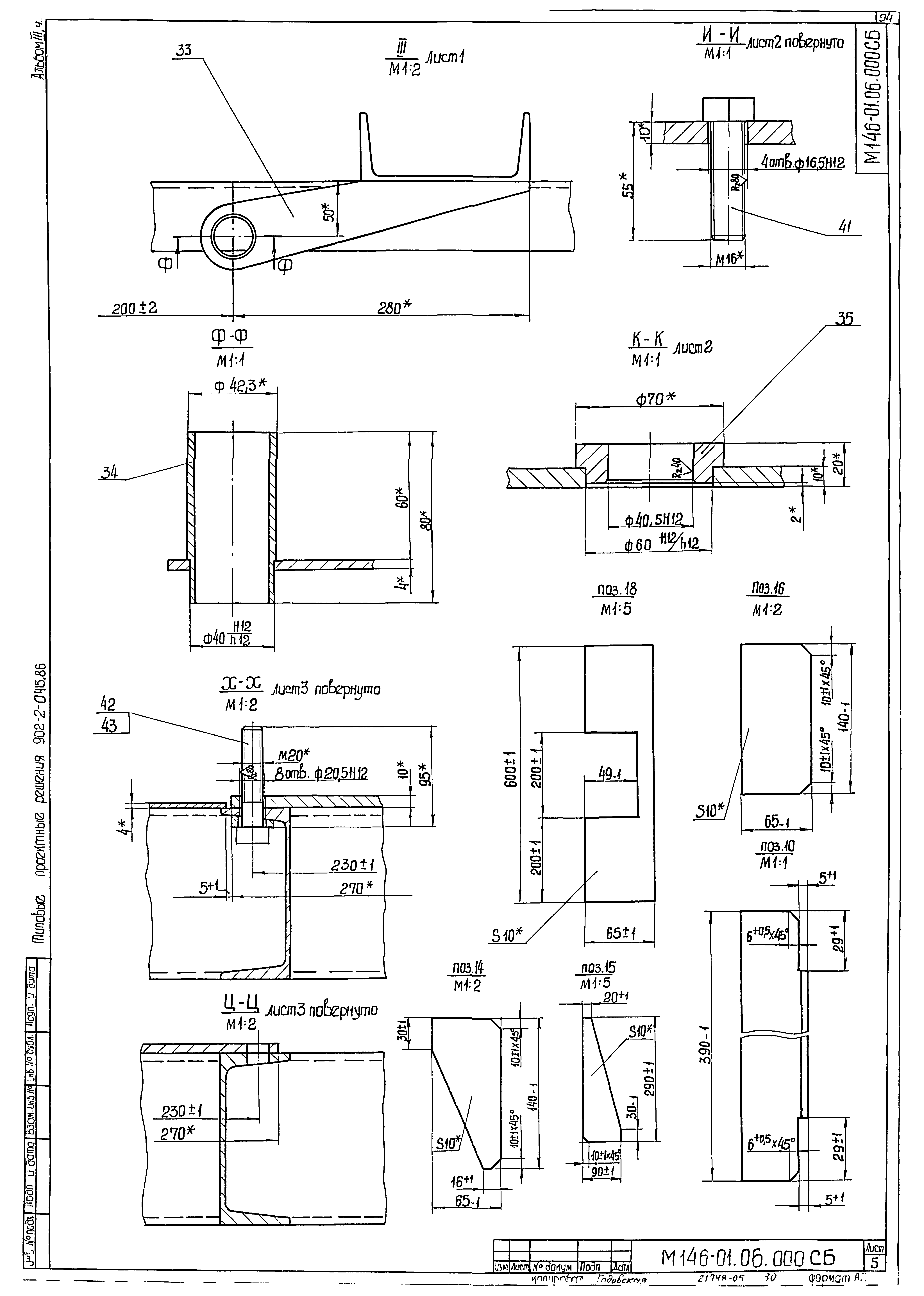
Скачать Типовые проектные решения 902-2-0415.86 Альбом III. Часть 2. Нестандартизированное оборудование. Узел регенерации передвижнойДата актуализации: 01.01.2021
|
| Обозначение: | Типовые проектные решения 902-2-0415.86 |
| Обозначение англ: | 902-2-0415.86 |
| Статус: | справочные материалы, мп, тпр |
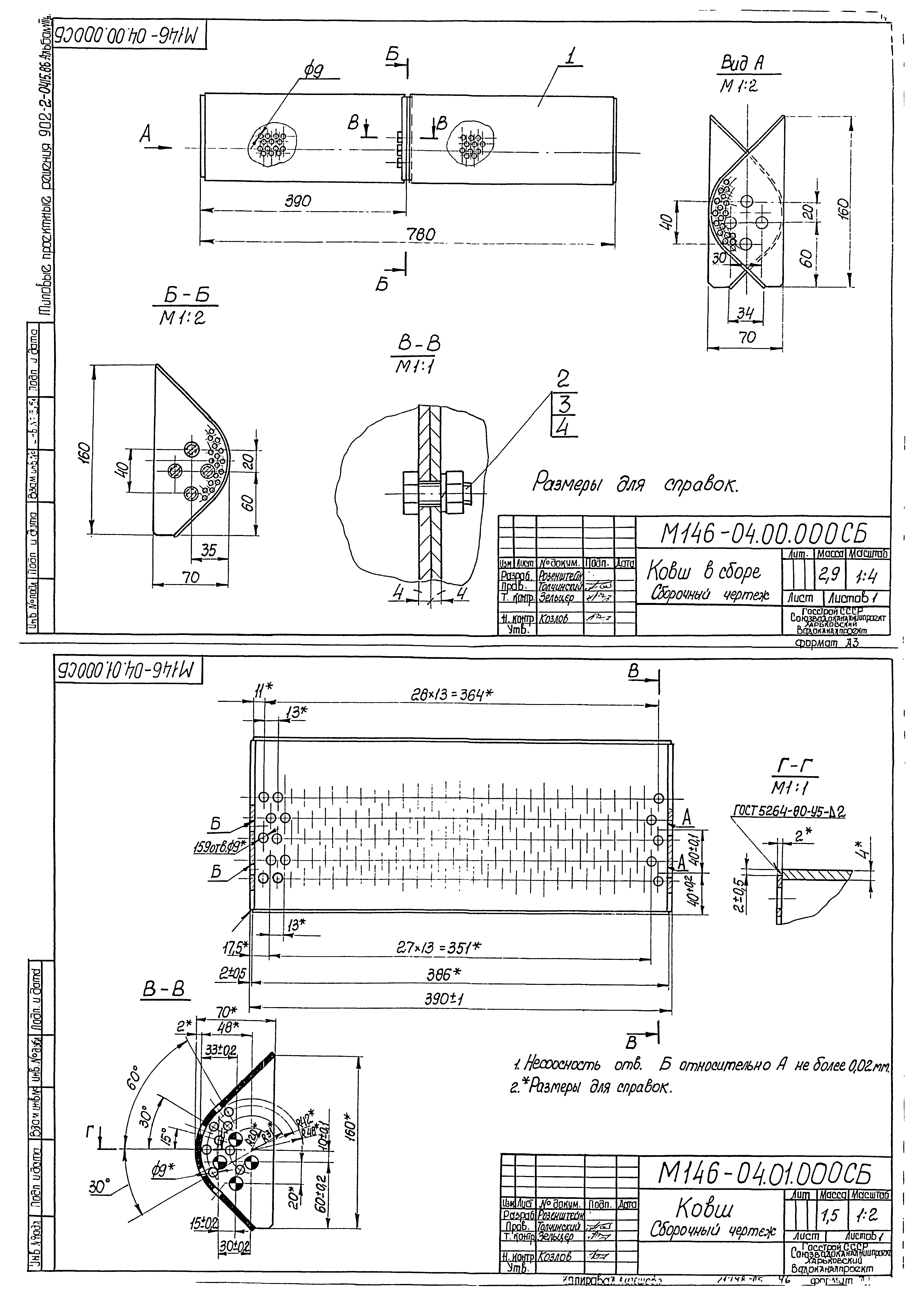
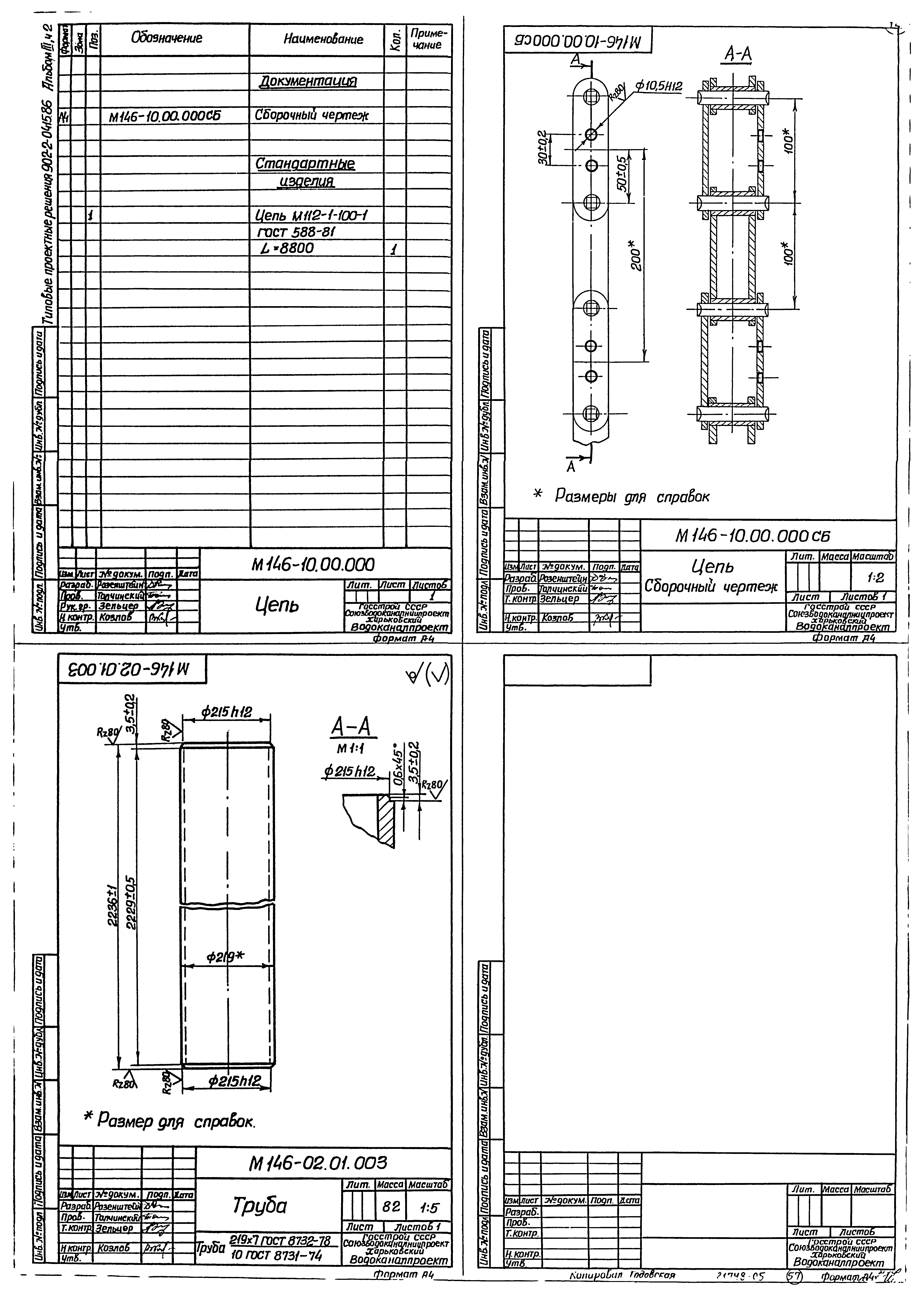
| Название рус.: | Альбом III. Часть 2. Нестандартизированное оборудование. Узел регенерации передвижной |
| Дата добавления в базу: | 21.05.2015 |
| Дата актуализации: | 01.01.2021 |
| Дата введения: | 02.12.1986 |
| Разработан: | Харьковский Водоканалпроект |
| Утверждён: | 29.08.1986 Госстрой СССР (63) |
| Издан: | ЦИТП Госстроя СССР (CITP, Gosstroy (USSR) 1987 г. ) |
| Заменяет собой: |
|

























































