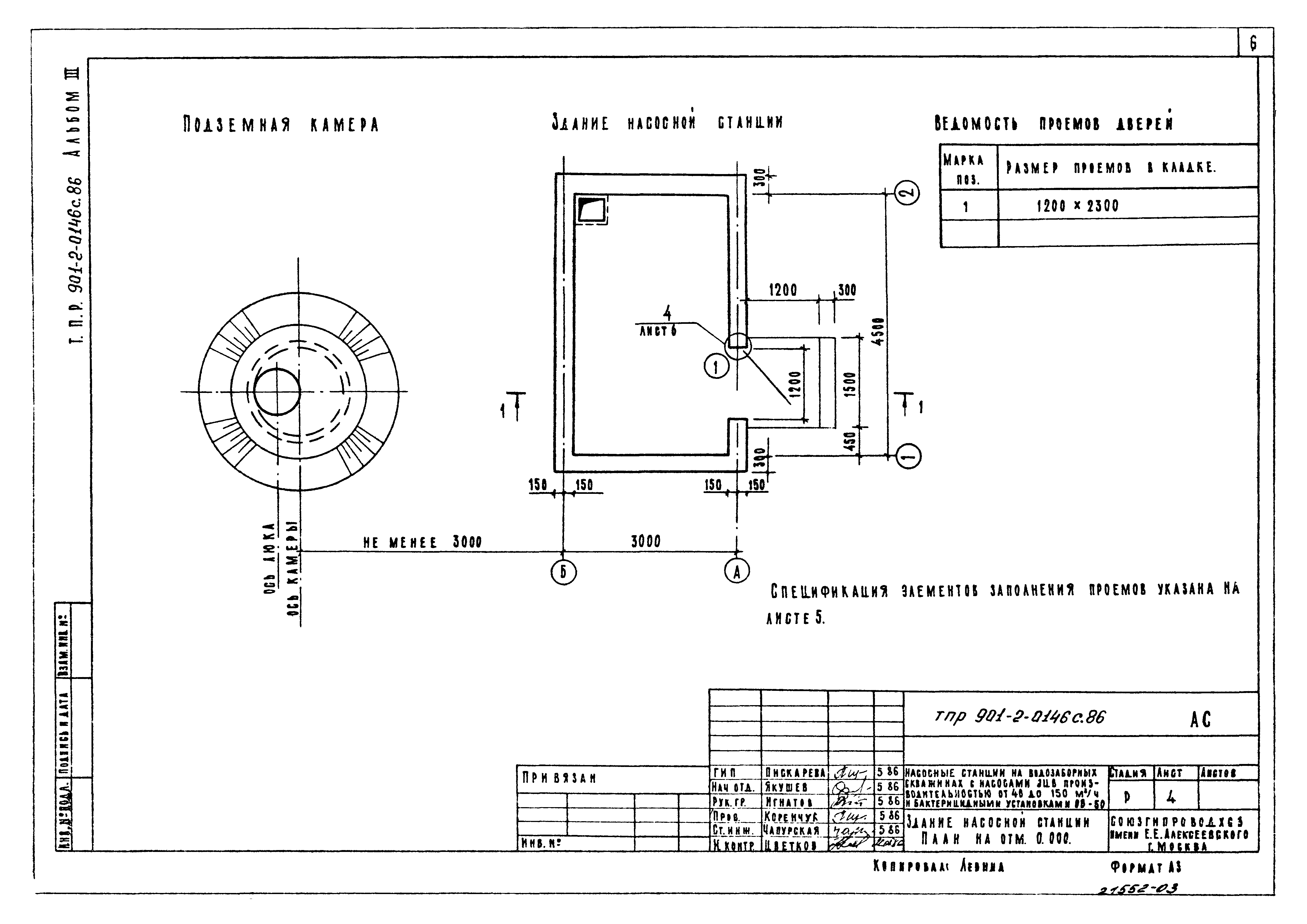
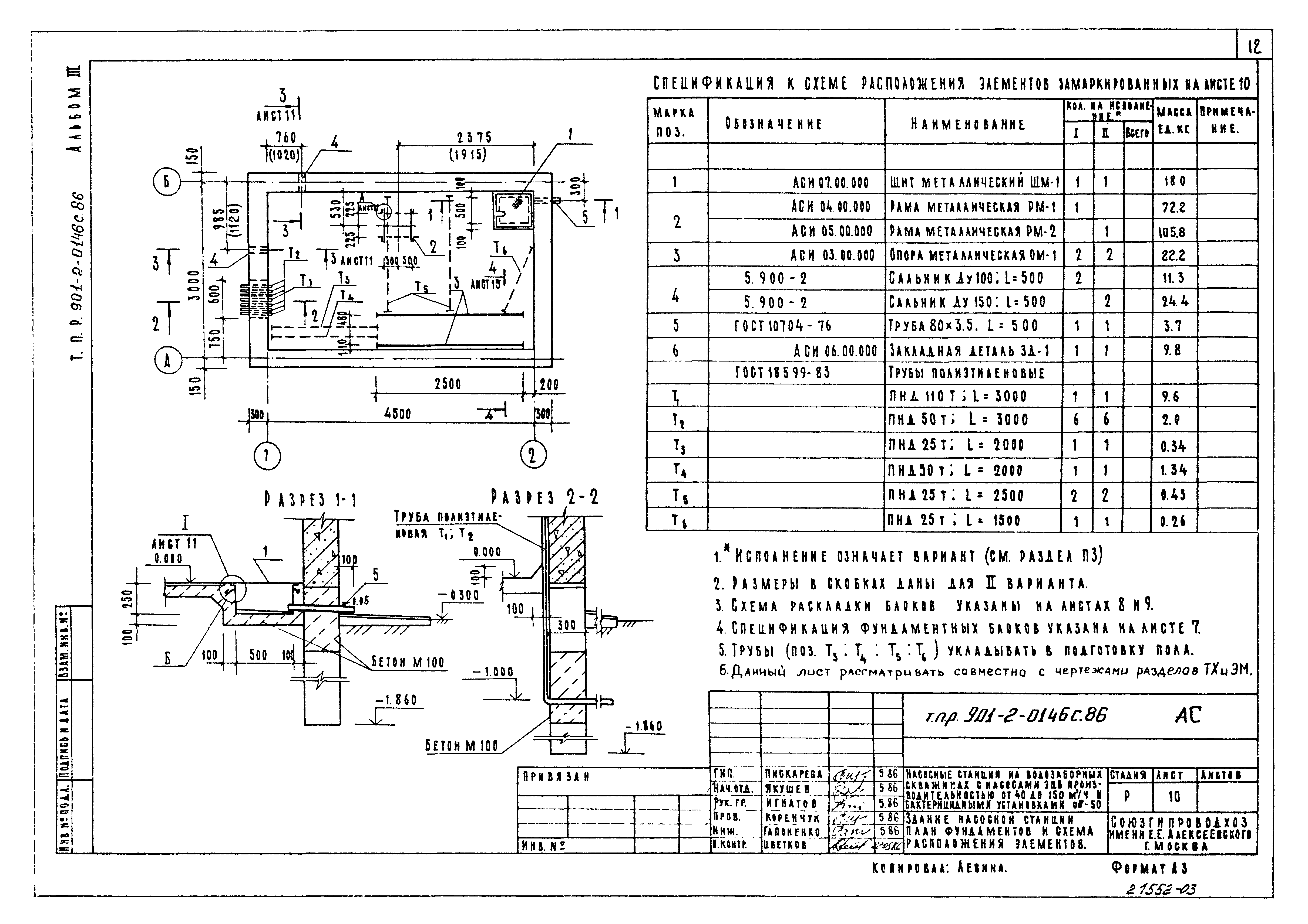
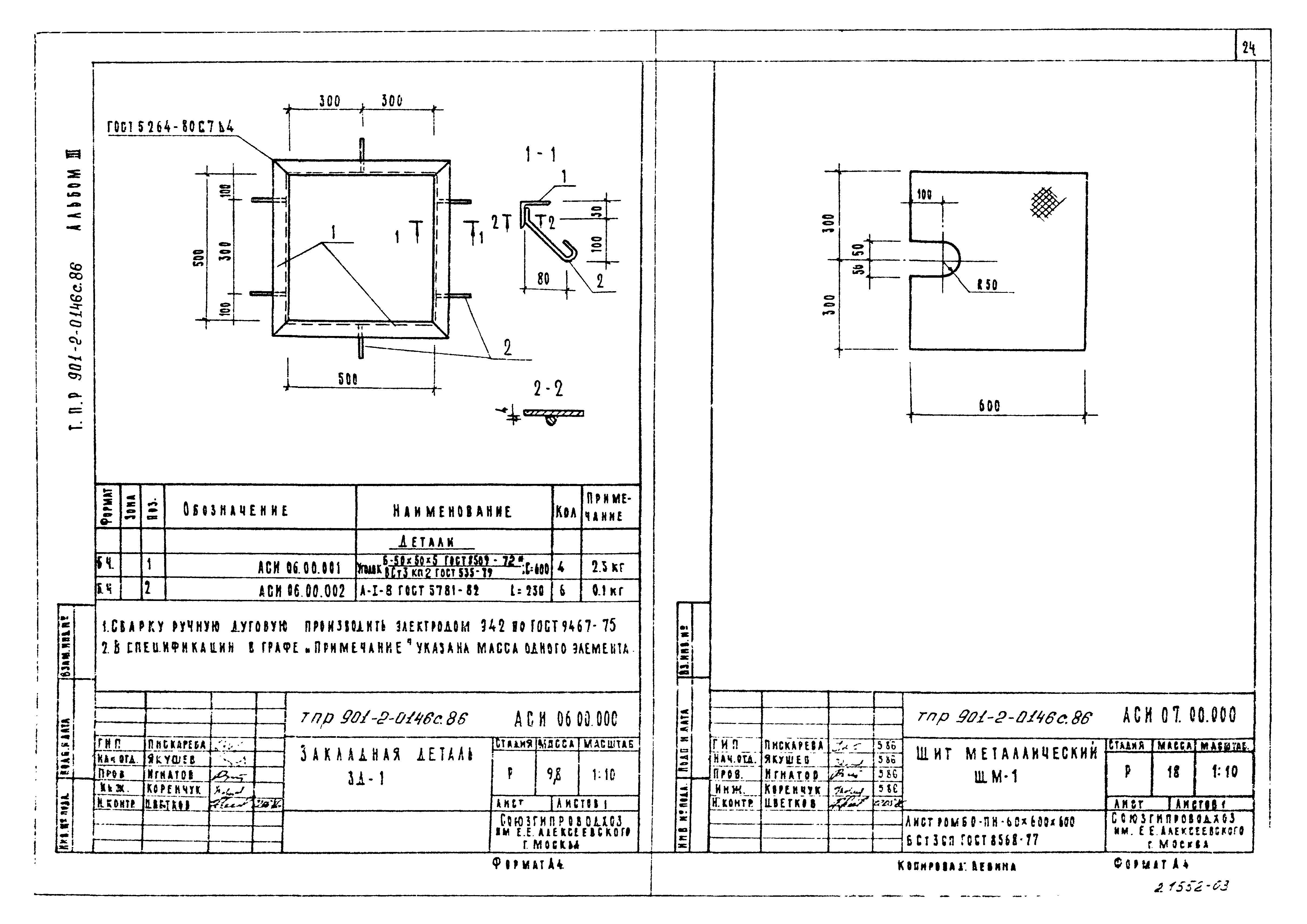
Скачать Типовые проектные решения 901-2-0146с.86 Альбом III. Архитектурно-строительные решения. Строительные изделия для районов с сейсмичностью до 9 балловДата актуализации: 01.01.2021
|
| Обозначение: | Типовые проектные решения 901-2-0146с.86 |
| Обозначение англ: | 901-2-0146с.86 |
| Статус: | заменен |
| Название рус.: | Альбом III. Архитектурно-строительные решения. Строительные изделия для районов с сейсмичностью до 9 баллов |
| Дата добавления в базу: | 21.05.2015 |
| Дата актуализации: | 01.01.2021 |
| Дата окончания срока действия: | 01.07.1992 |
| Разработан: | Союзгипроводхоз им. Е.Е. Алексеевского |
| Утверждён: | 18.06.1986 Минводхоз СССР (USSR Minvodkhoz 498) |
| Заменяет собой: | |
| Чем заменён: |
|



























