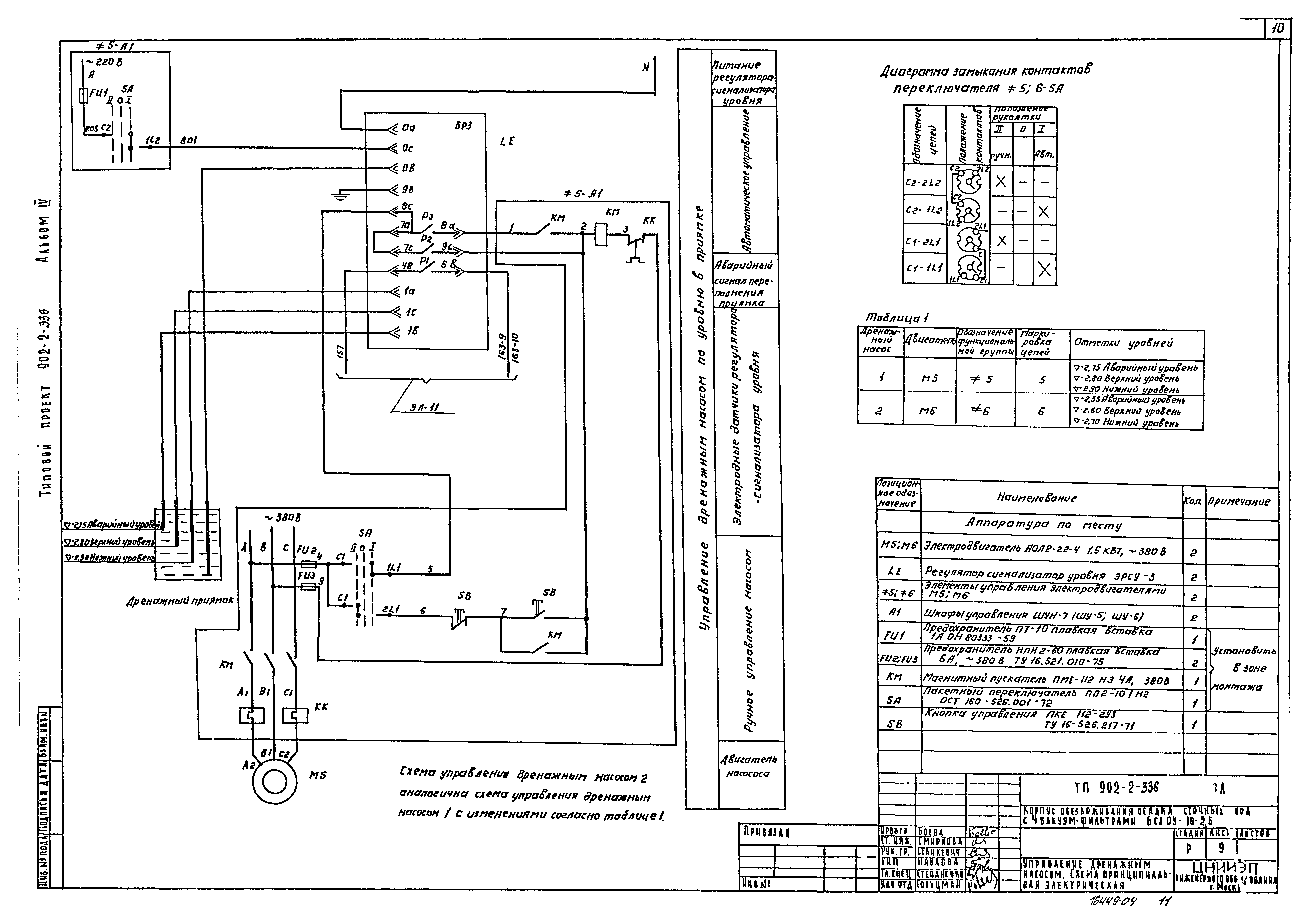
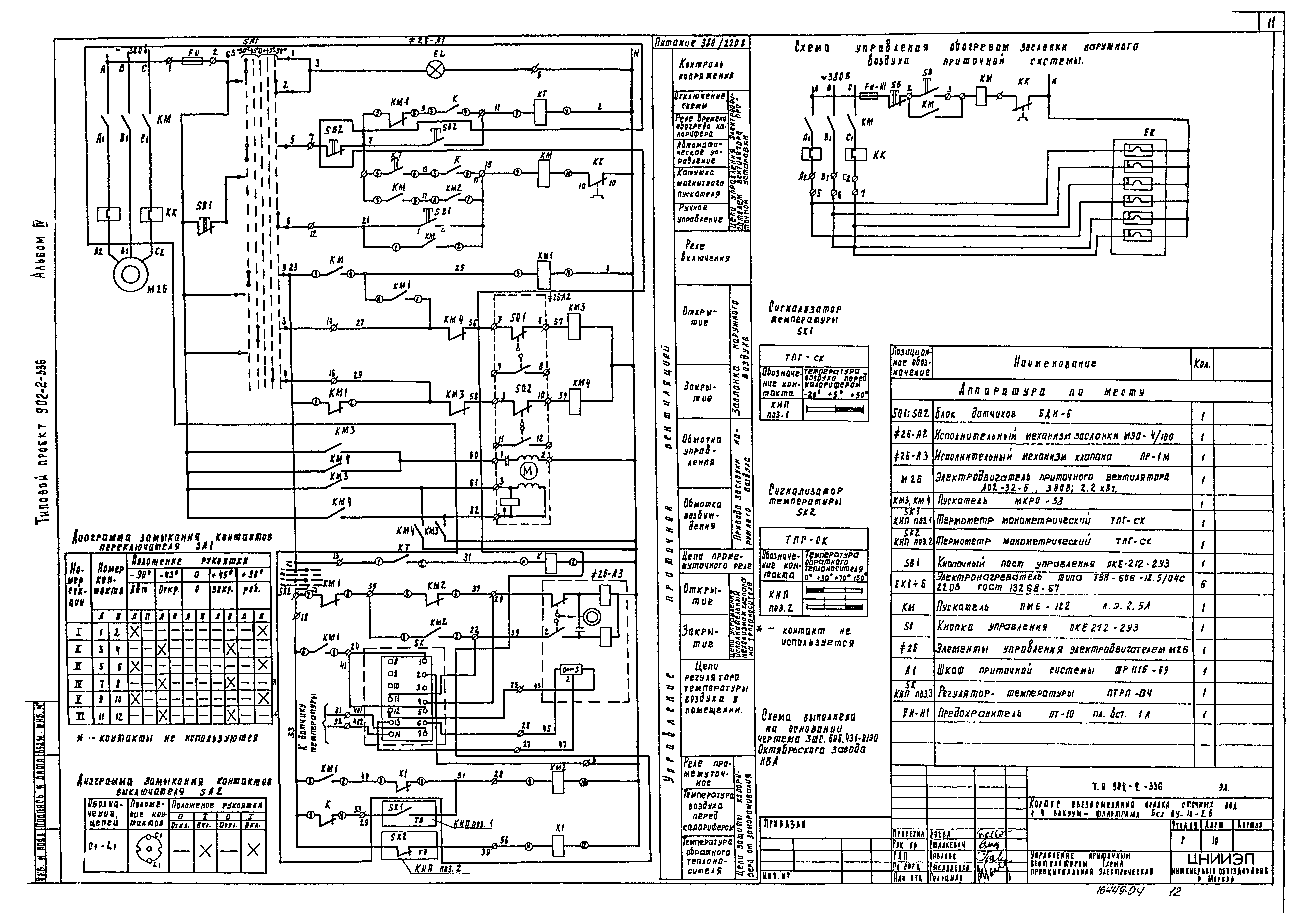
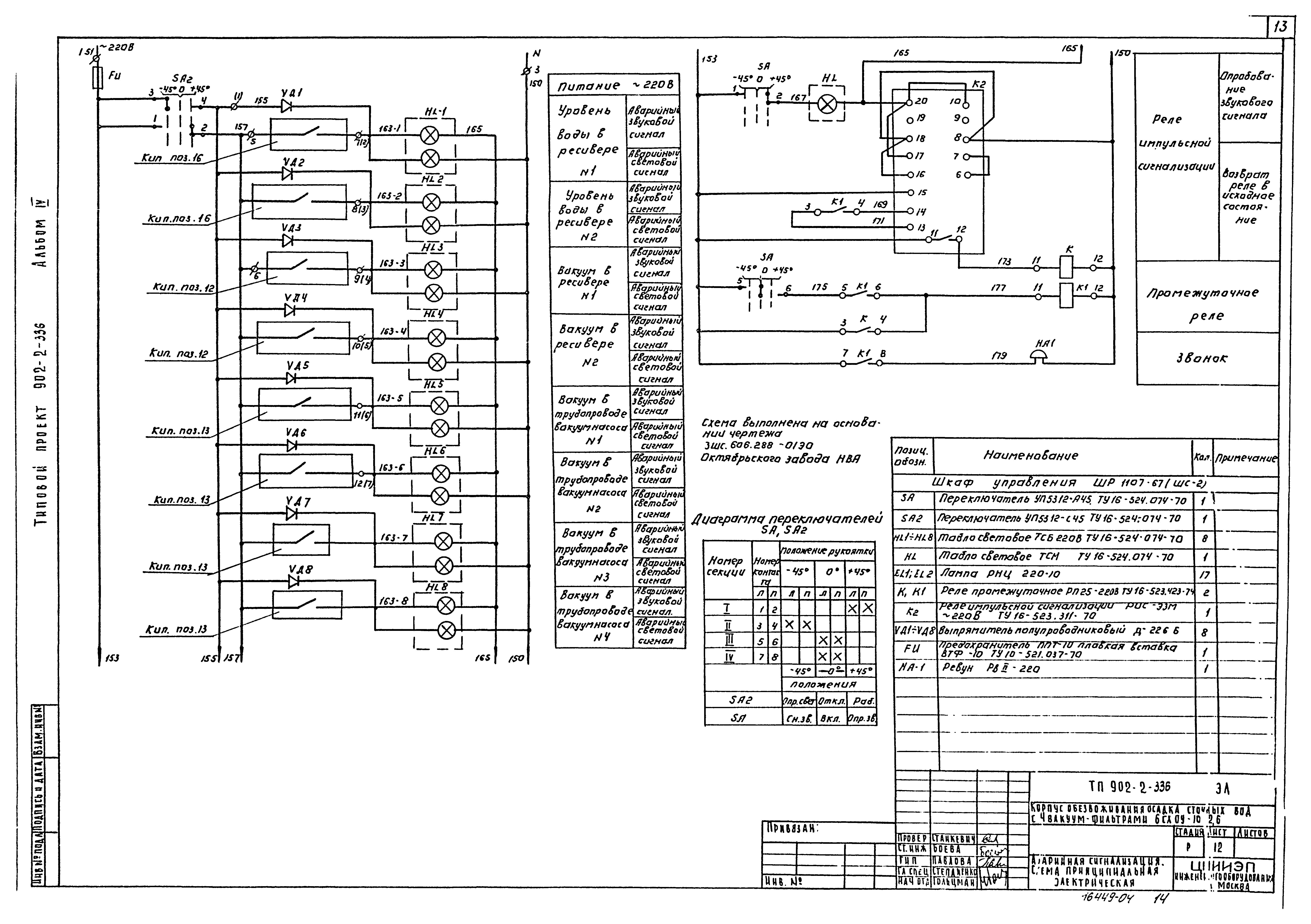
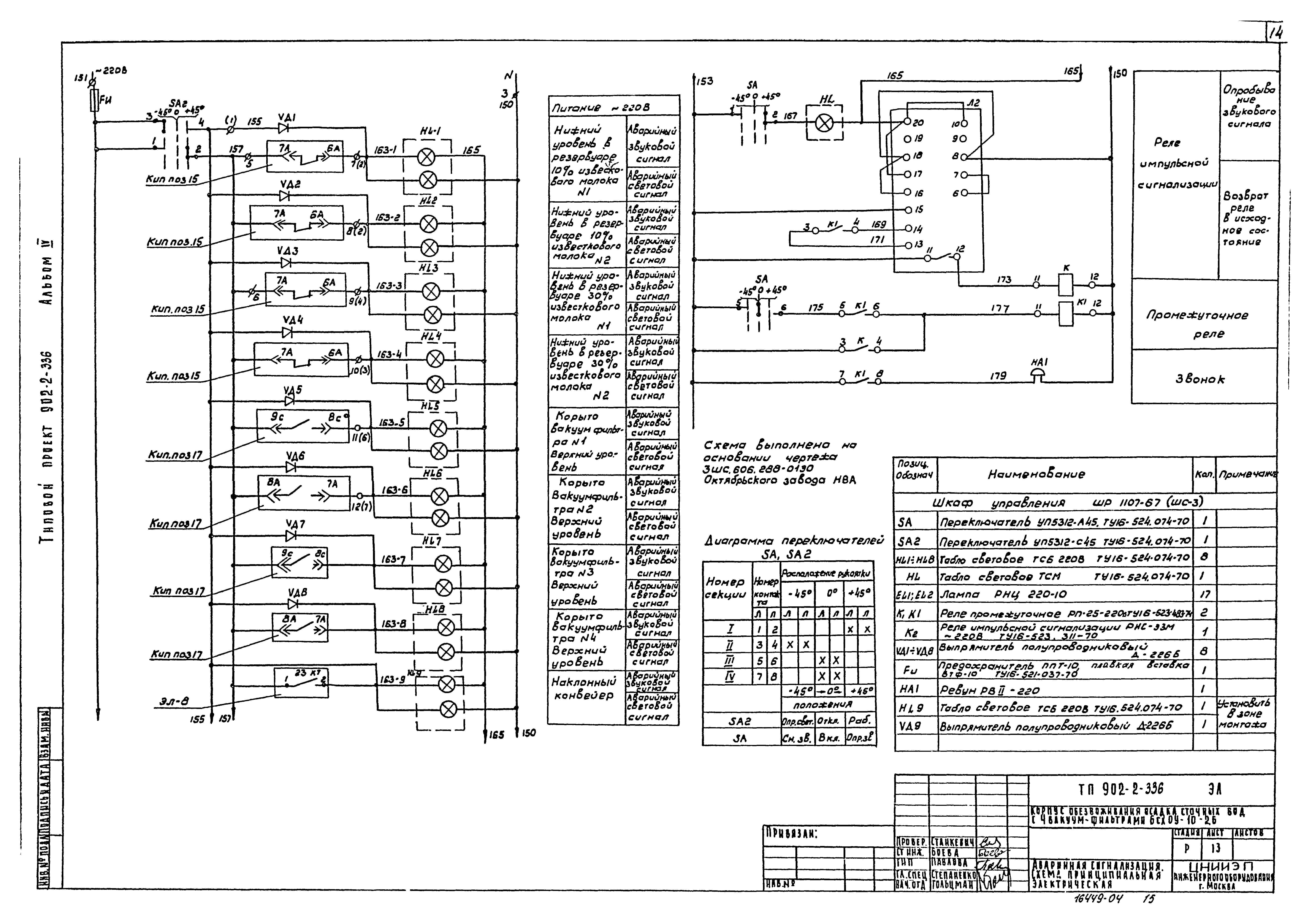
Скачать Типовой проект 902-2-336 Альбом IV. Электротехническая частьДата актуализации: 01.01.2021
|
| Обозначение: | Типовой проект 902-2-336 |
| Обозначение англ: | 902-2-336 |
| Статус: | заменен |
| Название рус.: | Альбом IV. Электротехническая часть |
| Дата добавления в базу: | 21.05.2015 |
| Дата актуализации: | 01.01.2021 |
| Дата введения: | 15.12.1979 |
| Дата окончания срока действия: | 01.06.1986 |
| Разработан: | ЦНИИЭП инженерного оборудования |
| Утверждён: | 22.07.1974 Госгражданстрой (Gosgrazhdanstroy 164) |
| Издан: | ЦИТП Госстроя СССР (CITP, Gosstroy (USSR) 1980 г. ) |
| Чем заменён: |
































