Скачать Том 1 Картотека серийных приборов и средств автоматизации. Раздел 48. КабелиДата актуализации: 01.01.2021
|
| Обозначение: | Том 1 |
| Обозначение англ: | Том 1 |
| Статус: | справочные материалы, мп, тпр |
| Название рус.: | Картотека серийных приборов и средств автоматизации. Раздел 48. Кабели |
| Дата добавления в базу: | 21.05.2015 |
| Дата актуализации: | 01.01.2021 |
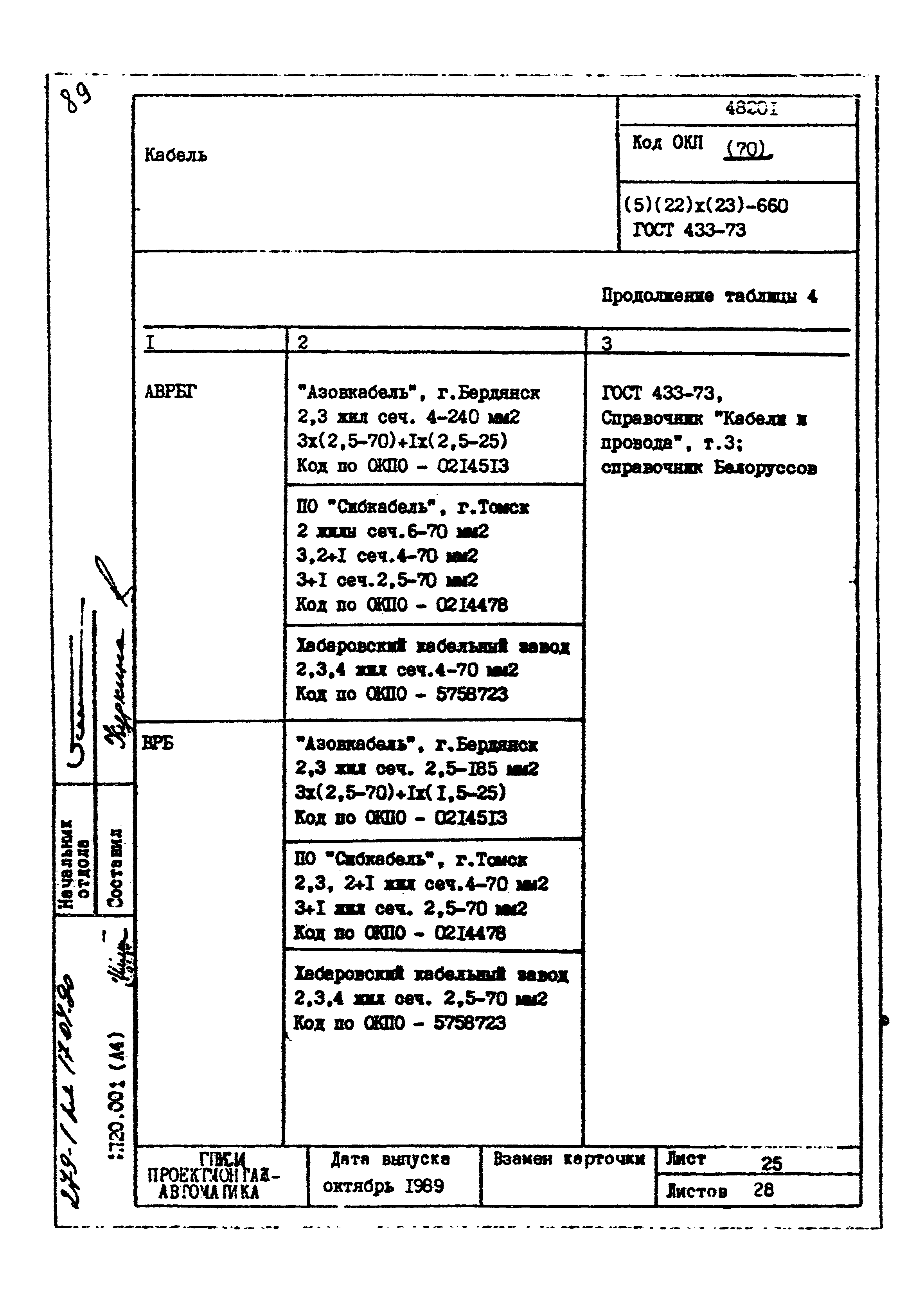
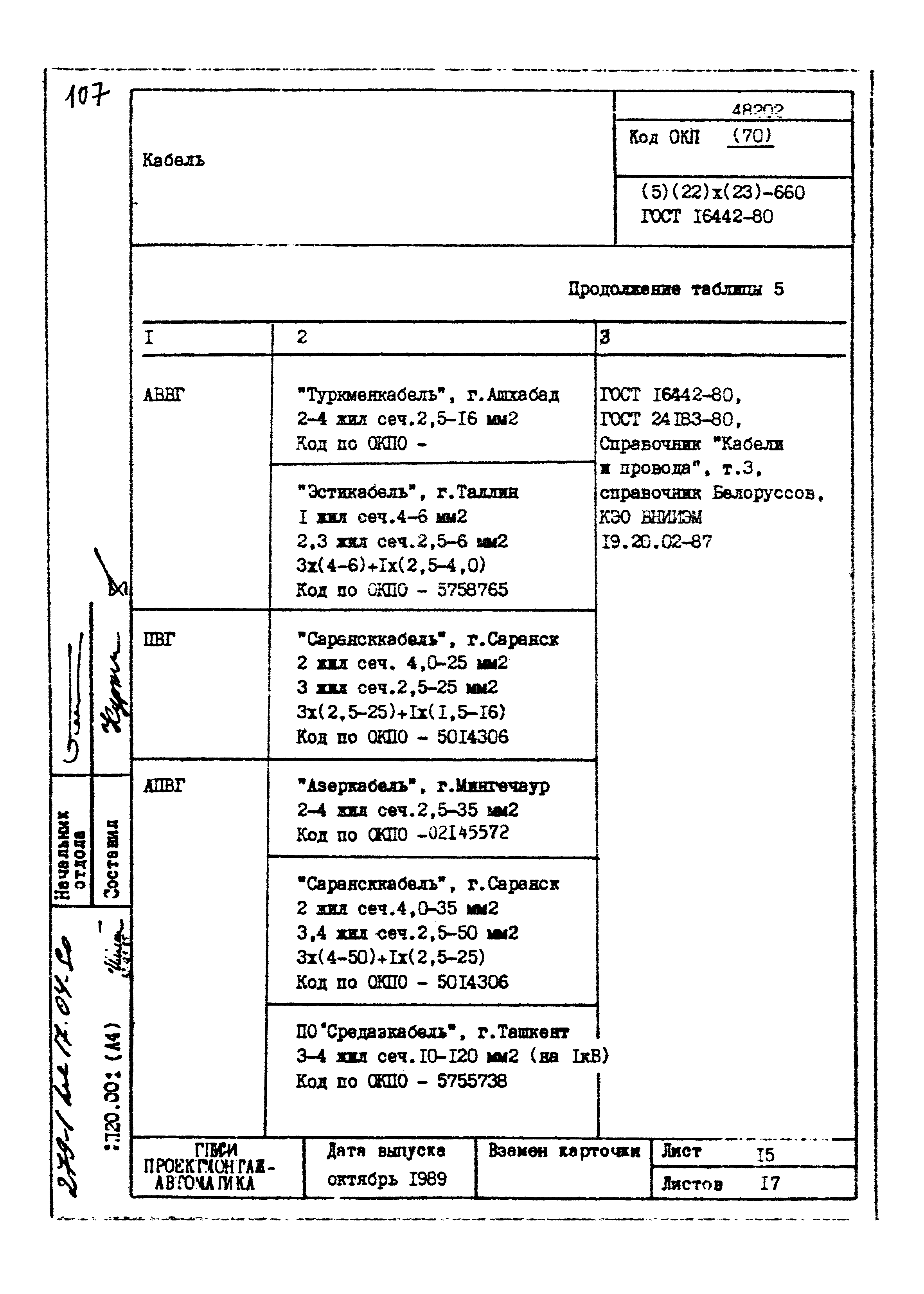
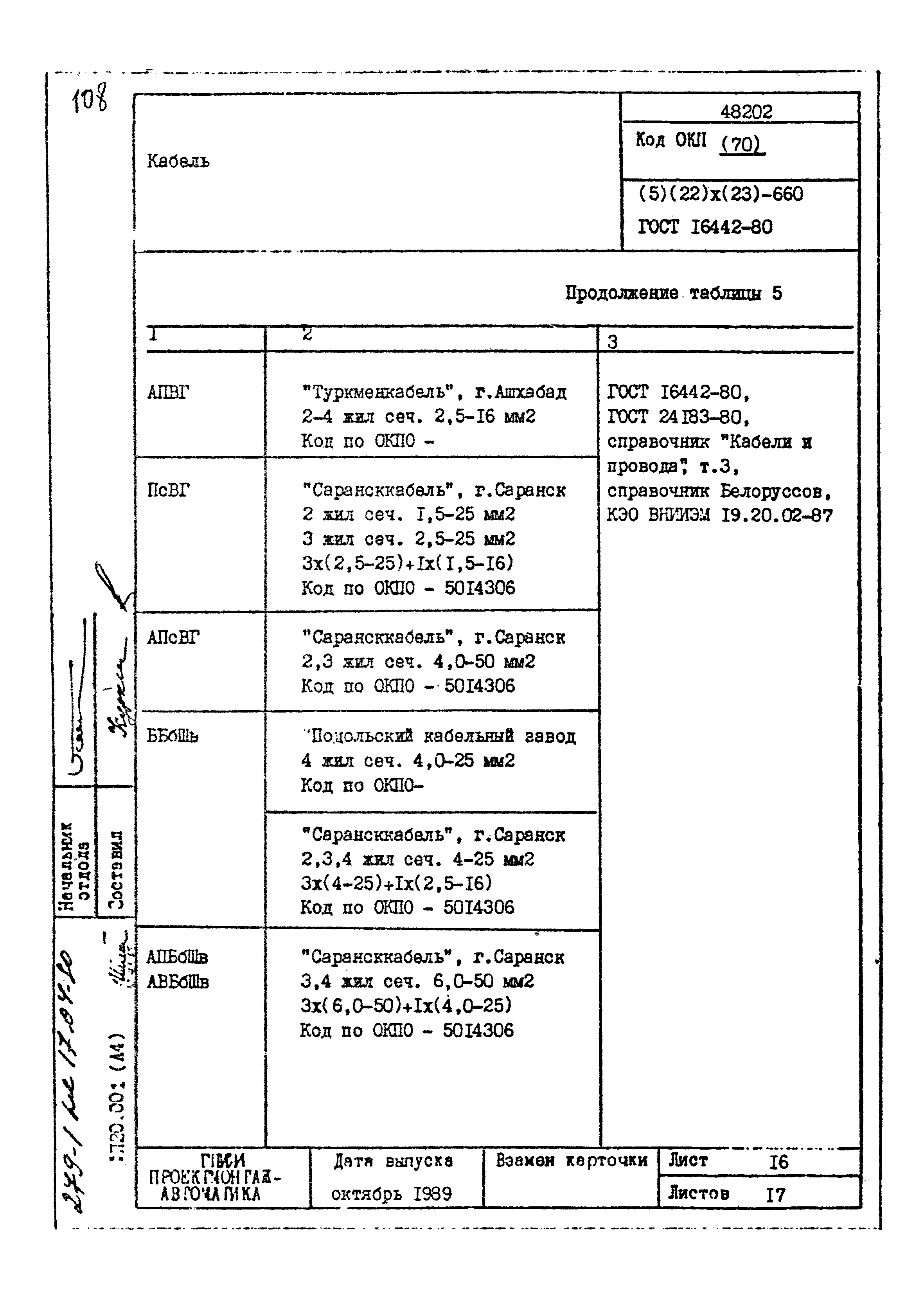
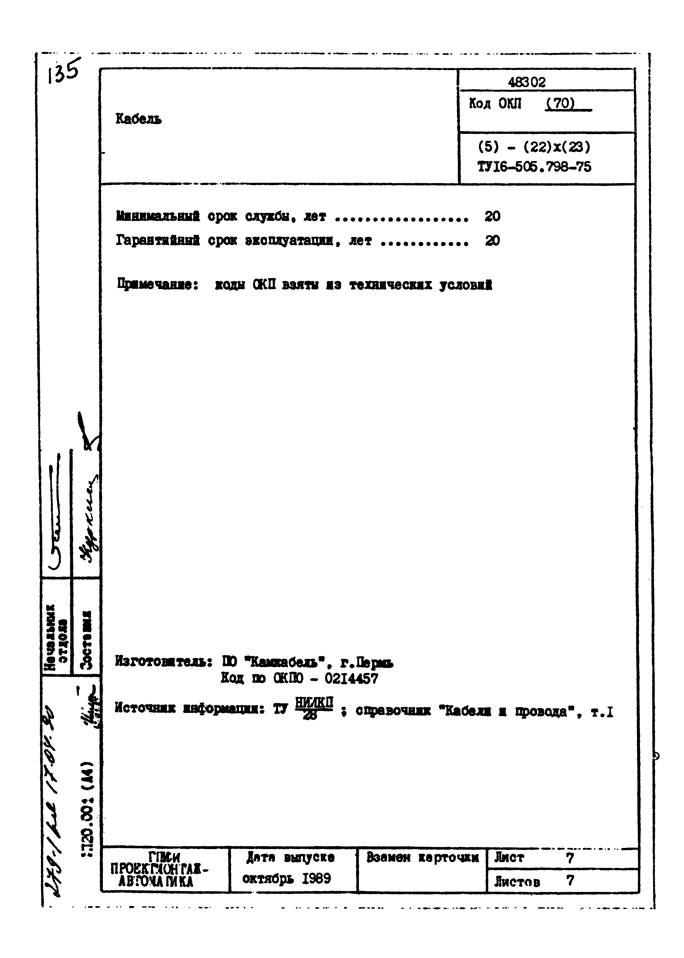
| Область применения: | Картотека представляет собой номенклатурный перечень с основными техническими характеристиками электрических кабелей, серийно выпускаемых заводами-изготовителями. |
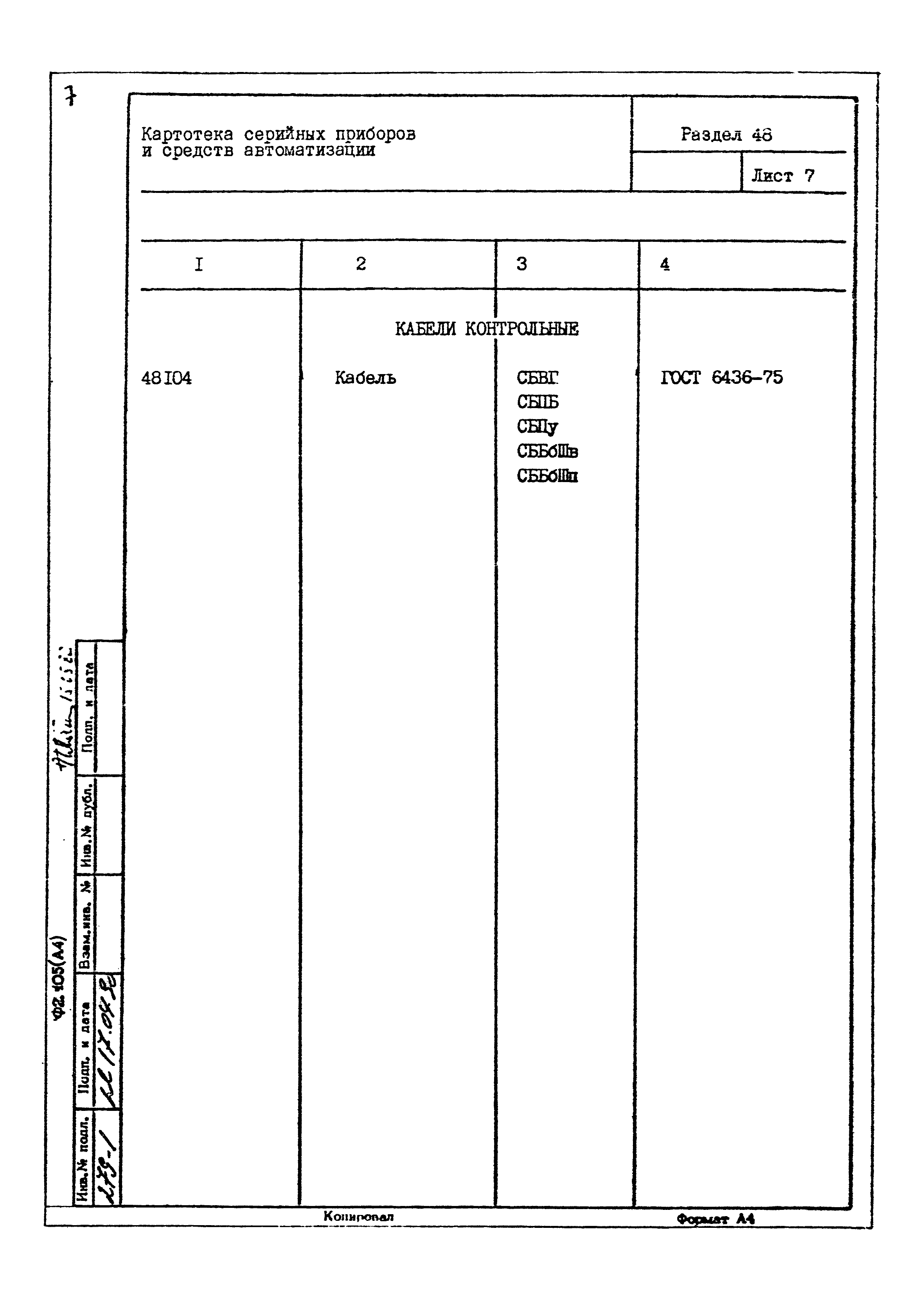
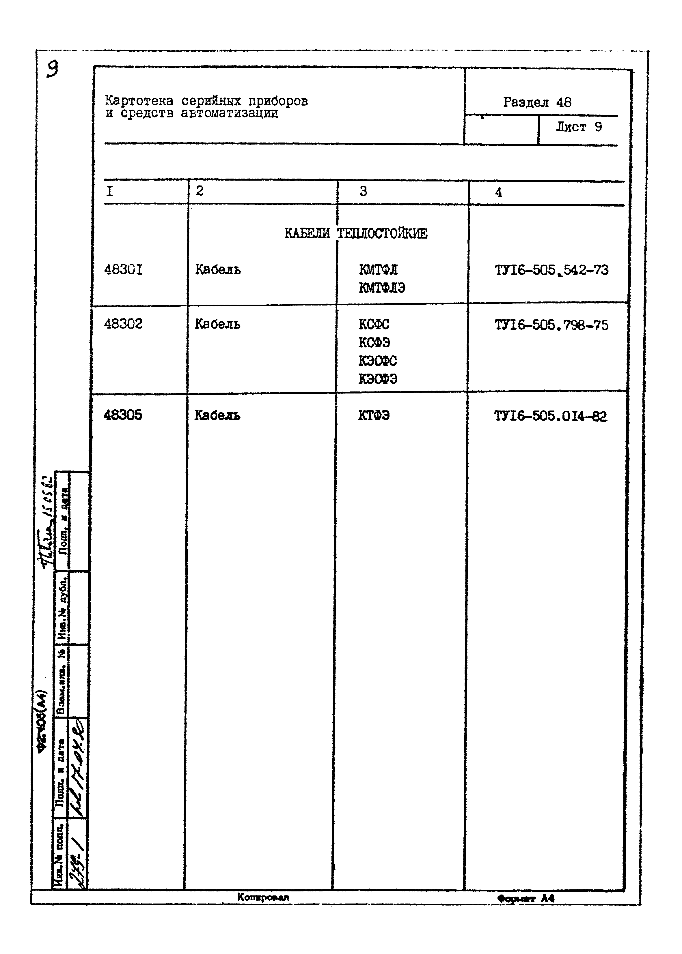
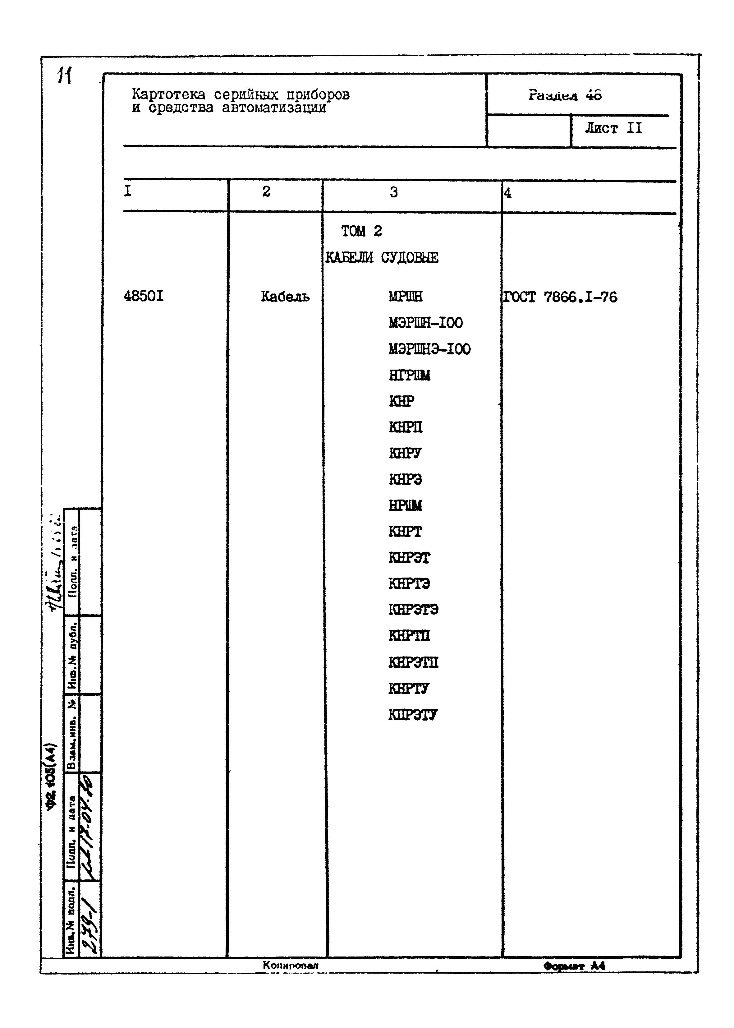
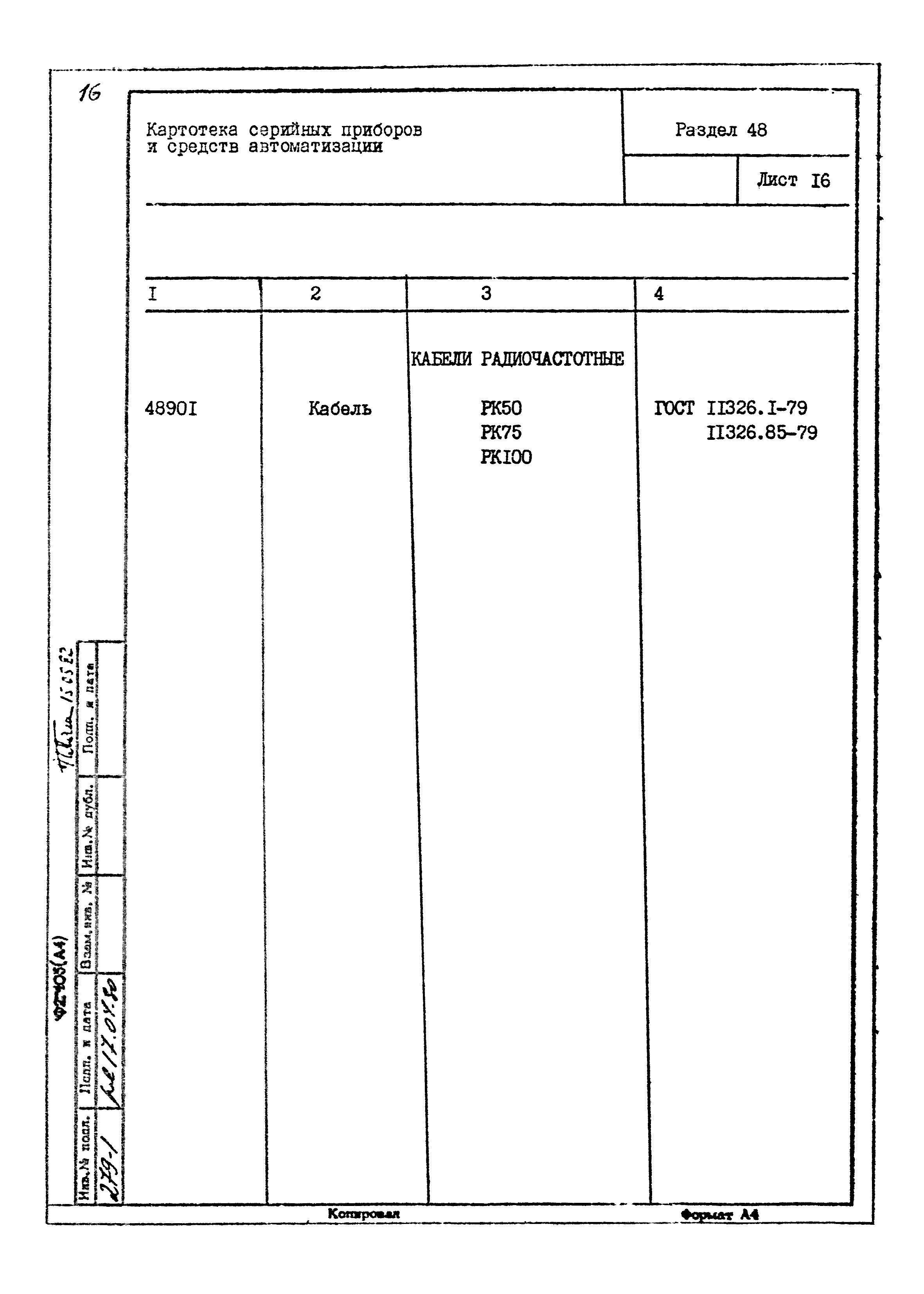
| Оглавление: | Кабели контрольные Кабели силовые Кабели теплостойкие Кабели термоэлектродные |
| Разработан: | ГПИ Проектмонтажавтоматика |
| Утверждён: | ГПИ Проектмонтажавтоматика (Projectmontazhavtomatika GPI ) |






















































































































































