Скачать Том 2 Картотека серийных приборов и средств автоматизации. Раздел 05. Приборы для измерения и регулирования состава и качества веществДата актуализации: 01.01.2021
|
| Обозначение: | Том 2 |
| Обозначение англ: | Том 2 |
| Статус: | справочные материалы, мп, тпр |
| Название рус.: | Картотека серийных приборов и средств автоматизации. Раздел 05. Приборы для измерения и регулирования состава и качества веществ |
| Дата добавления в базу: | 21.05.2015 |
| Дата актуализации: | 01.01.2021 |
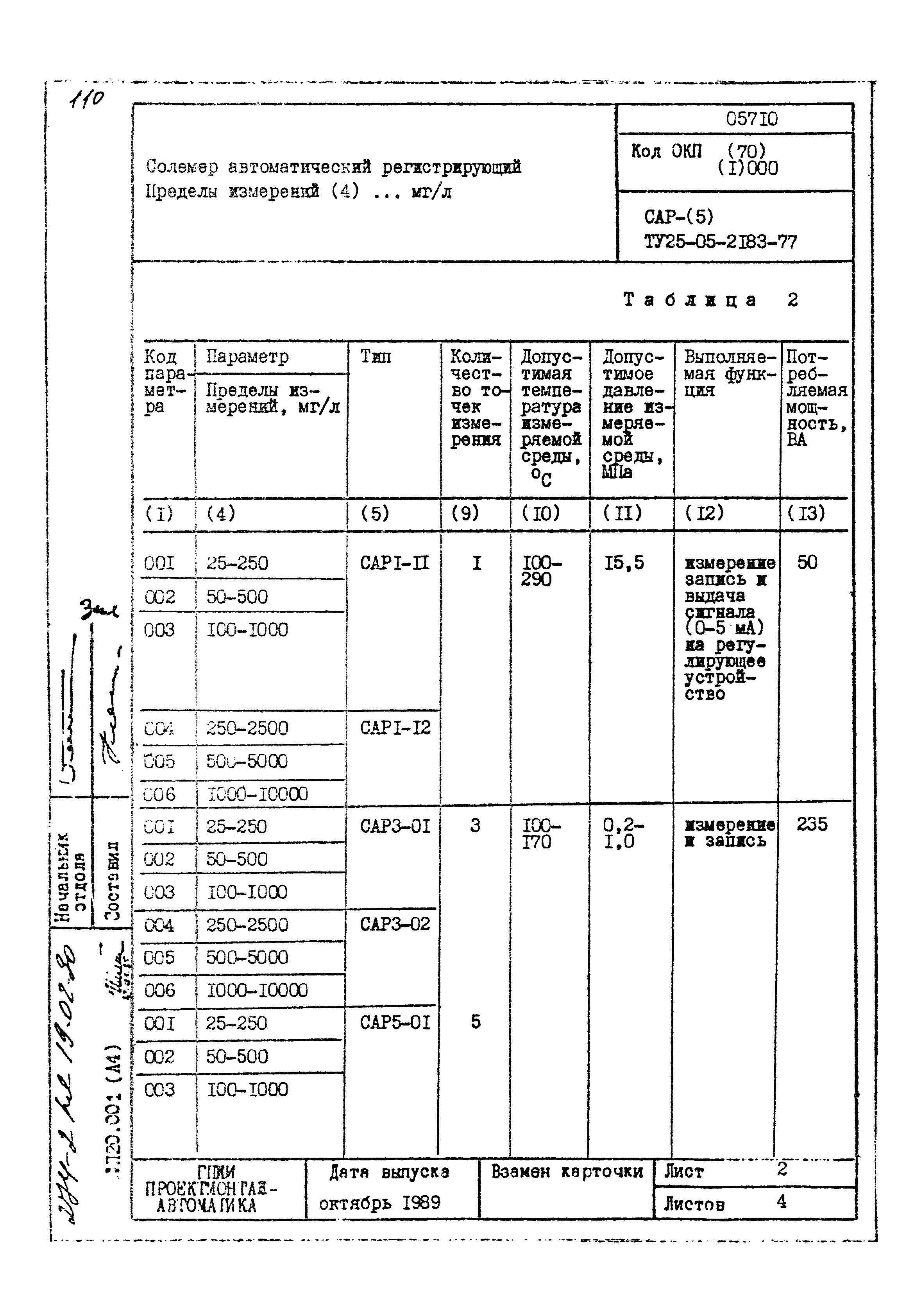
| Область применения: | Картотека представляет собой номенклатурный перечень с основными характеристиками приборов для измерения и регулирования состава и качества веществ, применяемых в разработках ГПКИ ПМА и серийно выпускаемых заводами. Картотека составлена на основании данных, полученных от изготовителей |
| Оглавление: | 1 Введение 2 Алфавитный указатель 3 Перечень карточек 4 Карточки на анализаторы жидкостей, концентратомеры, кондуктометры, рН-метры, кислородомеры, плотномеры, вискозиметры, солемеры, влагомеры 5 Лист регистрации внесения изменений по информационным сообщениям |
| Разработан: | ГПИ Проектмонтажавтоматика |
| Утверждён: | ГПИ Проектмонтажавтоматика (Projectmontazhavtomatika GPI ) |
| Заменяет собой: |
|












































































































































