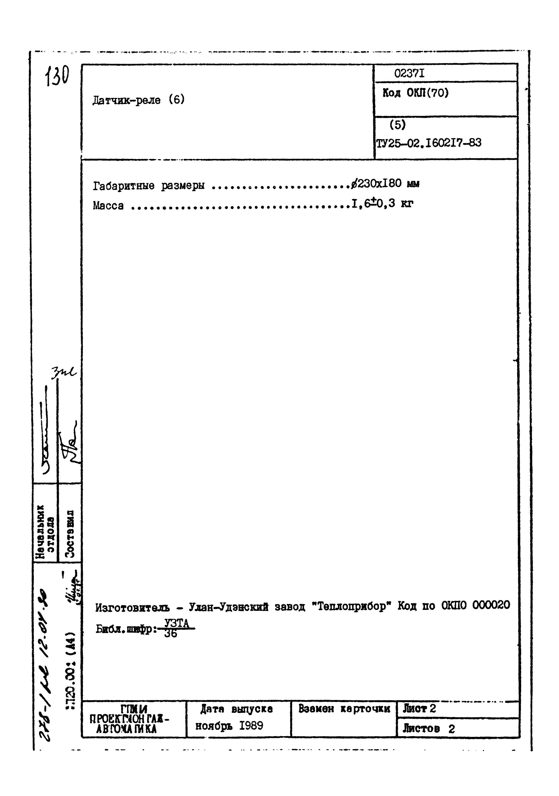
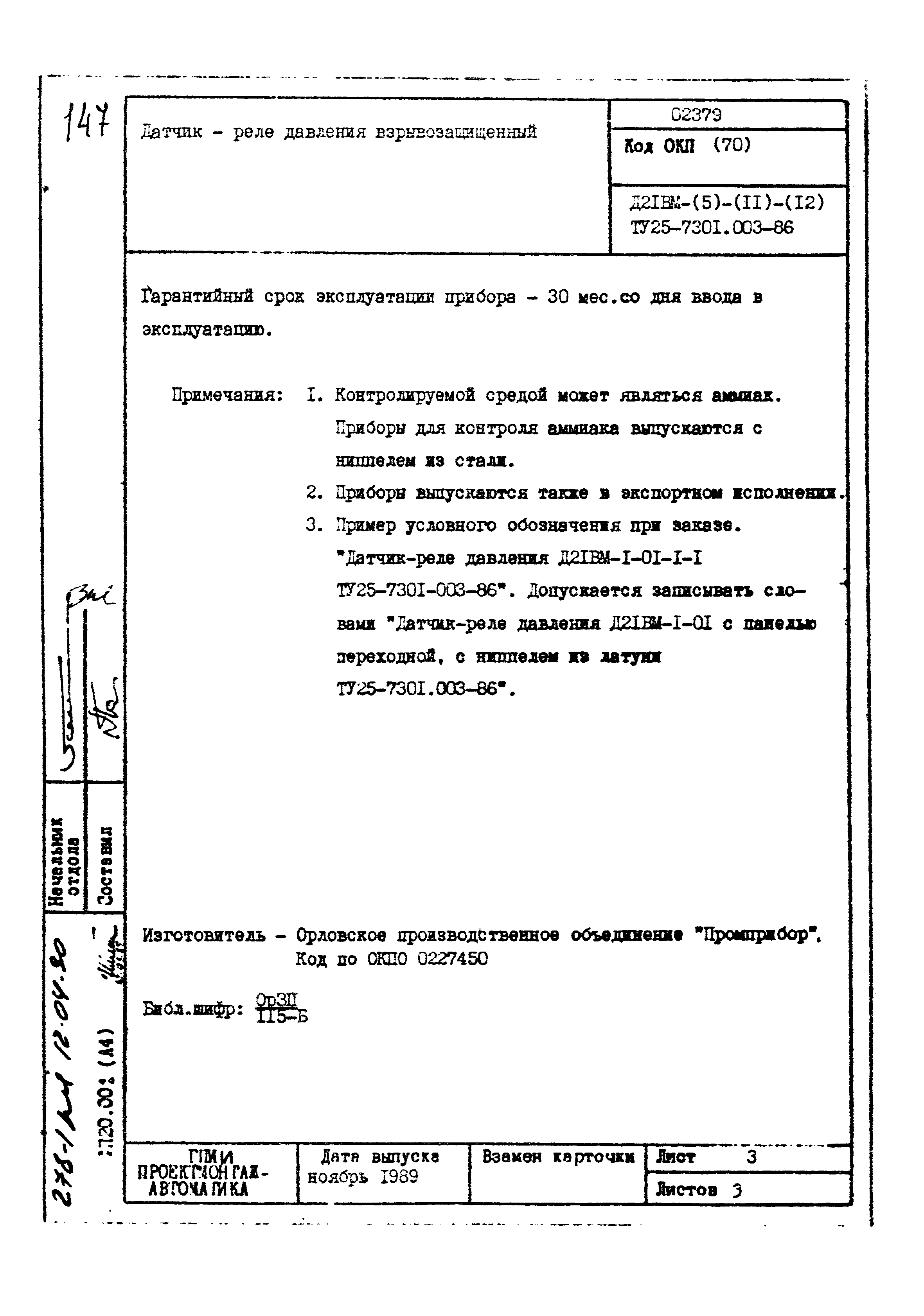
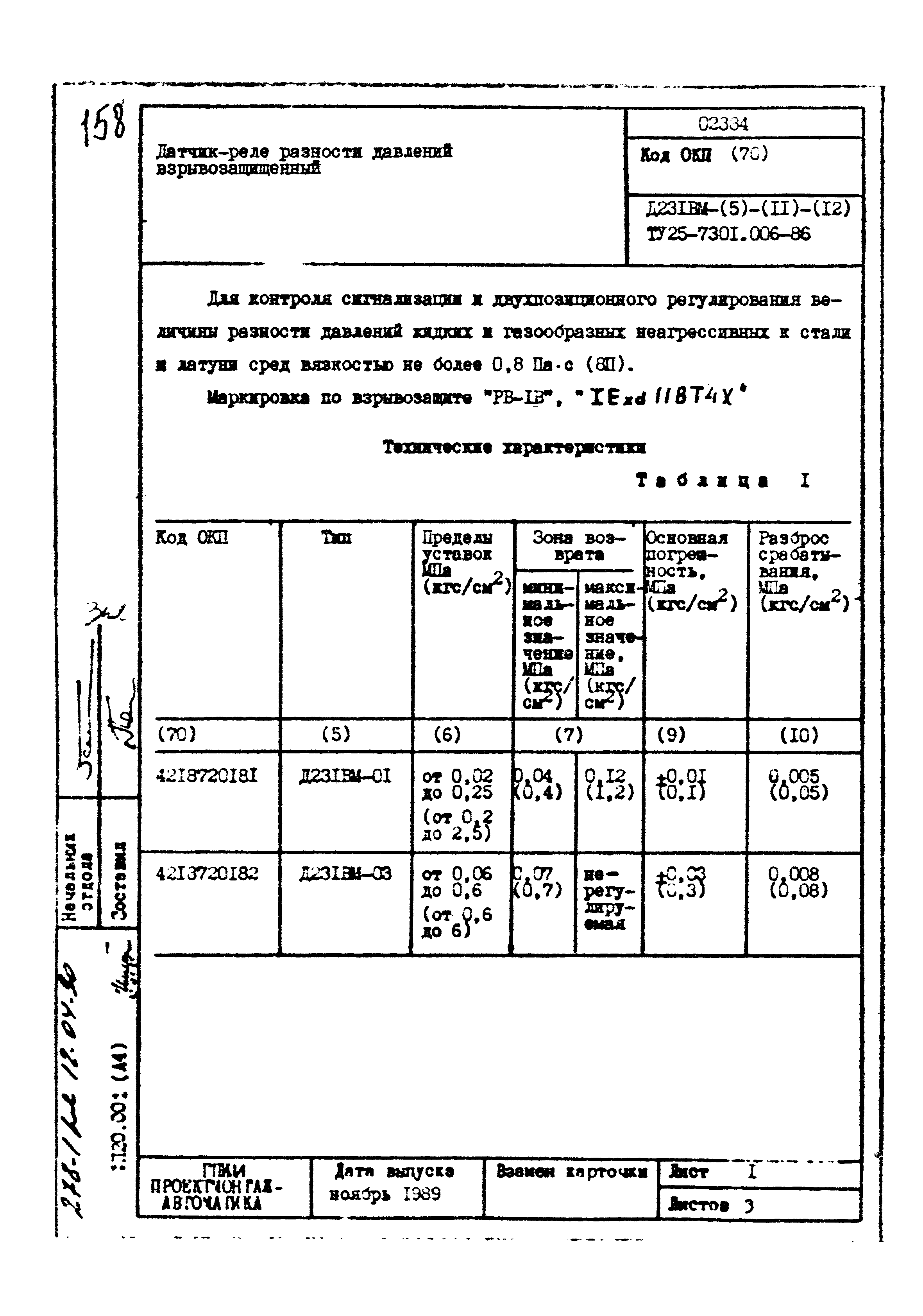
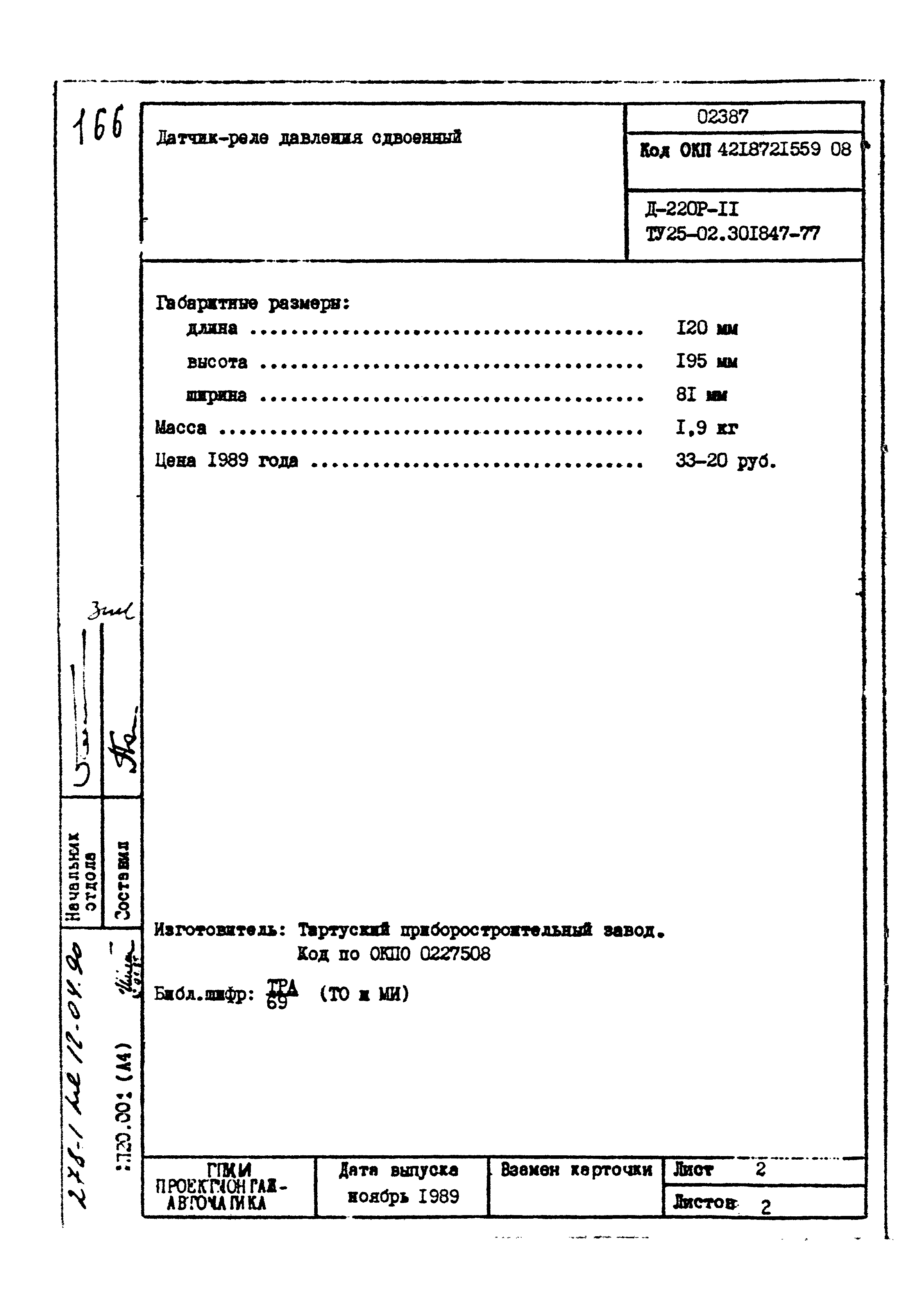
Скачать Том 1 Картотека серийных приборов и средств автоматизации. Раздел 02. Приборы для измерения и регулирования давления и разреженияДата актуализации: 01.01.2021
|
| Обозначение: | Том 1 |
| Обозначение англ: | Том 1 |
| Статус: | справочные материалы, мп, тпр |
| Название рус.: | Картотека серийных приборов и средств автоматизации. Раздел 02. Приборы для измерения и регулирования давления и разрежения |
| Дата добавления в базу: | 21.05.2015 |
| Дата актуализации: | 01.01.2021 |
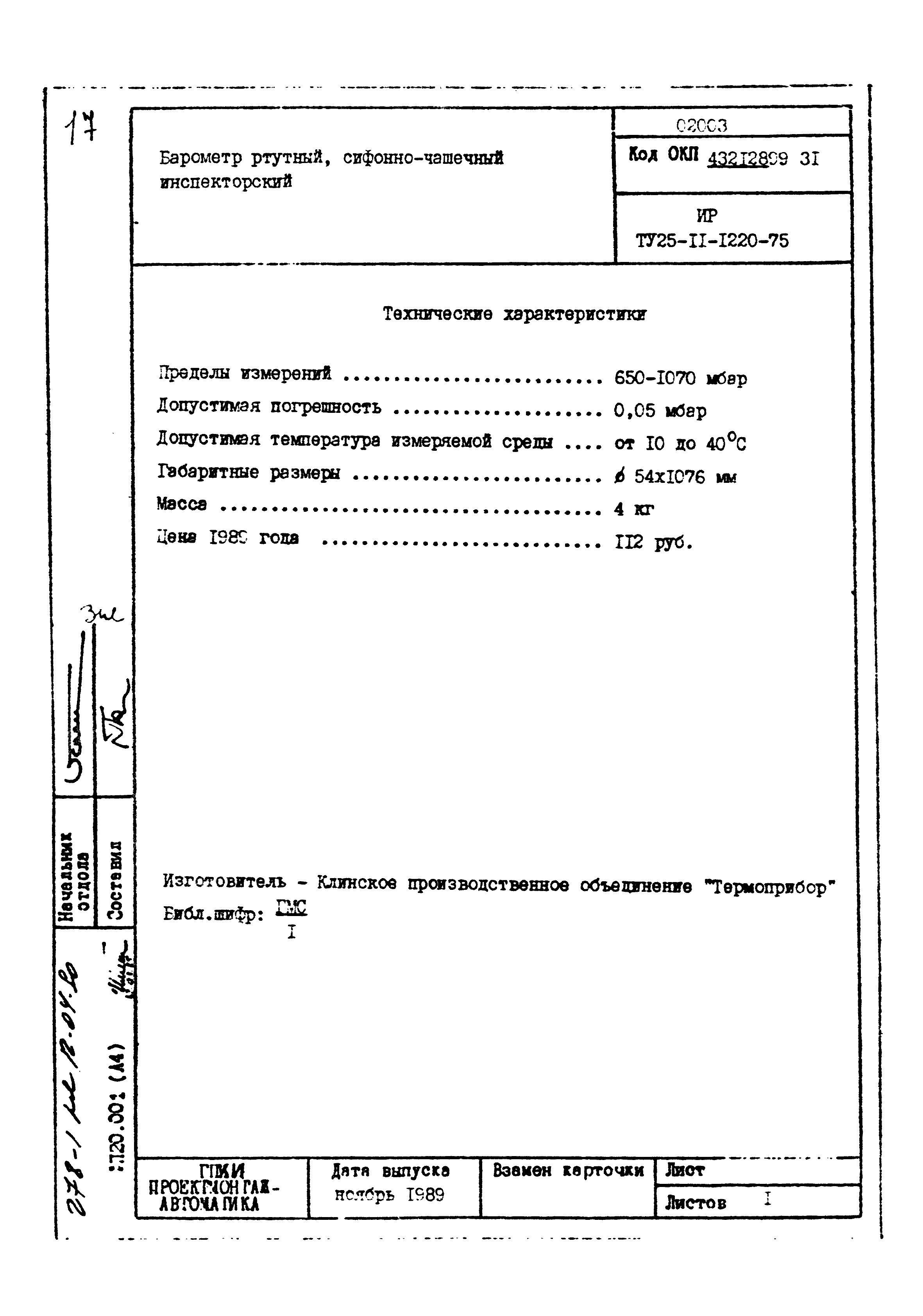
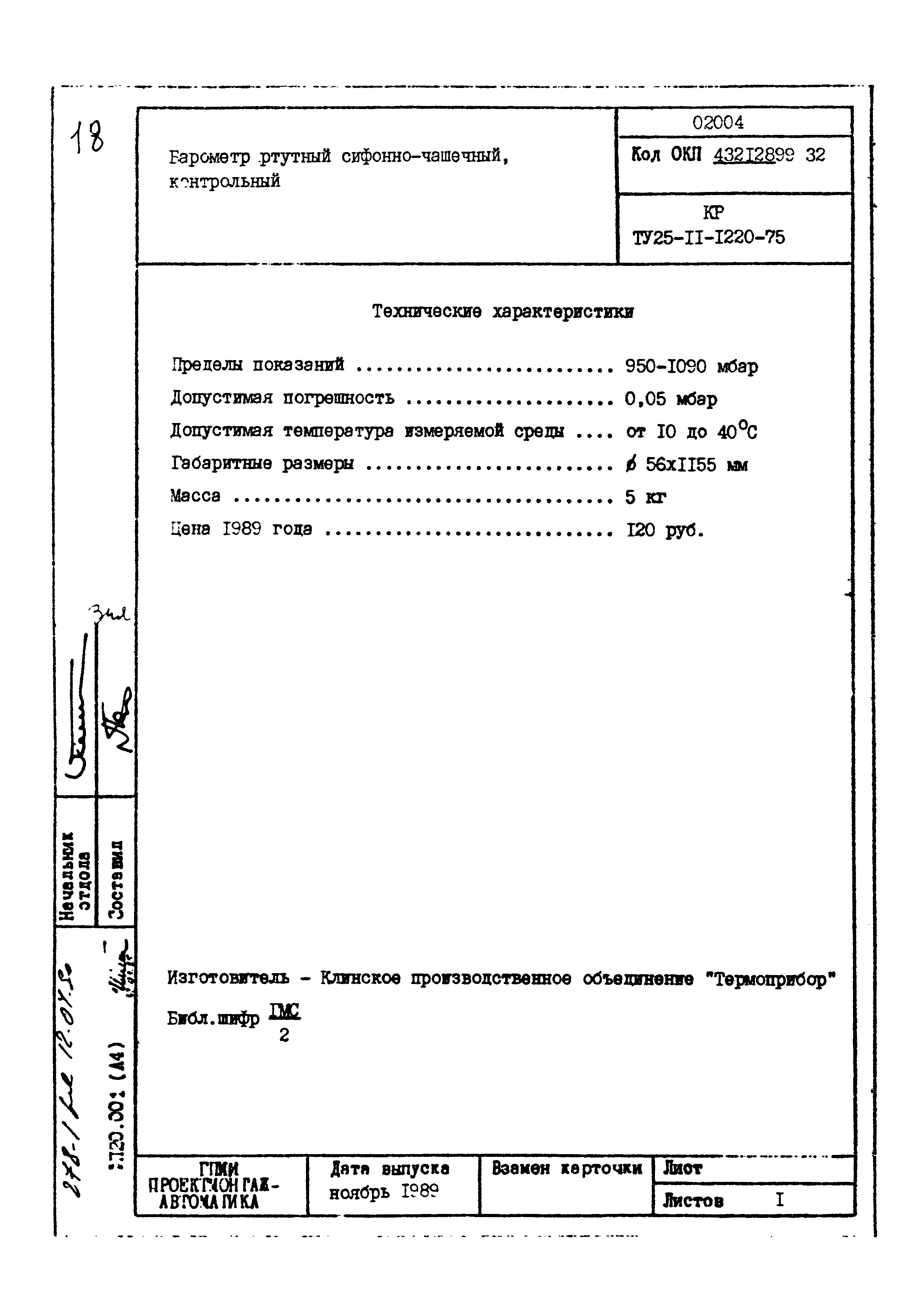
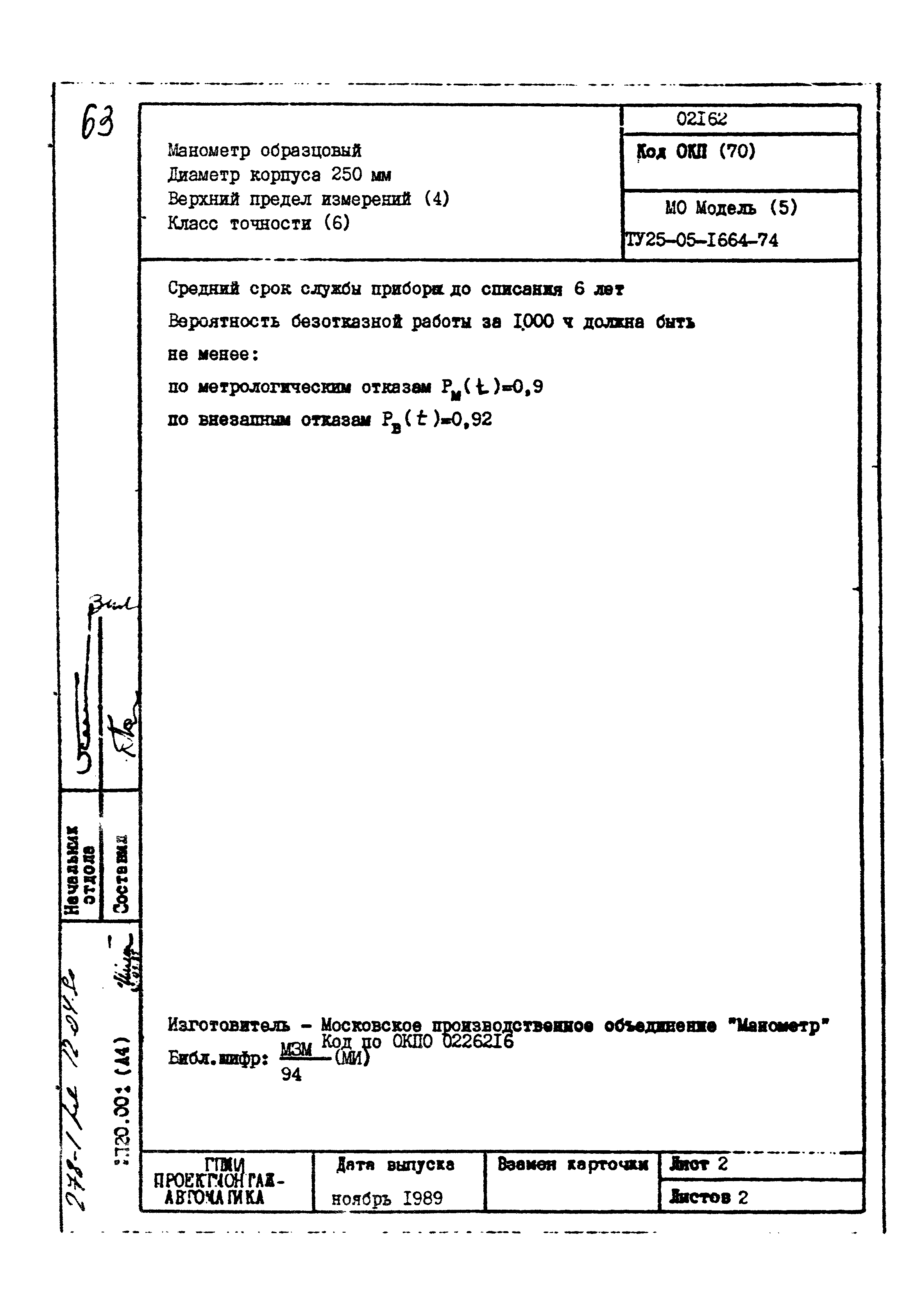
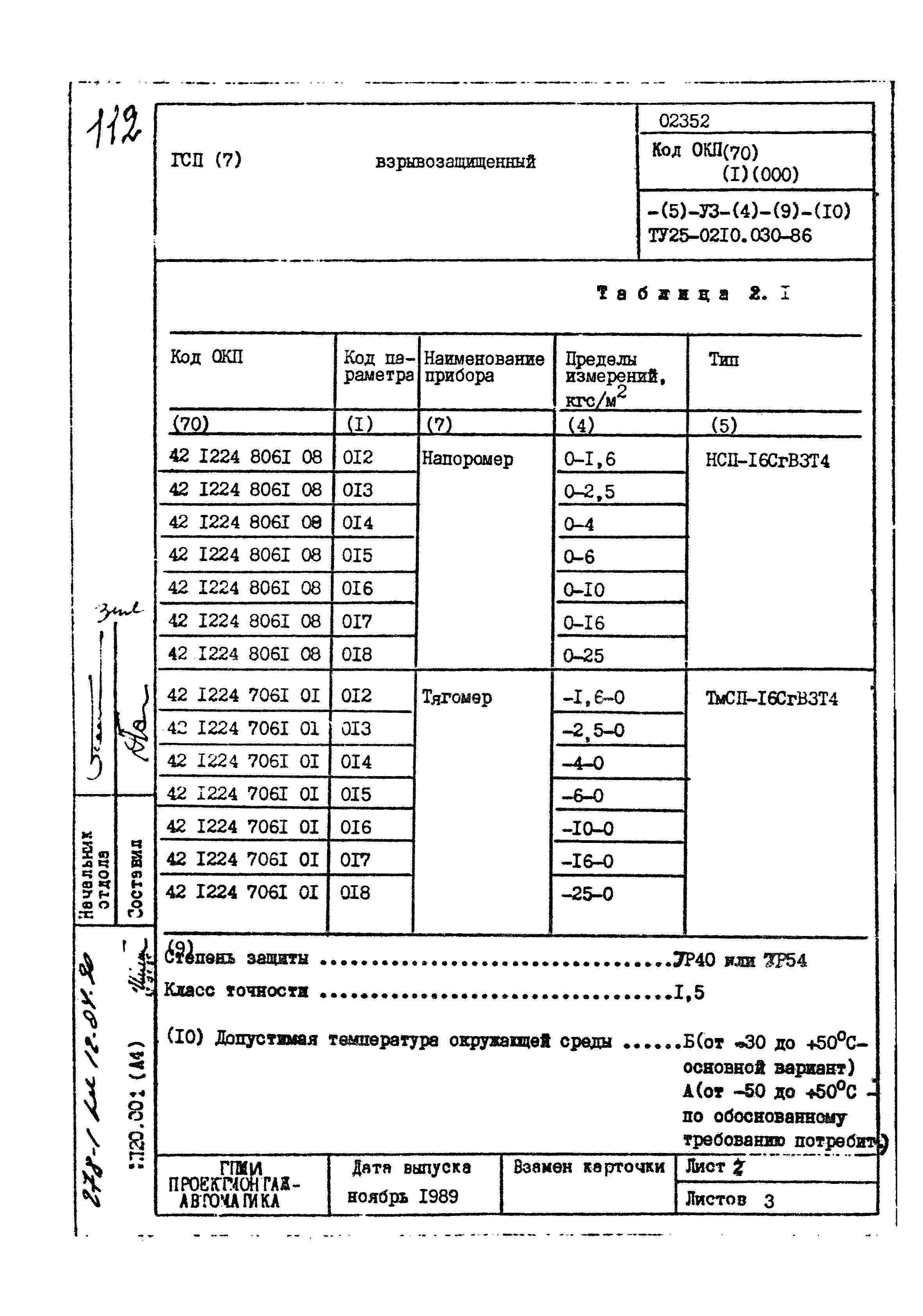
| Область применения: | Картотека представляет собой номенклатурный перечень с основными техническими характеристиками приборов для измерения и регулирования давления и разрежения, применяемых в разработках ГПКИ ПМА и серийно выпускаемых приборостроительными заводами |
| Оглавление: | 1 Введение 2 Алфавитный указатель 3 Перечень карточек 4 Карточки на приборы 5 Лист регистрации вненсения изменений по информационным сообщениям |
| Разработан: | ГПИ Проектмонтажавтоматика |
| Утверждён: | ГПИ Проектмонтажавтоматика (Projectmontazhavtomatika GPI ) |
| Заменяет собой: |
|









































































































































































