Скачать 1990-1991 Номенклатурный каталог на освоенные и серийно выпускаемые изделия насосостроения на 1990 - 1991 ггДата актуализации: 01.01.2021
|
| Обозначение: | 1990-1991 |
| Обозначение англ: | 1990-1991 |
| Статус: | справочные материалы, мп, тпр |
| Название рус.: | Номенклатурный каталог на освоенные и серийно выпускаемые изделия насосостроения на 1990 - 1991 гг |
| Дата добавления в базу: | 21.05.2015 |
| Дата актуализации: | 01.01.2021 |
| Область применения: | В номенклатурном каталоге содержатся сведения о промышленной трубопроводной арматуре общего назначения, изготовляемой заводами СССР. Каталог предназначен для инженерно-технических работников проектно-конструкторских организаций, проектирующих предприятия и установки, на которых применяют трубопроводную арматуру; предприятий эксплуатирующих эту арматуру, а также для работников плановых и сбытовых организаций. |
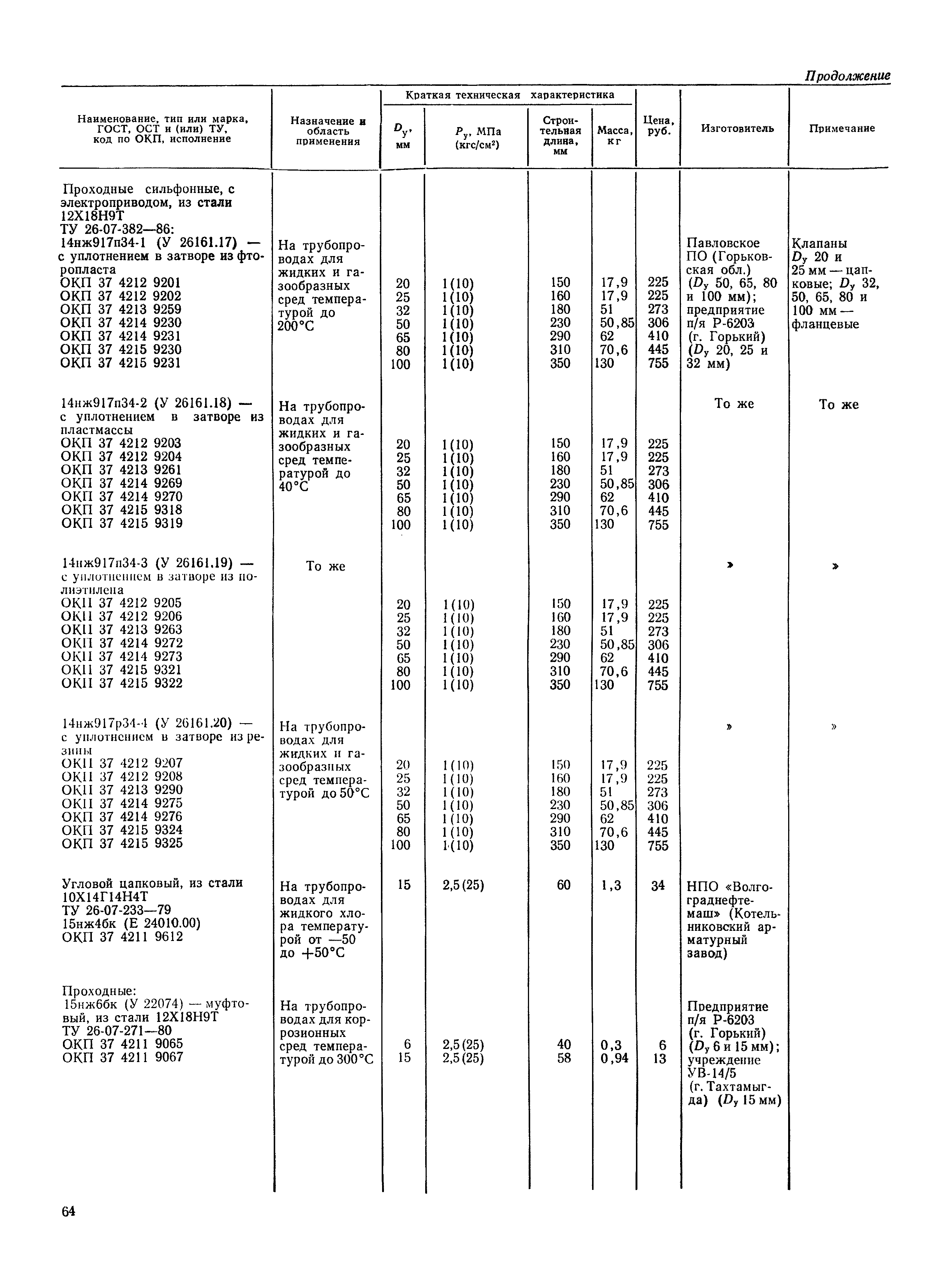
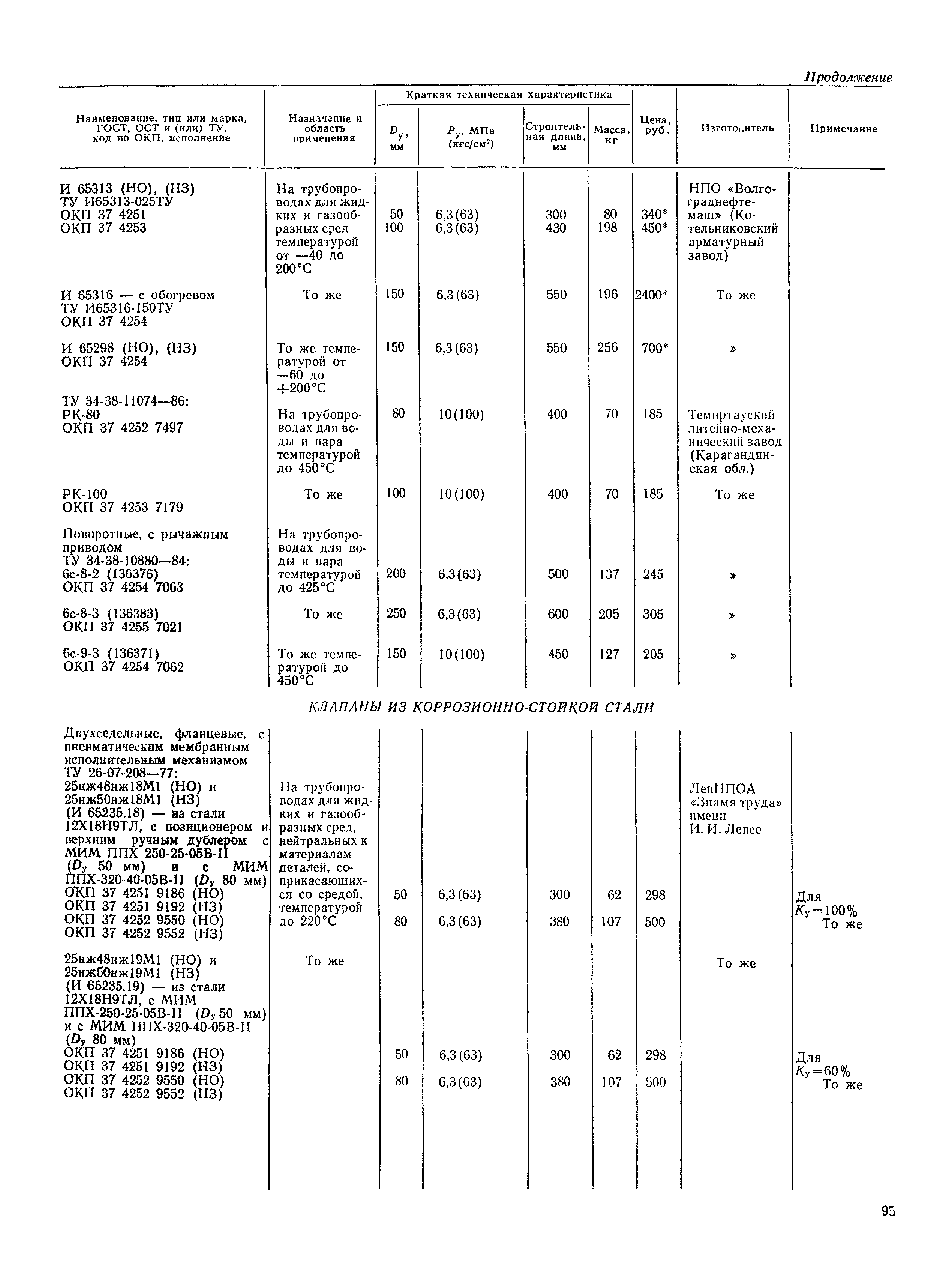
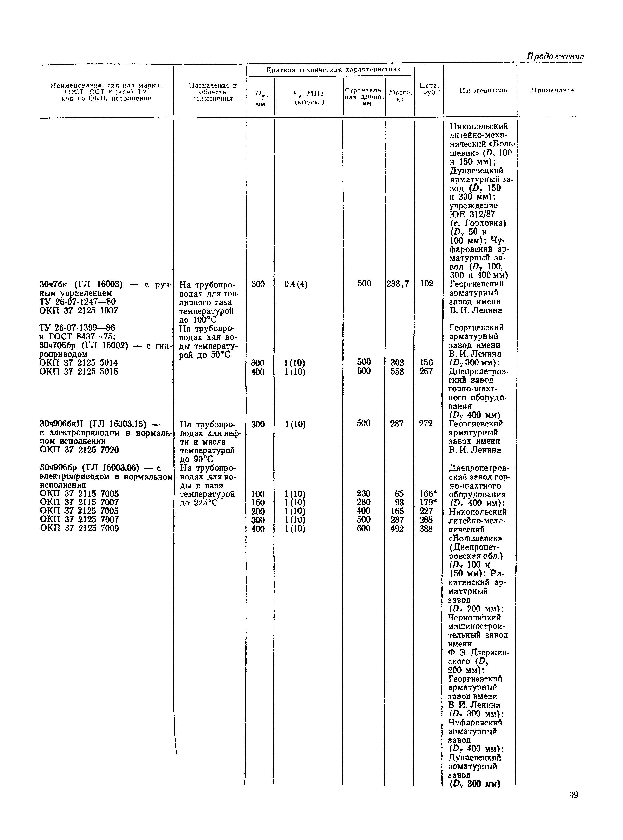
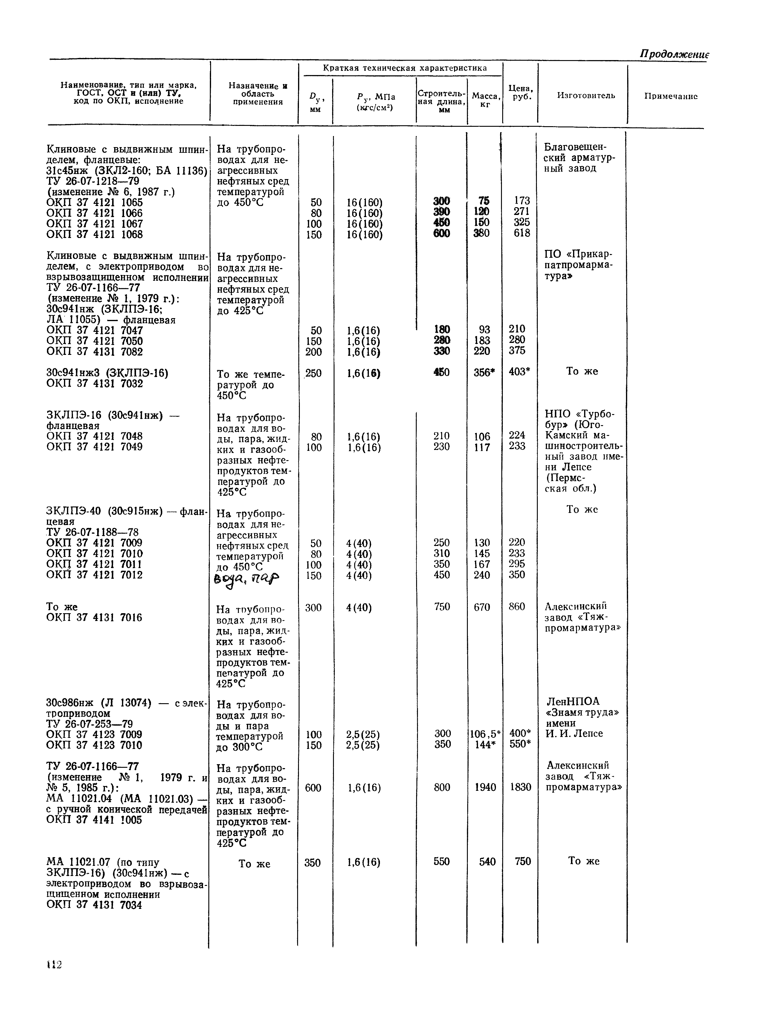
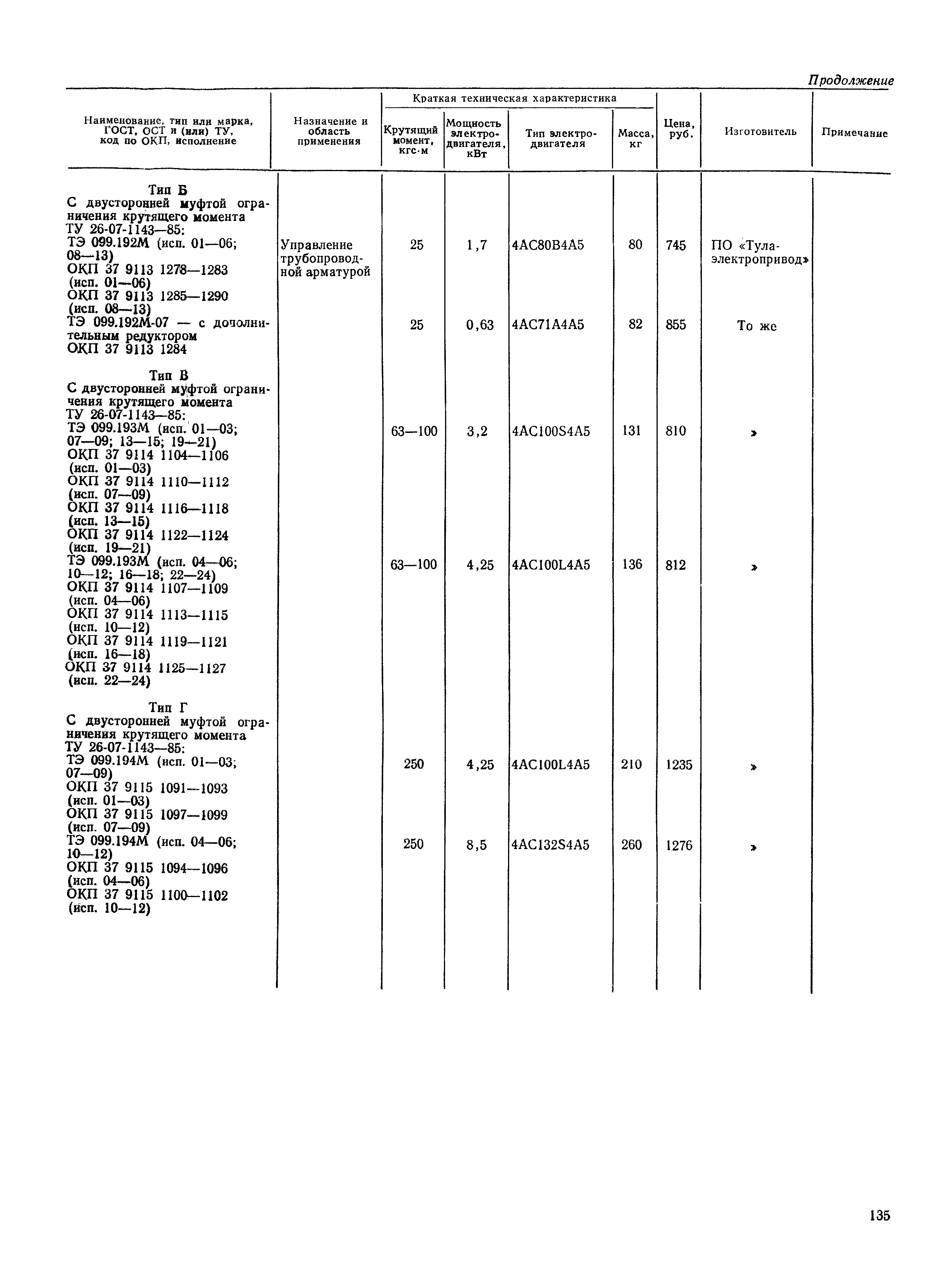
| Оглавление: | Введение Коды предприятий Указатель изделий промышленной трубопроводной арматуры, описанных в "Номенклатурном каталоге" и систематизированных по условным обозначениям Краны Краны из цветных сплавов Краны из титана Краны из серого чугуна Краны из углеродистой стали Краны из коррозионно-стойкой стали Краны из неметаллических материалов Запорные устройства указателей уровня и указатели уровня Запорные устройства указателей уровня из цветных сплавов Запорные устройства указателей уровня из углеродистой и коррозионно-стойкой сталей Указатели уровня из ковкого чугуна Клапаны запорные Клапаны из цветных сплавов Клапаны из титана Клапаны из серого чугуна Клапаны из серого чугуна, футерованные коррозионно-стойкими покрытиями Клапаны из ковкого чугуна Клапаны из углеродистой стали Клапаны из коррозионно-стойкой стали Клапаны из неметаллических материалов Клапаны обратные Клапаны из цветных сплавов Клапаны из титана Клапаны из неметаллических материалов Клапаны из серого чугуна Клапаны из ковкого чугуна Клапаны из углеродистой стали Клапаны из коррозионно-стойкой стали Клапаны предохранительные Клапаны из цветных сплавов Клапаны из серого чугуна Клапаны из углеродистой стали Клапаны из коррозионно-стойкой стали Затворы обратные и клапаны герметические Затворы из цветных сплавов Затворы из титана Затворы из серого чугуна Затворы обратные н клапаны герметические из углеродистой стали Затворы из коррозионно-стойкой стали Регуляторы давления Регуляторы из цветных сплавов Регуляторы из серого чугуна Регуляторы из углеродистой и коррозионно-стойкой сталей Клапаны распределительные Клапаны из ковкого чугуна Клапаны регулирующие Клапаны из цветных сплавов Клапаны из серого чугуна Клапаны из серого чугуна, футерованные коррозионно-стойкими покрытиями Клапаны из углеродистой стали Клапаны из коррозионно-стойкой стали Задвижки Задвижки из цветных сплавов Задвижки и заслонки из серого чугуна Задвижки из ковкого чугуна Задвижки из углеродистой стали Задвижки из коррозионно-стойкой стали Затворы Затворы из цветных сплавов Затворы из титана Затворы из серого чугуна Затворы из ковкого чугуна Затворы из углеродистой и коррозионно-стойкой сталей Задвижки шланговые Задвижки из цветных сплавов Задвижки из серого чугуна Конденсатоотводчики Конденсатоотводчики из серого чугуна Конденсатоотводчики из углеродистой и коррозионно-стойкой сталей Клапаны различного назначения Клапаны из серого чугуна Клапаны и исполнительные пневматические устройства из углеродистой стали Клапан запорный и исполнительные пневматические устройства из углеродистой стали Прочая арматура Блоки арматуры из цветных сплавов Элеваторы из углеродистой стали Затворы из углеродистой и коррозионно-стойкой Электроприводы Электроприводы с планетарным и червячным редукторами Электроприводы нового унифицированного ряда |
| Разработан: | ЦКБА |
| Утверждён: | ЦКБА |








































































































































