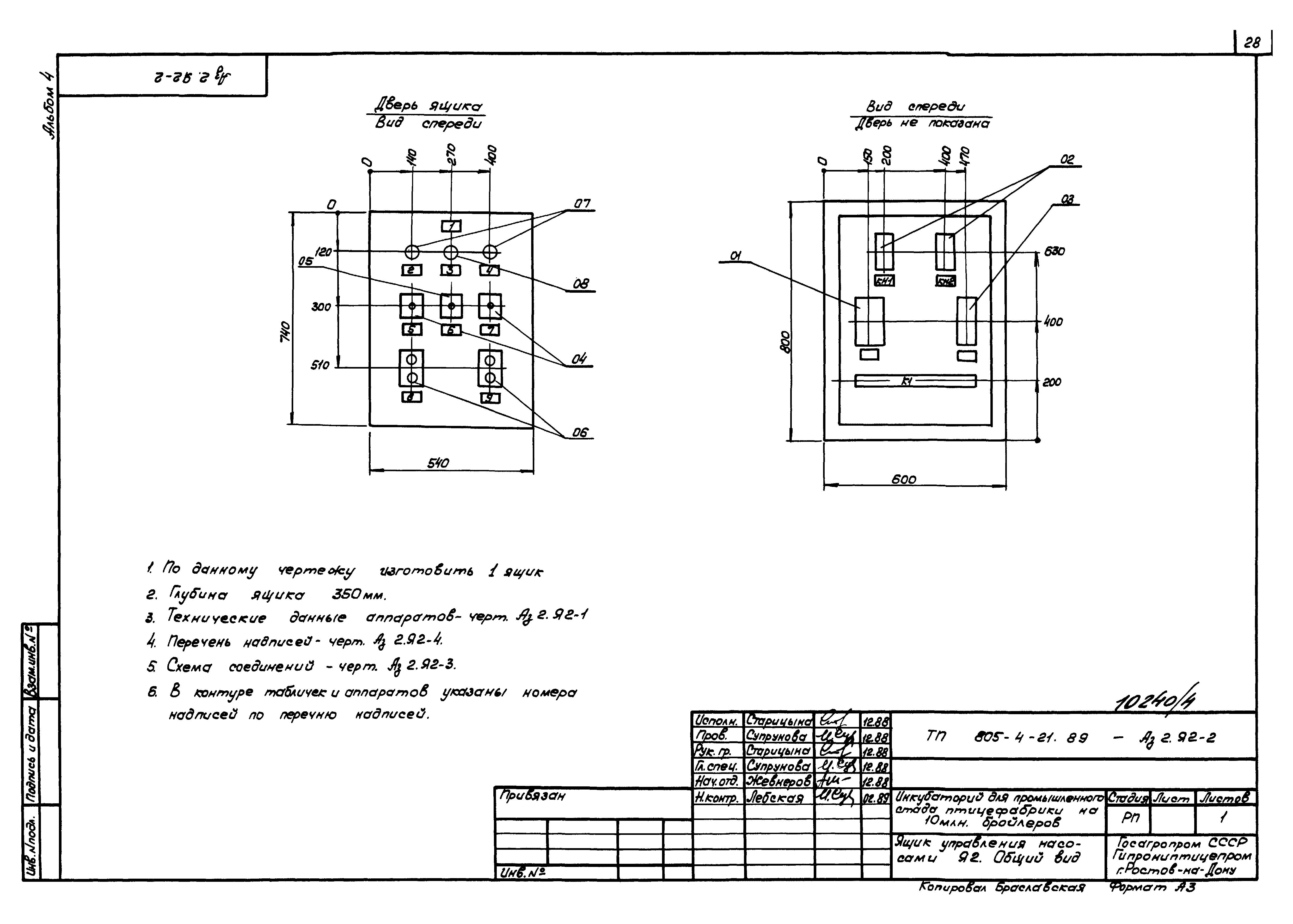
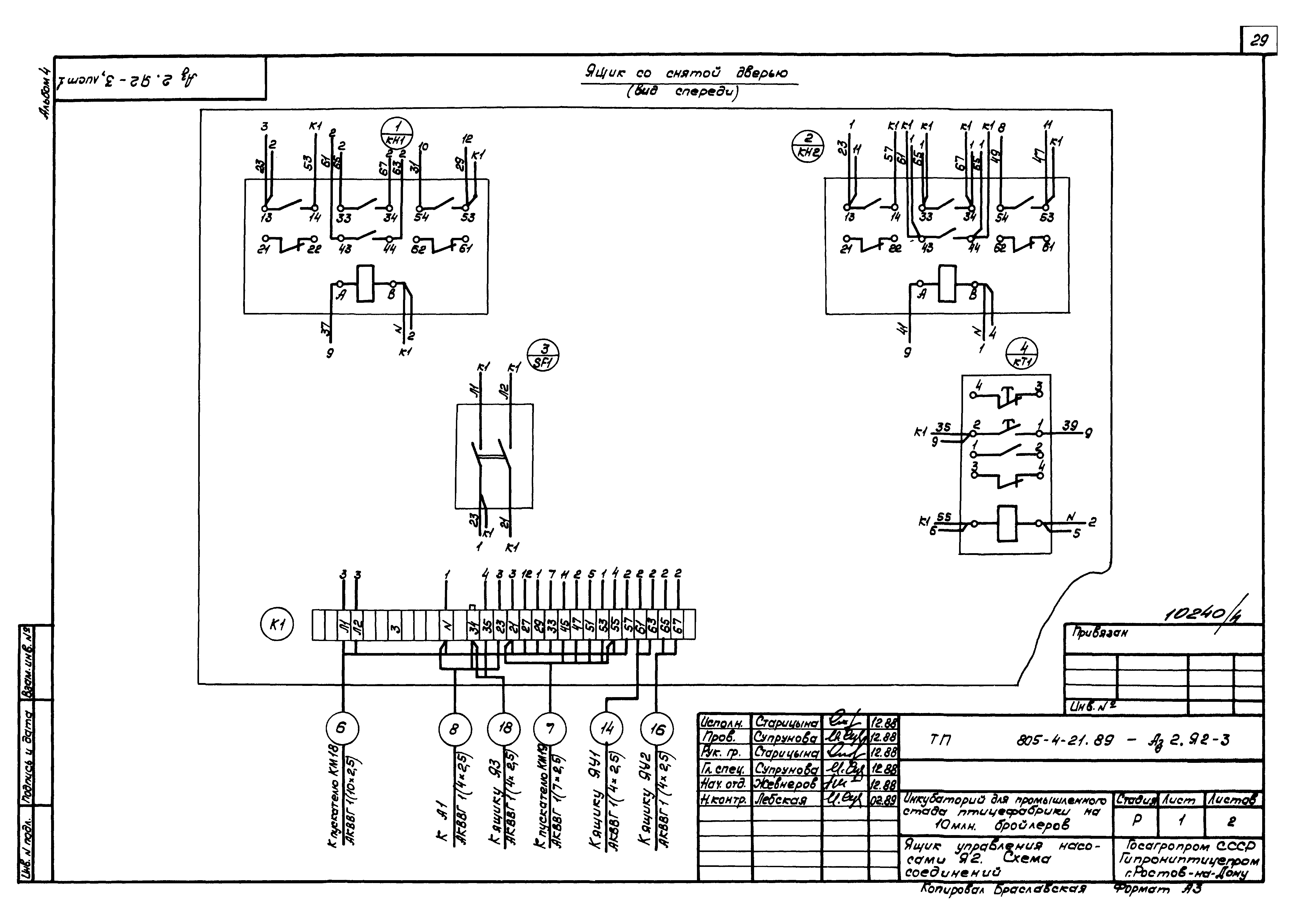
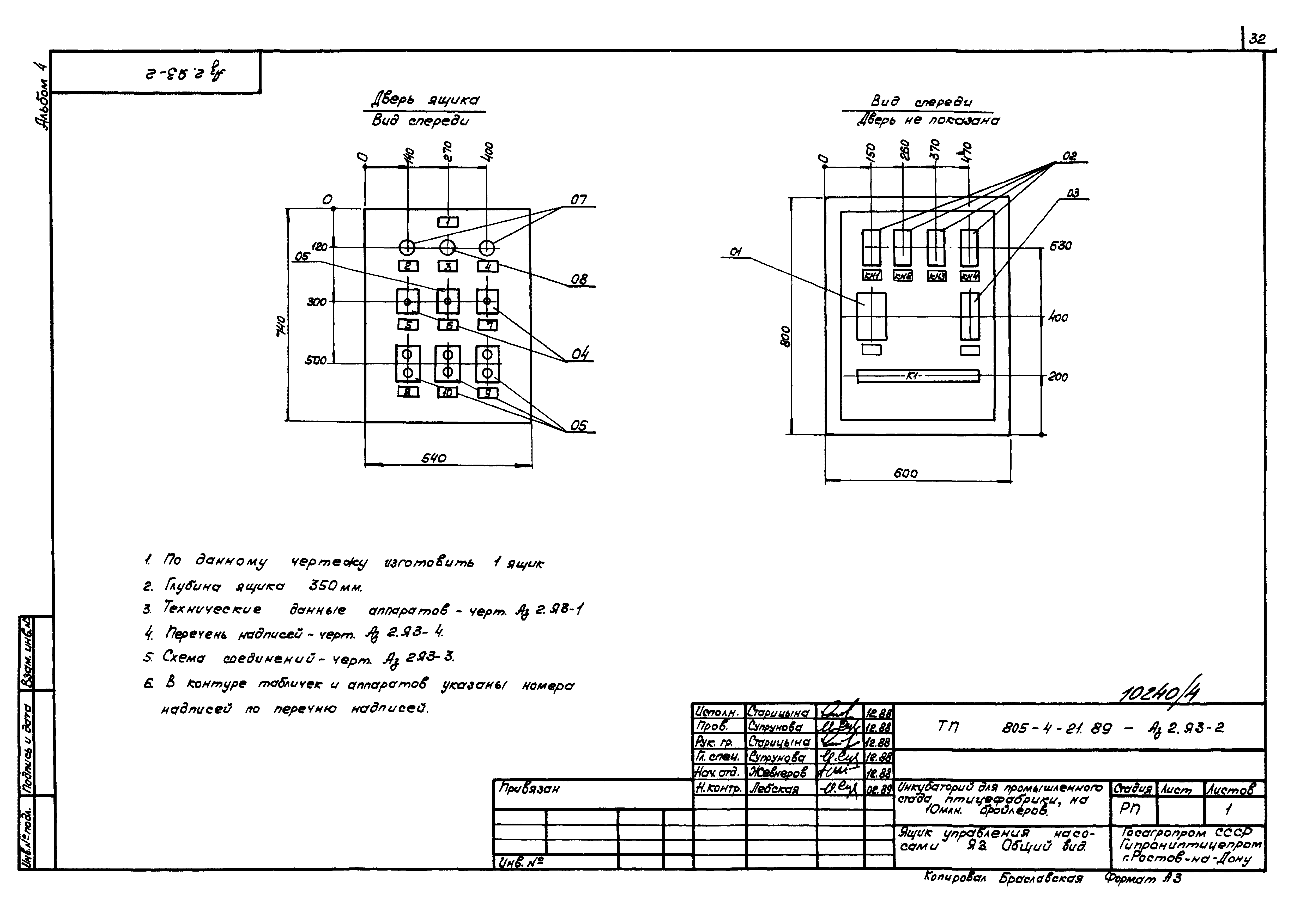
Скачать Типовой проект 805-4-21.89 Альбом 4. Чертежи задания заводу-изготовителю на щиты и шкафы управленияДата актуализации: 01.01.2021
|
| Обозначение: | Типовой проект 805-4-21.89 |
| Обозначение англ: | 805-4-21.89 |
| Статус: | не определен законодательством |
| Название рус.: | Альбом 4. Чертежи задания заводу-изготовителю на щиты и шкафы управления |
| Дата добавления в базу: | 21.05.2015 |
| Дата актуализации: | 01.01.2021 |
| Дата введения: | 09.08.1989 |
| Дата окончания срока действия: | 30.06.2003 |
| Разработан: | Гипрониптицепром |
| Утверждён: | 09.08.1989 Гипрониптицепром (15-ТП) |
| Издан: | ЦИТП Госстроя СССР (CITP, Gosstroy (USSR) 1989 г. ) |



































