Скачать Типовой проект 901-3-235.87 Альбом III. Отстойники и фильтры. Технологическая и санитарно-техническая части (из ТП 901-3-233.87)Дата актуализации: 01.01.2021
|
| Обозначение: | Типовой проект 901-3-235.87 |
| Обозначение англ: | 901-3-235.87 |
| Статус: | не определен законодательством |
| Название рус.: | Альбом III. Отстойники и фильтры. Технологическая и санитарно-техническая части (из ТП 901-3-233.87) |
| Дата добавления в базу: | 21.05.2015 |
| Дата актуализации: | 01.01.2021 |
| Дата введения: | 13.02.1985 |
| Дата окончания срока действия: | 30.06.2003 |
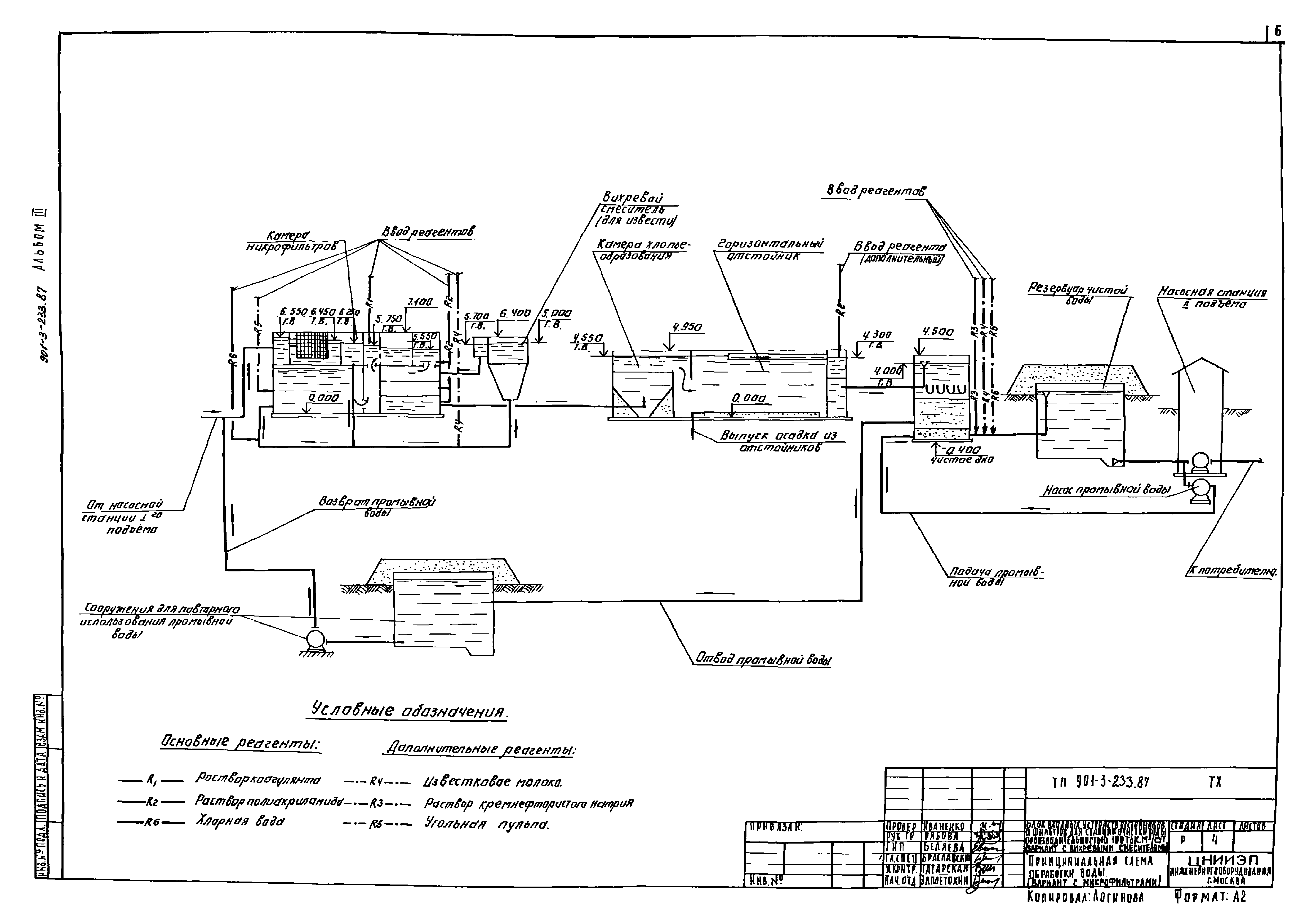
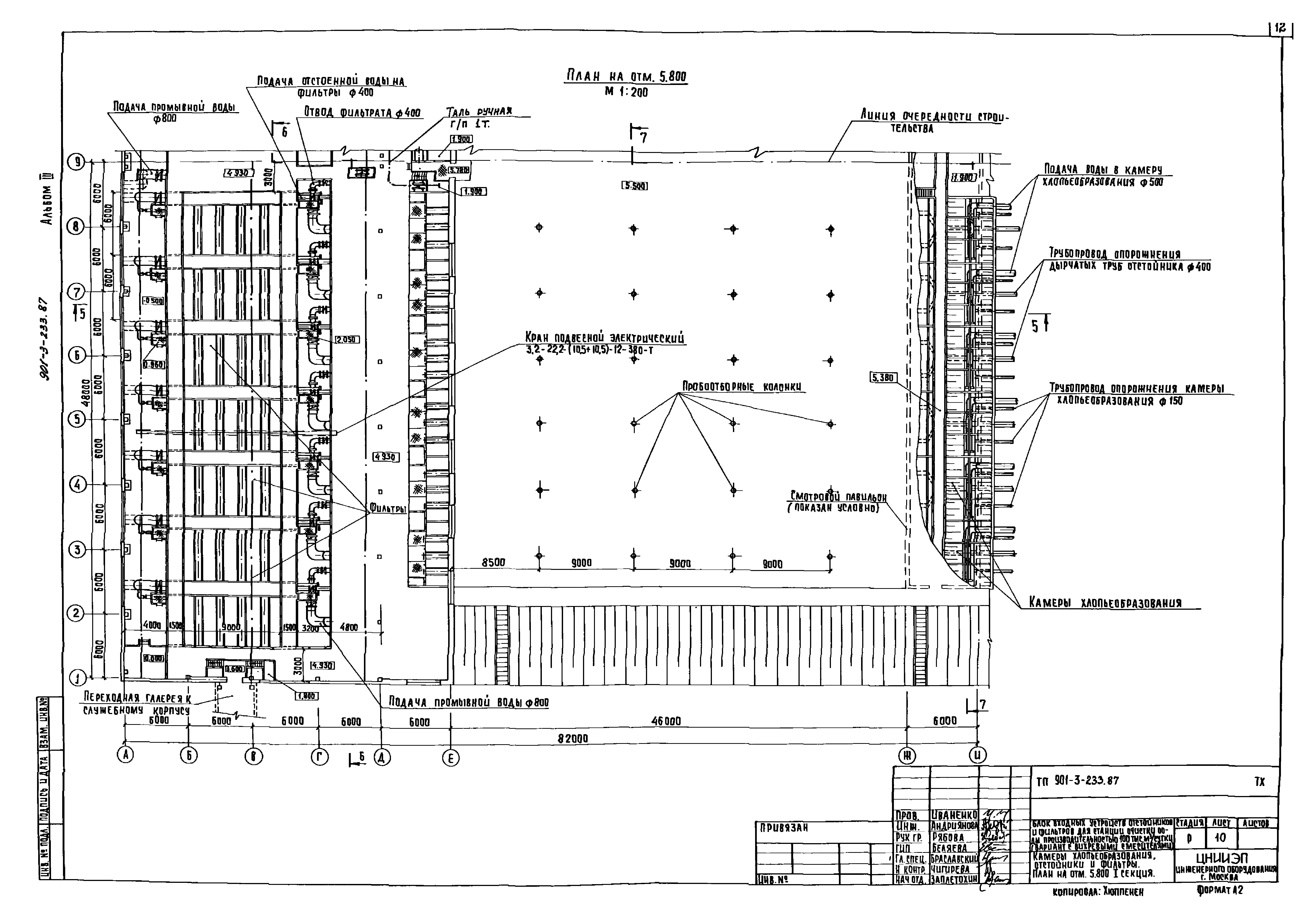
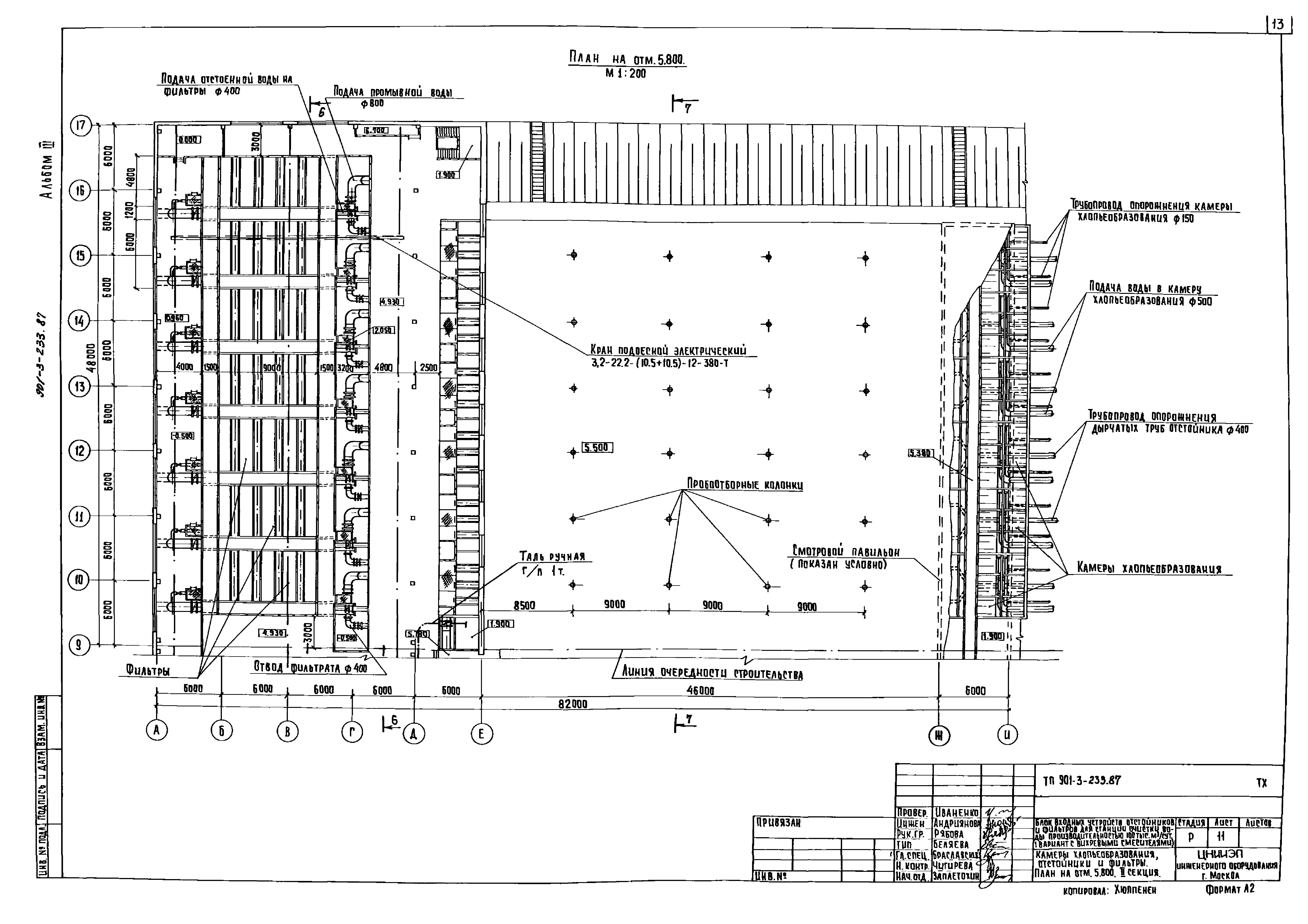
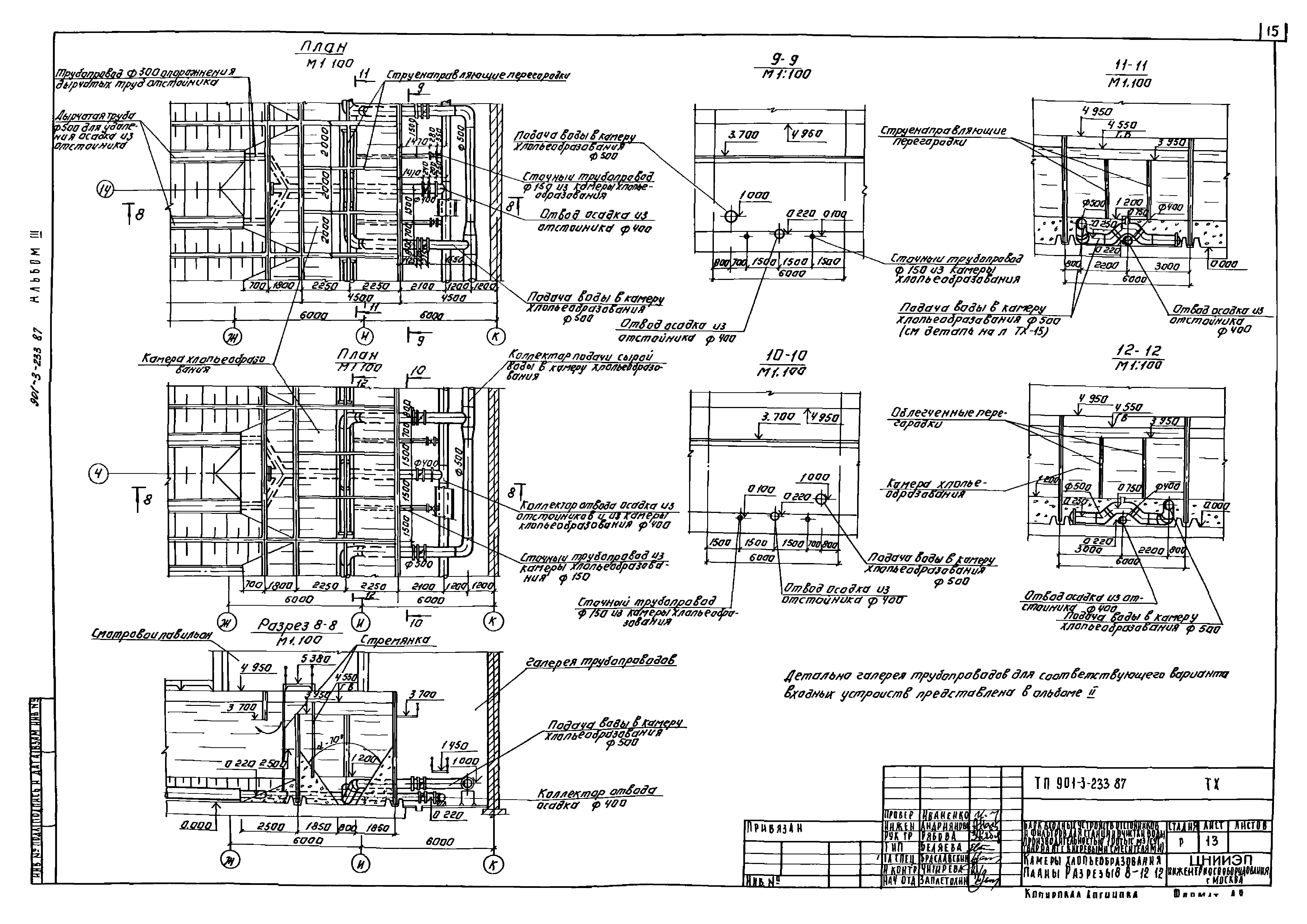
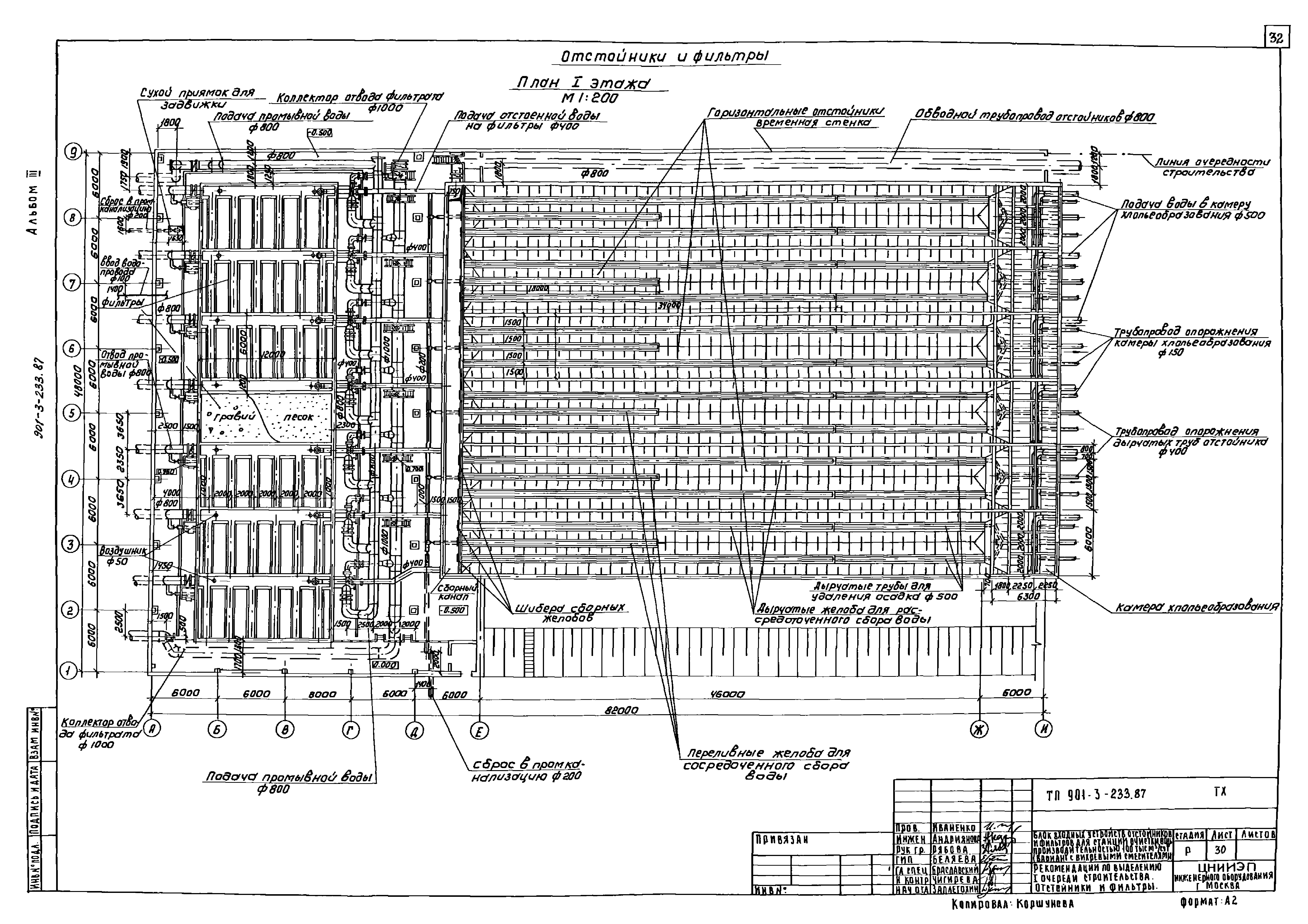
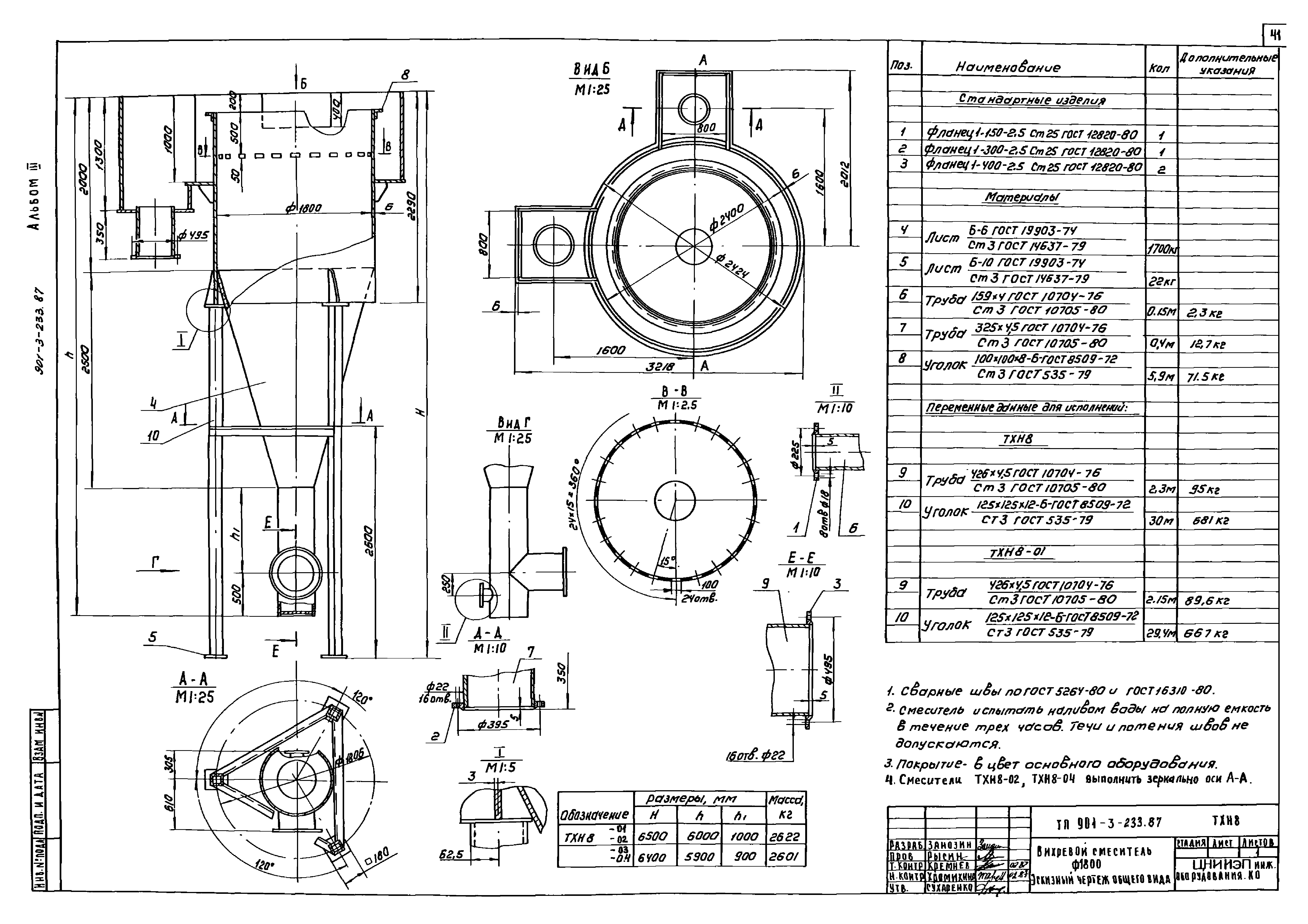
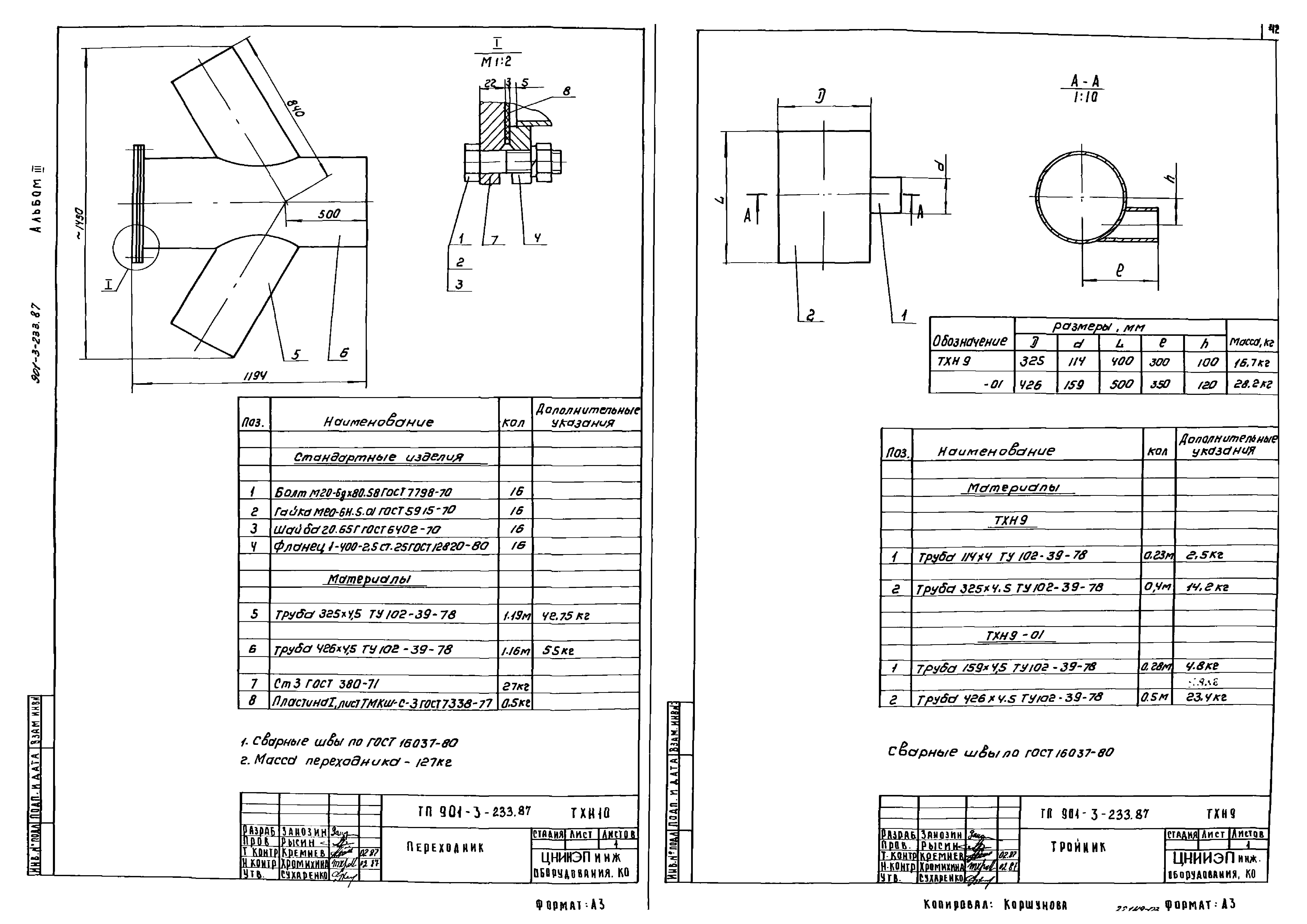
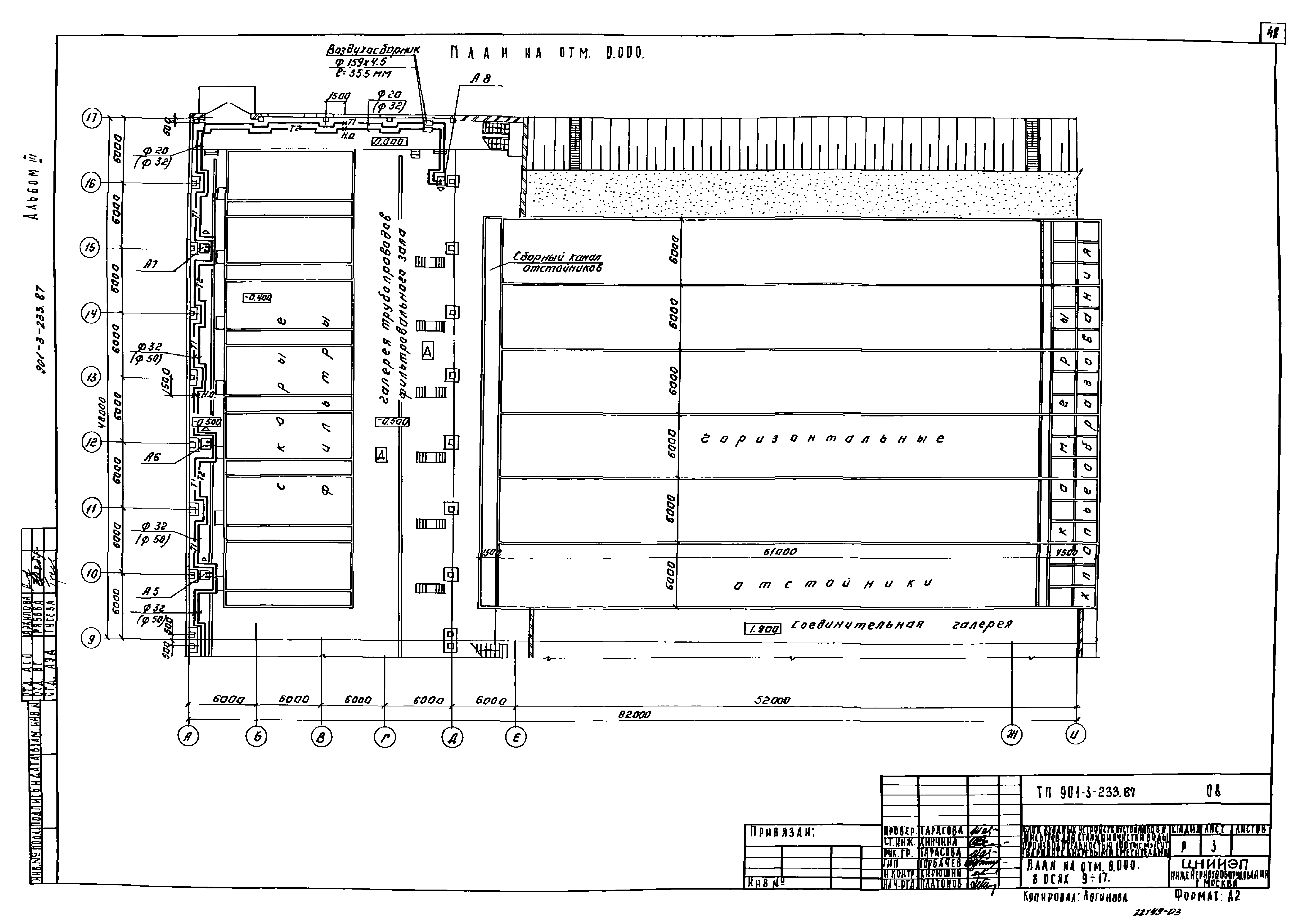
| Оглавление: | ТП 901-3-233.87 Содержание альбома ТП 901-3-233.87-ТХ Технологические решения ТП 901-3-233.87-ТХ-1 Общие данные ТП 901-3-233.87-ТХ-2 Принципиальная схема обработки воды (вариант с вихревыми смесителями) ТП 901-3-233.87-ТХ-3 Принципиальная схема обработки воды (вариант с контактными камерами) ТП 901-3-233.87-ТХ-4 Принципиальная схема обработки воды (вариант с микрофильтрами) ТП 901-3-233.87-ТХ-5 Общеувязочный план блока. Разрезы 1-1 - 4-4 (вариант с вихревыми смесителями) ТП 901-3-233.87-ТХ-6 Общеувязочный план блока. Разрезы 1-1 - 4-4 (вариант с контактными камерами) ТП 901-3-233.87-ТХ-7 Общеувязочный план блока. Разрезы 1-1 - 4-4 (вариант с микрофильтрами) ТП 901-3-233.87-ТХ-8 Камеры хлопьеобразования, отстойники и фильтры. План на отм. 3.500 1 секция ТП 901-3-233.87-ТХ-9 Камеры хлопьеобразования, отстойники и фильтры. План на отм. 3.500 2 секция ТП 901-3-233.87-ТХ-10 Камеры хлопьеобразования, отстойники и фильтры. План на отм. 5.800 1 секция ТП 901-3-233.87-ТХ-11 Камеры хлопьеобразования, отстойники и фильтры. План на отм. 5.800 2 секция ТП 901-3-233.87-ТХ-12 Камеры хлопьеобразования, отстойники и фильтры. Разрезы 5-5;6-6;7-7 ТП 901-3-233.87-ТХ-13 Камеры хлопьеобразования. Планы. Разрезы 8-8 - 12-12 ТП 901-3-233.87-ТХ-14 Отстойник. Планы. Разрезы 13-13 - 15-15 ТП 901-3-233.87-ТХ-15 Камеры хлопьеобразования и отстойники. Детали желобов и труб ТП 901-3-233.87-ТХ-16 Галерея трубопроводов фильтровального зала. План ТП 901-3-233.87-ТХ-17 Фильтры. Разрезы 16-16 - 18-18 ТП 901-3-233.87-ТХ-18 Фильтры. Разрез 19-19. Детали ТП 901-3-233.87-ТХ-19 Отстойники и фильтры. Схемы В,В7,В8,К3,К5 ТП 901-3-233.87-ТХ-20 Отбор проб. Планы. Схемы. Деталь ТП 901-3-233.87-ТХ-21 Отбор проб. Планы. Схемы ТП 901-3-233.87-ТХ-22 Разводка реагентопроводов. Планы. Схемы ТП 901-3-233.87-ТХ-23 Разводка реагентопроводов. Планы. Схемы. Детали ТП 901-3-233.87-ТХ-24 Отстойники и фильтры. Технологический водопровод. Водосток. Планы. Схемы. Разрезы. Детали ТП 901-3-233.87-ТХ-25 Входные устройства. Технологический водопровод. Водосток. Планы. Схемы ТП 901-3-233.87-ТХ-26 Песковое хозяйство в зале фильтров. Планы. Разрезы. Схема ТП 901-3-233.87-ТХ-27 Варианты дренажа фильтров из щелевых полиэтиленовых труб. План. Разрезы 20-20. Деталь ТП 901-3-233.87-ТХ-28 Вариант устройства дренажа фильтров из полимер-бетонных и дырчатых железобетонных плит ТП 901-3-233.87-ТХ-29 Рекомендации по установке тонкослойных модульных блоков в отстойниках ТП 901-3-233.87-ТХ-30 Рекомендации по выделению 1 очереди строительства. Отстойники и фильтры ТП 901-3-233.87-ТХ-31 Рекомендации по выделению 1 очереди строительства. Входные устройства ТП 901-3-233.87-ТХ-32 Рекомендуемое решение наружной песковой площадки. План. Разрезы. Детали ТП 901-3-233.87-ТХ-33 Регулятор уровня ТП 901-3-233.87-ТХН Нетиповое оборудование ТП 901-3-233.87-ТХН-1 Шибер для желобов рассредоточенного сбора воды 450х500. Эскизный чертеж общего вида ТП 901-3-233.87-ТХН-2 Шибер для желобов сосредоточенного сбора воды 550х600. Эскизный чертеж общего вида ТП 901-3-233.87-ТХН-3 Коллектор сборно-распределительный. Эскизный чертеж общего вида ТП 901-3-233.87-ТХН-4 Быстроразъемное соединение труб Ду65 "Шланг-шланг". Эскизный чертеж общего вида ТП 901-3-233.87-ТХН-5 Быстроразъемное соединение труб Ду65 "Шланг-труба". Эскизный чертеж общего вида ТП 901-3-233.87-ТХН-6 Перегородка дырчатая для варианта с контактными камерами. Эскизный чертеж общего вида ТП 901-3-233.87-ТХН-7 Перегородка дырчатая для варианта с микрофильтрами. Эскизный чертеж общего вида ТП 901-3-233.87-ТХН-8 Вихревой смеситель ф1800. Эскизный чертеж общего вида ТП 901-3-233.87-ТХН-9 Тройник. Эскизный чертеж общего вида ТП 901-3-233.87-ТХН-10 Переходник. Эскизный чертеж общего вида ТП 901-3-233.87-ТХН-11 Воронка. Эскизный чертеж общего вида ТП 901-3-233.87-ТХН-12 Крестовина. Эскизный чертеж общего вида ТП 901-3-233.87-ТХН-13 Распределитель дырчатый раствора коагулянта. Эскизный чертеж общего вида ТП 901-3-233.87-ТХН-14 Распределитель струйный известкого молока. Эскизный чертеж общего вида ТП 901-3-233.87-ОВ Отопление и вентиляция ТП 901-3-233.87-ОВ-1 Общие данные ТП 901-3-233.87-ОВ-2 План на отм. 0.000 в осях 1-9 ТП 901-3-233.87-ОВ-3 План на отм. 0.000 в осях 9-17 ТП 901-3-233.87-ОВ-4 План на отм. 4.930 в осях 1-9 ТП 901-3-233.87-ОВ-5 План на отм. 4.930 в осях 9-17 ТП 901-3-233.87-ОВ-6 Узел управления. Схема системы отопления. Схемы вентиляции ВЕ 1-5 ТП 901-3-233.87-ОВ-7 Схема системы отопления. Схемы вентиляции ВЕ 6-10 ТП 901-3-233.87-ОВН Прилагаемые документы ТП 901-3-233.87-ОВН-1 Тепловая изоляция |
| Разработан: | ЦНИИЭП инженерного оборудования |
| Утверждён: | 13.02.1985 Госгражданстрой (Gosgrazhdanstroy 43) |
| Заменяет собой: |
|






















































