Скачать Типовой проект 901-3-235.87 Альбом VI. Часть 1. Строительные изделия. Отстойники и фильтры (из ТП 901-3-233.87)Дата актуализации: 01.01.2021
|
| Обозначение: | Типовой проект 901-3-235.87 |
| Обозначение англ: | 901-3-235.87 |
| Статус: | не определен законодательством |
| Название рус.: | Альбом VI. Часть 1. Строительные изделия. Отстойники и фильтры (из ТП 901-3-233.87) |
| Дата добавления в базу: | 21.05.2015 |
| Дата актуализации: | 01.01.2021 |
| Дата введения: | 13.02.1985 |
| Дата окончания срока действия: | 30.06.2003 |
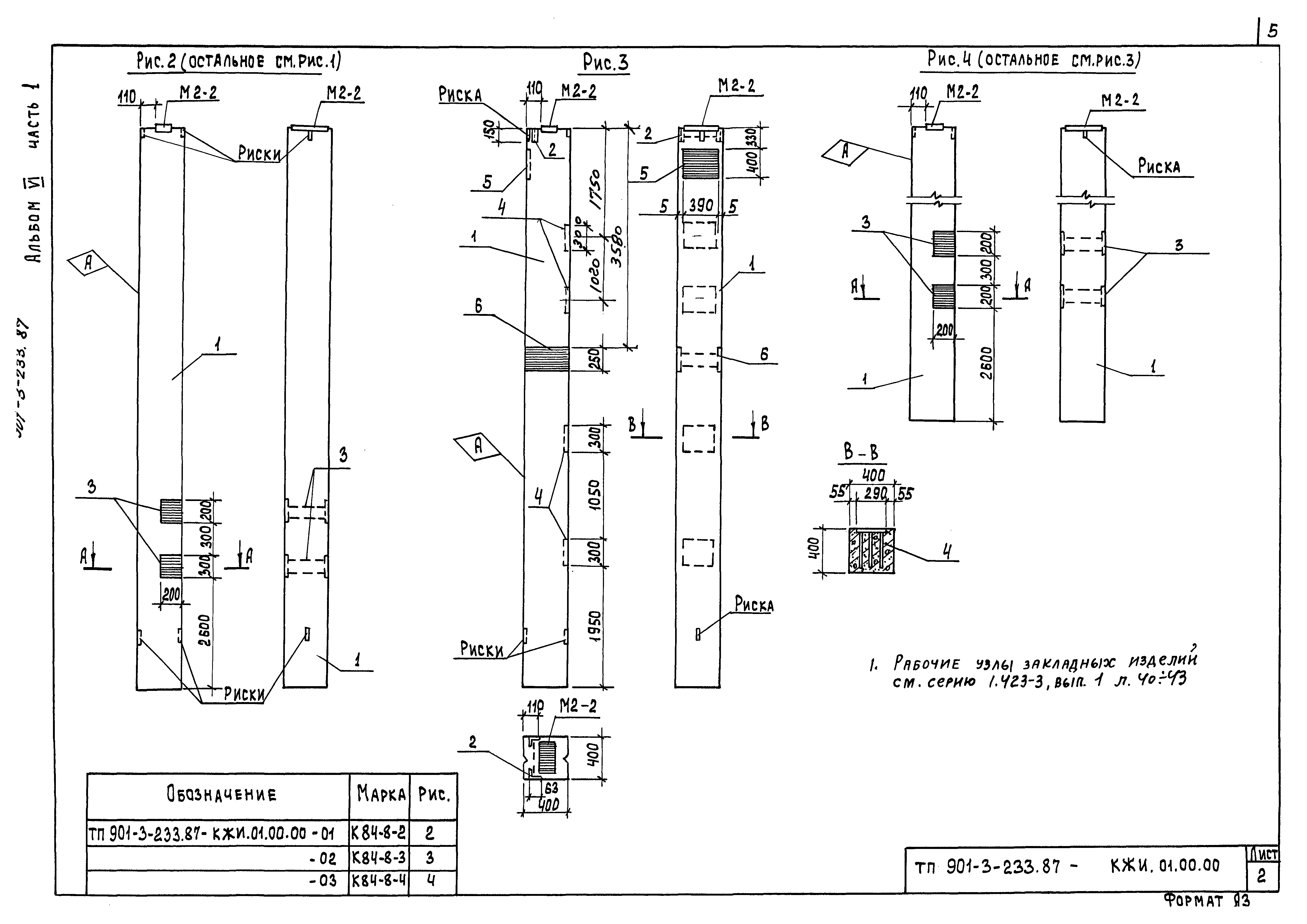
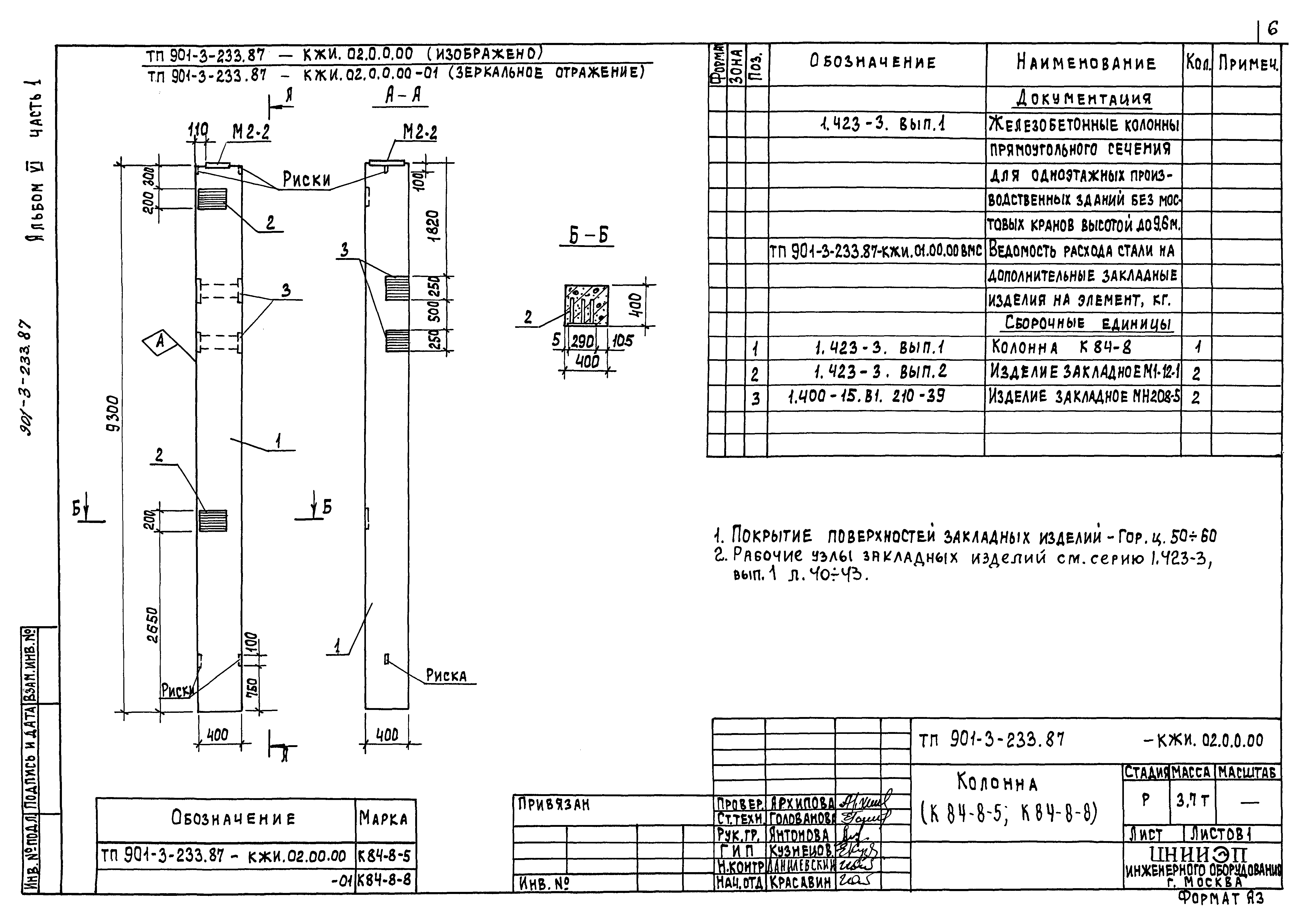
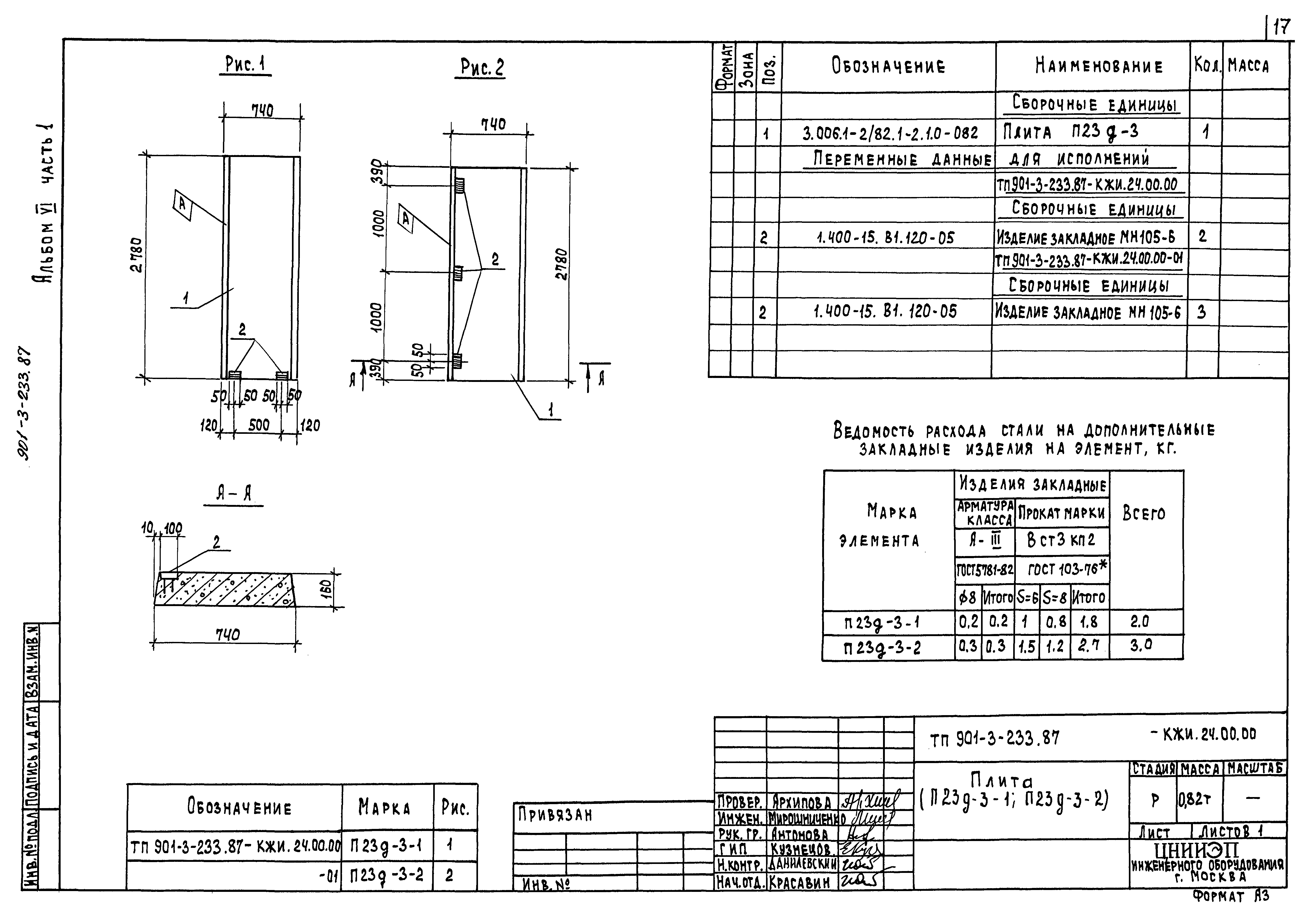
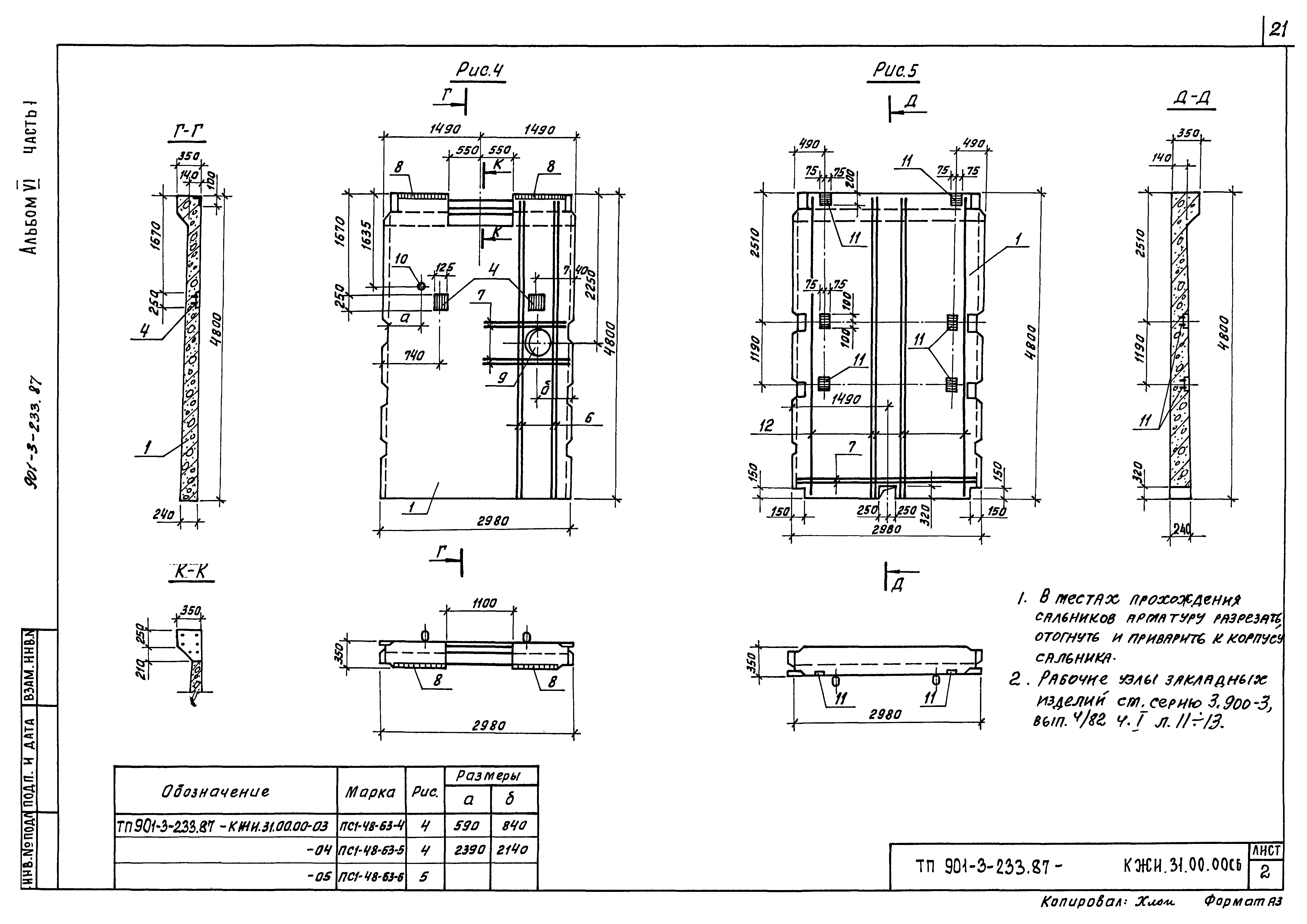
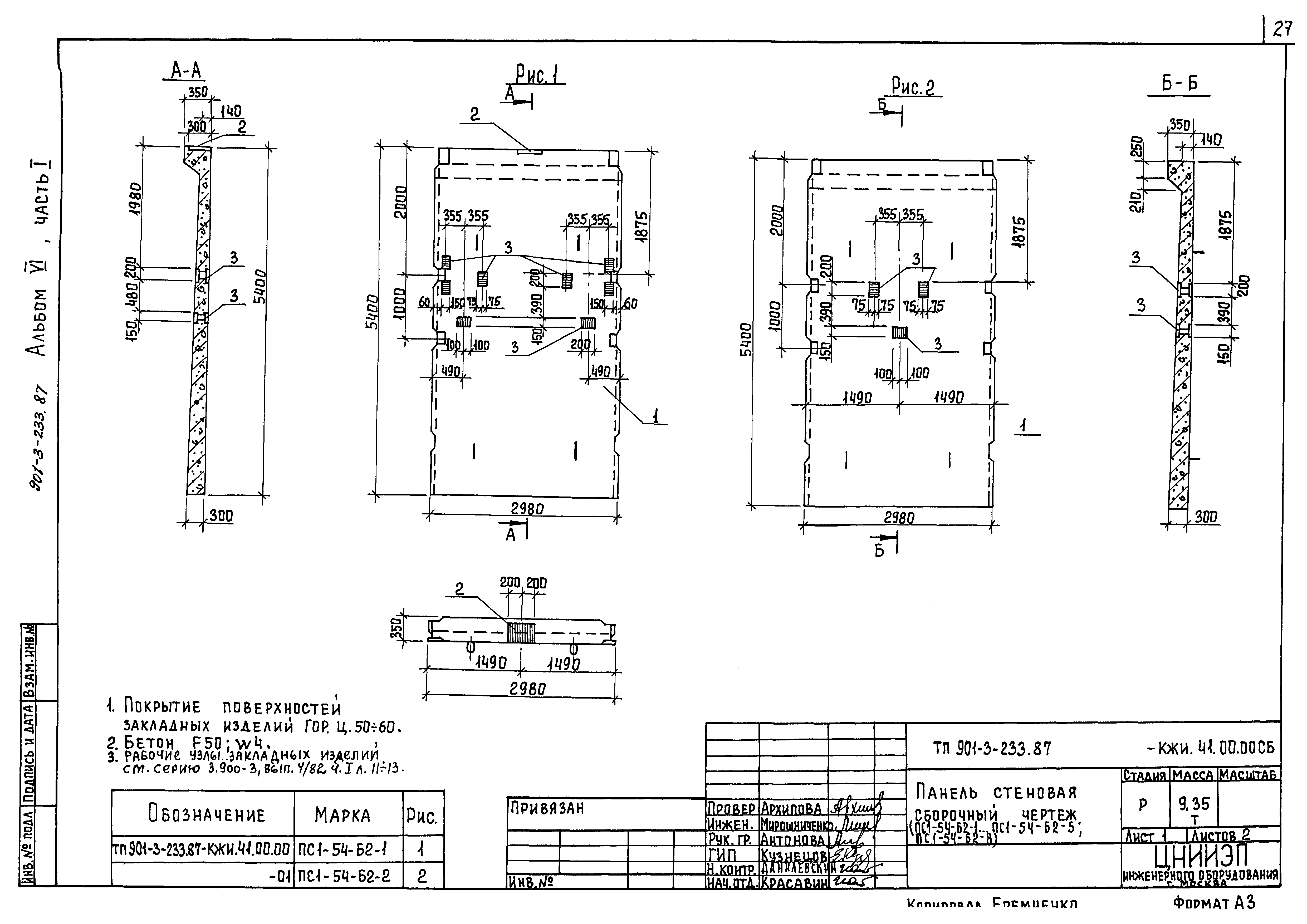
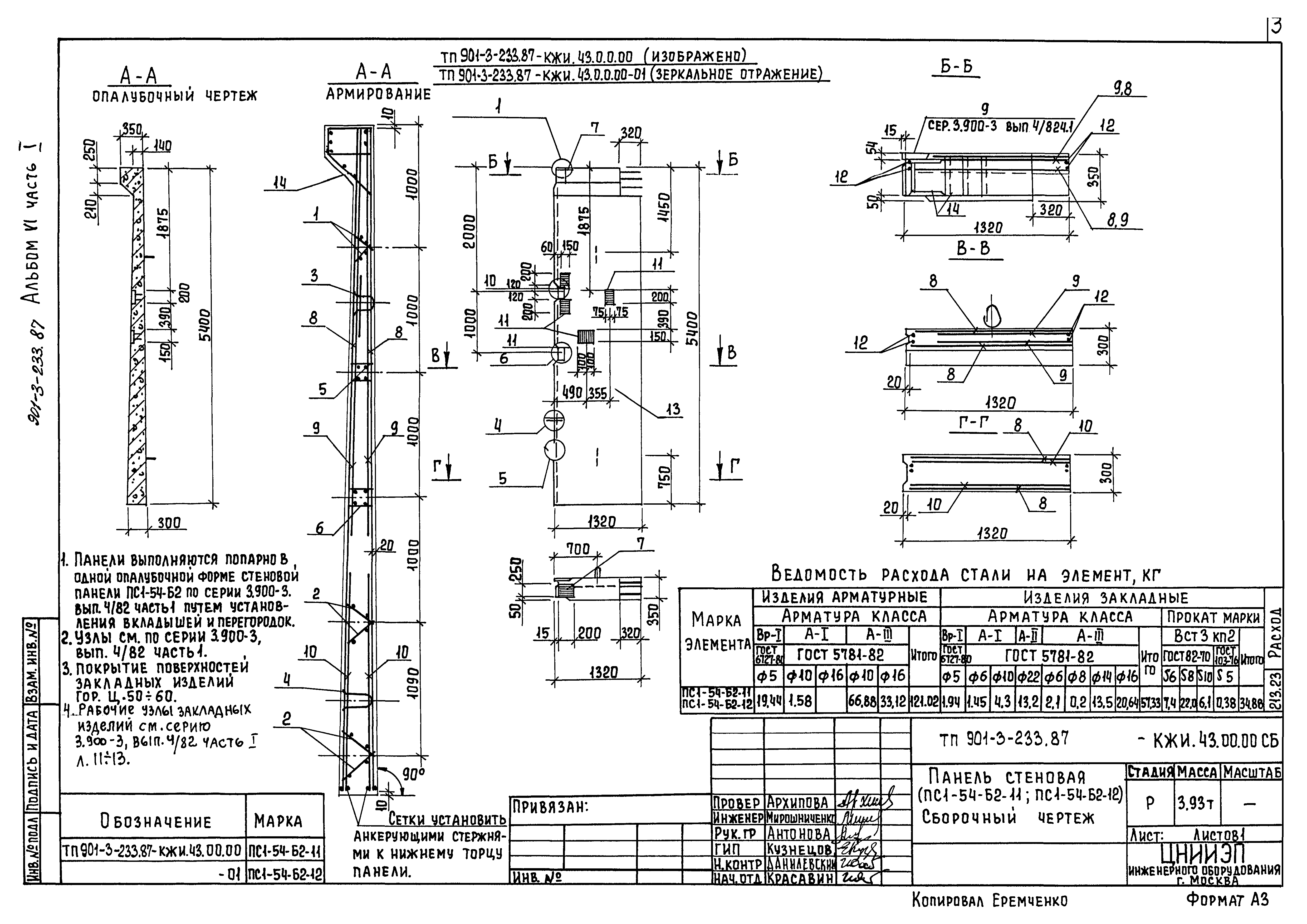
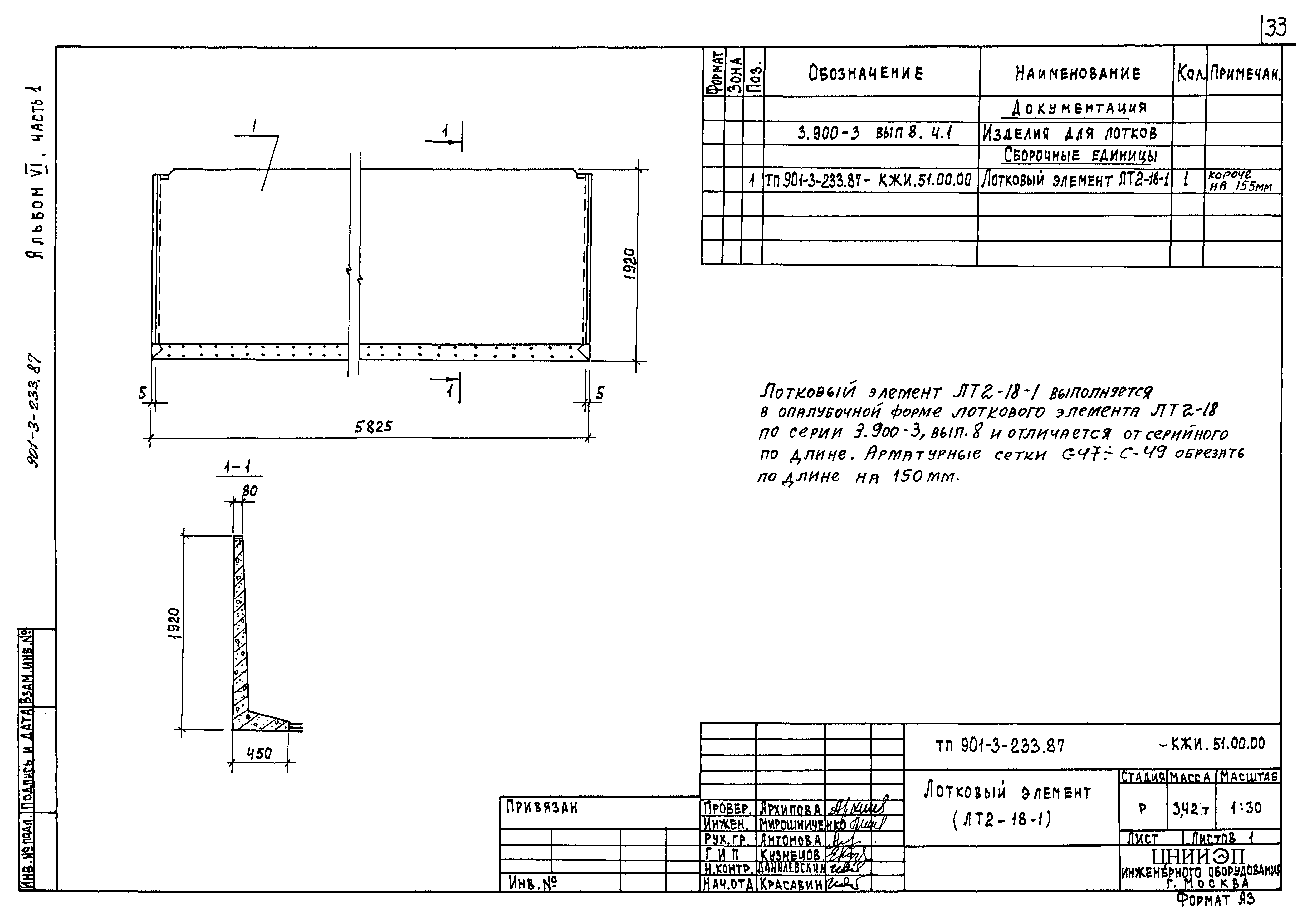
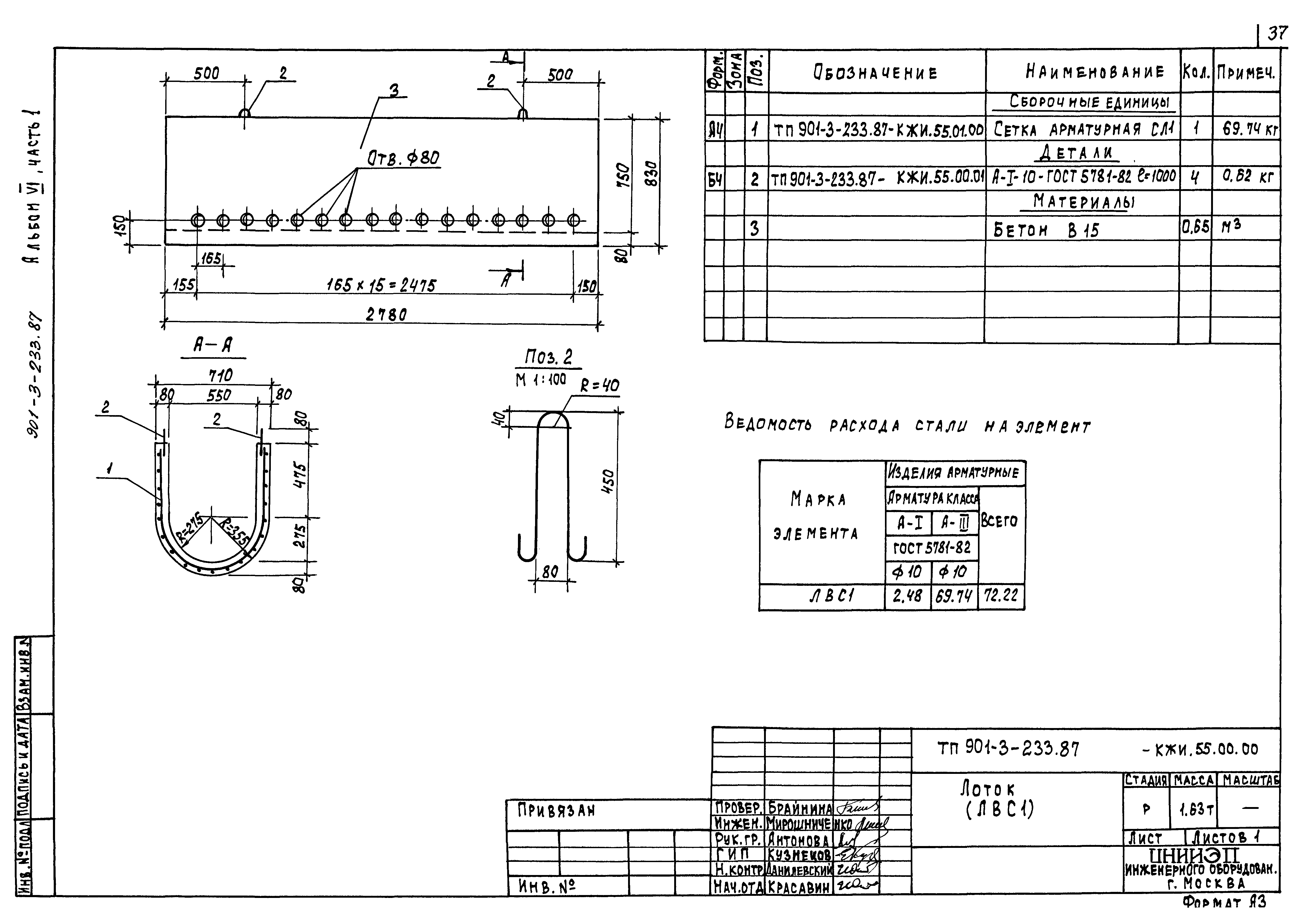
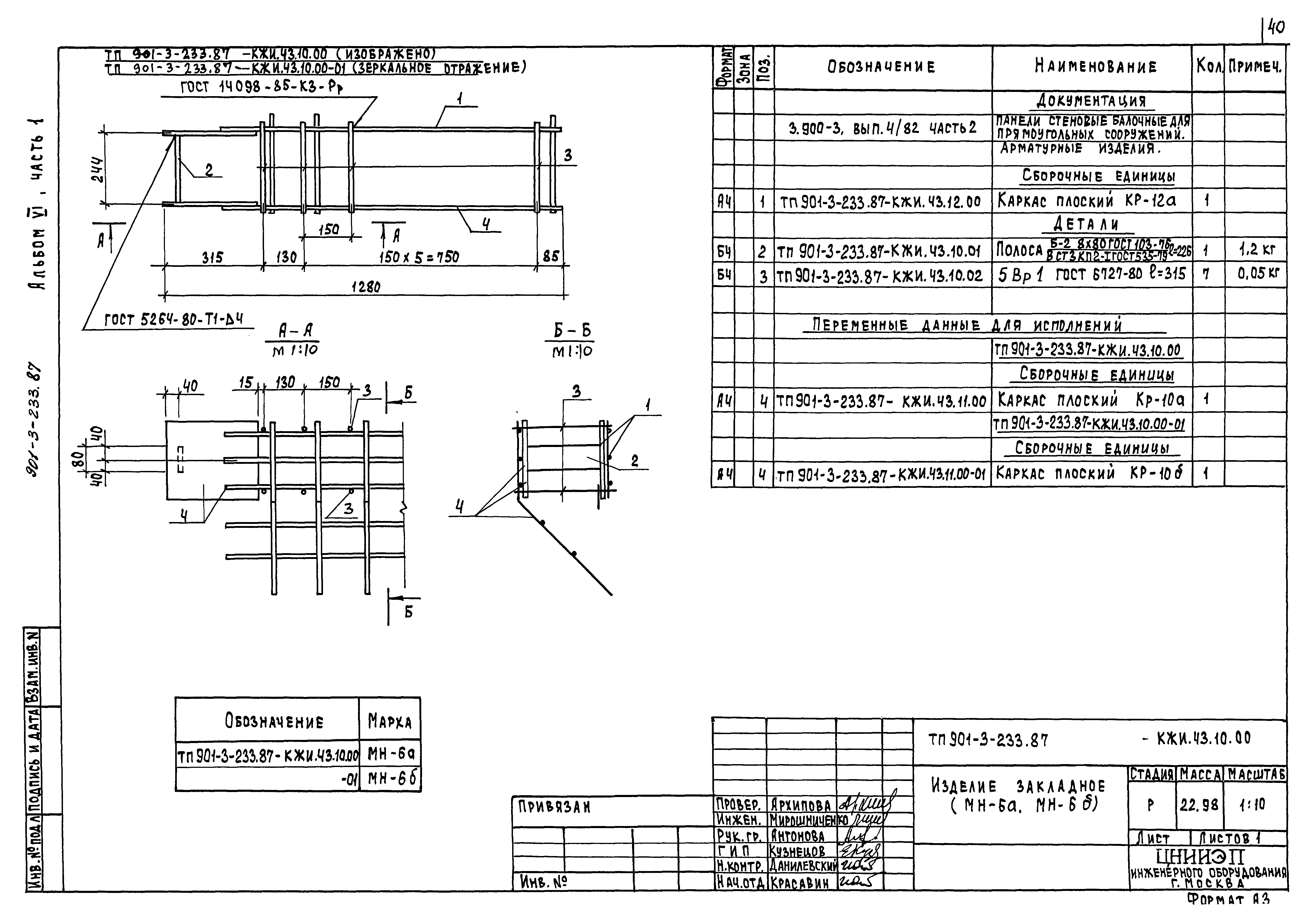
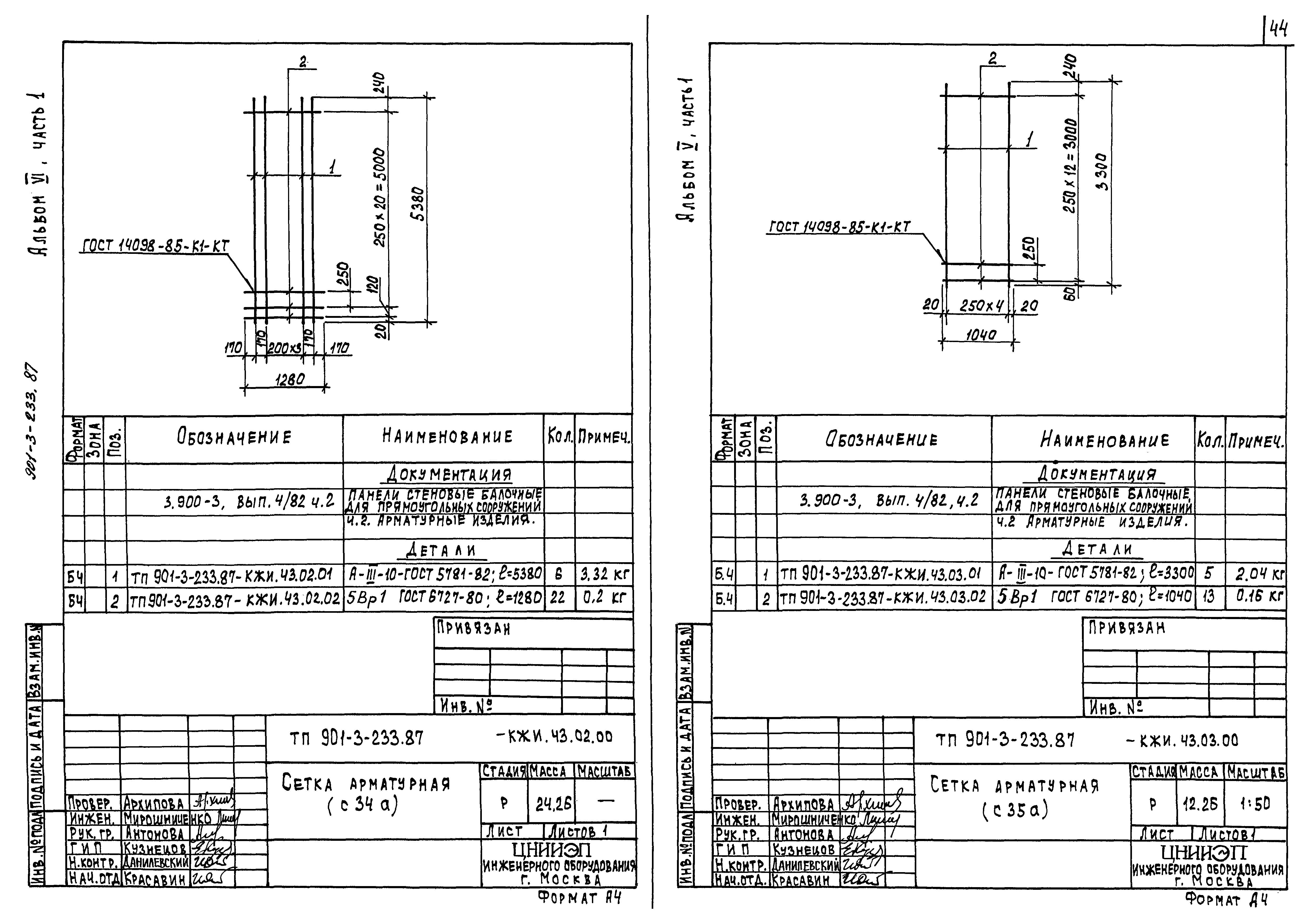
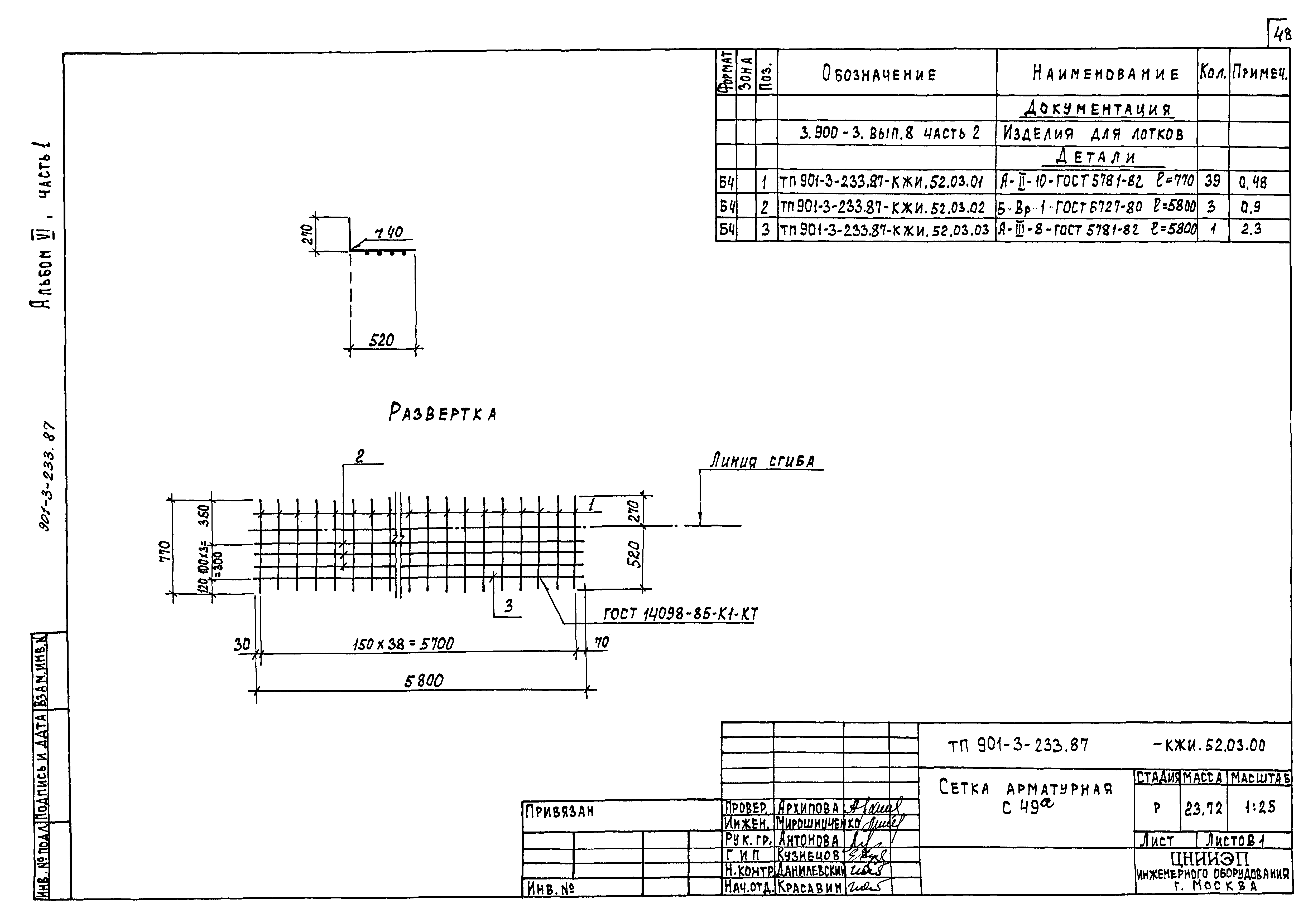
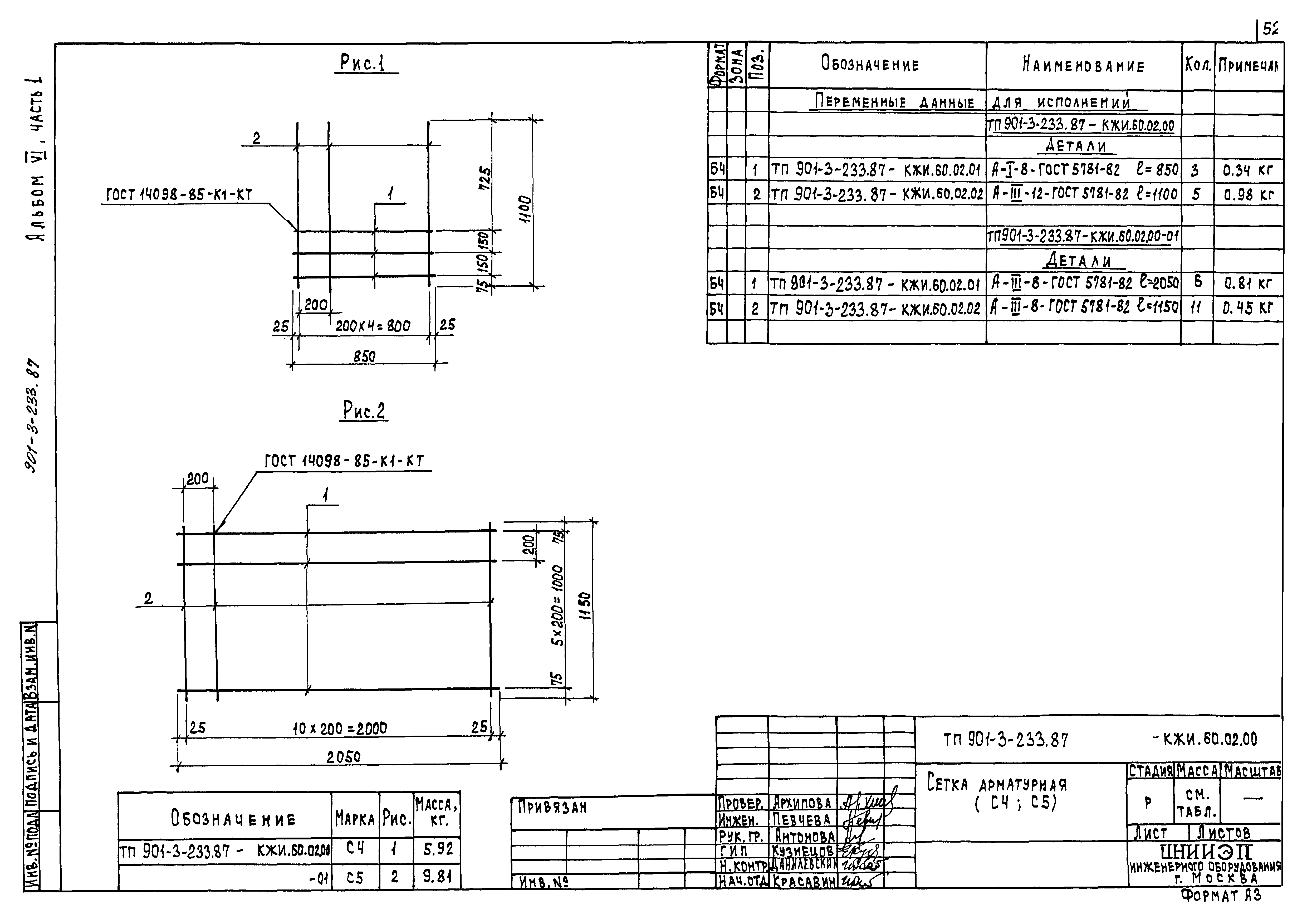
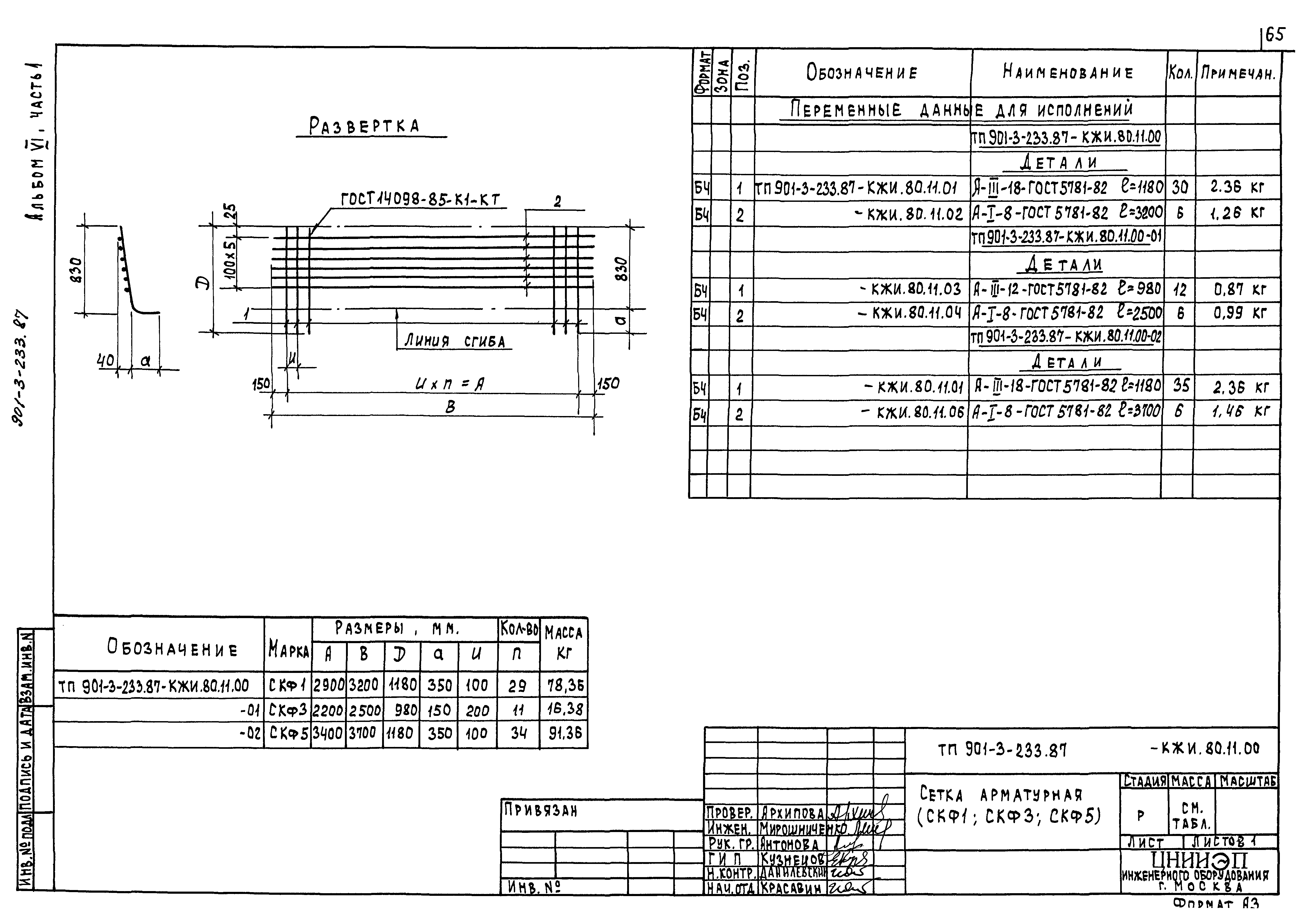
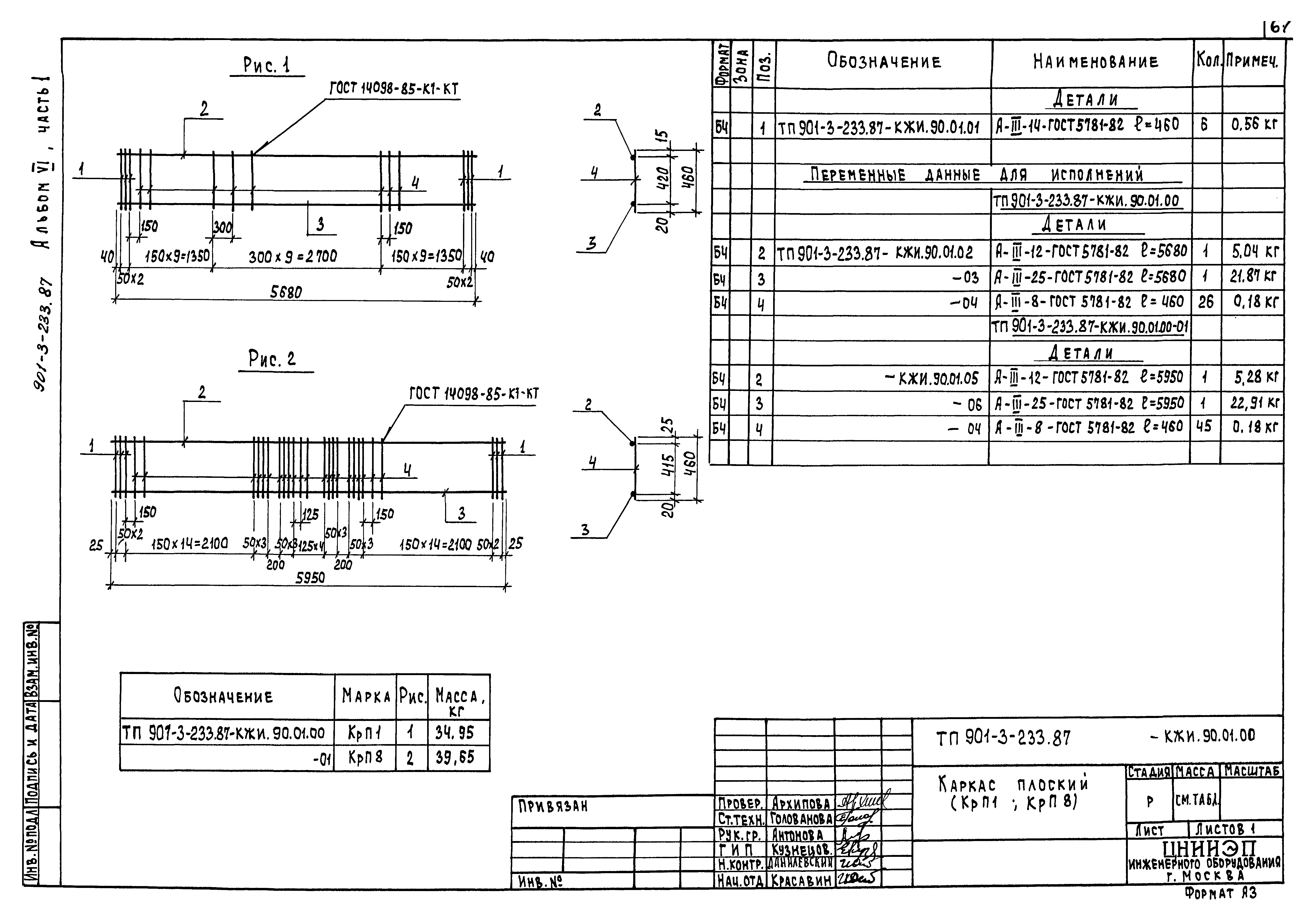
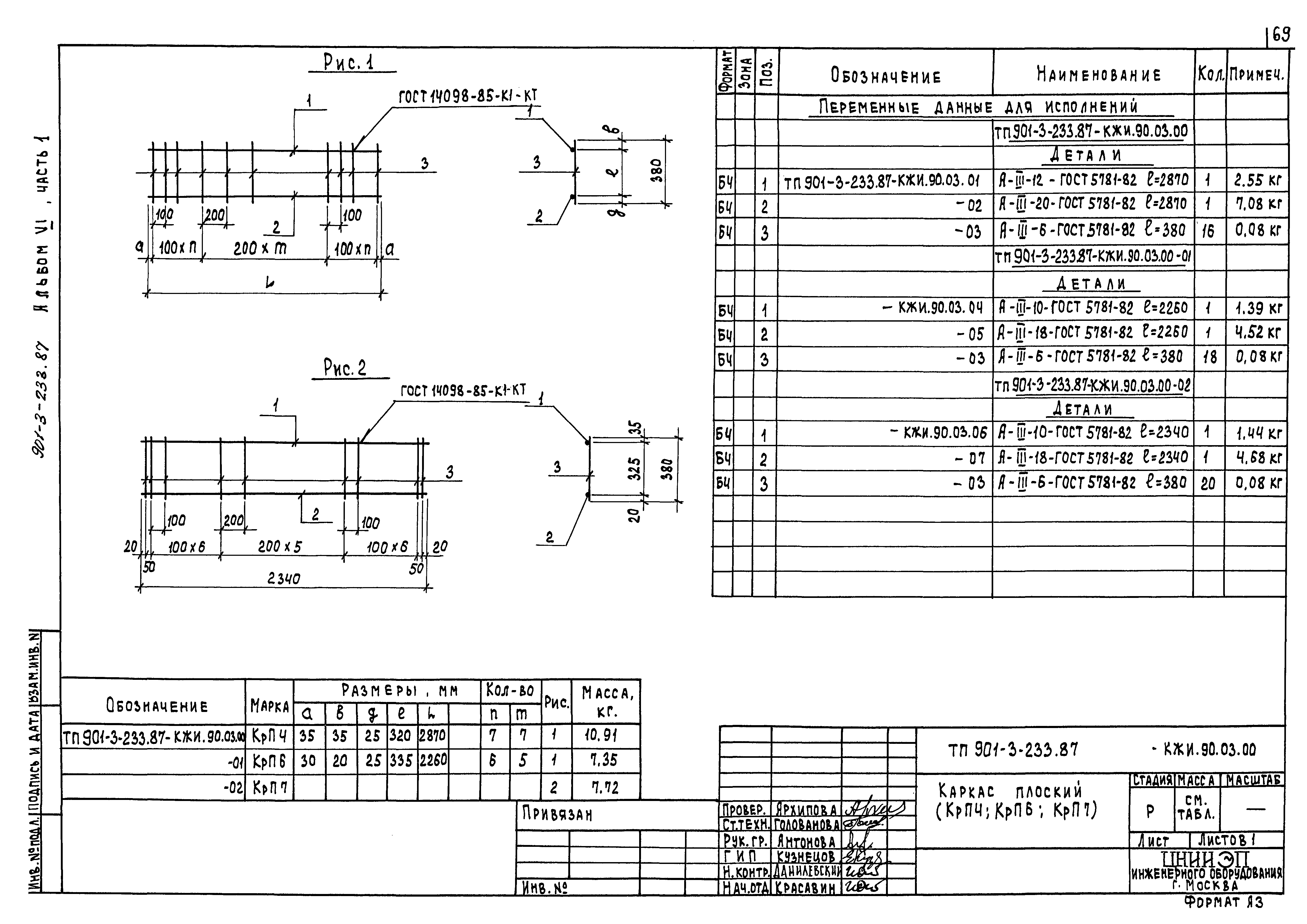
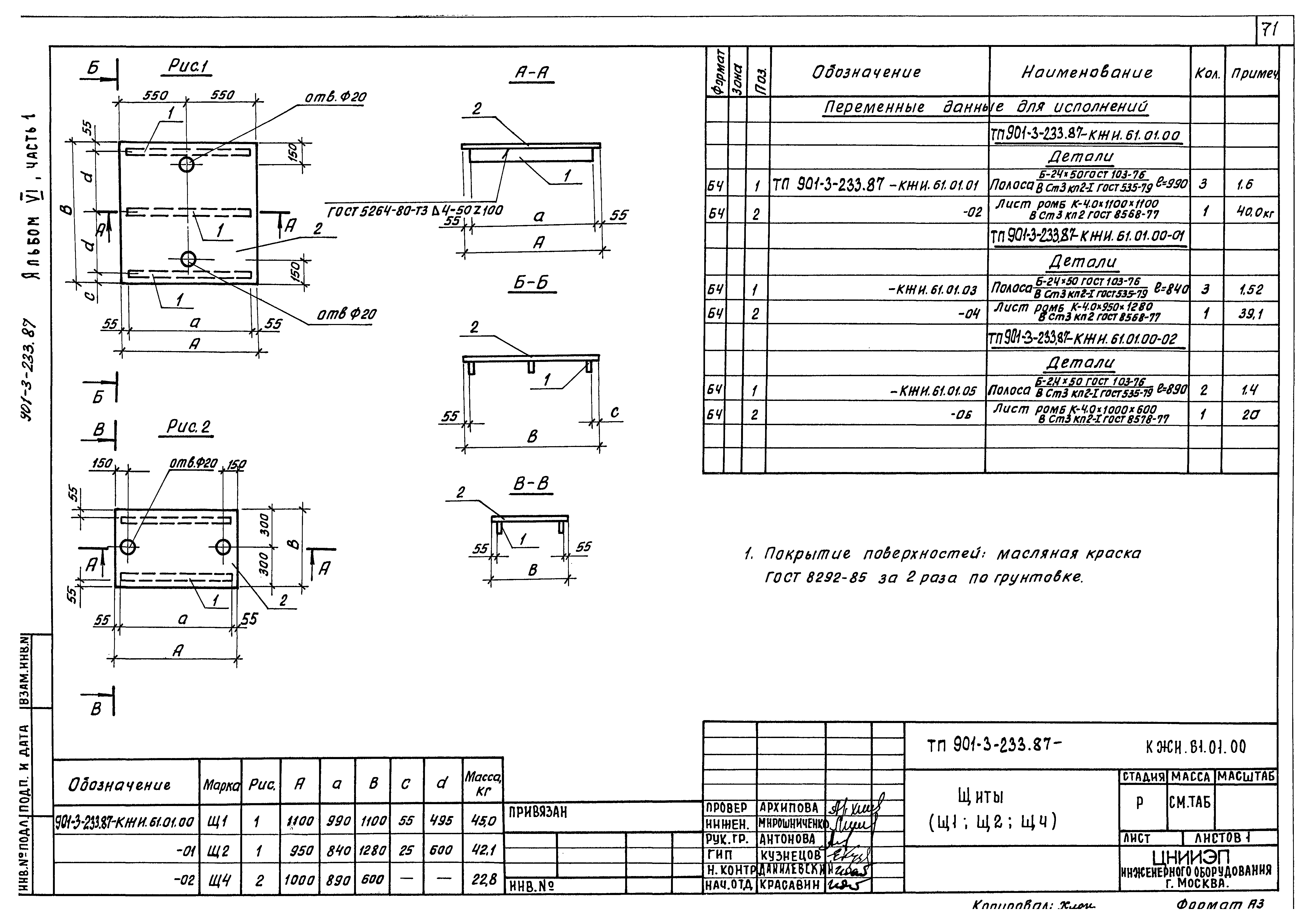
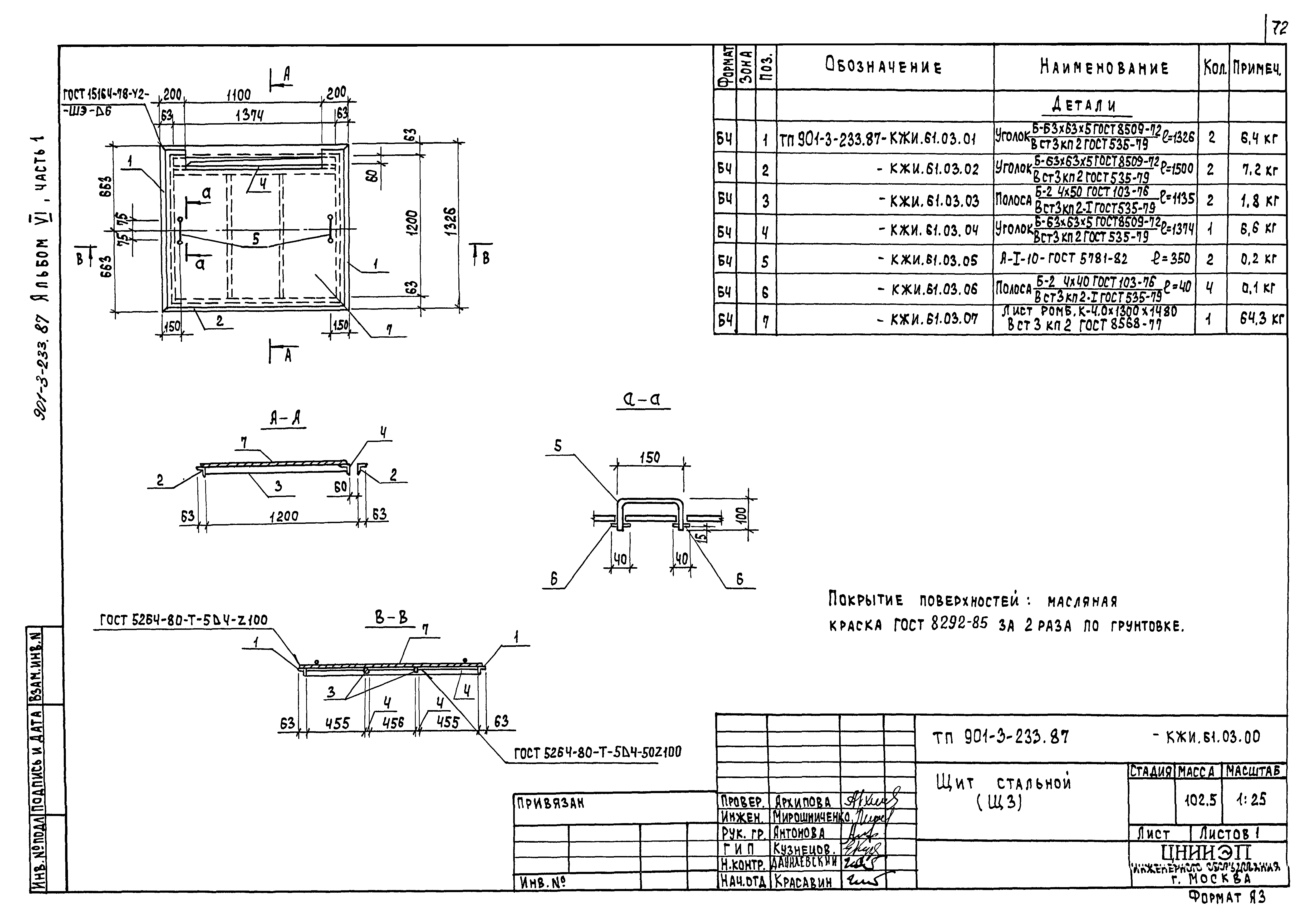
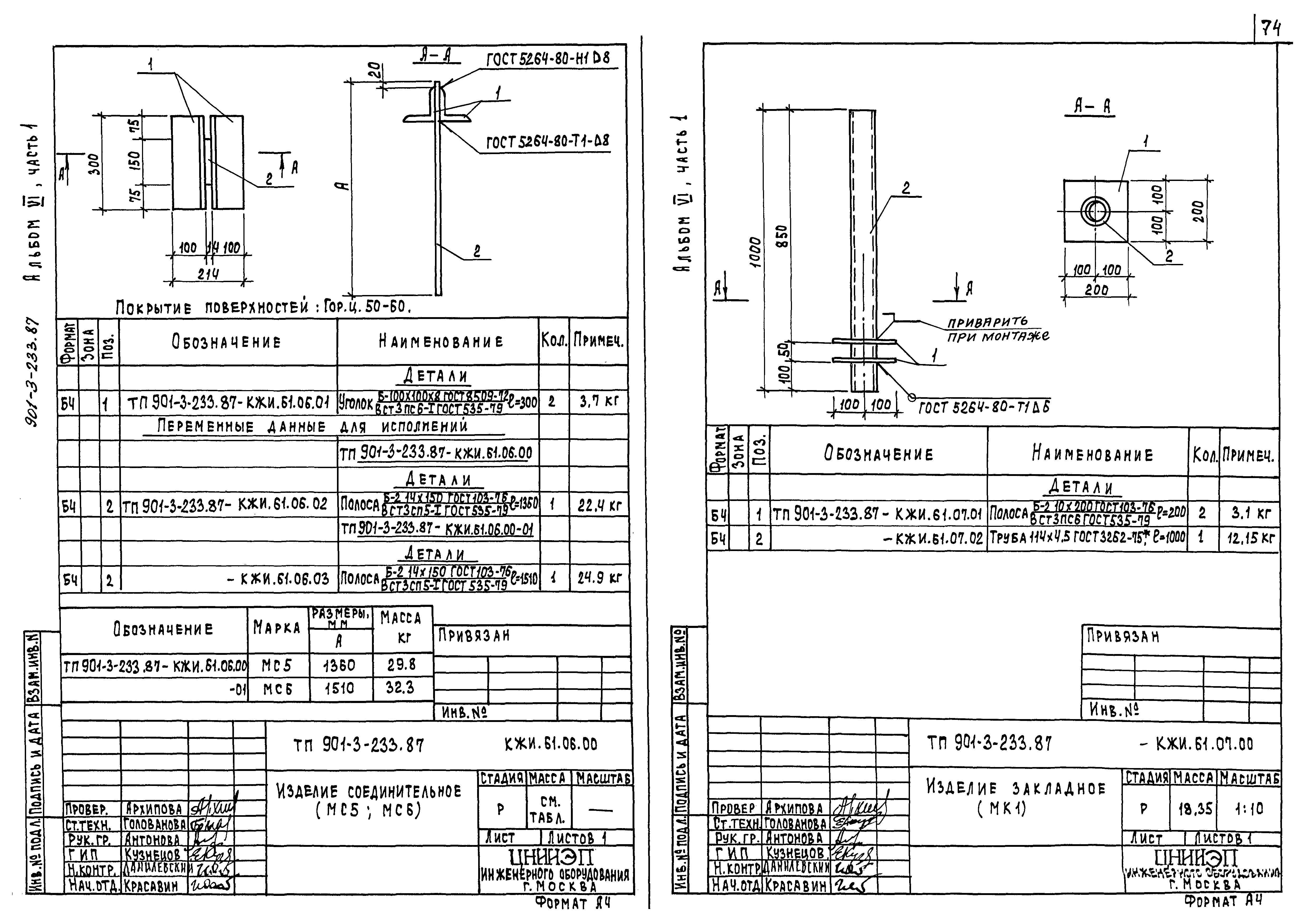
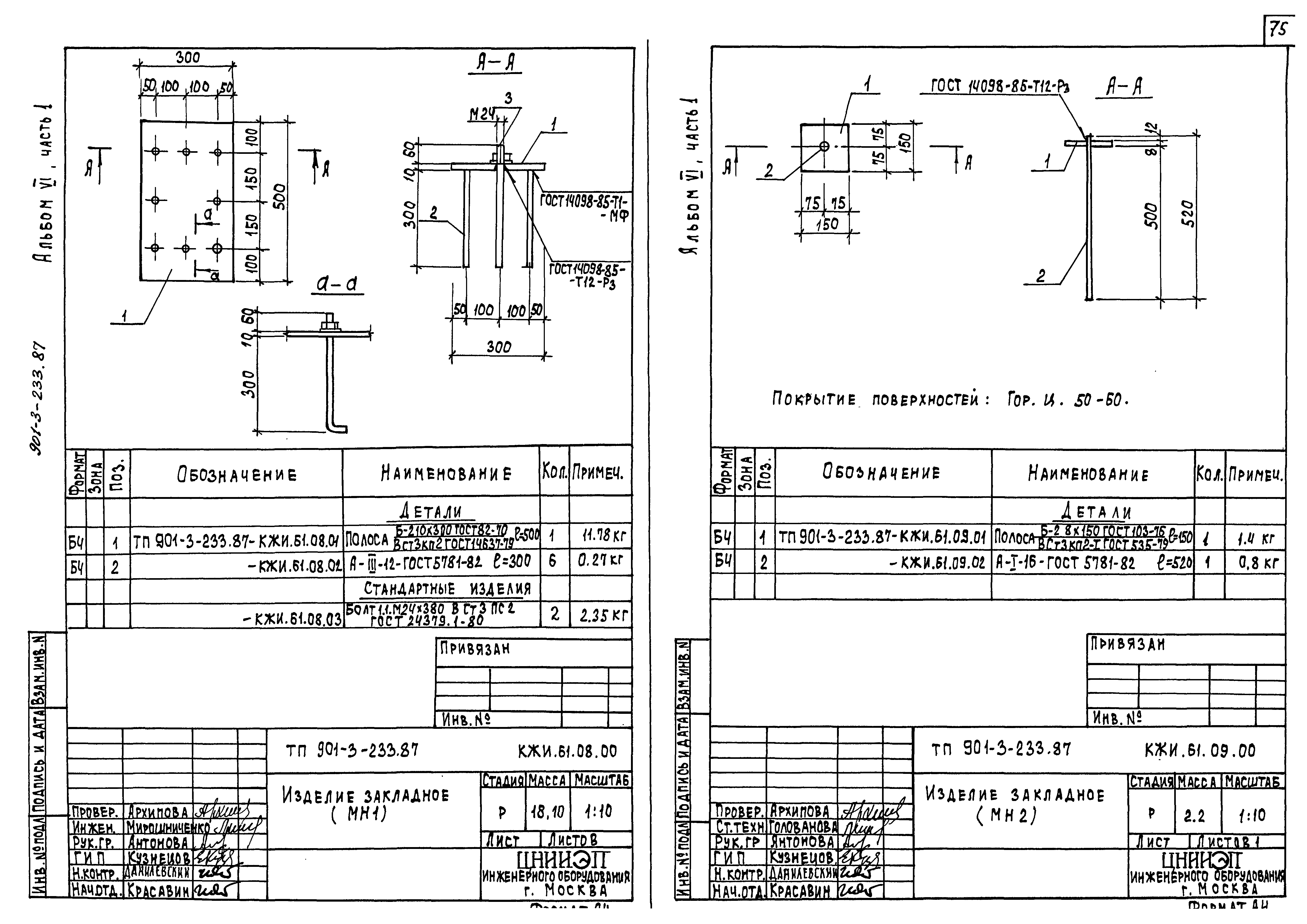
| Оглавление: | ТП 901-3-233.87-КЖИ.01.00.00 Колонна (К84-8-1...К-84-8-4) ТП 901-3-233.87-КЖИ.02.00.00 Колонна (К84-8-5...К-84-8-8) ТП 901-3-233.87-КЖИ.03.00.00 Колонна (К84-8-6;К-84-8-7) ТП 901-3-233.87-КЖИ.01.00.00 ВМС Ведомость расхода стали на дополнительные закладные изделия на элемент, кг ТП 901-3-233.87-КЖИ.04.00.00 Колонна (К109-3АIIIВ-1) ТП 901-3-233.87-КЖИ.05.00.00 Колонна (К115-1АIIIВ-1) ТП 901-3-233.87-КЖИ.11.00.00 Ферма сегментная (2ФС24-3/4АIV-1) ТП 901-3-233.87-КЖИ.12.00.00 Балка обвязочная (БОВ-3Т-1) ТП 901-3-233.87-КЖИ.13.00.00 Балка стяжка (БСФ1) ТП 901-3-233.87-КЖИ.21.00.00 Плита покрытия (ПГ-2АIVТ-1...ПГ-2АIVТ-3) ТП 901-3-233.87-КЖИ.22.00.00 Плита покрытия (2П1-2АIVТ-1,2П1-2АIVТ-2) ТП 901-3-233.87-КЖИ.23.00.00 Плита покрытия (2П1-5АIVТ-1,2П1-5АIVТ-2) ТП 901-3-233.87-КЖИ.24.00.00 Плита (П23д-3-1;П23д-3-2) ТП 901-3-233.87-КЖИ.25.00.00 Плита (П7-3-1) ТП 901-3-233.87-КЖИ.26.00.00 Плита (П7д-3-1) ТП 901-3-233.87-КЖИ.31.00.00 Панель стеновая (ПС1-48-Б3-1...ПС1-48-Б3-9) ТП 901-3-233.87-КЖИ.31.00.00 СБ Панель стеновая (ПС1-48-Б3-1...ПС1-48-Б3-9). Сборочный чертеж ТП 901-3-233.87-КЖИ.31.00.00 ВМС Ведомость расхода стали на дополнительные закладные изделия на элемент, кг ТП 901-3-233.87-КЖИ.32.00.00 Панель стеновая (ПС2-36-К4-1) ТП 901-3-233.87-КЖИ.33.00.00 Панель стеновая (ПС2-36-К4-2;ПС2-36-К4-3) ТП 901-3-233.87-КЖИ.41.00.00 Панель стеновая (ПС1-54-Б2-1...ПС1-54-Б2-5,ПС1-54-Б2-8) ТП 901-3-233.87-КЖИ.41.00.00 СБ Панель стеновая (ПС1-54-Б2-1...ПС1-54-Б2-5,ПС1-54-Б2-8). Сборочный чертеж ТП 901-3-233.87-КЖИ.42.00.00 Панель стеновая (см. таблицу исполнений) ТП 901-3-233.87-КЖИ.41.00.00 ВМС Ведомость расхода стали на дополнительные закладные изделия на элемент, кг ТП 901-3-233.87-КЖИ.43.00.00 Панель стеновая (ПС1-54-Б2-11;ПС1-54-Б2-12) ТП 901-3-233.87-КЖИ.43.00.00 СБ Панель стеновая (ПС1-54-Б2-11;ПС1-54-Б2-12). Сборочный чертеж ТП 901-3-233.87-КЖИ.51.00.00 Элемент лотковый (ЛТ2-18-1) ТП 901-3-233.87-КЖИ.52.00.00 Элемент лотковый (ЛТ2-18-2;ЛТ2-18-3) ТП 901-3-233.87-КЖИ.53.00.00 Желоб (Ж1;Ж2) ТП 901-3-233.87-КЖИ.54.00.00 Желоб (Ж3;Ж4) ТП 901-3-233.87-КЖИ.55.00.00 Лоток (ЛВС1) ТП 901-3-233.87-КЖИ.56.00.00 Желоб (ЖД1;ЖД2) ТП 901-3-233.87-КЖИ.13.10.00 Каркас пространственный (КП1) ТП 901-3-233.87-КЖИ.13.11.00 Каркас плоский (КР1) ТП 901-3-233.87-КЖИ.43.10.00 Изделие закладное (МН-6а;МН-6б) ТП 901-3-233.87-КЖИ.43.20.00 Изделие закладное (МН-15а;МН-16а) ТП 901-3-233.87-КЖИ.43.11.00 Каркас плоский (КР-10а;КР-10б) ТП 901-3-233.87-КЖИ.43.12.00 Каркас плоский (КР-12а) ТП 901-3-233.87-КЖИ.43.01.00 Каркас плоский (КР-1а;КР-3а) ТП 901-3-233.87-КЖИ.43.21.00 Каркас плоский (КР-18а) ТП 901-3-233.87-КЖИ.43.02.00 Сетка арматурная (С34а) ТП 901-3-233.87-КЖИ.43.03.00 Сетка арматурная (С35а) ТП 901-3-233.87-КЖИ.43.04.00 Сетка арматурная (С38а) ТП 901-3-233.87-КЖИ.55.01.00 Сетка арматурная (СЛ1) ТП 901-3-233.87-КЖИ.52.01.00 Сетка арматурная (С47а;С48а) ТП 901-3-233.87-КЖИ.52.02.00 Сетка арматурная (С47б;С48б) ТП 901-3-233.87-КЖИ.52.03.00 Сетка арматурная (С49а) ТП 901-3-233.87-КЖИ.53.01.00 Сетка арматурная (СЖ1...СЖ4) ТП 901-3-233.87-КЖИ.56.01.00 Сетка арматурная (СЖ6) ТП 901-3-233.87-КЖИ.56.02.00 Сетка арматурная (СЖ7) ТП 901-3-233.87-КЖИ.60.01.00 Сетка арматурная (С1...С3) ТП 901-3-233.87-КЖИ.60.02.00 Сетка арматурная (С4...С5) ТП 901-3-233.87-КЖИ.70.10.00 Каркас пространственный (КПО1...КПО3) ТП 901-3-233.87-КЖИ.70.20.00 Каркас пространственный (КПО4;КПО5) ТП 901-3-233.87-КЖИ.70.01.00 Каркас плоский (КРО1;КРО2) ТП 901-3-233.87-КЖИ.70.21.00 Каркас плоский (КРО3;КРО4) ТП 901-3-233.87-КЖИ.70.02.00 Сетка арматурная (СО1) ТП 901-3-233.87-КЖИ.70.03.00 Сетка арматурная (СО2) ТП 901-3-233.87-КЖИ.70.04.00 Сетка арматурная (СО3;СО5...Со7;СО10) ТП 901-3-233.87-КЖИ.70.05.00 Сетка арматурная (СО4;СО9;СО11) ТП 901-3-233.87-КЖИ.70.06.00 Сетка арматурная (СО8) ТП 901-3-233.87-КЖИ.70.11.00 Сетка арматурная (СКО1...СКО4) ТП 901-3-233.87-КЖИ.80.10.00 Каркас пространственный (КПФ1...КПФ3) ТП 901-3-233.87-КЖИ.80.01.00 Каркас плоский (КРФ1;КРФ2) ТП 901-3-233.87-КЖИ.80.02.00 Сетка арматурная (СФ1) ТП 901-3-233.87-КЖИ.80.03.00 Сетка арматурная (СФ4) ТП 901-3-233.87-КЖИ.80.04.00 Сетка арматурная (СФ2;СФ3) ТП 901-3-233.87-КЖИ.80.11.00 Сетка арматурная (СКФ1;СКФ3;СКФ5) ТП 901-3-233.87-КЖИ.80.12.00 Сетка арматурная (СКФ2;СКФ4;СКФ6) ТП 901-3-233.87-КЖИ.90.01.00 Каркас плоский (КРП1;КРП8) ТП 901-3-233.87-КЖИ.90.02.00 Каркас плоский (КРП2;КРП3;КРП5;КРП9) ТП 901-3-233.87-КЖИ.90.03.00 Каркас плоский (КРП4;КРП6;КРП7) ТП 901-3-233.87-КЖИ.90.04.00 Сетка арматурная (СП1...СП3) ТП 901-3-233.87-КЖИ.61.01.00 Щит стальной (Щ1;Щ2;Щ4) ТП 901-3-233.87-КЖИ.61.03.00 Щит стальной (Щ3) ТП 901-3-233.87-КЖИ.61.04.00 Изделие соединительное (МС1) ТП 901-3-233.87-КЖИ.61.05.00 Изделие соединительное (МС3;МС4) ТП 901-3-233.87-КЖИ.61.06.00 Изделие соединительное (МС5;МС6) ТП 901-3-233.87-КЖИ.61.07.00 Изделие закладное (МК1) ТП 901-3-233.87-КЖИ.61.08.00 Изделие закладное (МН1) ТП 901-3-233.87-КЖИ.61.09.00 Изделие закладное (МН2) ТП 901-3-233.87-КЖИ.21.01.00 Изделие закладное (М1) ТП 901-3-233.87-КЖИ.54.01.00 Изделие закладное (М2) |
| Разработан: | ЦНИИЭП инженерного оборудования |
| Утверждён: | 13.02.1985 Госгражданстрой (Gosgrazhdanstroy 43) |
| Заменяет собой: |
|












































































